《金属切削原理与刀具》试卷 (17).docx

上传人:p** 文档编号:1301490 上传时间:2025-01-16 格式:DOCX 页数:6 大小:21.63KB
下载 相关 举报
《金属切削原理与刀具》试卷 (17).docx_第1页
第1页 / 共6页
《金属切削原理与刀具》试卷 (17).docx_第2页
第2页 / 共6页
《金属切削原理与刀具》试卷 (17).docx_第3页
第3页 / 共6页
《金属切削原理与刀具》试卷 (17).docx_第4页
第4页 / 共6页
《金属切削原理与刀具》试卷 (17).docx_第5页
第5页 / 共6页
《金属切削原理与刀具》试卷 (17).docx_第6页
第6页 / 共6页
亲,该文档总共6页,全部预览完了,如果喜欢就下载吧!
资源描述

《《金属切削原理与刀具》试卷 (17).docx》由会员分享,可在线阅读,更多相关《《金属切削原理与刀具》试卷 (17).docx(6页珍藏版)》请在第壹文秘上搜索。

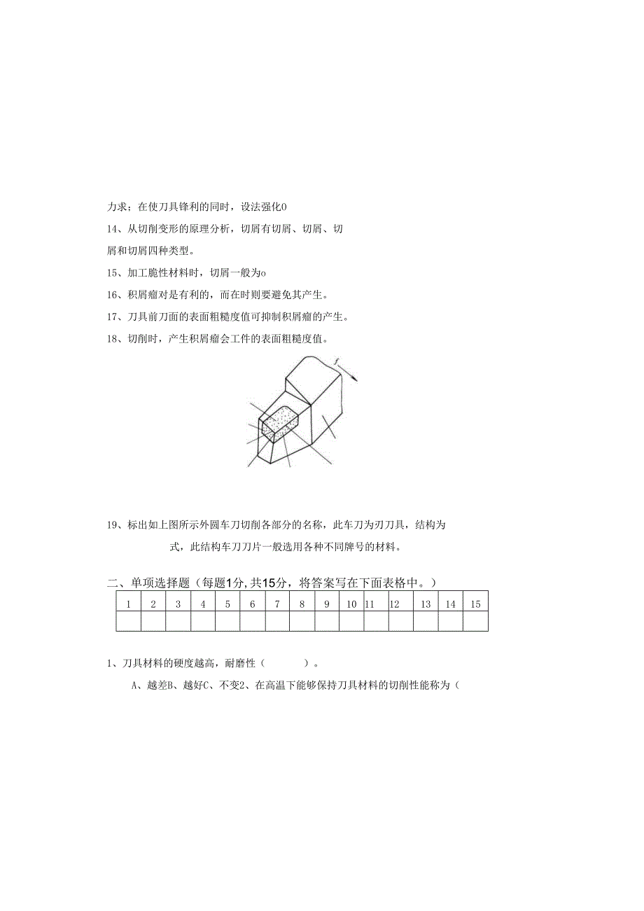
1、力求;在使刀具锋利的同时,设法强化O14、从切削变形的原理分析,切屑有切屑、切屑、切屑和切屑四种类型。15、加工脆性材料时,切屑一般为o16、积屑瘤对是有利的,而在时则要避免其产生。17、刀具前刀面的表面粗糙度值可抑制积屑瘤的产生。18、切削时,产生积屑瘤会工件的表面粗糙度值。19、标出如上图所示外圆车刀切削各部分的名称,此车刀为刃刀具,结构为式,此结构车刀刀片一般选用各种不同牌号的材料。二、单项选择题(每题1分,共15分,将答案写在下面表格中。)1234567891011121314151、刀具材料的硬度越高,耐磨性()。A、越差B、越好C、不变2、在高温下能够保持刀具材料的切削性能称为(金

2、属切削原理与刀具试卷(时间60分钟总分100分)题号-二三四五总分得分一、填空题(每题1分,共55分)1.硬质合金的主要缺点是差2较低、大,因此不耐冲击和振动。2、刀具材料的硬度必须工件材料的硬度。3、刀具材料的种类很多,常用的材料有、和、O4、切削用量总的选择原则是以效率为主,以精度为主。5、切削刀具按刀刃数量分为和两种;按刀具的结构分为、和三类。6、普通外圆车刀切削部分是由、来加以概括。7、将工件上的被切削层转化为切屑所需要的运动是o8、切削加工时与的相对运动称为切削运动。切削运动分为和两类。9、切削用量是衡量和大小的参数,包括、三个要素。10、工件在切削过程中形成三个不断变化着的表面,即

3、:表面、表面和表面。IK适当主偏角Kr,可增加刀头强度,改善散热条件,提高刀具耐用度。12、前角增大,切削力会o13、选择前角的基本原则是:。即在保证刀具具有足够强度的前提下,A、5B、70C、2515、切削刃形状复杂的刀具有()材料制造较合适。A、硬质合金B、人造金刚石C、陶瓷D、高速钢三、判断题(每题1分,共10分,将答案写在下面表格中。)123456789101、由于在切削刃上各点相对于工件的旋转半径不同,所以切削刃上各点的切削速度也不同。()2、在硬质合金中含有高硬度、高熔点的金属碳化物,所以,硬质合金的硬度、耐热性和耐磨性都超过了高速钢。()3、工件每转一分钟,车刀沿进给方向移动的距

4、离称为进给量。()4、工件的旋转速度就是切削速度。()5、粗车时,选择切削用量的顺序是:切削速度、背吃刀量、进给量。()6、断续车削、工件表面不规则、冲击力大时,应取正的刃倾角。()7、在刀具强度许可的条件下,尽量选用较大的前角。()8、当刀具后角不变时,增大前角,使楔角增大,刀具强度提高。()9、主偏角为90的车刀45的车刀散热性能好。()10、带状切屑的显著特点是内表面有裂纹,外表面呈锯齿形。()四、简答题(每题5分,共10分)A、硬度B、强度C、耐磨性D、耐热性3、车削加工的切削运动形式属于()。A、工件转动,刀具移动B、工件转动,刀具往复运动C、工件不动,刀具作回转运动4、各种机床上(

5、)有且只有一个。A、切削运动B、主运动C、进给运动D、刀具的运动5、钻孔时,孔径越小,选取的钻头转速()。A、越高B、越低C、任意D、与孔径大小无关6、在实体工件上钻孔时,切削深度等于()。A、钻头直径B、钻头直径的一半C、孔深D、钻头半径的一半7、相同高速钢刀具可比硬质合金刀具的前角磨的()。A、小些B、大些8、较通孔时,应选择(A、正值B、负值9、通常刀具的后角取(A、负B、正C、相同)刃倾角,使切屑向前排出。C、零度)值。C、零10、刃倾角是在()内测量的基本角度。A、基面B、切削平面C、正交平面11、主切削刃和副切削刃在基面上投影的夹角称作()。A、前角B、副偏角C、刃倾角D、刀尖角1

6、2、切削()金属时不必考虑断屑问题。A、塑性B、脆性C、合金钢D、工具钢13、目前广泛采用的断屑方法是在()磨出断屑槽。A、前刀面上B、前、后刀面上都C、后刀面上14、切削钢件时切削速度在()m/min以下时不产生积屑瘤。2、锻造后的齿轮毛坯直径为100mm,现在CA6140型车床上车外圆,一次进给车至94mm,切削速度为62.8mmin,求背吃刀量GP和车床主轴转速mo若工件毛坯直径为40mm,求车床主轴转速2。1、简述刀具材料应具备的性能。2、什么是主运动?什么是进给运动?它们之间有什么区别?五、计算题(每题5分,共10分)1、用一直径为40mm的钻头扩孔,底孔的直径为20mm,若钻头转速为200rmin,求切削深度及切削速度。

展开阅读全文
相关资源
猜你喜欢
相关搜索

当前位置:首页 > 高等教育 > 习题/试题

copyright@ 2008-2023 1wenmi网站版权所有

经营许可证编号:宁ICP备2022001189号-1

本站为文档C2C交易模式,即用户上传的文档直接被用户下载,本站只是中间服务平台,本站所有文档下载所得的收益归上传人(含作者)所有。第壹文秘仅提供信息存储空间,仅对用户上传内容的表现方式做保护处理,对上载内容本身不做任何修改或编辑。若文档所含内容侵犯了您的版权或隐私,请立即通知第壹文秘网,我们立即给予删除!