2023.10吉林省探矿权采矿权申请资料清单及核查意见.docx

上传人:p** 文档编号:1310516 上传时间:2025-01-24 格式:DOCX 页数:34 大小:31.95KB
下载 相关 举报
2023.10吉林省探矿权采矿权申请资料清单及核查意见.docx_第1页
第1页 / 共34页
2023.10吉林省探矿权采矿权申请资料清单及核查意见.docx_第2页
第2页 / 共34页
2023.10吉林省探矿权采矿权申请资料清单及核查意见.docx_第3页
第3页 / 共34页
2023.10吉林省探矿权采矿权申请资料清单及核查意见.docx_第4页
第4页 / 共34页
2023.10吉林省探矿权采矿权申请资料清单及核查意见.docx_第5页
第5页 / 共34页
2023.10吉林省探矿权采矿权申请资料清单及核查意见.docx_第6页
第6页 / 共34页
2023.10吉林省探矿权采矿权申请资料清单及核查意见.docx_第7页
第7页 / 共34页
2023.10吉林省探矿权采矿权申请资料清单及核查意见.docx_第8页
第8页 / 共34页
2023.10吉林省探矿权采矿权申请资料清单及核查意见.docx_第9页
第9页 / 共34页
2023.10吉林省探矿权采矿权申请资料清单及核查意见.docx_第10页
第10页 / 共34页
亲,该文档总共34页,到这儿已超出免费预览范围,如果喜欢就下载吧!
资源描述

《2023.10吉林省探矿权采矿权申请资料清单及核查意见.docx》由会员分享,可在线阅读,更多相关《2023.10吉林省探矿权采矿权申请资料清单及核查意见.docx(34页珍藏版)》请在第壹文秘上搜索。

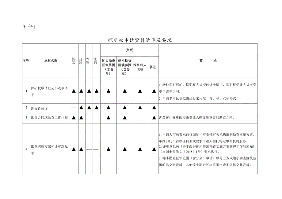
1、附件1探矿权申请资料清单及要求序号材料名称新立延续保留注销变更要求扩大勘查区块范围(含合并)缩小勘查区块范围(含分立)探矿权人名称转让1探矿权申请登记书或申请书1 .转让探矿权的,探矿权人提交转让申请书,探矿权受让人提交变更申请登记书。2 .申请书中区块范围坐标采用度、分、秒、点秒格式。2勘查许可证3勘查合同或勘查工作计划涉及转让变更的需由受让人提交新签订的勘查合同。4勘查实施方案和评审意见书1 .申请人可按要求自行编制也可委托有关机构编制勘查实施方案,审批部门不得以任何形式要求申请人委托特定中介机构服务。2 .评审意见按关于改进矿产资源勘查实施方案管理工作的通知(吉国土资法文20151号)要

2、求执行。3 .缩小勘查区块范围(含分立)申请:以分立方式缩小勘查区块范围的提交此资料,其他缩小勘查区块范围申请不需提交此资料。序号材料名称新立延续保留注销变更要求扩大勘查区块范围(含合并)缩小勘查区块范围(含分立)探矿权人名称转让5协议出让申请资料1 .限于以协议方式出让探矿权的,以合并方式扩大勘查区块范围的不需提交此资料。2 .提交协议出让申请,协议出让制度规定的有关部门文件等资料。6探矿权范围内已探明可供开采矿体的说明仅限于首次探矿权保留申请。探矿权范围内已探明可供开采矿体的说明应包含探明矿种、资源储量估算范围、资源储量情况、勘查程度、申请保留范围等。7勘查项目完成报告或者终止报告8变更探

3、矿权人名称的证明文件工商部门出具的变更批准文件或工商变更事项查询单,法院拍卖或裁定的协助执行通知书等资料。9探矿权转让合同若涉及与油气矿业权重叠,受让人需重新提交不影响已设探矿权人权益的承诺或与已设采矿权人重新签订互不影响和权益保护协议。序号材料名称新立延续保留注销变更要求扩大勘查区块范围(含合并)缩小勘查区块范围(含分立)探矿权人名称转让10矿业权出让收益(价款)缴纳或有偿处置证明材料提供缴款通知书或包含矿业权出让收益(价款)应缴金额、缴纳方式的矿业权成交确认书、矿业权出让合同以及矿业权出让收益(价款)缴纳票据和相关凭证等材料。如没有相应材料,应由征收机关出具书面意见,说明矿业权出让收益(价

4、款)缴纳的具体情况;对已批准将矿业权出让收益(价款)转增为国家基金或国家资本金的,应提供批复文件。其中涉及已设探矿权转让变更登记的,需提交原探矿权出让收益(价款)处置相关文件以及受让人重新签订的探矿权出让合同;有上级主管部门的还需主管部门签署同意转让的意见。11申请人的企业营业执照副本或事业单位法人证书申请人的企业营业执照副本不再由申请人提交,登记管理机关通过政府网站进行核查。3外商投资企业批准证书仅限于外商提出新立、延续、变更申请,其中转让变更仅限于采矿权受让人为外商的。4采矿许可证正、副本5矿山地质环境保护与土地复垦方案公告结果申请延续的,适用于未提交过方案或方案已超出有效期的,以及原矿山

5、地质环境保护与治理恢复方案和土地复垦方案其中一个超过有效期的情形。6三叠图新立、扩大矿区范围申请。应提交申请采矿权范围、资源储量估算范围与探矿权范围(已取得划矿批复的为划定矿区范围)的坐标及三者叠合图。7矿产资源开发利用方案和专家审查意见申请延续、缩小矿区范围、变更采矿权人名称及转让申请的,不需提交此资料。8划定矿区范围批复仅适用于已取得划定矿区范围批复的。办理过预留期延续的,还应提交延期批复。9勘查许可证1 .限于探矿权人提出申请的。2 .限于涉及探转采的采矿权扩大矿区范围。10协议出让申请材料1 .限于以协议方式出让采矿权的。2 .提交协议出让申请,协议出让制度规定的有关部门文件等资料。1

6、1以地质地形图为底图的矿区范围图12关闭矿山报告或完成报告、终止报告关闭矿山报告中应包含矿区范围图、矿山开采现状及实测图件、储量动用及剩余情况、矿山地质环境保护与土地复垦情况或者依法缴纳土地复垦费情况、采矿权使用费的缴纳情况及相关票据等内容。13变更采矿权人名称的证明文件工商部门出具的变更批准文件或工商变更事项查询单,法院拍卖或裁定的协助执行通知书等资料。14矿山投产满1年的证明材料其中以协议方式取得的,除母公司与全资子公司之间的转让外,应当持有采矿权满5年。15采矿权转让合同1 .转让合同中应包含矿山地质环境保护与土地复垦等其他法定义务转移的相关内容。2 .转让的采矿权若与油气矿业权重叠,受

7、让人应重新签订互不影响和权益保护协议。16上级主管部门或单位同意转让的意见仅限于国有矿山企业转让变更申请。17矿业权出让收益(价款)缴纳或有偿处置证明材料提供缴款通知书、分期缴款批复或包含矿业权出让收益(价款)应缴金额、缴纳方式的矿业权成交确认书、矿业权出让合同以及矿业权出让收益(价款)缴纳票据和相关凭证等材料。如没有相应材料,应由征收机关出具书面意见,说明矿业权出让收益(价款)缴纳的具体情况;对已批准将矿业权出让收益(价款)转增为国家基金或国家资本金的,应提供批复文件。18申请人的企业营业执照副本不再由申请人提交,登记管理机关通过政府网站进行核查。19市(州)自然资源主管部门意见按照附件4范

8、本要求填写,核查意见要全面、准确。注:1.表中标“”为必须提交的资料(“要求”栏中有特殊规定的,从其规定),标“一”为无须提交的资料。2 .采矿权申请登记书或申请书需提交电子报盘和纸质资料扫描件各一份,且内容一致,其余申请资料提交纸质原件扫描件。3 .凡涉及申请人盖章,必须与矿业权人名称一致。附件3市级自然资源主管部门意见(探矿权范本)(1)(文号)关于XX探矿权新立登记申请核查意见的函省自然资源厅:公司(单位)于年月日向我局提出“”探矿权新立登记申请的查询要求,经核查,该申请属省自然资源厅发证权限,现将核实情况函告如下:一、申请人申请勘查主矿种为,申请区块面积,坐标O二、申请区块范围内未受理

9、其他探矿权、采矿权申请。三、申请范围不涉及永久基本农田,生态保护红线,自然保护地(含风景名胜区等),I级和H级保护林地、天然林保护重点区域、国家重点林区林地、国家级公益林,基本草原,国际重要湿地、国家重要湿地,世界自然(自然与文化)遗产地及文物保护地,饮用水水源保护区,水产种质保护区等。若涉及与上述区域重叠,需商相关主管部门明确处置意见四、申请范围符合矿产资源规划和相关产业政策要求。五、探矿权申请人无不得申请该区块的情况/若有不得申请该区块的情况申请人因(具体原因),按照(具体规定),不得申请该区块。六、其他需要说明的事项。根据上述情况,我局建议同意/不同意该探矿权新立申请。XX自然资源局(公

10、章)年月日(2)(文号)关孑XX探砂权4大勘强8快冕圉(含合并)我更螫招申造核强意见的晶省自然资源厅:公司(单位)于年月日向我局提出“探矿权扩大勘查区块范围(含合并)变更登记申请的查询要求,经核查,该申请属省自然资源厅发证权限,现将核实情况函告如下:一、探矿权扩大勘查区块范围申请)原探矿权(证号:)面积,申请扩大面积,扩大勘查范围后面积o申请坐标:O探矿权合并申请“”探矿权(证号:),勘查面积,”探矿权(证号:),勘查面积,和“探矿权(证号:),勘查面积,拟合并为一个探矿权。申请合并后探矿权名称,面积o申请坐标:O二、申请范围符合矿产资源规划有关要求,不涉及永久基本农田,生态保护红线,自然保护

11、地(含风景名胜区等),I级和II级保护林地、天然林保护重点区域、国家重点林区林地、国家级公益林,基本草原,国际重要湿地、国家重要湿地,世界自然(自然与文化)遗产地及文物保护地,饮用水水源保护区,水产种质保护区等。若涉及与上述区域重叠,需商相关主管部门明确处置意见三、该探矿权无权属争议,未发现违法违规勘查行为。若有违法违规勘查行为)发现(具体违法违规勘查行为),已依法进行查处并结案。四、其他需要说明的事项。根据上述情况,我局建议同意/不同意该探矿权扩大勘查区块范围(含合并)变更申请。XX自然资源局(公章)年月日(3)(文号)关孑XX探步权延侬蛰铠申靖核强意见的晶省自然资源厅:公司(单位)于年月日

12、向我局提出“探矿权(证号:)延续登记申请的查询要求,经核查,该申请属省自然资源厅发证权限,现将核实情况函告如下:一、须按比例缩小勘查范围的原探矿权面积,申请缩小勘查范围后面积,缩小比例为%O申请坐标:O无须缩小勘查范围或缩小范围达不到规定比例的原探矿权面积,本次申请探矿权延续无须缩减面积(或缩小范围不足规定比例),理由:,符合的规定。申请坐标:O二、申请范围不涉及永久基本农田,生态保护红线,自然保护地(含风景名胜区等),I级和H级保护林地、天然林保护重点区域、国家重点林区林地、国家级公益林,基本草原,国际重要湿地、国家重要湿地,世界自然(自然与文化)遗产地及文物保护地,饮用水水源保护区,水产种质保护区等。若涉及与上述区域重叠,需商相关主管部门明确处置意见三、该探矿权无权属争议,未发现违法违规勘查行为。若有违法违规勘查行为)发现(具体违法违规勘查行为),已依法进行查处并结案。四、其他需要说明的事项。若申请人未在勘查许可证有效期内提出查询要求,需核实是否符合“部4号文”第(一)条第8款的要求。根据上述情况,我局建议同意/不同意该探矿权延续申请。XX自然资源局(公章)年月日(4)(文号)关孑XX抿/权偏J勒冬巨拱星(含分玄)变更螫招申造核强意见的晶省自然资源厅:公司(单位)于年月日向我局提出“探矿权(证号:)缩小勘查

展开阅读全文
相关资源
猜你喜欢
相关搜索

当前位置:首页 > 行业资料 > 矿业工程

copyright@ 2008-2023 1wenmi网站版权所有

经营许可证编号:宁ICP备2022001189号-1

本站为文档C2C交易模式,即用户上传的文档直接被用户下载,本站只是中间服务平台,本站所有文档下载所得的收益归上传人(含作者)所有。第壹文秘仅提供信息存储空间,仅对用户上传内容的表现方式做保护处理,对上载内容本身不做任何修改或编辑。若文档所含内容侵犯了您的版权或隐私,请立即通知第壹文秘网,我们立即给予删除!