不合格品控制程序、工作流程图表.docx

上传人:p** 文档编号:1317846 上传时间:2025-02-14 格式:DOCX 页数:3 大小:12.35KB
下载 相关 举报
不合格品控制程序、工作流程图表.docx_第1页
第1页 / 共3页
不合格品控制程序、工作流程图表.docx_第2页
第2页 / 共3页
不合格品控制程序、工作流程图表.docx_第3页
第3页 / 共3页
亲,该文档总共3页,全部预览完了,如果喜欢就下载吧!
资源描述

《不合格品控制程序、工作流程图表.docx》由会员分享,可在线阅读,更多相关《不合格品控制程序、工作流程图表.docx(3页珍藏版)》请在第壹文秘上搜索。

1、不合格品控制程序1、目的对不合格品进行识别和控制,防止不合格品的非预期使用或交付。2、适用范围适用于公司产品实现全过程。3、职责3.1 质量管理部3.1.1 负责对发现不合格品(包括顾客发现的)及时记录。3.1.2 负责对不合格的严重程度进行评价,确定处置意见。3.1.3 负责提出让步接收申请,报主管副总经理审批后与顾客洽商。3.1.4 负责跟踪验证分公司不合格品的处置情况。3.2 分公司3.2.1 负责对不合格品进行标识、记录、适宜时隔离。3.2.2 负责处置不合格品,报质量管理部验证。3.3 项目部负责按本程序对不合格品进行控制,履行质量管理部相关职责。3.4 市场经营部负责组织相关单位对

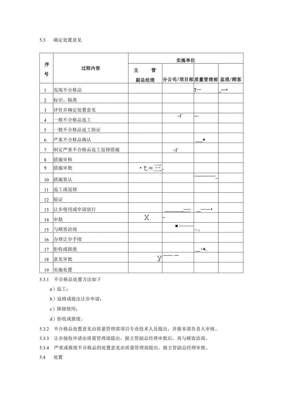
2、保修期内出现的不合格品进行处置。4、工作流程(见附图)5、控制要求5.1 标识和隔离分公司/项目部对检查发现或顾客提出的不合格品立即标识,记录不合格状态,适宜时隔离。5.2 评价不合格品分为:a)严重不合格品:对工程的使用功能、结构安全、使用寿命可能造成较大影响的产品;b)一般不合格品:对工程的使用功能、结构安全、使用寿命可能造成轻度影响经返工后不影响使用的产品。5.3 确定处置意见序号过程内容实施单位主管副总经理分公司/项目部质量管理部监理/顾客1发现不合格品T一_2标识、隔离3评价并确定处置意见4一般不合格品返工5一般不合格品返工验证6严重不合格品确认*7制定严重不合格品返工返修措施8措施

3、审核9措施审批t三.10措施签认-_11返工或返修12验证13让步使用或申请放行-14审批X-15与顾客洽商16办理让步手续17拒收或报废-*.18意见审批y19实施处置5.3.1 不合格品处置方法如下a)返工;b)返修或提出让步申请;c)降级使用;d)拒收或报废。5.3.2 不合格品处置意见由质量管理部项目专业技术人员提出,并报本部负责人审核。5.3.3 让步接收申请由质量管理部提出,报主管副总经理审批后,再与顾客洽商。5.3.4 严重或报废不合格品的处置意见由质量管理部提出,报主管副总经理审批。5.4 处置5.4.1 确定返工、返修的不合格品由分公司返工、返修,其中严重不合格品的返工、返修,分公司制定返工、返修措施,送质量管理部审核,报主管副总经理审批后执行,必要时报顾客或监理签认后执行。5.4.2 确定让步使用或放行的不合格品,由质量管理部办理让步申请手续。5.4.3 确定降级使用的不合格品由分公司/项目部作出标识并保持记录,按降级处置意见使用。5.4.4 对保修期内出现的不合格品,市场经营部将与顾客洽商的意见报主管副总经理确认后,执行本程序。5.5 验证不合格品返工、返修后,分公司/项目部应重新检验或试验,再将结果报质量管理部验证。5.6 不合格品的记录保管执行记录控制程序。

展开阅读全文
相关资源
猜你喜欢
相关搜索

当前位置:首页 > 办公文档 > 统计图表

copyright@ 2008-2023 1wenmi网站版权所有

经营许可证编号:宁ICP备2022001189号-1

本站为文档C2C交易模式,即用户上传的文档直接被用户下载,本站只是中间服务平台,本站所有文档下载所得的收益归上传人(含作者)所有。第壹文秘仅提供信息存储空间,仅对用户上传内容的表现方式做保护处理,对上载内容本身不做任何修改或编辑。若文档所含内容侵犯了您的版权或隐私,请立即通知第壹文秘网,我们立即给予删除!