2022年11月份培训课件(接触网专业).docx

上传人:p** 文档编号:1330712 上传时间:2025-03-18 格式:DOCX 页数:69 大小:1.04MB
下载 相关 举报
2022年11月份培训课件(接触网专业).docx_第1页
第1页 / 共69页
2022年11月份培训课件(接触网专业).docx_第2页
第2页 / 共69页
2022年11月份培训课件(接触网专业).docx_第3页
第3页 / 共69页
2022年11月份培训课件(接触网专业).docx_第4页
第4页 / 共69页
2022年11月份培训课件(接触网专业).docx_第5页
第5页 / 共69页
2022年11月份培训课件(接触网专业).docx_第6页
第6页 / 共69页
2022年11月份培训课件(接触网专业).docx_第7页
第7页 / 共69页
2022年11月份培训课件(接触网专业).docx_第8页
第8页 / 共69页
2022年11月份培训课件(接触网专业).docx_第9页
第9页 / 共69页
2022年11月份培训课件(接触网专业).docx_第10页
第10页 / 共69页
亲,该文档总共69页,到这儿已超出免费预览范围,如果喜欢就下载吧!
资源描述

《2022年11月份培训课件(接触网专业).docx》由会员分享,可在线阅读,更多相关《2022年11月份培训课件(接触网专业).docx(69页珍藏版)》请在第壹文秘上搜索。

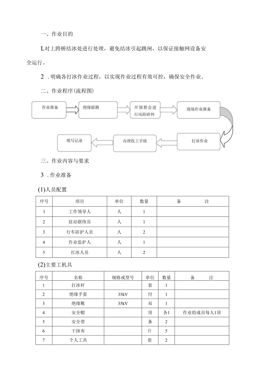
1、内部资料切勿外传违者必究月度培训课件课件题目:作者姓名:审稿人:校对人:课件适用专业:月份:四季度员工培训田利杰王健王健接触网(11月份)中铁电气化铁路运营管理有限公司北京维管段2022年10月(定稿日期)目录识点打作业2一、作业目的3二、作业程序(流程图)3三、作业内容与要求3四、作业安全风险关键点及卡控措施7知识点二吊弦检修作业7一、目的7二、作业准备8三、作业程序9四、作业流程及标准10五、作业安全风险关键点及卡控措施23知识点三、中锚检修作业指导书26知识点四、31题库60一、打冰60二、吊弦61五、抢修演练项目评分表66六、参考文献65知识点一打冰作业一、作业目的L对上跨桥结冰处进行

2、处理,避免结冰引起跳闸,以保证接触网设备安全运行。2 .明确各打冰作业过程,以实现作业过程有效可控,确保安全作业。二、作业程序(流程图)三、作业内容与要求3 .作业准备(1)人员配置序号项目单位数量备注1工作领导人人12驻站联络员人13行车防护人员人24作业监护人人15打冰人员人2(2)主要工机具序号名称规格或型号单位数量备注1打冰杆套12绝缘手套35kV付13绝缘靴35kV双14安全帽顶各1作业组成员每人1顶5安全带条26干抹布片57个人工具套28防护喇叭个3现场行车防护每人1个9防护旗套3现场行车防护各1套10头灯个6除驻站防护外每人1个11防护灯台312对讲机个5(3)签发工作票根据情况

3、纳入天窗点处理,开具第一种工作票并交付工作领导人,工作领导人向作业组全体成员宣读工作票、分工并进行安全预想、风险研判,检查工具、材料。对于特殊情况,纳入抢修管理,执行抢修管理办法。4 .完成安全措施(1)打冰杆每间隔3天进行一次擦拭,保证绝缘性能。(2)每次使用前检查绝缘工具的状态,必须使用经耐压试验合格的绝缘工具进行遥测。首先,认真检查有无损坏,并用清洁干燥的抹布擦拭有效绝缘部分后,再用2500V兆欧表分段测量(电极宽2cm,极间距离2cm)有效绝缘电阻不得低于100兆欧,或测量整个有效绝缘部分的绝缘电阻不低于10000兆欧。(3)备齐合格的通讯工具、照明灯具、防护用具、清洁干燥的抹布等,确

4、保状态良好。(4)普速线每次作业前由驻站联络员申请天窗点作业,打冰作业人员由安全等级不低于三级的人员担任,每次作业完毕及时消令。(5)防护人员必须按规定穿防护服,携带防护用具,严格执行防护制度,及时传达列车运行状态,来车时及时通知作业组人员下道避让。(6)作业组到达现场,设好两端行车防护后方可进入护网,夜间除冰时必须带齐照明工具,佩戴棉安全帽不得堵塞耳孔,作业人员严禁上道行走,在路肩行走注意地面结冰,防止滑倒,打冰杆不得侵入限界。(7)作业过程中,防护人员加强防护,来车及时通知作业组避让,作业人员将携带的打冰杆顺线路贴近护栏放置并不得侵限,作业前后打冰杆应处于拆卸状态。作业人员必须正确使用绝缘

5、工具,不得短接绝缘工具的有效绝缘距离,做到随时擦拭绝缘杆,确保清洁干燥。(8)每打一次冰用干抹布擦一次打冰杆。(9)打冰作业时,工作领导人不得从事具体打冰工作,必须对作业过程进行全方位监控,重点做好结冰点的巡视检查工作,防止发生遗漏和错过打冰时机。5 .容易结冰处所(1)跨线桥下承力索结冰(2)跨线桥下桥底面结冰4.打冰过程(1)打冰作业1人操作,1人监护。操作人员穿戴绝缘鞋、绝缘手套。(2)入网到达结冰位置(面向来车方向行走),连接打冰杆。(京沪线需在护栏外确认结冰位置,临时封锁命令下达后进入护网)(3)操作人员利用打冰杆对冰柱进行敲打。除冰时要面向来车方向,必须由带电方向田野侧敲打,打冰操

6、作人员不能垂直持握打冰杆,同时注意大风对落下冰块的影响,以防落下的冰块伤人。工作领导人要时刻在现场监护作业人员作业安全,来车提前通知作业人员下道避让列车,列车通过时打冰杆不能侵限。6 .办理收工手续(1)工作领导人确认作业组打冰工作结束,人员机具均已撤至安全地带后,通知行车防护撤除防护。(2)工作领导人确认安全措施撤除后,通知驻站联络员申请消令。(3)工作领导人组织召开收工会。7 .作业情况反馈打冰作业开始、结束均需反馈段调度,京沪线申请临时封锁天窗进行打冰作业时,作业结束后及时将临时天窗经过报生产技术科。四、作业安全风险关键点及卡控措施L打冰操作不当引起跳闸打冰作业可不撤除馈线重合闸。由于作

7、业原因引起跳闸或有其他异常情况时及时向段调度汇报作业情况。8 .绝缘工具状态不良引起人身触电(1)打冰杆按规定摇测绝缘电阻合格后方可使用。每次使用前必须认真检查杆体有无损坏,并用清洁干燥的抹布擦拭有效绝缘部分。(2)日常做好打冰杆维护保养工作,每间隔3天进行一次擦拭,保证绝缘性能良好。知识点二吊弦检修作业一、目的(1)明确吊弦检修项目的作业程序、人员组织、工机具配置、材料需求、技术标准、检查、调整及常见缺陷的处理方法,以实现作业过程标准化。(2)通过吊弦的检查、调整和缺陷处理,保证吊弦处于良好的工作状O二、作业准备1 .资料准备接触网装配图、整体吊弦参数、吊弦分布表。2 .签发作业票按普速铁路

8、接触网安全工作规则要求,发票人填写工作票并交付工作领导人,工作领导人审核后签发作业票。3 .签发派工单(人员准备)根据作业票的作业内容、作业范围,作业领导人填写并签发派工单,本表仅列出使用车梯进行吊弦检修作业一组所需人员O序号项目单位数量备注1工作领导人人12驻站联络员人13地线操作人24地线监护人2兼行车防护5高空作业人员人26辅助人员人4兼测量注:当使用轨道车作业时,辅助人员为2人。4 .召开预想会工作领导人在天窗点前组织作业组成员召开吊弦检修作业预想会,向作业组全体成员宣读工作票、派工单,针对当日的吊弦检修作业从作业地点、线路封锁条件、天窗时间、检修范围、检修内容、人员组织、工机料准备、

9、通讯方式、检修标准、检修方法、典型问题处理以及安全风险检等方面进行全方位预想。5 .检修项目(1)常规项目吊弦外观检查、几何参数检查(2)非常规项目整体吊弦调整、更换。6 .检修风险关键点(1)电击伤害(2)高空坠落伤害(3)机车车辆伤害(4)物体打击伤害(5)设备质量风险7 .工料机具准备(1)主要机具准备序号名称规格或型号单位数量备注1车梯(或作业车)台12数字化激光接触网检测仪DJJ-8台13钢卷尺5m把14力矩扳手0100Nm套15小绳条16皮尺50m把1非常规7吊弦压接钳把1非常规8扭面器套2非常规(2)主要材料准备序号名称规格单位数量备注1铁线4.0mmkg若干2砂纸张若干3电力复

10、合脂管若干4整体吊弦(含零部件)套若干非常规三、作业程序吊弦检查工前点名出工前检查接收作业命令安全措施布控发布检修命令吊弦几何参数检查无断股散股线鼻子完好吊弦压接完好载流环符合标准吊弦线夹检查吊弦的偏移吊弦的间距相邻吊弦的高差电气距离调整、克缺检查验收清点人员、机具后撤离撤除安全措施消除作业命令前点名出工刖,收工返回由工召开收工会一,一作填写检修记录I领导人进行点名,宣读当日作业票,强调当日作业安全注意事项,并检查所需安全用品是否齐全、完好。2 .出工前检查出工前,工作领导人安排安全员对作业组人员、个人工具、劳动保护用品、工机具、材料进行清点。3 .接收作业命令驻站联络员及时与供电调度申请作业

11、命令,命令下达后,驻站联络员立即向工作领导人进行传达,并做好相关记录。4 .安全措施布控工作领导人接到作业命令后,布置安全措施。5 .发布检修命令工作领导人确认安全措施完成后,下达开工命令。6 .整体吊弦检修项目及标准图17 .吊弦外观检查(见图1)(1)吊弦线无断股、散股、压接管处无弯折鼓包、吊弦本线无形变和不受力现象;(2)线鼻子无锈蚀、裂纹;(3)吊弦压接管无变形、裂纹、压接工艺无错误(正常时主线侧1个牙印、辅线侧2个牙印)。(4)载流环安装在接触线端朝向行车前进方向侧,承力索端朝向行车的反方向侧,吊弦线鼻子与接触线成45角。(见图2)(5)心型环与吊弦线接触密贴,心型环距压接管的距离不

12、大于5mm。(6)吊弦线夹无裂纹、变形等现象,载流环线鼻子在螺帽一侧,锁片长端掰至线夹本体侧,锁片短端掰至螺母侧。吊弦线夹螺栓穿向:直线区段接触线吊弦线夹螺栓由线路侧穿向田野侧,曲线区段由曲外穿向曲内,承力索吊弦线夹螺栓穿向与接触线吊弦线夹安装方向相反。正确错误图2(7)检查承力索吊弦线夹螺纹卡子螺纹卡子无裂纹、烧伤,螺纹卡子安装在载流环反方向,外露51111.(见图3)(8)整体吊弦的几何参数检查吊弦应垂直,顺线路方向的偏移值不得大于20mm。整体吊弦间距检查根据整体吊弦安装位置表或通过计算检查整体吊弦安装位置,计算方法如下:a一般区段Ll=4m,L2一般采用平均分布。b吊弦位置计算公式:L

13、2=(L-2L1)/(N-I)L2:跨中吊弦间距,L1:悬挂点距离第一根吊弦距离,L:跨距,N吊弦安装数量。整体吊弦相邻吊弦高差检查详见几何参数检测作业指导书电气距离整体吊弦与线索或支持定位装置间距离不小于60mm,当吊弦位于关节交叉侧时注意根据线索偏移值对吊弦进行调整。8 .调整(1)吊弦偏移调整承力索吊弦线夹偏移:松开承力索吊弦线夹螺栓,移动承力索吊弦线夹位置,使之与接触线吊弦线夹在同一垂面内。接触线吊弦线夹偏移:松开接触线吊弦线夹螺栓,移动接触线吊弦线夹位置,使之与承力索吊弦线夹在同一垂面内。(1)吊弦位置调整根据吊弦所在跨距内吊弦安装数量和跨距计算出吊弦安装位置;用皮尺以定位点为起测点,测量出吊弦安装位置,并使用记号笔在接触线上做好标记;将吊弦移至标记位置进行安装。(2)载流环角度调整掰开吊弦线夹锁片,松开线夹连接螺栓,将载流环调整至与线索呈45,紧固螺栓至25Nm,恢复锁片。(3)电气距离调整当吊弦与其他设备距离小于60mm时,应对其进行调整,调整后测量导高超出安全值时,应对此位置吊弦进行更换。当吊弦位于关节交叉侧时,距离邻近线索小于60mm时,调整时应

展开阅读全文
相关资源
猜你喜欢
相关搜索

当前位置:首页 > 管理/人力资源 > 咨询培训

copyright@ 2008-2023 1wenmi网站版权所有

经营许可证编号:宁ICP备2022001189号-1

本站为文档C2C交易模式,即用户上传的文档直接被用户下载,本站只是中间服务平台,本站所有文档下载所得的收益归上传人(含作者)所有。第壹文秘仅提供信息存储空间,仅对用户上传内容的表现方式做保护处理,对上载内容本身不做任何修改或编辑。若文档所含内容侵犯了您的版权或隐私,请立即通知第壹文秘网,我们立即给予删除!