环境职业健康与安全管理方案1.docx

上传人:p** 文档编号:1333026 上传时间:2025-03-18 格式:DOCX 页数:27 大小:113.98KB
下载 相关 举报
环境职业健康与安全管理方案1.docx_第1页
第1页 / 共27页
环境职业健康与安全管理方案1.docx_第2页
第2页 / 共27页
环境职业健康与安全管理方案1.docx_第3页
第3页 / 共27页
环境职业健康与安全管理方案1.docx_第4页
第4页 / 共27页
环境职业健康与安全管理方案1.docx_第5页
第5页 / 共27页
环境职业健康与安全管理方案1.docx_第6页
第6页 / 共27页
环境职业健康与安全管理方案1.docx_第7页
第7页 / 共27页
环境职业健康与安全管理方案1.docx_第8页
第8页 / 共27页
环境职业健康与安全管理方案1.docx_第9页
第9页 / 共27页
环境职业健康与安全管理方案1.docx_第10页
第10页 / 共27页
亲,该文档总共27页,到这儿已超出免费预览范围,如果喜欢就下载吧!
资源描述

《环境职业健康与安全管理方案1.docx》由会员分享,可在线阅读,更多相关《环境职业健康与安全管理方案1.docx(27页珍藏版)》请在第壹文秘上搜索。

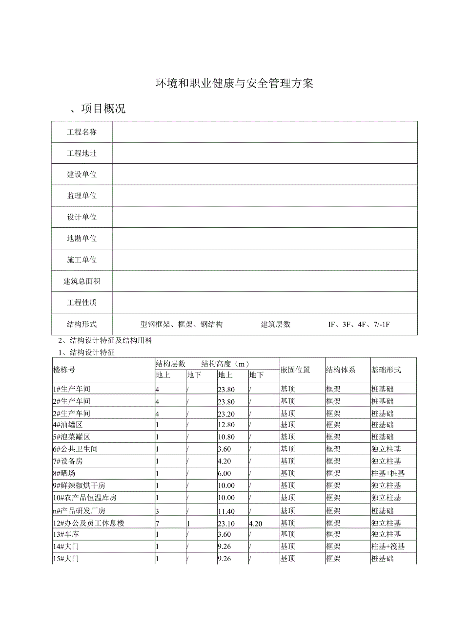
1、环境和职业健康与安全管理方案、项目概况工程名称工程地址建设单位监理单位设计单位地勘单位施工单位建筑总面积工程性质结构形式型钢框架、框架、钢结构建筑层数IF、3F、4F、7/-1F2、结构设计特征及结构用料1、结构设计特征楼栋号结构层数结构高度(m)嵌固位置结构体系基础形式地上地下地上地下1#生产车间4/23.80/基顶框架桩基础2#生产车间4/23.80/基顶框架桩基础2#生产车间4/23.20/基顶框架桩基础4#油罐区1/12.80/基顶框架桩基础5#泡菜罐区1/10.80/基顶框架桩基础6#公共卫生间1/3.60/基顶框架独立柱基7#设备房1/4.20/基顶框架独立柱基8#晒场1/6.00

2、/基顶框架柱基+桩基9#鲜辣椒烘干房1/10.00/基顶框架独立柱基10#农产品恒温库房1/10.00/基顶框架独立柱基n#产品研发厂房3/11.40/基顶框架桩基础12#办公及员工休息楼7123.104.20基顶框架独立柱基13#车库1/3.60/基顶框架独立柱基14#大门1/9.26/基顶框架柱基+筏基15#大门1/9.26/基顶框架桩基础16#粗加工车间1/12.00/基顶框架桩基础17#污水处理站车间1/4.20/基顶框架独立柱基18#连廊4/23.80/基顶框架桩基础注:结构层数及结构高度均不包含出屋面小塔楼。3、主要建筑特征表MIUI(E)IMM()IfeIiHViff9OiU修M

3、tfiIlimUUaF50filJf6itIif2r08050I)t61MIt1&H36050.61HIttHtf659U4.2050eiMrIt6AI,-IK16065IF6.0050HirIt6iRft二Utftfmt2闻3IU100OSOfIHrIIf6ft二皿”34到8HK)0050IIIIU:tjJf6tIIuIr,M818195114050HHtI161RKr二*Mlf.HT.Hl.ff.MM71413TF211050t161I“木”325642016050MM-I2f61Rl二UIl292150IVlAIi1it6iIt二I问;1,Ml41192650WnU6fr2f*2ftfl

4、41V92650mm二it6fA4t二,4I.AMI584?帖IFIuoosoUWIf16iHIIt二.jsttfani4MtRI60000U4.2050It6AMttUil564064F21850H二=If6AlIt二、环境管理一)、环境管理方针绿色环境,节约资源;遵章守法,持续发展。同时为切实达到OHSASl8001、ISOl4001认证体系有关要求,我项目部将积极准备,扎扎实实作好相关的每一步工作,切切实实作到“保护环境,绿色美化,节约资源。”二)、环境管理目标、指标环境目标:1、营造文明、环保、健康的施工现场和工程产品;2、施工现场粉尘、噪声满足法律、法规要求;3、废水、废气排放满足法

5、律、法规要求;4、减少固体垃圾、避免有毒有害物质的泄漏;5、减少能源及材料消耗;6、降低粉尘的产生和扩散。环境指标:1、废水、废气排放满足国家现行有关标准要求;2、所有有毒有害固体废弃物100%安全合法处置,垃圾的分类处理率达到80%;3、办公区、生活区用水的人均消耗三年内每年比上年降低1%,纸张的人均消耗每年比上年降低3%;4、噪声的排放达到国家现行标准要求,土方施工,昼间75dB;夜间禁止施工;结构施工,昼间70dB,夜间55dB(22:00至次日6:00);装修施工,昼间65dB,夜间55dB(22:00至次日6:00);5、对设备滴、漏油现象采取导油槽等有效措施予以收集,统一处置;6、

6、对有毒、有害及有放射性的装饰装修材料应按国家现行有关标准的规定采购、使用及管理;7、粉尘的产生和扩散;8、环境管理的有效投诉每年不超过3起,无重大环境事故/事件;9、环境事故/事件处理结案率100%。三、环境管理组织网络文明施工管理机构项目经理:安全主任项目总工程师项目总施工陈来添机械管理负责人林苏镇消防管理负责后勤管理负责林英彬施工用电负责林苏镇四、总则1、加强和实行环保目标责任制,把环保指标以责任书的形式层层分解到人,列入承包合同和岗位责任制,建立环保自我监控体系。项目经理是环保工作的第一责任人,是施工现场环保工作的领导者和责任者,应把环保政绩作为考核各级管理者的一项重要内容。2、强检查和

7、监控工作。加强对施工现场粉尘、噪声、废气的监控和监测及检查工作。3、保护和改善施工现场环境进行综合治理,一是监控;二是会同周边单位协调环保工作,齐抓共管;三是做好宣传与教育工作。4、做到技术措施严密,严格执行国家法律、法规。五、现场一般环境工作项目1、现场开展工作前,现场负责人应详细考虑下列各项设施的分布及位置:1)水管、洒水系统等应有足够长度及压力;2)污水处理系统应考虑污水机的大小、处理量、污水预沉池、污水收集路线、收集污水处理后之排渣池的清理安排;如使用沉淀池,需考虑池的大小、沉淀池是否有成效、污水循环再用的安排;3)洗车池;4)垃圾分类收集区;5)化学品/化学废料存放及定购足够合适的储

8、漏盆;A9殖重庆民新建筑工程有限公司第5页共43页重庆红九九食品深加工项目建筑工程项目部6)饭堂隔油池及厕所化粪池等。2、申领各类牌照、许可证,包括:1)噪声施工许可证;2)夜间施工许可证;3)排污许可证;4)卫生许可证5)如属应呈报工程,以书面形式通知环保部门开工等。3、分发环境方针予各员工并保留签收记录,在分包进场后一周内分发相关的运行控制措施予分包方及其它相关方并保留签收记录,培训分包采取运行控制措施及紧急应变措施等。4、设立环境工作小组以监察环境管理计划的实施,定期检讨与环境有关的事项及提供建议,并保留会议记录。5、进行与重大环境因素有关的活动时,实施各项运行控制措施,并使用环境检验表

9、格。每月检查各项环境控制措施,做好有关监察记录。6、按现场污水排放监察程序监察污水排放,确保污水排放许可证要求。7、使用最新版本环境管理文件及表格,撤走过时文件和表格。8、如从内部检查、外部投诉、违例检控等发现环境不符合情况,按本程序第5.5节处理。9、每月统计各项环境指标完成情况,并张贴统计结果,每季将统计结果呈交工程部汇总。10、各类环境文件参照本程序附录I分类存档。六、施工现场环境管理实施细则(一)施工场地1、现场的主要运输道路(30分钟内车辆流量4辆以上):硬地化,并保持清洁;经常洒水弄湿,洒水次数视天气情况而定,在干燥多风的天气下,每天至少洒水两次以保持整个路面湿润。2、通往现场的道

10、路,其中位于现场出口30m范围内的部分,项目部须经常清洁,并保持没有易生尘埃物料。(二)现场车辆1、车辆离开现场前须清洗车轮及车身以免泥土、尘埃、垃圾或污秽物等带到公共地方上。2、车辆离开现场前如载有易生尘埃物料如泥土、垃圾、沙、石等,须以隔尘布完全覆盖该物料。3、车辆在现场行驶须遵守法律及合约有关车速的限制。4、车辆排气口应避免指向地面。5、现场车辆需妥善保养以防止产生过量浓烟或噪音;应定期检查所使用的车辆,如有问题应立即维修。6、过于残旧的车辆尽量予以更换。(三)施工机械、机具1、现场须妥善保养施工机械,特别是其燃料发动系统及废气排放系统。2、如机械排放大量黑烟,应立即暂停有关工序,并尽快

11、安排维修或更a.进行木料类模板工程时,应尽量采用低噪音型号的锯机,或以隔音材料罩在产生噪音的机器上,其次是考虑把锯木范围作全部或局部围封以减低噪音的扩散。而在清理混凝土浆的工序上应尽量采用铲子为清理工具,从而避免锤子敲打时发出撞击声。在较接近噪音感应强的地方,应考虑控制其施工的时间,以减低对附近区域的影响。b木工电锯放在室内封闭房间时,墙上尽量装些吸音、隔音材料,工人操作是戴好耳塞、口罩;室外操作时也应尽量选择隐蔽、隔声的地方,工人同样戴好耳塞、口罩。5、脚手架搭拆及钢筋等材料装卸作业时应采用传递、轻起轻放,禁止抛掷,减少钢管扣件等与地面、楼板面的摩擦噪声。6、工棚搭建及拆卸:在处理竹枝时应尽

12、量避免抛掷和碰撞竹枝而发出噪音,并要尽量利用日间时间处理竹枝;在拆卸竹棚时要严禁工人把竹枝从高空飞掷至地面而放出噪音。(十)现场水污染控制措施1、地面排水a土方平整或挖掘前,现场需尽量提供一套地面排水系统,包括在现场周边设置明渠收集地面水及雨水,清污分流,再接驳至沉淀池,去掉泥沙后才可排放。b建设排水系统时需考虑建筑期地面水平高度的变动。c现场的明渠、沙井、沉淀池、化粪池等须定期清理,每次暴风雨前后更要清理,以确保这些设施状态良好。d临时斜坡应尽量用帆布覆盖。A9殖重庆民新建筑工程有限公司第U页共43页.重庆红九九食品深加工项目建筑工程项目部从现场抽水井泵出的地下水应经沉淀池及/或先进污水处理设备

展开阅读全文
相关资源
猜你喜欢
相关搜索

当前位置:首页 > 办公文档 > 解决方案

copyright@ 2008-2023 1wenmi网站版权所有

经营许可证编号:宁ICP备2022001189号-1

本站为文档C2C交易模式,即用户上传的文档直接被用户下载,本站只是中间服务平台,本站所有文档下载所得的收益归上传人(含作者)所有。第壹文秘仅提供信息存储空间,仅对用户上传内容的表现方式做保护处理,对上载内容本身不做任何修改或编辑。若文档所含内容侵犯了您的版权或隐私,请立即通知第壹文秘网,我们立即给予删除!