质量体系组织机构设置不全风险控制措施和预防措施评估记录表.docx

上传人:p** 文档编号:1333547 上传时间:2025-03-18 格式:DOCX 页数:2 大小:11.41KB
下载 相关 举报
质量体系组织机构设置不全风险控制措施和预防措施评估记录表.docx_第1页
第1页 / 共2页
质量体系组织机构设置不全风险控制措施和预防措施评估记录表.docx_第2页
第2页 / 共2页
亲,该文档总共2页,全部预览完了,如果喜欢就下载吧!
资源描述

《质量体系组织机构设置不全风险控制措施和预防措施评估记录表.docx》由会员分享,可在线阅读,更多相关《质量体系组织机构设置不全风险控制措施和预防措施评估记录表.docx(2页珍藏版)》请在第壹文秘上搜索。

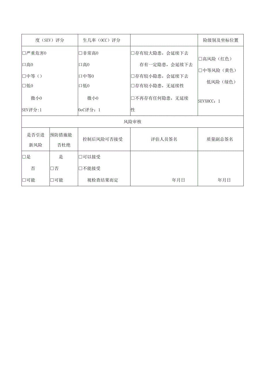
1、质量体系组织机构设置不全风险控制措施和预防措施评估记录表序号:5、6、7、8风险分析风险类别质量体系风险名称组织机构设置不全风险描述5 .企业没有按规定设立质量部、业务部、财务部6 .质量部门受其他部门领导或兼任其他业务7 .质量人员兼职8 .采购、销售人员兼职风险后果5 .没有独立部门承接上述机构的职责,带来质量风险6 .质量部门没有独立性不能保证其职责的有效行使7 .质量人员兼职不能保证期质量判断的客观性8 .业务人员互兼,可能引起虚假业务。药品的真实流向、质量得不到保证预期风险评估(未发生)风险的影响程度(SEV)评分标准及评分风险发生的可能性(OCe)评分标准及评分风险的可识别性采取控

2、制措施前风险级别及坐标位置严重危害O口高O 中等O 低O 微小OSEV评分:5非常高O口高O中等O口低O微小OOCC评分:3不易发现或危害已经爆发后必须专项检查才能发现口内审、排查时才能发现很快能够发现日常检查就能发现高风险(红色)中等风险(黄色)低风险(绿色)SEVX0CC:15风险控制措施和预防措施5.设立有质量部、业务部、财务部;6.质量部门具有独立性;7.质量人员无兼职现象;8.立即对业务展开专项检查,立即独立采购、销售人员风险实际发生后的评估(已采取控制)采取控制措施后的严重程采取控制措施后的发风险控制彻底性米取控制措施后风度(SEV)评分生几率(OCC)评分险级别及坐标位置严重危害O非常高O存有较大隐患,会延续下去口高O口高O存有一定隐患,会延续下去高风险(红色)中等()口中等O存有较小隐患,会延续下去中等风险(黄色)低O口低O存有较小隐患,无延续性低风险(绿色)微小O微小O不再存有任何隐患,无延续SEVX0CC:1SEV评分:1OeC评分:1性风险审核是否引进预防措施能控制后风险可否接受评估人员签名质量副总签名新风险否杜绝是是可以接受否否不能接受可能可能视检查结果而定年月日年月日

展开阅读全文
相关资源
猜你喜欢
相关搜索

当前位置:首页 > 管理/人力资源 > 管理学资料

copyright@ 2008-2023 1wenmi网站版权所有

经营许可证编号:宁ICP备2022001189号-1

本站为文档C2C交易模式,即用户上传的文档直接被用户下载,本站只是中间服务平台,本站所有文档下载所得的收益归上传人(含作者)所有。第壹文秘仅提供信息存储空间,仅对用户上传内容的表现方式做保护处理,对上载内容本身不做任何修改或编辑。若文档所含内容侵犯了您的版权或隐私,请立即通知第壹文秘网,我们立即给予删除!