中级车工实操题.docx

上传人:p** 文档编号:1337455 上传时间:2025-04-10 格式:DOCX 页数:5 大小:174.98KB
下载 相关 举报
中级车工实操题.docx_第1页
第1页 / 共5页
中级车工实操题.docx_第2页
第2页 / 共5页
中级车工实操题.docx_第3页
第3页 / 共5页
中级车工实操题.docx_第4页
第4页 / 共5页
中级车工实操题.docx_第5页
第5页 / 共5页
亲,该文档总共5页,全部预览完了,如果喜欢就下载吧!
资源描述

《中级车工实操题.docx》由会员分享,可在线阅读,更多相关《中级车工实操题.docx(5页珍藏版)》请在第壹文秘上搜索。

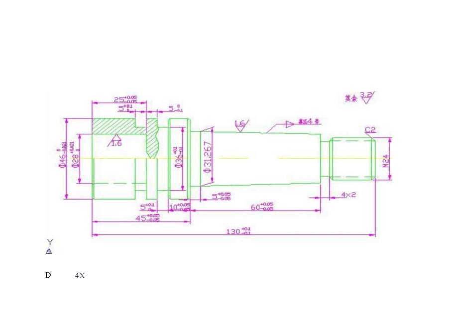
余其、/I-OU40.0SU-ILnrNZ9QII42I=r*OQ560潞130-2:1D4X车工中级实操试题四Ya2Ia=5

展开阅读全文
相关资源
猜你喜欢
相关搜索

当前位置:首页 > 汽车/机械/制造 > 制造加工工艺

copyright@ 2008-2023 1wenmi网站版权所有

经营许可证编号:宁ICP备2022001189号-1

本站为文档C2C交易模式,即用户上传的文档直接被用户下载,本站只是中间服务平台,本站所有文档下载所得的收益归上传人(含作者)所有。第壹文秘仅提供信息存储空间,仅对用户上传内容的表现方式做保护处理,对上载内容本身不做任何修改或编辑。若文档所含内容侵犯了您的版权或隐私,请立即通知第壹文秘网,我们立即给予删除!