自动气象站维护项目、记录表、常见传感器故障现象分析和排除方法、观测场仪器现场核查方法.docx

上传人:p** 文档编号:1349011 上传时间:2025-07-10 格式:DOCX 页数:11 大小:26.82KB
下载 相关 举报
自动气象站维护项目、记录表、常见传感器故障现象分析和排除方法、观测场仪器现场核查方法.docx_第1页
第1页 / 共11页
自动气象站维护项目、记录表、常见传感器故障现象分析和排除方法、观测场仪器现场核查方法.docx_第2页
第2页 / 共11页
自动气象站维护项目、记录表、常见传感器故障现象分析和排除方法、观测场仪器现场核查方法.docx_第3页
第3页 / 共11页
自动气象站维护项目、记录表、常见传感器故障现象分析和排除方法、观测场仪器现场核查方法.docx_第4页
第4页 / 共11页
自动气象站维护项目、记录表、常见传感器故障现象分析和排除方法、观测场仪器现场核查方法.docx_第5页
第5页 / 共11页
自动气象站维护项目、记录表、常见传感器故障现象分析和排除方法、观测场仪器现场核查方法.docx_第6页
第6页 / 共11页
自动气象站维护项目、记录表、常见传感器故障现象分析和排除方法、观测场仪器现场核查方法.docx_第7页
第7页 / 共11页
自动气象站维护项目、记录表、常见传感器故障现象分析和排除方法、观测场仪器现场核查方法.docx_第8页
第8页 / 共11页
自动气象站维护项目、记录表、常见传感器故障现象分析和排除方法、观测场仪器现场核查方法.docx_第9页
第9页 / 共11页
自动气象站维护项目、记录表、常见传感器故障现象分析和排除方法、观测场仪器现场核查方法.docx_第10页
第10页 / 共11页
亲,该文档总共11页,到这儿已超出免费预览范围,如果喜欢就下载吧!
资源描述

《自动气象站维护项目、记录表、常见传感器故障现象分析和排除方法、观测场仪器现场核查方法.docx》由会员分享,可在线阅读,更多相关《自动气象站维护项目、记录表、常见传感器故障现象分析和排除方法、观测场仪器现场核查方法.docx(11页珍藏版)》请在第壹文秘上搜索。

1、(资料性)自动气象站维护项目下面给出了自动气象站观测场地、防雷装置、仪器设备等维护项目。自动气象站观测场地维护项目序号项目维护内容标准1周边环境观察观测场周边建筑物、下垫面等情况符合GB31221-2014的规定对照历史资料,发现变化较大的,应详细记录并及时上报气象主管部门检查观测场周边树木生长情况符合GB31221-2014的规定对照要求及时修剪周边影响观测的树枝等2观测场检查观测场内环境清除杂物、杂草,保持观测场整洁3其他检查围栏、标识标牌确保围栏、标牌无破损标牌悬挂端正、醒目自动气象站防雷装置维护项目序号项目维护内容标准1外部防雷装置检查接闪器、避雷针符合QX30-2004规定保持结构牢

2、固、绝缘杆无破损检查引下线保持引下线无锈蚀和破损,接头牢固无松动检查接地装置符合QX30-2004规定接地电阻不宜大于4Q2内部防雷装置检查等电位连接线符合QX4-2015规定保持电气连通,连接牢固无松动检查屏蔽线符合QX4-2015规定保持电气连通,连接牢固无松动检查电涌保护器(有交流供电)符合QX4-2015规定保持电气连通,连接牢固无松动外观整洁,无变形、破损3防雷检测报告核查防雷检测报告符合GB/T33703-2017规定报告在有效期内自动气象站仪器设备维护项目序号项目维护内容标准1供电系统交流供电电压220V-240V开关电源输出电压14.5V0.1V蓄电池电压12V-14V序号项目

3、维护内容标准1供电系统外观检查、清洁,线路是否断裂、虚接等电缆无虚接、外观无破损、无明显污染2采集系统采集工作电压电压11.8V-14V采集器工作指示灯秒闪气压计工作指示灯常亮光纤模块工作指示灯电源灯常亮,接收灯接收时亮,发送灯发送时亮外观检查、清洁,线路是否断裂、虚接等电缆无虚接、外观无破损、无明显污染3通信系统交流供电电压220V-240V开关电源输出电压14.5V0.1V蓄电池电压12V-14V串口服务器工作指示灯电源灯、数据连接灯亮,串口灯闪烁4雨量传感器翻斗翻动灵活检查翻动灵活漏斗堵塞检查无堵塞干簧管通断检测翻动能导通安装水平检查水平泡居中外观检查、清洁,线路是否有断裂、虚接等电缆无

4、虚接、外观无破损、无明显污染5地温传感器采集器工作电源电压11.8V-14V采集器工作指示灯秒闪外观检查、清洁,线路是否有断裂、虚接等电缆无虚接、外观无破损、无明显污染地温传感器安装检查地表温传感器一半露出地面地温场整理裸地表土应保持疏松、平整、无草6温湿度(温度)传感器温、湿度传感器安装高度敏感元件距地面L5m温湿度传感器保护罩、百叶箱外观检查及清洁无灰尘线路是否有断裂、虚接等电缆无虚接、外观无破损、无明显污染7风传感器目测启动风速微风下能启动(结合调试数据)目测风向转动转动灵活外观检查、清洁,线路是否有断裂、虚接等电缆无虚接、外观无破损、无明显污染8称重降水传感器采集器工作电源电压11.8

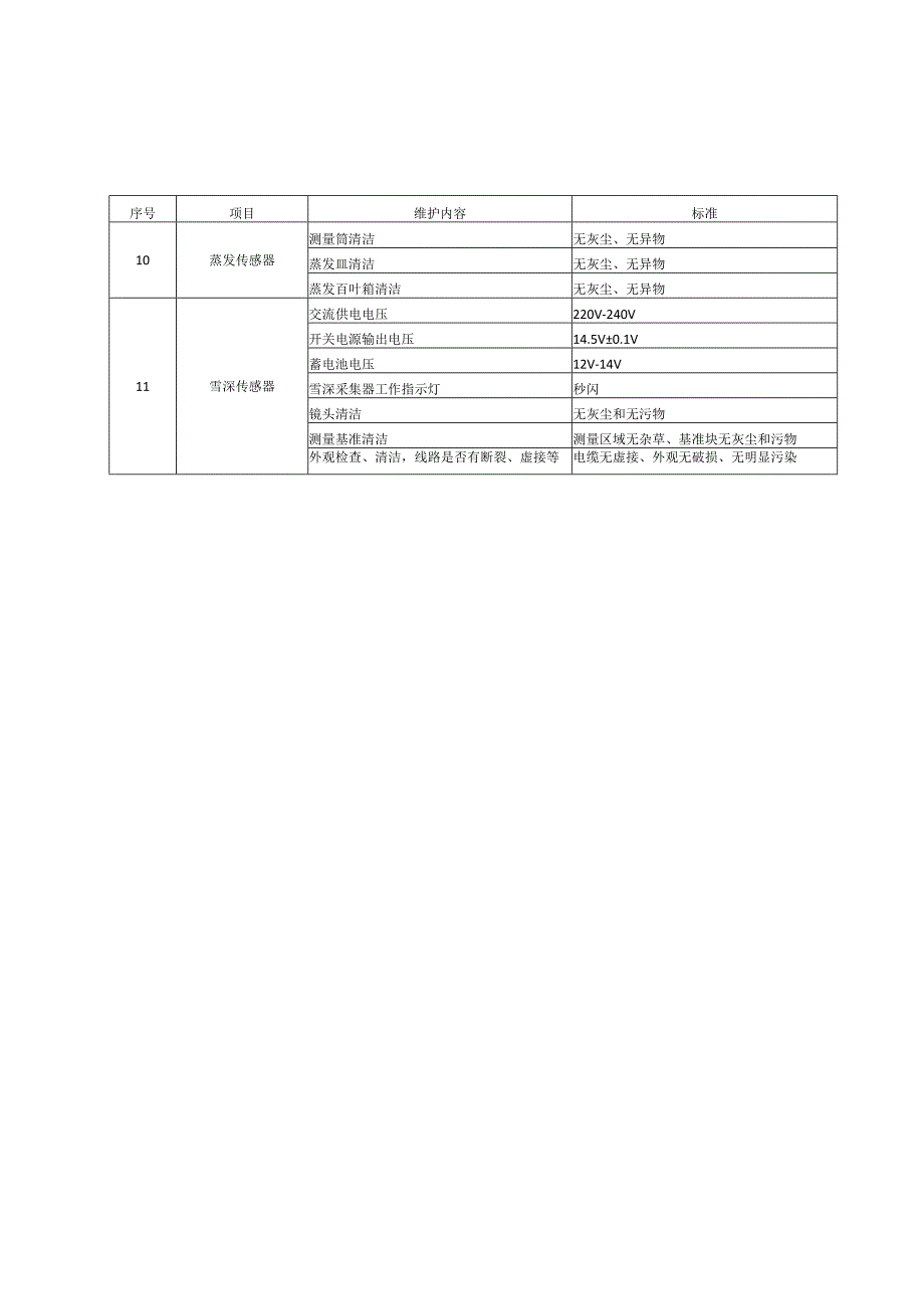
5、V-14V采集器工作指示灯秒闪盛水桶抽水维护排水留油外观检查、清洁,线路是否有断裂、虚接等电缆无虚接、外观无破损、无明显污染9能见度传感器电源箱交流供电电压220V-240V开关电源输出电压14.5V0.1V蓄电池电压12V-14V镜头清洁镜头无灰尘和无污物外观检查、清洁,线路是否有断裂、虚接等电缆无虚接、外观无破损、无明显污染10蒸发传感器加水取水(排气)力口水至距离溢流口2cm位置序号项目维护内容标准10蒸发传感器测量筒清洁无灰尘、无异物蒸发皿清洁无灰尘、无异物蒸发百叶箱清洁无灰尘、无异物11雪深传感器交流供电电压220V-240V开关电源输出电压14.5V0.1V蓄电池电压12V-14V

6、雪深采集器工作指示灯秒闪镜头清洁无灰尘和无污物测量基准清洁测量区域无杂草、基准块无灰尘和污物外观检查、清洁,线路是否有断裂、虚接等电缆无虚接、外观无破损、无明显污染(规范性)自动气象站维护记录表自动气象站维护记录表见表Bo自动气象站维护记录基本信息站号观测要素维护开始时间年月日时分自然环境检查检查项目有无变化变化状况处理措施处理结果周围环境测场围栏场内环境设备外观检查检查项目有无变化变化状况处理措施处理结果风杆及拉线风传感器设备箱外观设备箱内部电源线太阳能电池板蓄电池辐射罩雨量传感器通讯模块设备运行情况检查检查项目有无变化变化状况处理措施处理结果雨量传感器温度传感器湿度传感器风向传感器风速传感

7、器气压传感器能见度传感器蒸发传感器地温传感器辐射传感器雪深传感器表B.1自动气象站维护记录(续)更换备品记录换下换上名称型号编号名称型号编号现场照片(要求图片清晰并附带日期)维护前维护后维护结束时间年月日时分维护人员签字(规范性)常见传感器故障现象分析和排除方法下面给出了自动气象站常见传感器故障现象分析和排除方法。常见传感器故障现象分析和排除方法序号传感器现象原因排除方法1翻斗式雨量传感器下雨时雨量值为O漏斗、翻斗堵塞,或被蜘蛛结网挂住清洗干簧管损坏更换雨量信号电缆线损坏检修或更换电缆采集器雨量信号电路损坏检修或更换采集器磁钢退磁造成磁力吸合不够更换磁钢雨量误差过大承水器的下节流管不畅通清洗翻

8、斗翻转不灵活检查有否杂物卡住定位螺丝松动,基点变动调整基点2机械风传感器显示无风向电缆内部断线或插头、座接触不良重新接线、检查插头、插座风向误差大风向的定北发生变动重新安装风标显示无风速电缆内部断线,或插头、座接触不良重新接线或检查插头、插座风速传感器无工作电压检查电源光耦器件或IC损坏更换器件3超声风传感器风测量故障,正发送异常数据值雪、冰、鸟或其它某些物体阻挡了超声波转换器之间的测量路径移除障碍物,并检查风转换器是否已损坏接收不到数据电缆未连接检查电缆连接数据不准确站点安装不正确选择新安装地点4温湿度传感器温度显示异常电缆插头、插座未插好或接触不良重插或维修伯电阻内部开路更换或维修湿度显示

9、O%,或明显偏小电缆插头、插座未插好重插传感器无工作电压检查电源表CI常见传感器故障现象分析和排除方法(续)序号传感器现象原因排除方法4温湿度传感器湿度显示O%,或明显偏小感应元件损坏或失效更换5气压传感器气压显示异常插头、插座未插好或引线未拧紧重插或拧紧传感器无工作电压检查电源、传感器损坏更换偏差发生漂移调节并重新标定(资料性)自动气象站故障维修记录表自动气象站故障维修记录表见表D。自动气象站故障维修记录填表时间年月日时编号故障信息来源故障起止时间月曰时一一月曰时故障现象故障修复过程维修人到场时间采取的措施结果或进一步措施更换备品记录换下换上名称型号编号名称型号编号(资料性)观测场仪器现场核

10、查记录表自动气象站观测场仪器现场核查记录表见表E。观测场仪器现场核查记录记录编号:核查环境气温:;相对湿度:%;风速:m/s设备信息核查标准器被核查器具名称:生产厂:型号:编号:证书编号检定/校准日期:最大允许误差:使用单位:器具名称:生产厂:规格/型号:编号:最大允许误差:外观检查仪器标志外形结构连线接口口合格口不合格口合格口不合格口合格口不合格标准器示值被核查器具示值示值误差示值误差平均值核查结果判定值是否符合要求口是口否核查:核验:核查时间:年月日(资料性)观测场仪器现场核查方法下面给出了自动气象站观测场仪器现场核查方法。观测场仪器现场核查方法序号项目核查前准备核查方法1气压用三通管连通

11、气压标准器、被核查气压传感器和大气,并将气压标准器放置与被核查气压传感器同高并通电开机。在当前气压环境下,气压标准器示值稳定2次气压标准器示值和1次被核查气压传感器示值作为1组数据,共10组分钟数据,记录核查数据。2气温将温度标准器悬挂于百叶箱内被核查气温传感器同高附近,并通电开机。在当前气温环境下,温度标准器示值稳定10min后开始读数,每分钟读取1次温度标准器示值和1次被核查气温传感器示值作为1组数据,共读取10组数据,记录核查数据。3地温、草温核查前查看地温(包括深层地温)、草温观测数据,正常且规律的。当依次核查浅层地温、草温、深层地温时,分别将温度标准器放置于靠近地温场地表温度感器Sc

12、m)或草温传感器或40cm深层地温套管中,并稳定Iomin后,每分钟读取1次温度标准器示值和1次被核查传感器示值作为1组数据,共读取10组数据,记录核查数据。核查前查看地温(包括深层地温)、草温观测数据,有地温测量值异常或地层温度变化异常的。取出所有地温传感器,清洁干净。将温度标准器和地温传感器同时放人装有常温水的容器中(或放置于干体炉中,将温度稳定在设定点),稳定时间不少于5min,每分钟读取1次温度标准示值和1次被核查传感器示值作为1组数据,共读取10组数据,记录核查数据。4湿度将湿度标准器悬挂于百叶箱内被核查湿度传感器同高附近,并通电开机。在当前湿度环境下,湿度标准器示值稳定IOmin后,每分钟读取1次湿度标准器示值和1次被核查湿度传感器示值作为1组数据

展开阅读全文
相关资源
猜你喜欢
相关搜索

当前位置:首页 > 论文 > 自然科学论文

copyright@ 2008-2023 1wenmi网站版权所有

经营许可证编号:宁ICP备2022001189号-1

本站为文档C2C交易模式,即用户上传的文档直接被用户下载,本站只是中间服务平台,本站所有文档下载所得的收益归上传人(含作者)所有。第壹文秘仅提供信息存储空间,仅对用户上传内容的表现方式做保护处理,对上载内容本身不做任何修改或编辑。若文档所含内容侵犯了您的版权或隐私,请立即通知第壹文秘网,我们立即给予删除!