电力变压器套管末屏介质损耗及电容量测试.docx

上传人:p** 文档编号:1355520 上传时间:2025-07-17 格式:DOCX 页数:3 大小:32.77KB
下载 相关 举报
电力变压器套管末屏介质损耗及电容量测试.docx_第1页
第1页 / 共3页
电力变压器套管末屏介质损耗及电容量测试.docx_第2页
第2页 / 共3页
电力变压器套管末屏介质损耗及电容量测试.docx_第3页
第3页 / 共3页
亲,该文档总共3页,全部预览完了,如果喜欢就下载吧!
资源描述

《电力变压器套管末屏介质损耗及电容量测试.docx》由会员分享,可在线阅读,更多相关《电力变压器套管末屏介质损耗及电容量测试.docx(3页珍藏版)》请在第壹文秘上搜索。

1、电力变压器套管末屏介质损耗及电容量测试我是属于知道,但不熟悉高压试验专业的。因此被人问到变压器套管末屏介质损耗及电容量测试方法的时候,很不确定,甚至感觉没看过这个试验似的。电容式套管的结构及电容变压器常用的套管为电容式套管,上图为典型的结构示意图。在导电杆外部包裹绝缘层,其间间隔铝箔,形成同心圆柱形结构,具有电容器的特征。最外层铝箔被称为末屏,一般通过绝缘套管引出,用于测量。I套管端头变压器绕组电容套管G上一套管末屏引出-L套管g运行中的变压器,套管安装就位后,末屏应当接地。其电容结构如上图所示。图中,Cl为套管主电容,C2为末屏对地电容,C为变压器绕组电容。变压器安装后套管与绕组相连,末屏引

2、出接地。于是就形成了Cl、C2串联,再和C并联的电容结构。其中因为末屏引出接地,因此C2在运行中不承受电压。套管末屏介质损耗我们之所以不熟悉套管末屏介质损耗测试,主要是这个试验很少做。下表是与变压器套管电容、末屏相关的试验规范。其中GB50150为电气装置安装工程电气设备交接试验标准,DL/T596为电力设备预防性试验规程,DL/T393为输变电设备状态检修试验规程。备标准试验周期、要求和判断标准比较试验项目标准代号试验周期要求和判断标准GB50150投运前N100oMQ测量末屏DL/T3933年采用250OV兆欧表.21000MQ绝缘电阻DI7T596(1)1-3年;(2)大修(包括主设备大

3、修)后;(3)必要时.21000MQ(注意值)测量套管介GB5O15O投运前500kV以下试品,忘0i7;50OkV及以上试品,WOS研损耗因数D13933年330kV试品,WO.85;500kV及以上试品,W0.7(UIn6%)DMr596(1)13年;(2)大修(包括主设备大修)后;(3尸必要时W0.8GB5O15O投运前与产品铭牌数值或出厂试验值比较,允许偏差测量套管电容量DL/T3933年电容量初值差不超过5%(警示值)。DLT596I)13年;2)大修(包括主设备大修)后3)必要时与出厂值或上一次试验值的差别小于上5%测里木屏介GB50150无无质损耗因数DiTT393当套管末屏绝缘

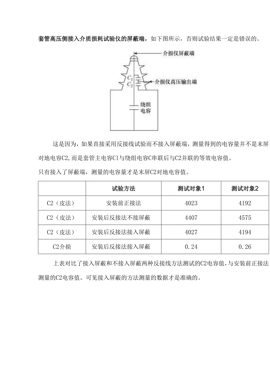
4、电阻不能满足要求时开展W注意值)(Ian6%)DIJT596必要时,末屏对地绝缘电阻小于100OMQ时W2%变压器套管的介质损耗,在安装前是很方便测量的,但交接试验不要求进行末屏的介质损耗测量。运行中的变压器,末屏的介质损耗试验不是必要的项目,只有在末屏绝缘电阻测试不合格时才会进行。因此这个项目真的很少有机会进行测试,所以大家都会不熟悉。套管末屏电容量测试方法运行中套管已经安装到位,套管末屏电容C2的一极连接套管主电容Cl,另一极接地,因此试验只能用反接线完成。但是这里应当强调,试验时必须将套管高压侧接入介质损耗试验仪的屏蔽端,如下图所示,否则试验结果一定是错误的。这是因为,如果直接采用反接线试验而不接入屏蔽端,测量得到的电容量并不是末屏对地电容C2,而是套管主电容Cl与绕组电容C串联后与C2并联的等效电容值。只有接入了屏蔽端,测量的电容量才是末屏C2对地电容值。试验方法测试对象1测试对象2C2(皮法)安装前正接法40234192C2(皮法)安装后反接法不接屏蔽44074575C2(皮法)安装后反接法接入屏蔽40274194C2介损安装后反接法接入屏蔽0.240.26上表对比了接入屏蔽和不接入屏蔽两种反接线方法测试的C2电容值,与安装前正接法测量的C2电容值。可见接入屏蔽的方法测量的数据才是准确的。

展开阅读全文
相关资源
猜你喜欢
相关搜索

当前位置:首页 > 论文 > 大学论文

copyright@ 2008-2023 1wenmi网站版权所有

经营许可证编号:宁ICP备2022001189号-1

本站为文档C2C交易模式,即用户上传的文档直接被用户下载,本站只是中间服务平台,本站所有文档下载所得的收益归上传人(含作者)所有。第壹文秘仅提供信息存储空间,仅对用户上传内容的表现方式做保护处理,对上载内容本身不做任何修改或编辑。若文档所含内容侵犯了您的版权或隐私,请立即通知第壹文秘网,我们立即给予删除!