城市轨道交通接近程度和外部作业的工程影响分区、堆载、浅基础、桩基础的外部作业影响等级判定、隧道上方卸荷比计算.docx

上传人:p** 文档编号:1368029 上传时间:2025-08-20 格式:DOCX 页数:10 大小:390.90KB
下载 相关 举报
城市轨道交通接近程度和外部作业的工程影响分区、堆载、浅基础、桩基础的外部作业影响等级判定、隧道上方卸荷比计算.docx_第1页
第1页 / 共10页
城市轨道交通接近程度和外部作业的工程影响分区、堆载、浅基础、桩基础的外部作业影响等级判定、隧道上方卸荷比计算.docx_第2页
第2页 / 共10页
城市轨道交通接近程度和外部作业的工程影响分区、堆载、浅基础、桩基础的外部作业影响等级判定、隧道上方卸荷比计算.docx_第3页
第3页 / 共10页
城市轨道交通接近程度和外部作业的工程影响分区、堆载、浅基础、桩基础的外部作业影响等级判定、隧道上方卸荷比计算.docx_第4页
第4页 / 共10页
城市轨道交通接近程度和外部作业的工程影响分区、堆载、浅基础、桩基础的外部作业影响等级判定、隧道上方卸荷比计算.docx_第5页
第5页 / 共10页
城市轨道交通接近程度和外部作业的工程影响分区、堆载、浅基础、桩基础的外部作业影响等级判定、隧道上方卸荷比计算.docx_第6页
第6页 / 共10页
城市轨道交通接近程度和外部作业的工程影响分区、堆载、浅基础、桩基础的外部作业影响等级判定、隧道上方卸荷比计算.docx_第7页
第7页 / 共10页
城市轨道交通接近程度和外部作业的工程影响分区、堆载、浅基础、桩基础的外部作业影响等级判定、隧道上方卸荷比计算.docx_第8页
第8页 / 共10页
城市轨道交通接近程度和外部作业的工程影响分区、堆载、浅基础、桩基础的外部作业影响等级判定、隧道上方卸荷比计算.docx_第9页
第9页 / 共10页
城市轨道交通接近程度和外部作业的工程影响分区、堆载、浅基础、桩基础的外部作业影响等级判定、隧道上方卸荷比计算.docx_第10页
第10页 / 共10页
亲,该文档总共10页,全部预览完了,如果喜欢就下载吧!
资源描述

《城市轨道交通接近程度和外部作业的工程影响分区、堆载、浅基础、桩基础的外部作业影响等级判定、隧道上方卸荷比计算.docx》由会员分享,可在线阅读,更多相关《城市轨道交通接近程度和外部作业的工程影响分区、堆载、浅基础、桩基础的外部作业影响等级判定、隧道上方卸荷比计算.docx(10页珍藏版)》请在第壹文秘上搜索。

1、附录A各阶段安全评估技术要求序号安全评估阶段技术要求主要依据评估方法1城市轨道交通既有结构现状评估1 .受外部作业影响范围内的城市轨道交通既有结构区域,开展既有结构的工前现状调查和分析:2 .评估当前既有结构的安全状态及抗变形能力和承载能力;3 .结合外部作业对既有结构的主要响应特征及其安全保护要求,合理选用结构安全控制指标。1 .岩土工程勘察资料:2 .既有结构竣工资料;3 .既有结构历史监测数据;4 .现状调查报告。L既有结构调查、检测、测量;2 .理论分析;3 .三维数值模拟分析;4 .类比法2外部作业影响预评估1 .根据外部作业与城市轨道交通结构的空间位置关系,建立能反应外部作业影响特

2、征的平面或三维计算模型;2 .预测分析外部作业实施全过程及永久使用阶段可能诱发既有结构各种风险的影响因素,包括周边卸载或超载、水位变化等,计算既有结构的附加内力和变形;3 .当预测值超过相应的结构安全控制指标值,应要求设计单位调整外部作业设计方案;4 .结合对应区段既有结构竣工资料,分别以裂缝宽度和强度控制进行计算,验算既有结构的安全;5 .综合评定外部作业设计方案和城市轨道交通保护方案的可行性;6 .提出既有结构安全保护措施及监测的建议。1 .岩土工程勘察资料;2 .既有结构现状评估报告:3 .外部作业设计和施工方案;4 .薪市轨道交通保护专项方案;5 .既有结构竣工资料,包括结构形式、尺寸

3、、配筋等。1 .理论分析;2 .三维数值模拟分析;3 .类比法;4 .模型试验法3外部作业施工过程评估1 .根据既有结构监测数据,分析城市轨道交通既有结构可能的变形发展情况;2 .及时跟踪评估既有结构的当前状态和继续抗变形能力、承载能力,及时修正安全控制指标值;3 .必要时重新制定既有结构保护方案、增加控制保护措施,或调整外部作业实施方案。1 .既有结构的监测数据2 .外部作业影响预评估报告、预测值;3 .施工过程的调查报告。1 .既有结构调查、检测、测量;2 .理论分析;3 .三维数值模拟分析;4 .类比法4外部作业影响后评估1 .进入受外部作业影响范围内的既有结构区段,开展工后现状调查和分

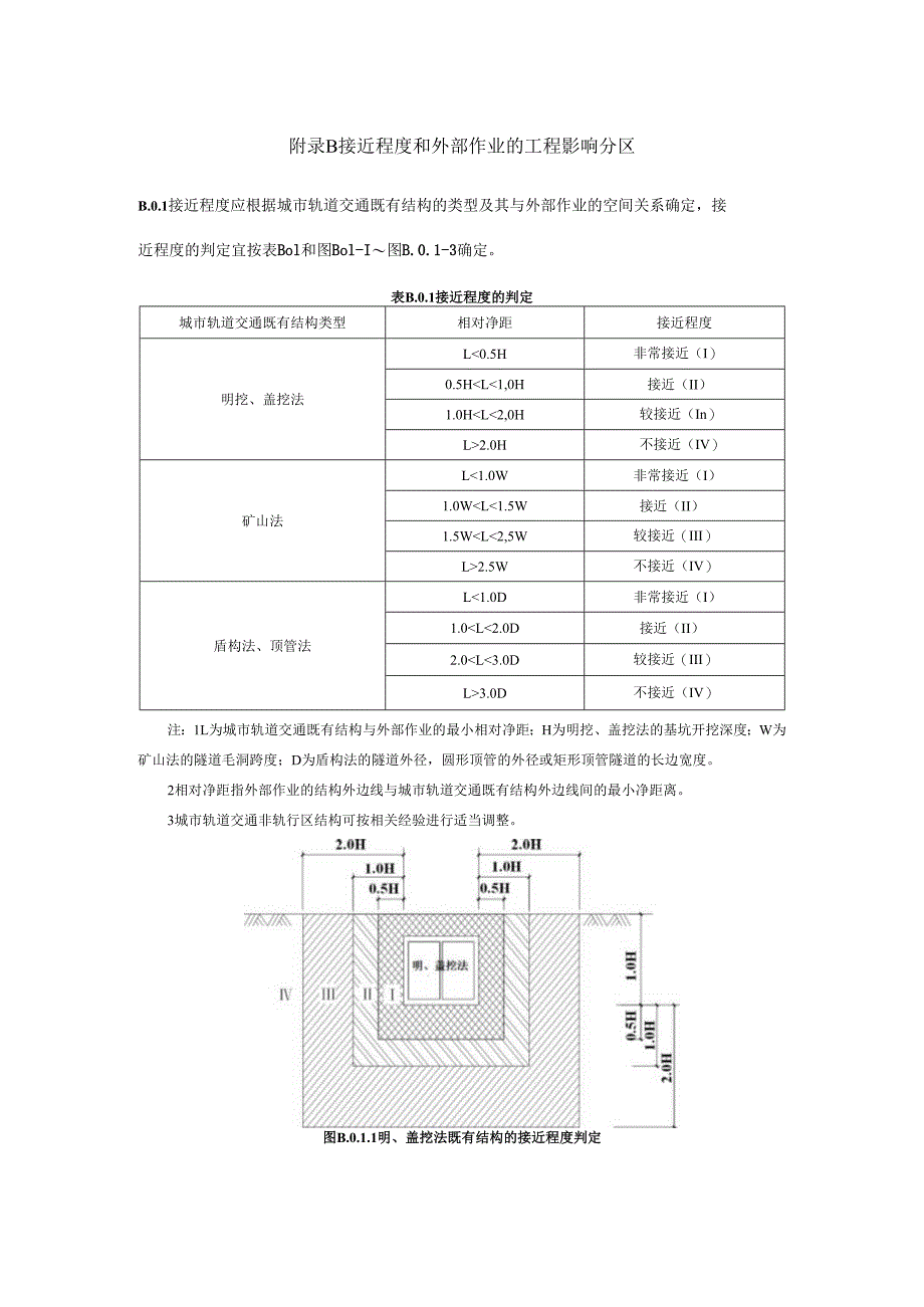
4、析;2 .结合结构安全控制指标值评价外部作业对既有结构的影响3 .综合评估城市轨道交通既有结构工后的安全状态,及抗变形能力和承载能力;4 .必要时提出修复既有结构的措施。1 .城市轨道交通既有结构的监测数据:2 .外部作业影响预评估报告、预测值。L既有结构调查、检测、测量;2 .三维数值模拟分析;3 .类比法附录B接近程度和外部作业的工程影响分区B.0.1接近程度应根据城市轨道交通既有结构的类型及其与外部作业的空间关系确定,接近程度的判定宜按表Bol和图Bol-I图B.0.1-3确定。表B.0.1接近程度的判定城市轨道交通既有结构类型相对净距接近程度明挖、盖挖法L0.5H非常接近(I)0.5H

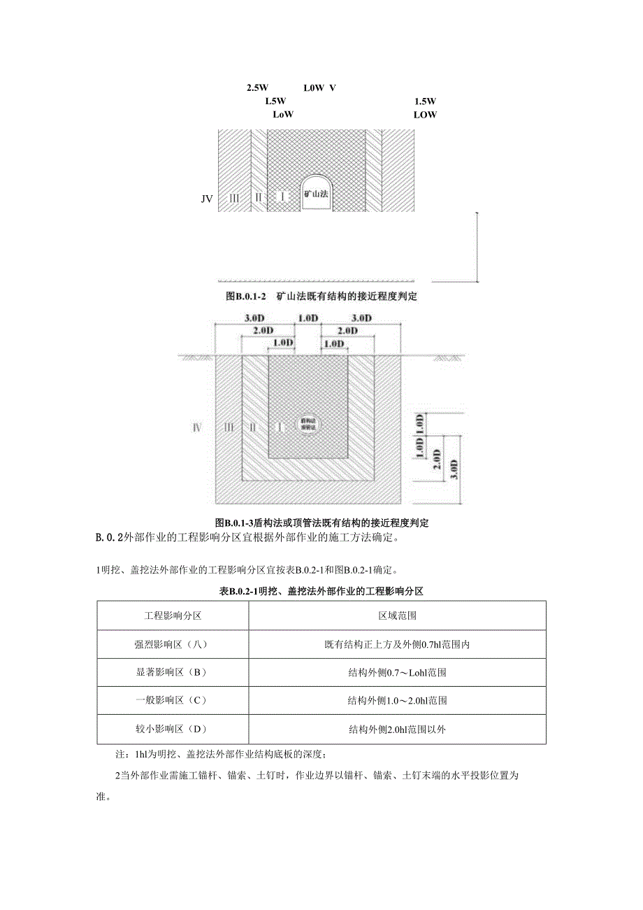
5、L1,0H接近(II)1.0HL2.0H不接近(IV)矿山法L1.0W非常接近(I)1.0WL1.5W接近(II)1.5WL2.5W不接近(IV)盾构法、顶管法L1.0D非常接近(I)1.0L2.0D接近(II)2.0L3.0D不接近(IV)注:1L为城市轨道交通既有结构与外部作业的最小相对净距;H为明挖、盖挖法的基坑开挖深度;W为矿山法的隧道毛洞跨度;D为盾构法的隧道外径,圆形顶管的外径或矩形顶管隧道的长边宽度。2相对净距指外部作业的结构外边线与城市轨道交通既有结构外边线间的最小净距离。3城市轨道交通非轨行区结构可按相关经验进行适当调整。图B.0.1.1明、盖挖法既有结构的接近程度判定2.5

6、WL5WLoWL0WVJV图B.0.1-3盾构法或顶管法既有结构的接近程度判定1.5WLOWB.0.2外部作业的工程影响分区宜根据外部作业的施工方法确定。1明挖、盖挖法外部作业的工程影响分区宜按表B.0.2-1和图B.0.2-1确定。表B.0.2-1明挖、盖挖法外部作业的工程影响分区工程影响分区区域范围强烈影响区(八)既有结构正上方及外侧0.7hl范围内显著影响区(B)结构外侧0.7Lohl范围一般影响区(C)结构外侧1.02.0hl范围较小影响区(D)结构外侧2.0hl范围以外注:1hl为明挖、盖挖法外部作业结构底板的深度;2当外部作业需施工锚杆、锚索、土钉时,作业边界以锚杆、锚索、土钉末端

7、的水平投影位置为准。图B.0.2-l明挖、盖挖法外部作业的工程影响分区3浅埋矿山法和盾构法外部作业的工程影响分区宜按表B.0.2-2和图B.0.2-2确定。表B.0.2-2浅埋矿山法和盾构法外部作业的工程影响分区工程影响分区区域范围强烈影响区(八)既有隧道正上方及外侧0.7h2范围内显著影响区(B)既有隧道外侧0.71.0h2范围一般影响区(C)既有隧道外侧1.02.0h2范围较小影响区(D)既有隧道外侧2.0h2范围以外注:1h2为矿山法和盾构法外部作业的隧道底板深度。2当外部作业需施工锚杆、锚索、土钉时,作业边界以锚杆、锚索、土钉末端的水平投影位置为准。3本表适用于矿山法和盾构法外部作业的

8、浅埋隧道,隧道顶埋深小于3b(b为隧道毛洞跨度)。图B.02-2浅埋矿山法和盾构法外部作业的工程影响分区4深埋矿山法和盾构法外部作业工程影响分区按表B.0.2-3和图B.0.2-3确定。表B.0.2-3深埋矿山法和盾构法外部作业的工程影响分区工程影响分区区域范围强烈影响区(八)既有隧道正上方及外侧LOb范围内显著影响区(B)既有隧道外侧LOb2.0b范围一般影响区(C)既有隧道外侧2.0b3.0b范围较小影响区(D)既有隧道外侧3.0b范围以外注:1b为矿山法和盾构法隧道的毛洞跨度。2当外部作业需施工锚杆、锚索、土钉时,作业边界以锚杆、锚索、土钉末端的水平投影位置为准。3本表适用于矿山法和盾构

9、法隧道顶埋深大于3b(b为隧道毛洞跨度)的深埋隧道。图B.0.2-3深埋矿山法和盾构法外部作业的工程影响分区附录C堆载、浅基础、桩基础的外部作业影响等级判定C.0.1外部作业为堆载、浅基础、桩基础等工程时,应按照以下要求确定外部作业工程影响分区,按照COl-I表C.0.1-2要求确定外部作业影响等级:1外部作业为堆载、施工荷载等超载时,其工程影响分区按表COl-I确定;表C.0.L1外部堆孑筑作业影响分区结构类型工程影响分区相对净距备注堆载强烈影响区(八)LsdH3见图C.0.1-1显著影响区(B)H3LsdH2一般影响区(C)H2LsdHl注:1Hl、H2、H3按下式计算(当Hl、H2、H3

10、小于0时,取0),其中:Q为标准组合下,外部作业对应的超载(kN),I9b分别为超载作用范围的长、宽(m),为地基压力扩散角,按现行国家标准建筑地基基础设计规范(GB5007)确定。-(;+&)+)2-407-o)Hl=-4Xtan(0)u9-U+b)+b)24x(/xb-Q/15)Hz=-4Xtn(0)o+b)+6)2-47-20)4tan(0)2LSd为堆载与既地下结构的水平净距(m)。3堆载水平侧压力对桥桩影响的情况,需另行研究确定。b(或I)D图CO.1-1外部浅基础作业影响分区2外部作业为浅基础时,应以基础底面作为基准面,按本条第1款的要求确定工程影响分区,按基坑工程相关要求确定开挖

11、作业的影响分区。3外部作业为桩基础时,其工程影响分区按表C.0.1-2确定。表CO.1-2外部桩基础作业影响分区结构类型工程影响分区相对净距备注非挤土类桩强烈影响区(八)桩基周边3.0D范围内见图C.0.1-2显著影响区(B)桩基周边3.0D5.0D范围一般影响区(C)桩基周边5.0D7.0D范围较小影响区(D)桩基周边7.0D范围以外注:1、D桩基的直径;D图C.0.1-2外部桩基础作业影响分区附录D既有结构为路基或高架时的接近程度分级D.0.1当城市轨道交通既有结构为路基或高架结构时,接近程度应根据结构的类型及其与外部作业的空间位置关系确定,接近程度的判定标准宜按照表D.0.1和图D.0.

12、1-l-D.0.1-3确定。表D.0.1路基或高架结构接近程度的判定标准结构类型相对净距接近程度备注端承桩桩基周边3D范围内非常接近(I)见图C.0.1-1桩基周边3D6D范围接近(II)桩基周边6D9D范围较接近(III)桩基周边9D范围以外不接近(IV)摩擦桩(含端承摩擦桩、摩擦端承桩)桩基周边4D范围内非常接近(I)见图C.0.1-2桩基周边4D8D范围接近(II)桩基周边8D12D范围较接近(III)桩基周边12D范围以外不接近(IV)扩大基础基础周边1.5B及下方H深度范围内非常接近(I)见图C.0.1-3基础周边1.5B3.OB及下方HH+1.5B深度范围接近(II)基础周边3.0

13、B4.5B及下方H+1.5BH+3B深度范围较接近(In)基础周边4.5B及下方H+3B深度范围以外不接近(IV)注:1.D为城市轨道交通高架桩基直径;B为独立基础底面短边的长度,或条形基础底面的宽度;H为扩大基础主要受力层深度,独立基础时取1.5B,条形基础时取3B且均不小于5m。2.表中不含下穿外部作业,下穿时应进行专项结构影响分析。图D.0.1-3扩大基础附录E隧道上方卸荷比计算E.0.1隧道上方卸荷比%可根据上方基坑与隧道的空间关系,选取最不利断面按式(EOl)计算:式中:Si隧道上方主要覆土区的基坑最大断面面积(图DOl中阴影部门面积,m2)S隧道上方主要覆土区断面面积(H?)隧道顶部以上土体的加权平均内摩擦角()。建坑范围住于主要及土区b)冬埔范围超出主要覆土区图Eol隧道上方卸荷比计算简图注:1当结构位于软土地区时,应考虑软土地层的荷载传递和扩散的特性,参照执行。

展开阅读全文
相关资源
猜你喜欢
相关搜索

当前位置:首页 > 论文 > 自然科学论文

copyright@ 2008-2023 1wenmi网站版权所有

经营许可证编号:宁ICP备2022001189号-1

本站为文档C2C交易模式,即用户上传的文档直接被用户下载,本站只是中间服务平台,本站所有文档下载所得的收益归上传人(含作者)所有。第壹文秘仅提供信息存储空间,仅对用户上传内容的表现方式做保护处理,对上载内容本身不做任何修改或编辑。若文档所含内容侵犯了您的版权或隐私,请立即通知第壹文秘网,我们立即给予删除!