茶叶(白茶)产地仓建设标准参考.docx

上传人:p** 文档编号:139146 上传时间:2023-02-03 格式:DOCX 页数:6 大小:62.82KB
下载 相关 举报
茶叶(白茶)产地仓建设标准参考.docx_第1页
第1页 / 共6页
茶叶(白茶)产地仓建设标准参考.docx_第2页
第2页 / 共6页
茶叶(白茶)产地仓建设标准参考.docx_第3页
第3页 / 共6页
茶叶(白茶)产地仓建设标准参考.docx_第4页
第4页 / 共6页
茶叶(白茶)产地仓建设标准参考.docx_第5页
第5页 / 共6页
茶叶(白茶)产地仓建设标准参考.docx_第6页
第6页 / 共6页
亲,该文档总共6页,全部预览完了,如果喜欢就下载吧!
资源描述

《茶叶(白茶)产地仓建设标准参考.docx》由会员分享,可在线阅读,更多相关《茶叶(白茶)产地仓建设标准参考.docx(6页珍藏版)》请在第壹文秘上搜索。

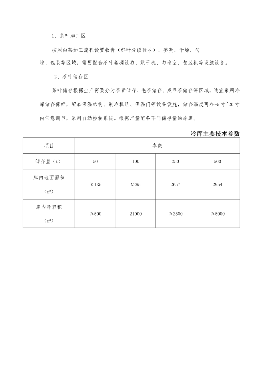
1、冬叶(冬)声他仓建德杼.海参老一、工艺流程二、布局设置与设施设备标准(一)选址要求厂房应建在临近茶叶生产区域,交通便利,离主干道20m以上,应尽可能建在地势高、阴凉、干燥、通风排水好的地方;周边应清洁卫生、并远离有毒有害、有异臭味等污染源,与垃圾场、化粪池、居民区等场所保持50m以上距离,与常喷施农药的农田保持IOOnl以上距离;四周排水系统畅通,应防止外围的水流入或渗入库区Q(二)厂房结构与功能分区厂房应采用钢筋混凝土结构、钢结构,地面应硬实、平整、光洁,墙壁、天花板应使用易清洁的无毒、浅色、不易脱落的材料装修,墙面无污垢。厂房面积不少于设备占地面积的8倍,分为茶叶加工、茶叶感官审评、茶叶理

2、化检验、储存、包装、装卸等功能分区。(三)主要配套设备设施1、茶叶加工区按照白茶加工流程设置收青(鲜叶分级验收)、萎凋、干燥、匀堆、包装等区域,需要配套茶叶萎凋设施、烘干机、匀堆室、包装机等设施设备。2、茶叶储存区茶叶储存根据生产需要分为茶青储存、毛茶储存、成品茶储存等区域,适宜采用冷库储存保鲜,配套保温结构、制冷机组、保温门等设备设施,储存温度可在-5寸20寸内任意调节,采用自动控制系统。根据产量配备不同储存量的冷库。冷库主要技术参数项目参数储存量(t)50100250500库内地面面积(m2)135N26526572954库内净容积(m3)5002100025005000库体保温结构土建式

3、冷库(由内到外):水泥抹面,直接喷涂厚度28OnHn聚氨酯层(密度35kgm3-40kgm3),阻燃Bl级,外加保护层。屋顶具备良好的防水、防潮、保温和外保护层。组装式冷库:采用聚氨酯双面复合彩钢板,保温层厚度N100mm,密度35kgm3-40kg阻燃Bl级,严寒地区可适当增加保温板厚度。制冷机组制冷机组230HP;制冷量252.9KW;送风量26600Om3/h;装机功率28.05kW;制冷机组240HP;制冷量94.4KW;送风量288000m3/h;装机功率W37.4kW;制冷机组280HP;制冷量184.5KW;送风量2176000m3/h;装机功率74.8kW;制冷机组2160HP

4、;制冷量2369KW;送风量352000m3/h;装机功率W149.6kW;运行指标设计使用库温:-5C20C;【环境温度W35C时,空库温度降至0。C时间W1.5小时;】保温门芯材为IOOmm聚氨酯保温板,密度40kg342kg3,阻燃Bl级,严寒地区可适当增加保温板厚度。项目参数项目参数地面从下向上依次是:三七灰土夯实,30mm水泥砂浆找平,0.Imm塑料膜,10OmnI厚挤塑板(抗压强度不小于20OkPa),0.Imm塑料膜,10Onlnl水泥找平;地面承重要求:均布活荷载标准值不低于15kNm2o电源3PAC,380V10%,50Hz基础、钢结构根据建设地实际情况按规范设计、建设。地面

5、承重均布活荷载不低于15kN2;冷库钢结构设计应考虑库内蒸发器和冷库顶板承重。安全措施保证电气及元件安全性;如果采用电热融霜时,应加装融霜过热保护;符合消防安全要求;冷库门应装有安全脱扣门锁。3、茶叶感官审评区应设有独立的审评场所,配备干评台、湿评台、评茶盘、审评杯碗、汤匙、叶底盘、称茶器、计时器等审评用具。4、茶叶理化检验区应设有独立的理化检验场所,配备水分测定仪、分析天平(精度1/10OOg以上)、电子秤或天平(精度1/1Og以上)、鼓风电热恒温干燥箱、干燥器、电动筛分机等理化检验设备。(四)基础设施1、给排水设施设备配备与茶叶加工规模相适应的供排水设备,给水管道四周应密闭,做到防鼠防虫防

6、蝇。排水系统的设计和建造应保证排水畅通、便于清洁维护,应适应食品生产的需要,保证食品及生产、清洁用水不受污染。2、通风设施设备厂房应通风、通气良好,灰尘较大的作业区域应安装换气风扇或除尘设备,摊青、杀青、干燥区域应安装排湿、排气设备。通风口应安装易清洗、易更换的耐腐蚀防护罩,进气口应距地面2m以上,并远离污染源和排气口。3、照明设施设备有充足的自然采光或人工照明,照明光源以不改变茶叶在制品的色泽为宜,工作台、敞开式生产线及裸露茶叶上方的照明设备应有防护装置。4、卫生设施设备设置与厂房相连接的更衣室和消毒间,在入口处及适当的位置应设置洗手消毒、干手设施,洗手设施的水龙头开关应为非手动式(如脚踏式、感应式)。5、安全生产设施配备紧急供电、消防设施。三、产地仓布局图茶鲜叶收青间匀堆室-萎凋区干燥区匀堆区消毒间冷库3装卸区包装区

展开阅读全文
相关资源
猜你喜欢
相关搜索

当前位置:首页 > 研究报告 > 农林牧渔

copyright@ 2008-2023 1wenmi网站版权所有

经营许可证编号:宁ICP备2022001189号-1

本站为文档C2C交易模式,即用户上传的文档直接被用户下载,本站只是中间服务平台,本站所有文档下载所得的收益归上传人(含作者)所有。第壹文秘仅提供信息存储空间,仅对用户上传内容的表现方式做保护处理,对上载内容本身不做任何修改或编辑。若文档所含内容侵犯了您的版权或隐私,请立即通知第壹文秘网,我们立即给予删除!