镇街道综合性应急救援队伍装备配备表.docx

上传人:p** 文档编号:141795 上传时间:2023-02-06 格式:DOCX 页数:2 大小:19.16KB
下载 相关 举报
镇街道综合性应急救援队伍装备配备表.docx_第1页
第1页 / 共2页
镇街道综合性应急救援队伍装备配备表.docx_第2页
第2页 / 共2页
亲,该文档总共2页,全部预览完了,如果喜欢就下载吧!
资源描述

《镇街道综合性应急救援队伍装备配备表.docx》由会员分享,可在线阅读,更多相关《镇街道综合性应急救援队伍装备配备表.docx(2页珍藏版)》请在第壹文秘上搜索。

1、镇(街道)综合性应急救援队伍装备配备表类型装备器材名称主要用途或技术性能配备数量备份数量基本配置头盔抢险救援时头部的安全防护1顶/人6顶/队警棍用于应对处置群体性突发事件1套/人6套/队盾牌用于应对处置群体性突发事件1副/人6副/队分体式雨衣具备防水功能1件/人6件/队雨靴抢险救援时脚部防护,具备绝缘功能1双/人6双/人防护手套抢险救援作业时手部防护1副/人6副/队强光手电抢险救援现场作业时的照明10支/队手持电台抢险救援现场作业时的通讯联络6个/队铁锹(铁镐)抢险救援挖掘作业1件/人各类警示牌用于事故灾害现场警戒警示,分为有毒、易爆、泄漏、爆炸、危险等五种标志,图案由反光材料制成隔离警示带用

2、于事故灾害现场警戒警示,双面反光,每盘长度2500米2盘/队正压式空气呼吸器用于救援人员在充满浓烟、毒气、蒸汽或缺氧的恶劣环境下安全地进行抢险救援工作2套/队自救式呼吸器用于缺氧或有毒现场作业时呼吸防护2套/队防护服用于身体防护5套/队手持扩音器用于事故现场指挥,功率210瓦,同时具备警报功能2个/队医药急救箱用于现场紧急救护,盛放常规外伤和化学伤害急救所需的敷料、药品和器械等1个/队车辆用于运送救援人员、装备按需配备救援背包用于存放个人防护装备1个/人水域较多的区域需增配冲锋舟用于水域救援1艘/队救生衣水域救援时防止溺水1件/人救生绳用于水域救援,长度2100米1根/队救生圈用于水域救援3个

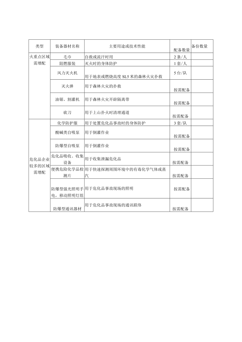
3、/队救生抛投器用于远距离抛投救生绳和救生圈,抛投距离240米1个/队手抬泵用于排水作业2台/队森林防水壶饮水或浸湿毛巾自救时用1个/人类型装备器材名称主要用途或技术性能配备数量备份数量火重点区域需增配毛巾自救或流汗时用2条/人阻燃服装灭火时的身体防护1套/人风力灭火机用于地表或燃烧高度SL5米的森林火灾扑救5台/队灭火弹用于森林火灾的扑救按需配备油锯、割灌机用于森林火灾开辟隔离带按需配备砍刀用于上山扑火时清理通道按需配备危化品企业较多的区域需增配化学防护服用于处置危化品事故时的身体防护3套/队酸碱类自吸泵用于倒灌作业按需配备防爆型自吸泵用于倒灌作业按需配备危化品吸收、收集设备用于收集泄漏危化品按需配备便携危险化学品检测片用于快速探测周围环境中的有毒化学气体或蒸汽按需配备防爆型强光照明手电,移动照明灯组用于危化品事故现场的照明按需配备防爆型通讯器材用于危化品事故现场的通讯联络按需配备

展开阅读全文
相关资源
猜你喜欢
相关搜索

当前位置:首页 > 行业资料 > 公共安全/安全评价

copyright@ 2008-2023 1wenmi网站版权所有

经营许可证编号:宁ICP备2022001189号-1

本站为文档C2C交易模式,即用户上传的文档直接被用户下载,本站只是中间服务平台,本站所有文档下载所得的收益归上传人(含作者)所有。第壹文秘仅提供信息存储空间,仅对用户上传内容的表现方式做保护处理,对上载内容本身不做任何修改或编辑。若文档所含内容侵犯了您的版权或隐私,请立即通知第壹文秘网,我们立即给予删除!