贵州红星发展大龙锰业有限责任公司年产10万吨锰粉加工项目竣工环保验收监测方案.docx

上传人:p** 文档编号:146264 上传时间:2023-02-13 格式:DOCX 页数:4 大小:22.96KB
下载 相关 举报
贵州红星发展大龙锰业有限责任公司年产10万吨锰粉加工项目竣工环保验收监测方案.docx_第1页
第1页 / 共4页
贵州红星发展大龙锰业有限责任公司年产10万吨锰粉加工项目竣工环保验收监测方案.docx_第2页
第2页 / 共4页
贵州红星发展大龙锰业有限责任公司年产10万吨锰粉加工项目竣工环保验收监测方案.docx_第3页
第3页 / 共4页
贵州红星发展大龙锰业有限责任公司年产10万吨锰粉加工项目竣工环保验收监测方案.docx_第4页
第4页 / 共4页
亲,该文档总共4页,全部预览完了,如果喜欢就下载吧!
资源描述

《贵州红星发展大龙锰业有限责任公司年产10万吨锰粉加工项目竣工环保验收监测方案.docx》由会员分享,可在线阅读,更多相关《贵州红星发展大龙锰业有限责任公司年产10万吨锰粉加工项目竣工环保验收监测方案.docx(4页珍藏版)》请在第壹文秘上搜索。

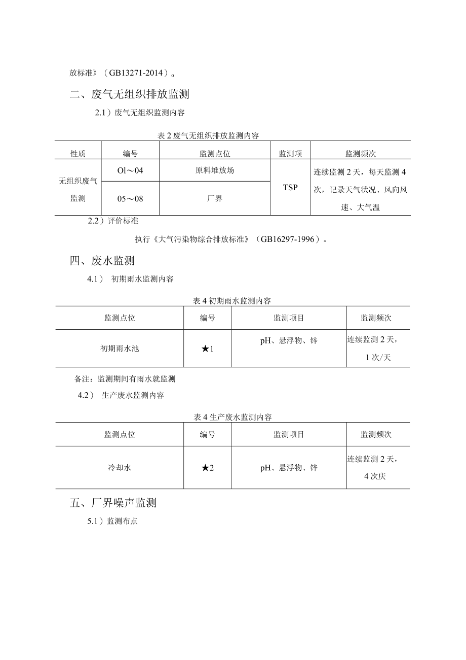
1、贵州红星发展大龙镒业有限责任公司年产10万吨镒粉加工项目竣工环保验收监测方一、废气有组织监测1.1) 废气有组织监测内容表1废气有组织排放监测内容监测点位编号监测项目监测频次颗式破碎机除尘设施进口、出口12粉尘监测2夭,每夭监测3次雷蒙机除尘设施进口、出口32粉尘监测2夭,每夭监测3次球磨机除尘设施进口、出口。52粉尘监测2天,每天监测3次烘干机除尘设施进口、出口72粉尘监测2天,每天监测3次成品锌粉入仓储存除尘设施进口、出92粉尘监测2天,每天监测3次生物质锅炉进口、出口Oll-12烟尘、二氧化硫、氮氧化物监测2天,每天监测3次1.2) 评价标准执行大气污染物综合排放标准(GB16297-1

2、996)、锅炉大气污染物排放标准(GB13271-2014)o二、废气无组织排放监测2.1)废气无组织监测内容表2废气无组织排放监测内容性质编号监测点位监测项监测频次无组织废气监测Ol04原料堆放场TSP连续监测2天,每天监测4次,记录天气状况、风向风速、大气温0508厂界2.2)评价标准执行大气污染物综合排放标准(GB16297-1996)。四、废水监测4.1) 初期雨水监测内容表4初期雨水监测内容监测点位编号监测项目监测频次初期雨水池1pH、悬浮物、锌连续监测2天,1次/天备注:监测期间有雨水就监测4.2) 生产废水监测内容表4生产废水监测内容监测点位编号监测项目监测频次冷却水2pH、悬浮

3、物、锌连续监测2天,4次庆五、厂界噪声监测5.1)监测布点表5噪声监测内容监测点位监测项目监测频次厂界东等效A声级昼、夜间各1次,连续监测2天。厂界南上2厂界西上3厂界北5.2)评价标准执行工业企业厂界环境噪声排放标准(GB12348-2008)3类标准。六、环境空气6.1) 环境空气监测内容表6环境空气监测内容编号监测点位监测项目监测频次Gl干龙村居民点南600mNo2、SO2、TSP、PMIo、PM25连续监测2天,每天监测4次,记录天气状况、风向风速、大气温度、大气压力等6.2) 评价标准执行环境空气质量标准(GB30952012)二级标准值。七、地表水7.1) 地表水监测内容表7地表水监测内容编号监测点位监测项目监测频次Wl舞阳河项目上游500mPH、SS.CODsBoD5、钱、氨氤、石油类连续监测2天,每天监测1次。W2舞阳河项目下游500mW3舞阳河项目下游1000m7.2) 评价标准执行地表水环境标准GB3838-2002川类标准值。八、原料编号监测监测项目监测频次Fl原料pH、铅、镒、铁、铜、锌、镉、总珞、六价铝、汞、银、钢、碑、连续监测2天,每天监测6次贵州恒净检测服务有限公司2017年11月6日

展开阅读全文
相关资源
猜你喜欢
相关搜索

当前位置:首页 > 建筑/环境 > 建筑资料

copyright@ 2008-2023 1wenmi网站版权所有

经营许可证编号:宁ICP备2022001189号-1

本站为文档C2C交易模式,即用户上传的文档直接被用户下载,本站只是中间服务平台,本站所有文档下载所得的收益归上传人(含作者)所有。第壹文秘仅提供信息存储空间,仅对用户上传内容的表现方式做保护处理,对上载内容本身不做任何修改或编辑。若文档所含内容侵犯了您的版权或隐私,请立即通知第壹文秘网,我们立即给予删除!