城市轨道交通岩土施工工程分级、主要城市地层划分.docx

上传人:p** 文档编号:162143 上传时间:2023-03-06 格式:DOCX 页数:5 大小:63.53KB
下载 相关 举报
城市轨道交通岩土施工工程分级、主要城市地层划分.docx_第1页
第1页 / 共5页
城市轨道交通岩土施工工程分级、主要城市地层划分.docx_第2页
第2页 / 共5页
城市轨道交通岩土施工工程分级、主要城市地层划分.docx_第3页
第3页 / 共5页
城市轨道交通岩土施工工程分级、主要城市地层划分.docx_第4页
第4页 / 共5页
城市轨道交通岩土施工工程分级、主要城市地层划分.docx_第5页
第5页 / 共5页
亲,该文档总共5页,全部预览完了,如果喜欢就下载吧!
资源描述

《城市轨道交通岩土施工工程分级、主要城市地层划分.docx》由会员分享,可在线阅读,更多相关《城市轨道交通岩土施工工程分级、主要城市地层划分.docx(5页珍藏版)》请在第壹文秘上搜索。

1、附录E桩侧土水平抗力系数的比例系数m值经验曲线图E.0.1桩侧土水平抗力系数的比例系数m值经验曲线桩顶水平位移与m值关系曲线300QWNlAI)ME23456789101112131415桩顶水平位移(mm)化岩粉土化粉土化 风岗塑黏风岩塑黏风岩 全花硬质强泥可质全泥附录F岩土施工工程分级表EO.岩土施工工程分级等级分类岩土名称及特征的稠度状态-.的密实度岩石单轴饱和抗压强度(MPa)开挖方法松松土砂类土、种植散用铁锹挖,脚蹬一下到底的I土、未经压实的w*松散土层,机械能全部直接填土密铲挖,普通装载机可满载实一般黏性土、粉土、砾土(圆砾、角砾)、压密的土质填土软松部分用镐刨松,再用锹挖,普塑散

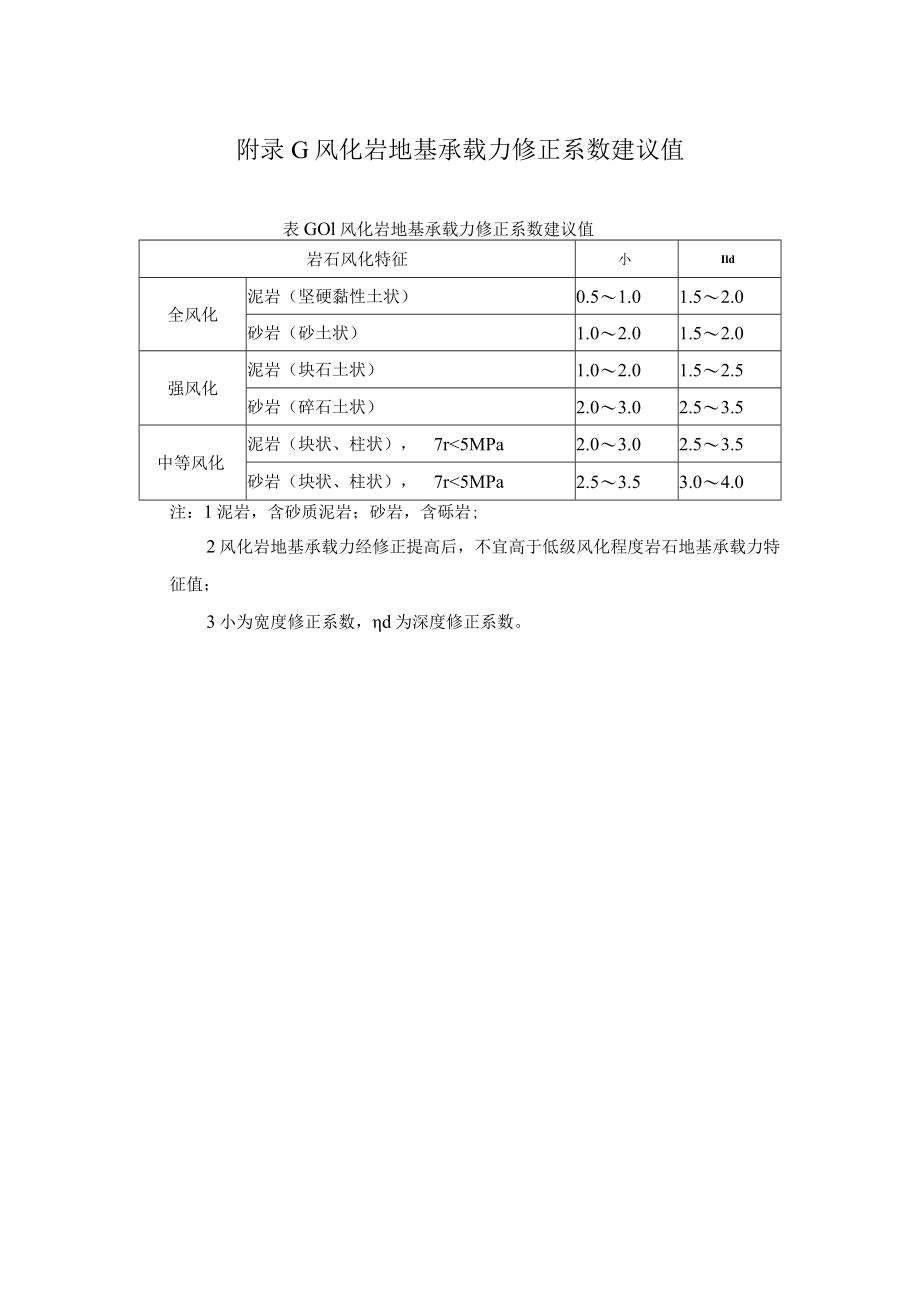
2、脚蹬连蹬数次才能挖动的。II通一挖掘机、带齿尖口装载机土硬汕密实可满载、普通装载机可直接铲挖,但不能满载粉质黏土、碎石(卵石、碎石);残积土及风i化I岩松必须用镐先全部松动才能用III硬土坚硬散密实1锹挖。挖掘机、带齿尖口装载机不能满载、大部分采用松土器松动方能铲挖装载松极软LLl石散部分用撬棍及大锤开挖或挖IV黏土、块石土、坚掘机、单钩裂土器松动,部漂石土;极软岩硬分需借助液压冲击锚解碎或密部分采用爆破方法开挖实7软质岩软岩、较软岩30岩爆破法开挖注:1泥质胶结碎屑岩的单轴饱和抗压强度可采用天然湿度单轴抗压强度替代;2表中所列等级,由低到高,以最先满足的为准。附录G风化岩地基承载力修正系数建

3、议值表GOl风化岩地基承载力修正系数建议值岩石风化特征小Ild全风化泥岩(坚硬黏性土状)0.51.01.52.0砂岩(砂土状)1.02.01.52.0强风化泥岩(块石土状)1.02.01.52.5砂岩(碎石土状)2.03.02.53.5中等风化泥岩(块状、柱状),7r5MPa2.03.02.53.5砂岩(块状、柱状),7r5MPa2.53.53.04.0注:1泥岩,含砂质泥岩;砂岩,含砾岩;2风化岩地基承载力经修正提高后,不宜高于低级风化程度岩石地基承载力特征值;3小为宽度修正系数,d为深度修正系数。附录H主要城市地层划分H.0.1基本规定1城市轨道交通工程勘察,应在可行性研究勘察阶段建立本条

4、线路的地层系统;2应按照地层时代由新到老顺次确定主层编号,同一地层时代按照岩土类别依据粒组特征分别确定岩土名称并顺次编号以确定亚层,同一岩土名称按照其工程性质,如稠度状态、密实程度、风化程度等由弱到强顺次编号以确定次亚层;3岩土定名应符合现行国标城市轨道交通岩土工程勘察规范的要求。H.0.2长春市地层划分1现代人工堆积层(Q),主层编号1,依据填土特征划分亚层,依次划分为杂填土、素填土,必要时依据填土工程性质划分次亚层;2第四系全新统河谷冲积层(QP),主层编号2A,依据粒度成分划分亚层,依次划分为黏性土、砂土、碎石土,次亚层分别按照稠度状态或密实程度划分;3第四系全新统冲湖积层(Q4.),主

5、层编号2B,依据粒度成分划分亚层,依次划分为淤泥质土、黏性土、粉土、砂土,次亚层分别按照稠度状态或密实程度划分;4第四系上更新统冲洪积层(Q33p),主层编号2C,依据粒度成分划分亚层,依次划分为黏性土、粉土,次亚层分别按照稠度状态或密实程度划分;5第四系中更新统坡洪积层(Q2tn+N),主层编号2D,依据粒度成分划分亚层,依次划分为黏性土、砂土、碎石土,次亚层分别按照稠度状态或密实程度划分;6第四系中更新统冲洪积层(QN+W),主层编号2,依据黏粒含量划分亚层,依次划分为黏土、粉质黏土,次亚层按照稠度状态划分;7第四系下更新统(QI),主层编号2E,依据成因类型划分亚层,依次划分为冰水堆积层

6、(Q、残积层(Q产),依据其工程性质划分次亚层;8白垩系沉积岩层(K),主层编号3,依据岩相特征划分亚层,依次划分为泥岩、砂质泥岩、泥质砂岩、砂岩、砾岩等,次亚层按照风化程度划分;9前白垩纪沉积岩层(anK),主层编号4,依据岩相特征划分亚层,依次划分为安山岩、板岩、变质砂岩等,次亚层按照风化程度划分;10岩浆岩(6、v、),主层编号5,依据岩相特征划分亚层,依次划分为超基性火山岩、基性岩浆岩、中性岩浆岩、酸性岩浆岩,次亚层按照风化程度并结合单轴抗压强度进行划分。H.0.3吉林市地层划分1现代人工堆积层(Q),主层编号1,依据填土特征划分亚层,依次划分为杂填土、素填土,必要时依据填土工程性质划

7、分次亚层;2第四系全新统河谷冲积层(Qn),主层编号2,依据粒度成分划分亚层,依次划分为黏性土、砂土、碎石土,次亚层分别按照稠度状态或密实程度划分;3第四系中更新统冲洪积层(QzMPi),主层编号3,依据粒度成分划分亚层,依次划分为黏性土、砂土。次亚层分别按照稠度状态或密实程度划分;4古近系沉积岩(E),主层编号4,依据岩相特征划分亚层,依次划分为粘土岩夹硅藻土、泥岩夹煤层、粉砂岩、细砂岩、砂岩、凝灰质砂岩、砂砾岩。次亚层按照风化程度并结合单轴抗压强度进行划分;5中生界沉积岩,主层编号5,依据地层年代及岩相特征划分亚层,依次划分为:白垩系(K)砂岩、砾岩;侏罗系(J)安山岩、凝灰岩、凝灰质砂岩、英安岩夹流纹岩;三叠系(T)凝灰岩、流纹质凝灰岩、凝灰质砾岩等。次亚层按照风化程度并结合单轴抗压强度进行划分;6古生界沉积岩,主层编号6,依据地层年代及岩相特征划分亚层,依次划分为:二叠系(P)灰岩、流纹质一安山质凝灰岩、粉砂岩、凝灰质砂岩、砂岩、板岩、变质安山岩、变质砂岩;志留系(S)砂岩、砾岩和含砾凝灰质粉砂岩等。次亚层按照风化程度并结合单轴抗压强度进行划分;7岩浆岩,主层编号7,依据生成时代划分亚层,依次划分为第四纪早、中更新世玄武岩、燕山期、印支期、海西期、加里东期花岗岩,次亚层按照风化程度并结合单轴抗压强度进行划分。

展开阅读全文
相关资源
猜你喜欢
相关搜索

当前位置:首页 > 建筑/环境 > 铁路工程

copyright@ 2008-2023 1wenmi网站版权所有

经营许可证编号:宁ICP备2022001189号-1

本站为文档C2C交易模式,即用户上传的文档直接被用户下载,本站只是中间服务平台,本站所有文档下载所得的收益归上传人(含作者)所有。第壹文秘仅提供信息存储空间,仅对用户上传内容的表现方式做保护处理,对上载内容本身不做任何修改或编辑。若文档所含内容侵犯了您的版权或隐私,请立即通知第壹文秘网,我们立即给予删除!