评分细则附表.docx

上传人:p** 文档编号:168315 上传时间:2023-03-12 格式:DOCX 页数:1 大小:15.89KB
下载 相关 举报
评分细则附表.docx_第1页
第1页 / 共1页
亲,该文档总共1页,全部预览完了,如果喜欢就下载吧!
资源描述

《评分细则附表.docx》由会员分享,可在线阅读,更多相关《评分细则附表.docx(1页珍藏版)》请在第壹文秘上搜索。

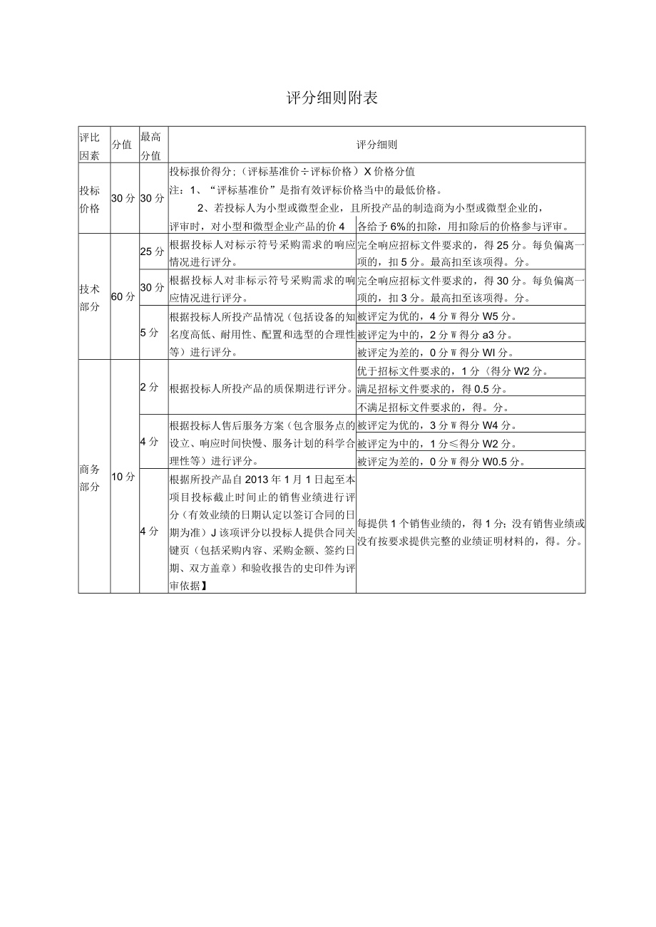
1、评分细则附表评比因素分值最高分值评分细则投标价格30分30分投标报价得分;(评标基准价评标价格)X价格分值注:1、“评标基准价”是指有效评标价格当中的最低价格。2、若投标人为小型或微型企业,且所投产品的制造商为小型或微型企业的,评审时,对小型和微型企业产品的价4各给予6%的扣除,用扣除后的价格参与评审。技术部分60分25分根据投标人对标示符号采购需求的响应情况进行评分。完全响应招标文件要求的,得25分。每负偏离一项的,扣5分。最高扣至该项得。分。30分根据投标人对非标示符号采购需求的响应情况进行评分。完全响应招标文件要求的,得30分。每负偏离一项的,扣3分。最高扣至该项得。分。5分根据投标人所

2、投产品情况(包括设备的知名度高低、耐用性、配置和选型的合理性等)进行评分。被评定为优的,4分W得分W5分。被评定为中的,2分W得分a3分。被评定为差的,0分W得分WI分。商务部分10分2分根据投标人所投产品的质保期进行评分。优于招标文件要求的,1分得分W2分。满足招标文件要求的,得0.5分。不满足招标文件要求的,得。分。4分根据投标人售后服务方案(包含服务点的设立、响应时间快慢、服务计划的科学合理性等)进行评分。被评定为优的,3分W得分W4分。被评定为中的,1分得分W2分。被评定为差的,0分W得分W0.5分。4分根据所投产品自2013年1月1日起至本项目投标截止时间止的销售业绩进行评分(有效业绩的日期认定以签订合同的日期为准)J该项评分以投标人提供合同关键页(包括采购内容、采购金额、签约日期、双方盖章)和验收报告的史印件为评审依据】每提供1个销售业绩的,得1分;没有销售业绩或没有按要求提供完整的业绩证明材料的,得。分。

展开阅读全文
相关资源
猜你喜欢
相关搜索

当前位置:首页 > 建筑/环境 > 工程监理

copyright@ 2008-2023 1wenmi网站版权所有

经营许可证编号:宁ICP备2022001189号-1

本站为文档C2C交易模式,即用户上传的文档直接被用户下载,本站只是中间服务平台,本站所有文档下载所得的收益归上传人(含作者)所有。第壹文秘仅提供信息存储空间,仅对用户上传内容的表现方式做保护处理,对上载内容本身不做任何修改或编辑。若文档所含内容侵犯了您的版权或隐私,请立即通知第壹文秘网,我们立即给予删除!