光伏运维保修方案.docx

上传人:p** 文档编号:172726 上传时间:2023-03-20 格式:DOCX 页数:28 大小:49.08KB
下载 相关 举报
光伏运维保修方案.docx_第1页
第1页 / 共28页
光伏运维保修方案.docx_第2页
第2页 / 共28页
光伏运维保修方案.docx_第3页
第3页 / 共28页
光伏运维保修方案.docx_第4页
第4页 / 共28页
光伏运维保修方案.docx_第5页
第5页 / 共28页
光伏运维保修方案.docx_第6页
第6页 / 共28页
光伏运维保修方案.docx_第7页
第7页 / 共28页
光伏运维保修方案.docx_第8页
第8页 / 共28页
光伏运维保修方案.docx_第9页
第9页 / 共28页
光伏运维保修方案.docx_第10页
第10页 / 共28页
亲,该文档总共28页,到这儿已超出免费预览范围,如果喜欢就下载吧!
资源描述

《光伏运维保修方案.docx》由会员分享,可在线阅读,更多相关《光伏运维保修方案.docx(28页珍藏版)》请在第壹文秘上搜索。

1、、太阳能电池组件维护对于太阳能光伏发电,其影响因素包括:天气状况、大气质量、太阳能光伏组件表面的灰尘及空气中的油渍颗粒等。所以,一般情况下,太阳能电池板表面有灰尘和树叶、鸟粪等遮挡物附着,会降低系统的发电量,同时也会缩短光伏组件的使用寿命,要求必须定期对组件进行表面清洁。太阳能光伏组件表面的清洗,一般用清水加特定清洁剂进行冲洗,其中清洁剂禁止选用化学用品和对玻璃有腐蚀性的碱性试剂,以防对组件表面的玻璃及组件周围其它涂料层的腐蚀,清洗同时要避免太阳能电池板接线盒进水而引起短路和接地故障。、逆变器维护检查内容检查方法维护周期系统清洁定期检查散热片有无遮挡及灰尘脏污。对直流开关维护可以选择在夜间无光

2、照的情况下,将直流开关关闭,然后再打开,这样可以达到去除开关上的氧化物,清洁开关的目的。每半年至1年1次。系统运行状态观察逆变器外观是否有损坏或者变形。听逆变器在运行过程中是否有异常声音。在逆变器运行时,检查逆变器各项参数是否设置正确。每半年1次电气连接检查线缆连接是否脱落、松动。检查线缆是否有损伤,着重检查电缆与金属表面接触的首次调测后半年,以后每半年到1年1次。表皮是否有割伤的痕迹。检查未使用的RS485、USB等端口的防水盖,是否处于锁紧状态。接地可靠性检查接地线缆是否可靠接地。首次调测后半年,以后每半年到1年1次。说明:请在擦拭散热片之前,先将逆变器与电网之间的交流断路器断开,再将直流

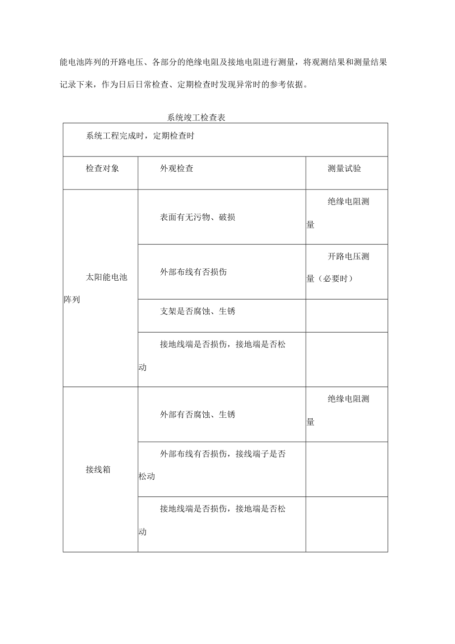
3、侧的“DCSWITCH置于“OFF”。断电后,请等待至少5分钟,再擦拭散热片。、交流配电箱维护交流配电箱中电压较高,非日常维护检修时其他时间请不要随意打开;交流配电箱为逆变器与并网接入点的连接部件,通过交流配电箱可以通断逆变器的输出;交流配电箱中有防雷装置,如遇到雷雨天气,请检查避雷模块是否损坏;交流配电柜中有计量电表,可以计量电站的累计发电量;如遇停电时,请关闭交流配电箱中的断路器,恢复通电时牢记要合上断路器,否则电站将停止发电;以上必须是专业人员或者经过培训的电工才可以进行操作;、系统工程竣工检查太阳能光伏发电系统工程完成时对系统过行检查,检查的内容除外观检查外,对太阳能电池阵列的开路电压

4、、各部分的绝缘电阻及接地电阻进行测量,将观测结果和测量结果记录下来,作为日后日常检查、定期检查时发现异常时的参考依据。系统竣工检查表系统工程完成时,定期检查时检查对象外观检查测量试验太阳能电池阵列表面有无污物、破损绝缘电阻测量外部布线有否损伤开路电压测量(必要时)支架是否腐蚀、生锈接地线端是否损伤,接地端是否松动接线箱外部有否腐蚀、生锈绝缘电阻测量外部布线有否损伤,接线端子是否松动接地线端是否损伤,接地端是否松动并网逆变器外部有否腐蚀、生锈显示部分的工作确认外部布线有否损伤,接线端子是否松动绝缘电阻测量接地线端是否损伤,接地端是否松动逆变器保护功能试验工作时声音是否正常,有否异味产生换气口过滤

5、网(有的场合)是否堵塞安装环境(是否有水、高温)接地布线有否损伤接地电阻测量发电状况通过显示装置了解是否正常发电此表也可做定期检查使用。、日常检查日常检查是每个月进行一次外观检查,当认为异常时,可向专业技术人员求助。系统日常检查表检查对象外观检查太阳能电池阵列表面有无污物、破损支架是否腐蚀、生锈外部布线是否破损接线箱外壳是否腐蚀、生锈外部布线是否损伤逆变器外壳是否腐蚀、生锈外部布线是否损伤工作时声音是否正常、是否有异味产生换气口过滤网是否堵塞安装环境接地布线是否损伤发电状况通过显示装置了解是否发电正常3、主要电气元件维护检查、直流、交流电缆(1)缺陷分为一般缺陷、重大缺陷和危急缺陷;一般缺陷指

6、对安全运行影响不大的缺陷;重大缺陷指已威胁安全运行但不会立即造成事故和设备损坏的缺陷;危急缺陷指随时可能发生设备事故或人身事故的缺陷。(2)凡电缆线路存在下列情况之一者即认为电缆线路存在缺陷,不符合现场运行规程的规定,达不到规范的要求;未按期进行检修和试验;标志、编号不全或不清;欠缺重要的图纸资料(3)巡视人员、值班员、用户发现电缆线路存在缺陷,应及时通报运维部门并记入电缆线路缺陷记录本。(4)运维部门接到电缆线路缺陷通知后,应认真分析缺陷的性质。确定缺陷属一般缺陷、重大缺陷还是危急缺陷。(5)缺陷处理规定如下对于一般缺陷,运维部门及时制定消缺对策,安排消缺计划,通知检修部门根据停电计划和实际

7、情况进行消缺,一般缺陷处理原则上不超过三天。对于不能确定性质或危及安全的重大缺陷,运维部门应及时上报上级管理部门,请上级管理部门安排停电消缺,重大缺陷处理不超过一周。危急缺陷要立即安排处理。缺陷消除后,检修部门应做好消缺记录。一般缺陷的消除情况及消缺质量,检修部门应及时上报运维部门;重大缺陷、危急缺陷消除情况及消缺质量,还应上报上一级管理部门。已处理的缺陷,如在三个月内再次发生,属于检修质量问题,应对检修部门进行考核。、塑壳断路器塑壳式断路器的运行维护1)运行中检查:检查负荷电流是否符合断路器的额定值;信号指示与电路分、合状态是否相符;过载热元件的容量与过负荷额定值是否相符;连接线的接触处有无

8、过热现象;操作手柄和绝缘外壳有无破损现象;内部有无放电响声;电动合闸机构润滑是否良好,机件有无破损情况。2)使用维护事项:A断开断路器时,必须将手柄拉向分字处,闭合时将手柄推向合字处。若将自动脱扣的断路器重新闭合,应先将手柄拉向分字处,使断路器再脱扣,然后将手柄推向合字处,即断路器闭合;B装在断路器中的电磁脱扣器,用于调整牵引杆与双金属片间距离的调节螺钉不得任意调整,以免影响脱扣器动作而发生事故;C当断路器电磁脱扣器的整定电流与使用场所设备电流不相符时,应检验设备,重新调整后,断路器才能投入使用;D断路器在正常情况下应定期维护,转动部分不灵活,可适当加滴润滑油E断路器断开短路电流后,应立即进行

9、以下检查:上下触点是否良好,螺钉、螺母是否拧紧,绝缘部分是否清洁,发现有金属粒子残渣时应予清除干净;灭弧室的栅片间是否短路,若被金属粒子短路,应用铿刀将其清除,以免再次遇到短路时,影响断路器可靠分断;电磁脱扣器的衔铁,是否可靠地支撑在铁芯上,若衔铁滑出支点,应重新放入,并检查是否灵活;当开关螺钉松动,造成分合不灵活,应打开进行检查维护。F过载脱扣整定电流值可进行调节,热脱扣器出厂整定后不可改动;G断路器因过载脱扣后,经l3min的冷却,可重新闭合合闸按钮继续工H因选配不当,采用了过低额定电流热脱扣器的断路器所引起的经常脱扣,应更换额定电流较大的热脱扣器的断路器,切不可将热脱扣器同步螺钉旋松。断

10、路器热脱扣在超过规定的额定值下使用时,将因温升过高而使断路器损坏。、熔断器熔断器使用注意事项:1)熔断器的保护特性应与被保护对象的过载特性相适应,考虑到可能出现的短路电流,选用相应分断能力的熔断器。2)熔断器的额定电压要适应线路电压等级,熔断器的额定电流要大于或等于熔体额定电流。3)线路中各级熔断器熔体额定电流要相应配合,保持前一级熔体额定电流必须大于下一级熔体额定电流。4)熔断器的熔体要按要求使用相配合的熔体,不允许随意加大熔体或用其他导体代替熔体。熔断器巡视检查:1)检查熔断器和熔体的额定值与被保护设备是否相配合。2)检查熔断器外观有无损伤、变形,瓷绝缘部分有无闪烁放电痕迹。3)检查熔断器

11、各接触点是否完好,接触紧密,有无过热现象。4)熔断器的熔断信号指示器是否正常。熔断器使用维修:1)熔体熔断时,要认真分析熔断的原因,可能的原因有:A短路故障或过载运行而正常熔断。B熔体使用时间过久,熔体因受氧化或运行中温度高,使熔体特性变化而误断。C熔体安装时有机械损伤,使其截面积变小而在运行中引起误断。2)拆换熔体时,要求做到:A安装新熔体前,要找出熔体熔断原因,未确定熔断原因,不要拆换熔体试送。B更换新熔体时,要检查熔体的额定值是否与被保护设备相匹配。C更换新熔体时,要检查熔断管内部烧伤情况,如有严重烧伤,应同时更换熔管。瓷熔管损坏时,不允许用其他材质管代替。填料式熔断器更换熔体时,要注意

12、填充填料。熔断器应与配电装置同时进行维修工作:A清扫灰尘,检查接触点接触情况。B检查熔断器外观(取下熔断器管)有无损伤、变形,瓷件有无放电闪烁痕迹。C检查熔断器,熔体与被保护电路或设备是否匹配,如有问题应及时调查。D注意检查在TN接地系统中的N线,设备的接地保护线上,不允许使用熔断器。E维护检查熔断器时,要按安全规程要求,切断电源,不允许带电摘取熔断器管。、季节性预防工作的一般要求特殊巡视工作天气突然变化(如大风、久旱微雨、暴雨、洪水、雪、雾、冰雹、雷雨及温度突变等)时,当值人员应及时对设备进行巡视检查。检查内容1)雷暴雨时,检查电缆沟、电缆桥架是否积水,门窗关闭严密和房屋渗漏雨情况;雷击后检

13、查避雷针、浪涌保护器情况,并作好记录。2)大风时检查避雷针、构架及电池板是否牢固,有无歪斜现象;场地有无易被吹起飞扬的物件;导线摆动、震荡及接头有无异常情况。3)高温季节重点检查通风冷却设备是否正常;4)寒冬季节检查防小动物进入室内的措施是否完善;预防工作1)雷雨季前,应检查配电房接地电阻和避雷针集中接地电阻是否合格。2)冬季前应加强做好防小动物、防寒、防火工作。检查电缆桥架盖板应完好无缺,电缆桥架室内的入口处应妥善隔离堵塞,门窗严密,消防器具安全完好。、事故处理的一般要求1.事故处理的基本原则:D尽快消除事故根源,限制事故的发展,解除对人身和设备的危险;2)首先设法保证交流输出正常;3)用一

14、切可能的方法保持设备继续运行,以保证正常发电;4)尽快对停机设备恢复运行;5)将事故情况立即报告运维部经理,听候处理。2 .事故处理:值班员必须留在自己的岗位上,集中注意力保持设备的正确运行方式,迅速、正确地执行相关领导命令。只有在接到相关领导的命令或对人身安全或设备完整有明显和直接的危险时,方可停止设备的运行或离开工作地点。3 .如果事故发在交接班过程中,交班人员应负责处理事故,接班人员可以协助处理。在事故处理未结束或上级领导未发令交接班以前,不得进行交接班。4 .处理事故时,除当值人员和有关领导外,其他人不得进入事故地点和控制室,事前进入的人员应主动退出,不得妨碍事故处理。5 .运维部经理

15、是事故处理的指挥人,电站值班员应迅速而无争辩地执行调度命令,并及时将事故特征和处理情况向其汇报。当值人员如果认为运维部经理命令有错误时,应予指出,并作必要解释。如运维部经理确认自己的命令正确时,变电所当值人员应立即执行。如果值班调度员命令直接威胁人身或设备安全,则无论在任何情况下,值班员不得执行。此时,应立即将具体情况汇报生产技术负责人,并按其指示执行。6 .处理事故时若值班负责人(或技术负责人)在场,应注意值班员处理事故过程,必要时可以帮助他们处理,但不得与调度命令相抵触;若认为值班员不能胜任时可停止他们的工作,指定他人或代行处理,但事前必须与有关调度取得联系,并作好详细记录。7 .在下列情况下,当值人员可不经调度许可自行操作,结束后再汇报:1)对威胁人身和设备安全的设备停电;2)将己损坏的设备隔离;3)恢复设备用电;

展开阅读全文
相关资源
猜你喜欢
相关搜索

当前位置:首页 > 建筑/环境 > 设计及方案

copyright@ 2008-2023 1wenmi网站版权所有

经营许可证编号:宁ICP备2022001189号-1

本站为文档C2C交易模式,即用户上传的文档直接被用户下载,本站只是中间服务平台,本站所有文档下载所得的收益归上传人(含作者)所有。第壹文秘仅提供信息存储空间,仅对用户上传内容的表现方式做保护处理,对上载内容本身不做任何修改或编辑。若文档所含内容侵犯了您的版权或隐私,请立即通知第壹文秘网,我们立即给予删除!