02清水混凝土模板安装质量验收记录.docx

上传人:p** 文档编号:195629 上传时间:2023-04-16 格式:DOCX 页数:2 大小:30.41KB
下载 相关 举报
02清水混凝土模板安装质量验收记录.docx_第1页
第1页 / 共2页
02清水混凝土模板安装质量验收记录.docx_第2页
第2页 / 共2页
亲,该文档总共2页,全部预览完了,如果喜欢就下载吧!
资源描述

《02清水混凝土模板安装质量验收记录.docx》由会员分享,可在线阅读,更多相关《02清水混凝土模板安装质量验收记录.docx(2页珍藏版)》请在第壹文秘上搜索。

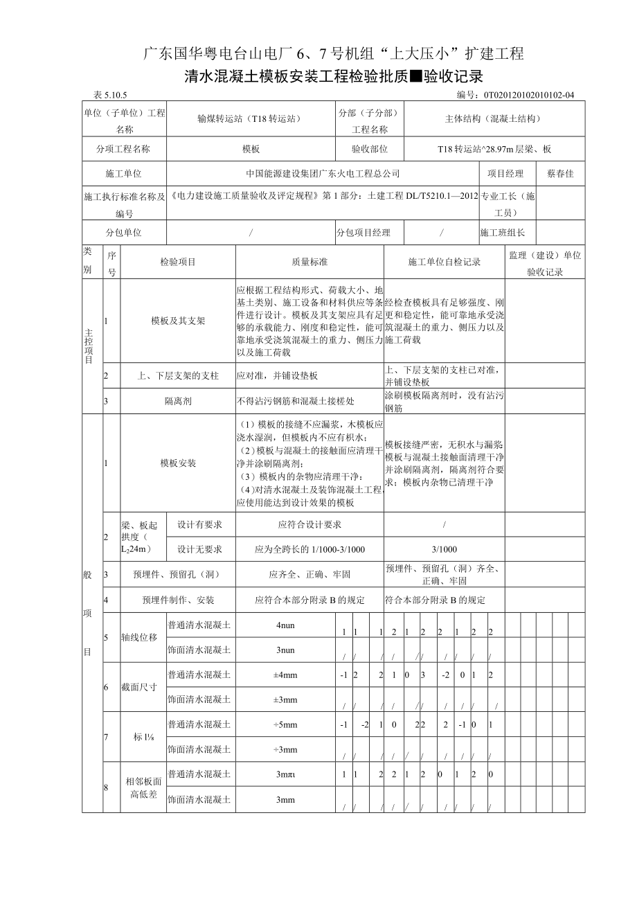
1、广东国华粤电台山电厂6、7号机组“上大压小”扩建工程清水混凝土模板安装工程检验批质验收记录表5.10.5编号:0T020120102010102-04单位(子单位)工程名称输煤转运站(T18转运站)分部(子分部)工程名称主体结构(混凝土结构)分项工程名称模板验收部位T18转运站28.97m层梁、板施工单位中国能源建设集团广东火电工程总公司项目经理蔡春佳施工执行标准名称及编号电力建设施工质量验收及评定规程第1部分:土建工程DL/T5210.12012专业工长(施工员)分包单位/分包项目经理/施工班组长类别序号检验项目质量标准施工单位自检记录监理(建设)单位验收记录主控项目1模板及其支架应根据工程

2、结构形式、荷载大小、地基土类别、施工设备和材料供应等条件进行设计。模板及其支架应具有足够的承载能力、刚度和稳定性,能可靠地承受浇筑混凝土的重力、侧压力以及施工荷载经检查模板具有足够强度、刚更和稳定性,能可靠地承受浇筑混凝土的重力、侧压力以及施工荷载2上、下层支架的支柱应对准,并铺设垫板上、下层支架的支柱已对准,并铺设垫板3隔离剂不得沾污钢筋和混凝土接槎处涂刷模板隔离剂时,没有沾污钢筋般项目1模板安装(1)模板的接缝不应漏浆,木模板应浇水湿润,但模板内不应有枳水;(2)模板与混凝土的接触面应清理干净并涂刷隔离剂;(3)模板内的杂物应清理干净:(4)对清水混凝土及装饰混凝土工程,应使用能达到设计效

3、果的模板模板接缝严密,无积水与漏浆:模板与混凝土接触面清理干净并涂刷隔离剂,隔离剂符合要求;模板内杂物已清理干净2梁、板起拱度(L224m)设计有要求应符合设计要求/设计无要求应为全跨长的1/1000-3/10003/10003预埋件、预留孔(洞)应齐全、正确、牢固预埋件、预留孔(洞)齐全、正确、牢固4预埋件制作、安装应符合本部分附录B的规定符合本部分附录B的规定5轴线位移普通清水混凝土4nun1112122122饰面清水混凝土3nun/6截面尺寸普通清水混凝土4mm-122103-2012饰面清水混凝土3mm/7标l普通清水混凝土5mm-1-210222-101饰面清水混凝土3mm/8相邻板

4、面高低差普通清水混凝土3m1122120120饰面清水混凝土3mm/广东国华粤电台山电厂6、7号机组“上大压小”扩建工程清水混凝土模板安装工程检验批质验收记录表5.10.5续编号:0T020120102010102-04单位工程名称输煤转运站(T18转运站)验收部位T18转运站V28.97m层梁、板类别序号检查项目质量标准旅工单位自检记录监理(建设)单位验收记录般项目9模板垂直度不大于5m普通清水混凝土4mm1121123123饰面清水混凝土3m/大于5m普通清水混凝土6mm1211112123饰面清水混凝土5mm/10表面平整改普通清水混凝土3mm1121122121饰面清水混凝土2xn/1

5、1阴阳角方正普通清水混凝土3mm2Q1()121122饰面清水混凝土2m/顺直普通清水混凝土3mm2122120121饰面清水混凝土2mm/12预留洞口中心线位移普通清水混凝土8mm1222453423饰面清水混凝土6mm/孔洞尺寸普通清水混凝土Omm8rn1323123145饰面清水混凝土Omm4mm/13预埋件、管、螺栓中心线位移普通清水混凝土3mm2112220121饰面清水混凝土2mm/门窗洞中心线位移普通清水混凝土8mm/饰面清水混凝土5xn/J度、宽度普通清水混凝土+6mm/饰面清水混凝土4mm/对角线普通清水混凝土8mm/饰面清水混凝土6mm/施工单位检查结果项目专业项目专业质量检查员:技术负责人:年月日监理(建设)单位验收结论专业监理工程师:(建设单位项目专业技术负贲人)年月日

展开阅读全文
相关资源
猜你喜欢
相关搜索

当前位置:首页 > 建筑/环境 > 建筑规范

copyright@ 2008-2023 1wenmi网站版权所有

经营许可证编号:宁ICP备2022001189号-1

本站为文档C2C交易模式,即用户上传的文档直接被用户下载,本站只是中间服务平台,本站所有文档下载所得的收益归上传人(含作者)所有。第壹文秘仅提供信息存储空间,仅对用户上传内容的表现方式做保护处理,对上载内容本身不做任何修改或编辑。若文档所含内容侵犯了您的版权或隐私,请立即通知第壹文秘网,我们立即给予删除!