送电施工安全设施标准名称表、输电线路施工常用安全数据.docx

上传人:p** 文档编号:196074 上传时间:2023-04-16 格式:DOCX 页数:7 大小:38.96KB
下载 相关 举报
送电施工安全设施标准名称表、输电线路施工常用安全数据.docx_第1页
第1页 / 共7页
送电施工安全设施标准名称表、输电线路施工常用安全数据.docx_第2页
第2页 / 共7页
送电施工安全设施标准名称表、输电线路施工常用安全数据.docx_第3页
第3页 / 共7页
送电施工安全设施标准名称表、输电线路施工常用安全数据.docx_第4页
第4页 / 共7页
送电施工安全设施标准名称表、输电线路施工常用安全数据.docx_第5页
第5页 / 共7页
送电施工安全设施标准名称表、输电线路施工常用安全数据.docx_第6页
第6页 / 共7页
送电施工安全设施标准名称表、输电线路施工常用安全数据.docx_第7页
第7页 / 共7页
亲,该文档总共7页,全部预览完了,如果喜欢就下载吧!
资源描述

《送电施工安全设施标准名称表、输电线路施工常用安全数据.docx》由会员分享,可在线阅读,更多相关《送电施工安全设施标准名称表、输电线路施工常用安全数据.docx(7页珍藏版)》请在第壹文秘上搜索。

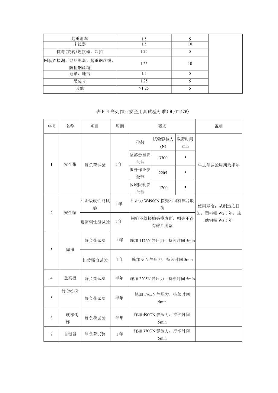
1、附录A(规范性附录)送电施工安全设施标准名称表A.1安全标志牌A.2安全围栏和临时提示遮栏A.3安全自锁器(含配套缆绳)A.4速差自控器A.5坠落悬挂式安全带A.6防静电服(屏蔽服)A.7工作接地线和保安接地线A.8水平绳A.9电源配电箱A.10下线爬梯A.11高处作业平台附录B(规范性附录)输电线路施工常用安全数据B.1钢制滑轮上工作的圆股钢丝绳中断丝根数的控制标准(GB/T5972-2016)外层绳股承载钢丝绳数n钢丝绳典型结构示例钢丝绳必须报废时与疲劳有关的可见断丝数交互捻同向捻长度范围6d30d6d30dn506X7241251n756X19362376n100一4824101n120

2、8X1951025121n14061136141n1608X2561336161n1806X36WS*71447181n20081648201n2206X41WS*91849221n2406X371019510注:多层绳股钢丝绳仅考虑可见的外层。注:统计绳中的可见断丝数,圆整至整数值。而外层绳股的钢丝直径大于标准直径的特定结构的钢丝绳,在表中做降低等级处理,并以*号表示。注:一根断丝有两个断头(按一根断丝计数)注:d为钢丝绳公称直径。B.2钢制滑轮上工作的抗扭钢丝绳中断丝根数的控制标准(GB/T5972-2016)(适用于外层为4股的方形钢丝绳)钢丝绳必须报废时与疲劳有关的可见断丝数长度范围6

3、d30d24注:一根断丝有两个断头(按一根断丝计数)。注:d为钢丝绳公称直径。表B.3主要起重工具试验标准名称额定荷载的倍率(破断拉力的倍率)持荷时间(rain)试验周期抱杆1.255每年一次绞磨、卷扬机21.255起重滑车1.55卡线器1.510抗弯(旋转)连接器、卸扣1.255网套连接渊、钢丝绳套、起重钢丝绳、防扭钢丝绳1.2510地锚、地钻1.55吊装带1.255其他1.255表B.4高处作业安全用具试验标准(DL/T1476)序号名称项目周期要求说明1安全带静负荷试验1年种类试验静拉力(N)载荷时间min牛皮带试验周期为半年坠落悬挂安全带33005围杆作业安全带22055区域限制安全带

4、120052安全帽冲击吸收性能试验1年冲击力W4900N,帽壳不得有碎片脱落使用寿命:从制造之日起,塑料帽W2.5年,玻璃钢帽W3.5年耐穿刺性能试验1年钢锥不得接触头模表面,帽壳不得有碎片脱落3脚扣静负荷试验1年施加1176N静压力,持续时间5min扣带强力试验1年施加90N静压力,持续时间5min4登高板静负荷试验半年施加2205N静压力,持续时间5min5竹(木)梯静负荷试验半年施加1765N静压力,持续时间5min6软梯钩梯静负荷试验半年施加490ON静压力,持续时间5min7自锁器静负荷试验1年施加330ON静压力,持续时间5min冲击试验1年将(100+1)kg荷载用Im长绳索连接

5、在防坠自锁器上,从与防坠自锁器水平位置释放,测试最大冲击力不超过6kN08缓冲器静负荷试验1年山检(1)悬垂状态下末端挂5kg重物,测量缓冲器端点间长度:(2)两端受力点之间加载2kN保持2min,卸载5min后检查缓冲器是否打开,并在悬垂状态下,末端挂5kg重物,测量缓冲器端点间长度:(3)计算两次测量结果差,即初始变形,精确至Imn1。标准来自于坠落防护缓冲器GB24538-20099速差自控器静负荷试验1年将15kN的力加载到速差自控器上,保持5min0标准来自于坠落防护速差自控器GB24544-2009冲击试验1年将(100+1)kg荷载用IIn长绳索连接在速差自控器上,从与速差自控器

6、水平位置释放,测试冲击力不大于6kN、坠落距离不大于2.Om70mm95mm、12Omm?的各种截面,平均每米的电阻值应分别小于079mQ、0.56m。、O.40mQ、O.28mO.21mQ、O.16m同一批次抽测,不少于2条,接线鼻与软导线压接的应做该试验接地操作杆工频耐压/直流耐压试验(整杆)5年额定电压(kV)试验长度(m)工频耐压/直流耐压(kV)试验电压加在护环与紧固头之间Imin3min1045359566175IlO一220一220440330380500580750780IOOO1150500565660745+8008953个人保安线成组直流电阻试验5年在各接线鼻之间测量直流

7、电阻,对于IOm-、16mm25mm各种截面,平均每米的电阻值应小于1.98mQ、1.24mQ、O.79m同一批次抽测,不少于两条工频耐压试验5年工频耐压2.5kV,持续时间Imin4绝缘杆工频耐压/直流耐压试验1年额定电压(kV)试验长度(m)工频耐压/直流耐压(kV)数据为海拔IOoOm及以下的试验长度和电压Imin3min100.745350.995661.0175IlO1.3220一2202.14403303.23805004.15807504.7一780IOOO6.31150序号器具项目周期要求说明5003.25656604.8一745+8006.689511009.113505绝缘

8、胶垫工频耐压试验1年电压等级(kV)工频耐压(kV)持续时间min使用于带电设备区域高压151低压3.516绝缘靴工频耐压及泄露电流试验半年工频耐压(kV)持续时间min泄漏电流mA151W67绝缘手套工频耐压试验半年电压等级(kV)工频耐压(kV)持续时间(min)泄漏电流(mA)高压819低压2.512.58导电鞋直流电阻试验穿用不超过200h电阻值不大于100k符合足部防护安全鞋GB21148的要求9绝缘夹钳工频耐压试验1年额定电压(kV)试验长度(m)工频耐压(kV)持续时问(min)100.7451350.995110绝缘绳频耐压试验半年105kV0.5m,持续时间Imin表B.6交流和直流试验安全距离(DL/T5009.3)试验电压kV安全距离m试验电压kV安全距离m2001.510007.25003.0150013.27504.5注1:试验电压200kV以下的安全距离要求不小于1.5mo注2:试验电压交流为有效值,直流为最大值。注3:适用于海拔高度不高于IOOOm地区,对于海拔高于IooOm,按GB31L1中海拔校正规定进行修正。

展开阅读全文
相关资源
猜你喜欢
相关搜索

当前位置:首页 > 建筑/环境 > 施工组织

copyright@ 2008-2023 1wenmi网站版权所有

经营许可证编号:宁ICP备2022001189号-1

本站为文档C2C交易模式,即用户上传的文档直接被用户下载,本站只是中间服务平台,本站所有文档下载所得的收益归上传人(含作者)所有。第壹文秘仅提供信息存储空间,仅对用户上传内容的表现方式做保护处理,对上载内容本身不做任何修改或编辑。若文档所含内容侵犯了您的版权或隐私,请立即通知第壹文秘网,我们立即给予删除!