1、工法项目评审申报表.docx

上传人:p** 文档编号:196825 上传时间:2023-04-16 格式:DOCX 页数:7 大小:20.71KB
下载 相关 举报
1、工法项目评审申报表.docx_第1页
第1页 / 共7页
1、工法项目评审申报表.docx_第2页
第2页 / 共7页
1、工法项目评审申报表.docx_第3页
第3页 / 共7页
1、工法项目评审申报表.docx_第4页
第4页 / 共7页
1、工法项目评审申报表.docx_第5页
第5页 / 共7页
1、工法项目评审申报表.docx_第6页
第6页 / 共7页
1、工法项目评审申报表.docx_第7页
第7页 / 共7页
亲,该文档总共7页,全部预览完了,如果喜欢就下载吧!
资源描述

《1、工法项目评审申报表.docx》由会员分享,可在线阅读,更多相关《1、工法项目评审申报表.docx(7页珍藏版)》请在第壹文秘上搜索。

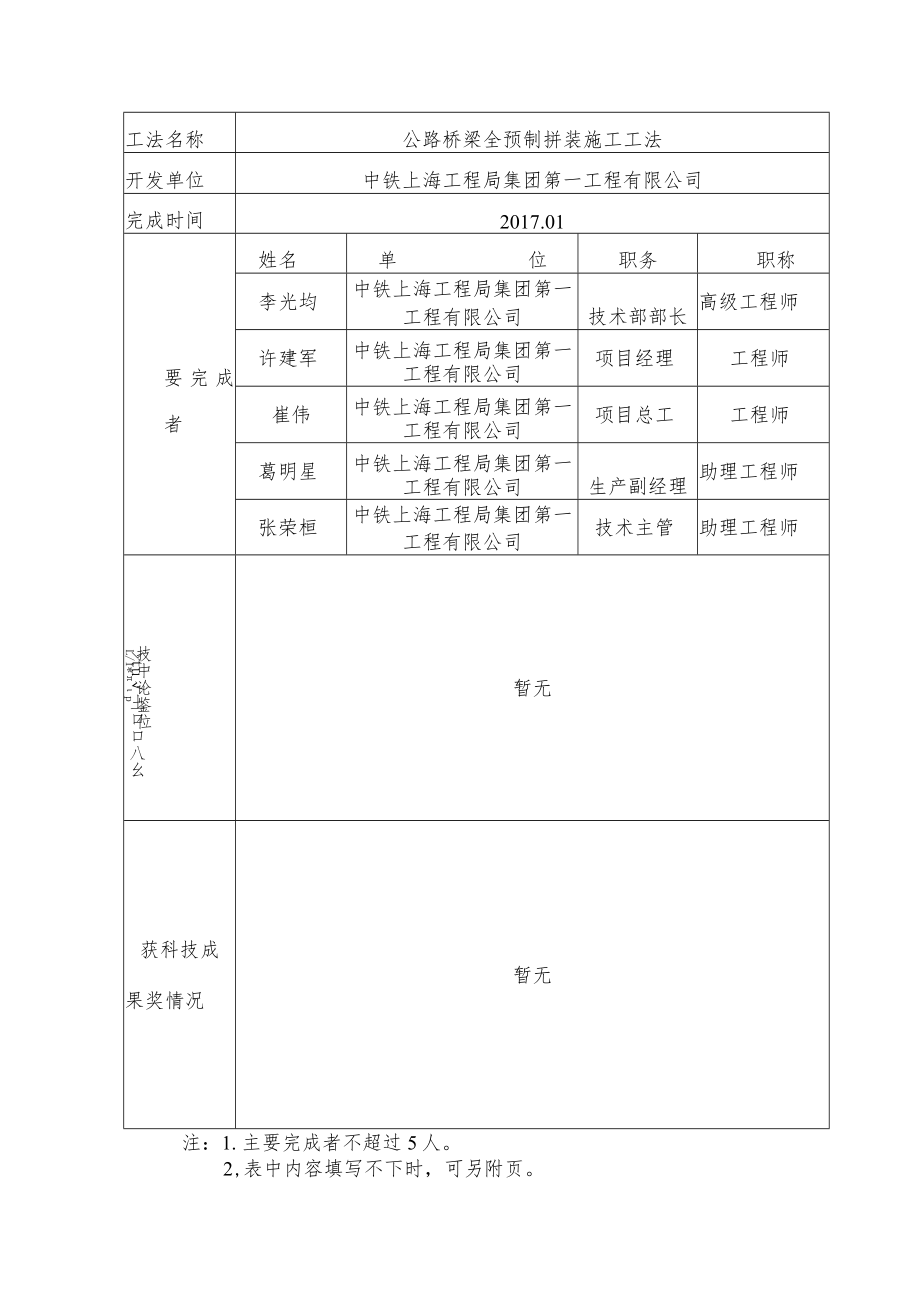
1、中铁上海技术2014224号附件6合同编号ZTSHGF-2016-21工法项目评审申报表工法名称:公路桥梁全预制拼装施工工法承担单位:中铁上海工程局集团第一工程有限公司技术负责人:崔隹提交申请时间:20交.9.3中铁上海工程局集团有限公司制工法名称公路桥梁全预制拼装施工工法开发单位中铁上海工程局集团第一工程有限公司完成时间2017.01要完成者姓名单位职务职称李光均中铁上海工程局集团第一工程有限公司技术部部长高级工程师许建军中铁上海工程局集团第一工程有限公司项目经理工程师崔伟中铁上海工程局集团第一工程有限公司项目总工工程师葛明星中铁上海工程局集团第一工程有限公司生产副经理助理工程师张荣桓中铁上

2、海工程局集团第一工程有限公司技术主管助理工程师技中论鉴位tu土口口八幺L/I*p暂无获科技成果奖情况暂无注:1.主要完成者不超过5人。2,表中内容填写不下时,可另附页。工法内容简介:随着社会经济的发展,技术工艺也不断的创新改进,上海S3公路工程采用公路桥梁模块化施工Q桥梁下部结构、小箱梁以及边梁防撞墙施工均采用预制拼装施工,即桥墩立柱、盖梁、小箱梁以及边梁防撞墙采用工厂制作,现场拼装施工,立柱与承台、立柱与盖梁的拼接均采用灌浆套管连接,小箱梁、边梁防撞墙运输至现场进行架设。公路桥梁模块化施工技术具有现场的施工时间缩短,交通管理费降低,利于控制环境污染,事故发生风险较少,建设费用降低,劳动力减少

3、加快施工进度,减少现场污染,施工质量易保证等优点,公路桥梁模块化施工将成为未来的公路桥梁施工中发展的趋势。通过本工程施工实践证明:公路桥梁模块化施工具有明显的节能减排、缩短工期、提高工程进度、降低风险、减少人工、提高工效等优点,得到了业主单位的高度认可。本工程工艺技术先进,工艺新颖,在我局尚属首次施工。中铁上海工程局集团第一工程有限公司通过科研攻关、施工总结成功经验并整理形成本工法。本工法具有以点:1、公路桥梁模块化节段构件预制施工:根据运输及吊装的实际情况,合理进行节段的分块,然后采用工厂化、模块化、标准化预制。2、公路桥梁模块化节段构件安装施工;吊装设备的选型、吊装工艺的设计、各构件连接措

4、施,达到技术可行、经济合理的目标。3、防撞墙与小箱梁一体化预制安装施工:防撞墙与小箱梁一体化预制安装。关键技术及保密点(有专利权的,注明专利号):核心技术:1 .根据运输及吊装的实际情况,合理进行节段的分块,然后采用工厂化、模块化、标准化预制施工技术。2 .根据吊装设备的选型、吊装工艺的设计、各构件连接措施,进行公路桥梁模块化节段构件安装施工技术。3 .借鉴前期研究成果,论证一体化施工,进一步总结经验,进行防撞墙与小箱梁一体化预制安装技术。保密点:1 .公路桥梁模块化节段构件预制施工技术。2 .公路桥梁模块化节段构件安装施工技术。3 .防撞墙与小箱梁一体化预制安装技术。技术水平和技术难度(与国

5、内外同类技术水平比较):公路桥梁全预制拼装施工提高结构的质量、降低材料消耗和降低建设成本,提高工程进度,缩短工期。公路桥梁全预制拼装施工使用预制技术的标准化是其发展的主要特征之一,混凝土预制技术亦被广泛的应用在公路桥梁施工中。公路桥梁全预制拼装施工技术所带来的经济、技术效益也是明显的。全面提升隐蔽工程的质量、加快建设速度,缩短对城市地面交通的影响,以期取得综合性的社会经济效益。工法成熟、可靠性说明(应用工程少于三项时填写)上海S3公路先期实施段新建工程S3X-1标工法应用情况及应用前景:工法应用:公路桥梁全预制拼装施工全面提升隐蔽工程的质量、加快建设速度,缩短对城市地面交通的影响,以期取得综合

6、性的社会经济效益。应用前景:公路桥梁全预制拼装施工具有现场的施工时间缩短,交通管理费降低,利于控制环境污染,事故发生风险较少,建设费用降低,劳动力减少加快施工进度,减少现场污染,施工质量易保证等优点。经济效益和社会效益(经济效益和社会效益)公路桥梁全预制拼装施工具有现场的施工时间缩短,交通管理费降低,利于控制环境污染,事故发生风险较少,建设费用降低,劳动力减少加快施工进度,减少现场污染,施工质量易保证,为今后国内公路桥梁施工提供了可靠的决策依据和借鉴价值。得到了建设单位、监理单位一致好评。社会效益显著,在公路、桥梁、市政等领域的推广应用,具有很大的推动作用。公路桥梁全预制拼装施工跟以前的公路桥梁施工相比,将现浇立柱、现浇盖梁以及现浇防撞墙等大量高噪声、高污染、高风险的“湿作业”搬到工厂中进行,减少建筑垃圾80%,大大减少了现场浇捣施工对周边噪音、粉尘等影响,更将大部分的工作转移至工厂,大大减少作业人员现场高空作业风险,提高工程进度,有效节约人力物力的特点,在现今社会劳动力紧缺的环境下,减少劳动力,适当增加机械是适应现今社会的一大改革创新,具有与时俱进的意义。同时缩短施工工期、节约劳动力、节省劳动力费用、节约成本,为地方和企业带来经济效益。课题组验收意见:课题组组长签字:年月日课题承担单位意见:(公章)年月日

展开阅读全文
相关资源
猜你喜欢
相关搜索

当前位置:首页 > 建筑/环境 > 施工组织

copyright@ 2008-2023 1wenmi网站版权所有

经营许可证编号:宁ICP备2022001189号-1

本站为文档C2C交易模式,即用户上传的文档直接被用户下载,本站只是中间服务平台,本站所有文档下载所得的收益归上传人(含作者)所有。第壹文秘仅提供信息存储空间,仅对用户上传内容的表现方式做保护处理,对上载内容本身不做任何修改或编辑。若文档所含内容侵犯了您的版权或隐私,请立即通知第壹文秘网,我们立即给予删除!