DJ01-DJ05 砼压顶.docx

上传人:p** 文档编号:201524 上传时间:2023-04-16 格式:DOCX 页数:5 大小:29.49KB
下载 相关 举报
DJ01-DJ05 砼压顶.docx_第1页
第1页 / 共5页
DJ01-DJ05 砼压顶.docx_第2页
第2页 / 共5页
DJ01-DJ05 砼压顶.docx_第3页
第3页 / 共5页
DJ01-DJ05 砼压顶.docx_第4页
第4页 / 共5页
DJ01-DJ05 砼压顶.docx_第5页
第5页 / 共5页
亲,该文档总共5页,全部预览完了,如果喜欢就下载吧!
资源描述

《DJ01-DJ05 砼压顶.docx》由会员分享,可在线阅读,更多相关《DJ01-DJ05 砼压顶.docx(5页珍藏版)》请在第壹文秘上搜索。

1、混凝土压顶报验申请表工程名称:陕西省西咸新区秦汉新城秦宫二路(兰池大道-咸铜铁路)市政工程编号*7J致:陕西天一建设项口管理有限公司(监理单位)我单位己完成了DJ01-DJ05混凝土压顶工作,并按有关规范、验收标准进行了自检,质量等级合格。现报上该工程报验申请表,请予以审查和验收。附件:1、检验批质量验收记录2、隐蔽工程检查验收记录承包单位(章)陕西四通建设工程有限责公司项目经理资质证号0114133B期年月日审查意见:项目监理机构陕西天一建设项目管理有限公司总/专业监理工程师岗位证号日期年月口本表一式三份,建设、监理、承包单位各一份。陕西省建设厅监制陕西省建设监理协会承印检验批质量验收记录质

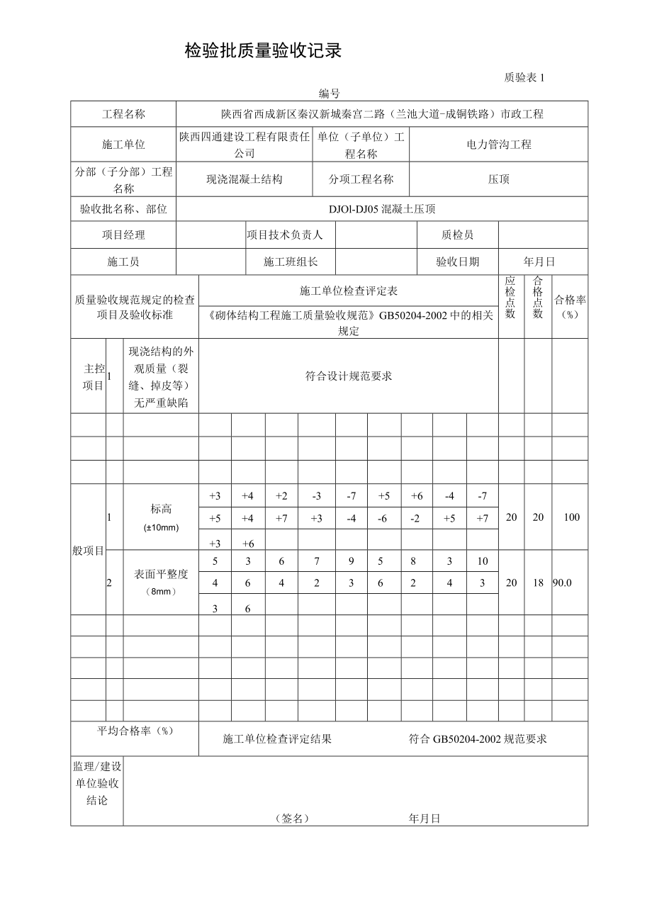
2、验表1编号工程名称陕西省西成新区秦汉新城秦宫二路(兰池大道-成铜铁路)市政工程施工单位陕西四通建设工程有限责任公司单位(子单位)工程名称电力管沟工程分部(子分部)工程名称现浇混凝土结构分项工程名称压顶验收批名称、部位DJOl-DJ05混凝土压顶项目经理项目技术负责人质检员施工员施工班组长验收日期年月日质量验收规范规定的检查项目及验收标准施工单位检查评定表应检点数合格点数合格率(%)砌体结构工程施工质量验收规范GB50204-2002中的相关规定主控项目1现浇结构的外观质量(裂缝、掉皮等)无严重缺陷符合设计规范要求般项目1标高(10mm)+3+4+2-3-7+5+6-4-72020100+5+4

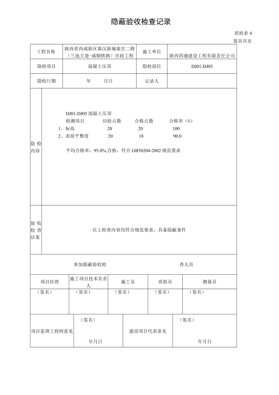
3、+7+3-4-6-2+5+7+3+62表面平整度(8mm)5367958310201890.046423624336平均合格率(%)施工单位检查评定结果符合GB50204-2002规范要求监理/建设单位验收结论(签名)年月日隐蔽验收检查记录质检表4第页共页工程名称陕西省西咸新区秦汉新城秦宫二路(兰池大道-咸铜铁路)市政工程施工单位陕西四通建设工程有限责任公司隐检项目混凝土压顶隐检部位DJ01-DJ05隐检日期年月日记录人隐检内容DJ01-DJ05混凝土压顶检测项目应检点数合格点数合格率(%)1、标高20201002、表面平整度201890.0平均合格率:95.0%,合格,符合GB50204-2

4、002规范要求验收检查结果以上检查内容均符合规范要求,具备隐蔽条件参加隐蔽验收检查人员项目经理施工项目技术负责人施工员质检员测量员(签名)(签名)(签名)(签名)(签名)项目监理工程师意见(签名)年月日建设项目代表意见(签名)年月日高程测量复核记录施记表4第页共页工程名称陕西省西咸新区秦汉新城秦宫二路(兰池大道-咸铜铁路)市政工程施工单位陕西四通建设工程有限责任公司复核部位DJ01-DJ05压顶复核日期年月H原施测人测量复核人点号实测高程(m)设计高程(m)高程偏差(mm)限差(mm)备注DJOl371.968371.965+310mmDJOl北IOm372.019372.015+4土10mm

5、DJOl北20m372.067372.065+210mmDJOI北30m372.112372.115-310mmDJOl北40m372.158372.165-710mmDJ02372.110372.105+510mmDJ02北IOm372.161372.155+610mmDJ02北20m372.201372.205-4+10mmDJ02北30m372.248372.255-710mmDJ02北40m372.310372.305+510mmDJ03372.289372.285+410mmDJ03北IOm372.342372.335+710mm略图复核结论监理工程师(签名)年月日施工项目技术负责人

6、:记录人:高程测量复核记录施记表4第页共页工程名称陕西省西咸新区秦汉新城秦宫二路(兰池大道-咸铜铁路)市政工程施工单位陕西四通建设工程有限责任公司复核部位DJ01-DJ05压顶复核日期年月H原施测人测量复核人点号实测高程(m)设计高程(m)高程偏差(mm)限差(mm)备注DJ03北20m372.388372.385+310mmDJ03北30m372.431372.435-4土10mmDJ03北40m372.479372.485-610mmDJ04372.523372.525-210mmDJ04北IOm372.706372.701+510mmDJ04北20m372.884372.877+710mmDJ04北30m373.056373.053+310mmDJ04北40m373.235373.229+6+10mm略图复核结论监理工程师(签名)年月日施工项目技术负责人:记录人:

展开阅读全文
相关资源
猜你喜欢
相关搜索

当前位置:首页 > 建筑/环境 > 桩基础

copyright@ 2008-2023 1wenmi网站版权所有

经营许可证编号:宁ICP备2022001189号-1

本站为文档C2C交易模式,即用户上传的文档直接被用户下载,本站只是中间服务平台,本站所有文档下载所得的收益归上传人(含作者)所有。第壹文秘仅提供信息存储空间,仅对用户上传内容的表现方式做保护处理,对上载内容本身不做任何修改或编辑。若文档所含内容侵犯了您的版权或隐私,请立即通知第壹文秘网,我们立即给予删除!