LS风险矩阵评价准则.docx

上传人:p** 文档编号:204727 上传时间:2023-04-16 格式:DOCX 页数:3 大小:19.54KB
下载 相关 举报
LS风险矩阵评价准则.docx_第1页
第1页 / 共3页
LS风险矩阵评价准则.docx_第2页
第2页 / 共3页
LS风险矩阵评价准则.docx_第3页
第3页 / 共3页
亲,该文档总共3页,全部预览完了,如果喜欢就下载吧!
资源描述

《LS风险矩阵评价准则.docx》由会员分享,可在线阅读,更多相关《LS风险矩阵评价准则.docx(3页珍藏版)》请在第壹文秘上搜索。

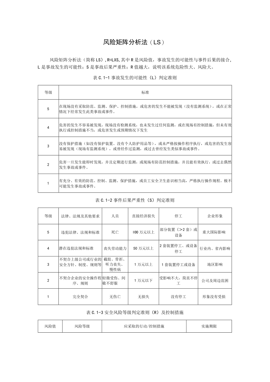
1、风险评价准风险矩阵分析法(LS)风险矩阵分析法(简称LS),R=LXS,其中R是风险值,事故发生的可能性与事件后果的接合,L是事故发生的可能性;S是事故后果严重性;R值越大,说明该系统危险性大、风险大。表C.1-1事故发生的可能性(L)判定准则等级标准5在现场没有采取防范、监测、保护、控制措施,或危害的发生不能被发现(没有监测系统),或在正常情况下经常发生此类事故或事件。4危害的发生不容易被发现,现场没有检测系统,也未发生过任何监测,或在现场有控制措施,但未有效执行或控制措施不当,或危害发生或预期情况下发生3没有保护措施(如没有保护装置、没有个人防护用品等),或未严格按操作程序执行,或危害的发

2、生容易被发现(现场有监测系统),或曾经作过监测,或过去曾经发生类似事故或事件。2危害一旦发生能即时发现,并且定期进行监测,或现场有防范控制措施,并且能有效执行,或过去偶然发生事故或事件。1有充分、有效的防范、控制、监测、保护措施,或员工安全卫生意识相当高,严格执行操作规程。极不可能发生事故或事件。表C.1-2事件后果严重性(S)判定准则等级法律、法规及其他要求人员直接经济损失停工企业形象5违犯法律、法规和标准死亡IOO万元以上部分装置(2套)或设备重大国际影响4潜在违犯法规和标准丧失劳动能力50万元以上2套装置停工、或设备停工行业内、省内影响3不契合上级公司或行业的安全方针、制度、规则等截肢、

3、骨折、听力丧失、慢性病1万元以上1套装置停工或设备地区影响2不契合企业的安全操作程序、规则轻微受伤、间歇不舒服1万元以下受影响不大,简直不停工公司及周边范困1完全契合无伤亡无损失没有停工形象没有受损表C.1-3安全风险等级判定准则(R)及控制措施风险值风险等级应采取的行动/控制措施实施期限15-16A/1级极其危险在采取措施降低危害前,不能继续作业,关于改进措施进行评估立刻B/2级高度危险采取紧急措施降低风险,建立运行控制程序,定期检查、测量及评估立即或近期整改9-12C/3级显著危险可考虑建立目标、建立操作规程,加强培训及勾通2年内治理4-8/4级轻度危险可考虑建立操作规程、作业指导书但需定期检查有条件、有经费时治理1-3E/5级稍有危险无需采用控制措施需保存记录表C.1-4风险矩阵表轻度危险显著危险高度危险轻度危险轻度危险显著危险高度危险mI轻度危险轻度危险显著危险显著危险高度危险稍有危险轻度危险轻度危险轻度危险显著危险稍有危险梢有危险轻度危险轻度危险轻度危险12345

展开阅读全文
相关资源
猜你喜欢
相关搜索

当前位置:首页 > 管理/人力资源 > 绩效管理

copyright@ 2008-2023 1wenmi网站版权所有

经营许可证编号:宁ICP备2022001189号-1

本站为文档C2C交易模式,即用户上传的文档直接被用户下载,本站只是中间服务平台,本站所有文档下载所得的收益归上传人(含作者)所有。第壹文秘仅提供信息存储空间,仅对用户上传内容的表现方式做保护处理,对上载内容本身不做任何修改或编辑。若文档所含内容侵犯了您的版权或隐私,请立即通知第壹文秘网,我们立即给予删除!