仪器设备采购合同模板.docx

上传人:p** 文档编号:205915 上传时间:2023-04-16 格式:DOCX 页数:5 大小:21.04KB
下载 相关 举报
仪器设备采购合同模板.docx_第1页
第1页 / 共5页
仪器设备采购合同模板.docx_第2页
第2页 / 共5页
仪器设备采购合同模板.docx_第3页
第3页 / 共5页
仪器设备采购合同模板.docx_第4页
第4页 / 共5页
仪器设备采购合同模板.docx_第5页
第5页 / 共5页
亲,该文档总共5页,全部预览完了,如果喜欢就下载吧!
资源描述

《仪器设备采购合同模板.docx》由会员分享,可在线阅读,更多相关《仪器设备采购合同模板.docx(5页珍藏版)》请在第壹文秘上搜索。

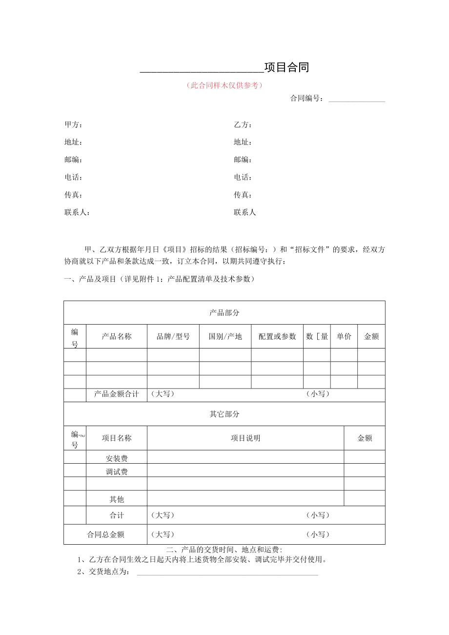
1、项目合同(此合同样木仅供参考)合同编号:甲方:乙方:地址:地址:邮编:邮编:电话:电话:传真:传真:联系人:联系人甲、乙双方根据年月日项目招标的结果(招标编号:)和“招标文件”的要求,经双方协商就以下产品和条款达成一致,订立本合同,以期共同遵守执行:一、产品及项目(详见附件1:产品配置清单及技术参数)产品部分编号产品名称品牌/型号国别/产地配置或参数数量单价金额产品金额合计(大写)(小写)其它部分编7irJ号项目名称项目说明金额安装费调试费其他合计(大写)(小写)合同总金额(大写)(小写)二、产品的交货时间、地点和运费:1、乙方在合同生效之日起天内将上述货物全部安装、调试完毕并交付使用。2、交

2、货地点为:3、交货验收前的一切费用(包括包装、运输、保险、入关事宜、安装调试等)、风险(包括损坏、灭失等)均由乙方承担。三、付款方式1、本合同以人民币进行结算,价格为某某工地价。2、经双方协商,采取以下种付款方式:a、上述货物到货并经甲方清点无误后十个工作日内,甲方须以转帐方式向乙方支付合同总金额的到预付款,共计:人民币(大写);上述货物经安装调试正常,完全达到合同要求,并经甲方验收合格后十个工作日内,甲方须以转帐方式向乙方支付剩余的货款,共计:人民币元整.(大写)。b、在本合同生效后十个工作日内,乙方须向甲方提交合同总金额%(共计:人民币元整(大写)的不可撤销的银行保函,作为本合同的履约保证

3、金,有效期为个月。甲方收到乙方符合要求的银行保函后十个工作日内,须以转帐方式向乙方支付合同总金额的货款,共计:人民币元整(大写)。上述货物经安装调试正常,完全达到合同要求,并经甲方验收合格后十个工作日内,甲方须退还乙方该银行保函的原件用以解冻银行资金。3、乙方帐户如下:公司名称:开户银行:帐户:四、产品质量要求:乙方提供的产品必须是满足合同配置的全新产品。国产产品必须符合国家有关质量标准;进口产品必须符合产品的原厂标准及有关的国际标准。五、产品验收:1、乙方完成全部项目的安装调试并通过自验和试运行测试后,由甲方组织项目的验收。2、乙方完成产品交付,在自验、试运行正常后,书面通知甲方;甲方在接到

4、书面通知后,经一个月试运行无异常,应在乙方出具的验收或安装调试报告上签字确认。3、验收时甲乙双方应于现场依据本合同规定的验收依据共同对商品的数量、型号规格、技术性能指标进行验证。六、验收的特殊要求1、特殊标准:(需与用户协商确定,如无特殊要求可填“无”)2、计量要求:(需与用户协商确定,如无特殊要求可填“无”)七、验收依据验收依照如下的文件、标准和要求进行。1、合同中规定的产品名称、型号规格、产地、数量等款项和相关的配置情况文件(附件1),以及相关的产品质量、技术性能要求文件。2、生产厂的出厂标准;3、本合同规定的验收的特殊要求。八、保修和服务保障(详见附件2:售后服务及培训承诺)1、乙方应保

5、证所供产品是全新、未使用的原厂商产品,并对其提供的产品的质量问题负责包修,质保期为上月,从甲方对验收或安装调试报告签字确认之日的次日起开始计算。质保期期间产生的费用由供方负担。2、乙方对其所供产品应能提供质保期外的原厂商技术服务支持,负责维护维修。3、乙方对其所供产品负责安装调试并保证能正常运行使用,应对需方的使用人员进行相应的培训。4、乙方所供产品必须具有合法手续及相关的文件。如涉及知识产权,则必须是自己拥有或合法使用。5、乙方须随产品向需方提供产品的使用说明书和相关的资料。如所供说明书和资料是外文的,供方应为需方提供中文版或译成中文文件。九、违约责任1、货到并试运行一个月后,甲方应及时对产

6、品开展验收,如因特殊原因不能及时验收应向乙方说明情况,与乙方友好协商适当顺延。2、甲方应按期如数支付货款,如因特殊原因不能按期支付应与乙方友好协商延期支付,但须得到乙方的同意。甲方无正当理由拖欠产品款,乙方有权终止合同,随时收回全部产品并向甲方索赔3、乙方所交产品的品种、型号规格、产地、质量、性能指标、配置与本合同及所附附件不符或安装调试不合格的,甲方有权拒收或拒绝在验收/安装调试报告上签字。乙方应承担全部责任并对存在的问题给予及时的圆满的解决,原则上须在贰个月内给予解决,如遇特殊原因不能如期解决的应及时与甲方友好协商并须得到甲方的认同。4、乙方对所供产品存在的问题不能如期解决,应给予换货或退

7、货。因此给甲方造成损失的应给予补偿。5、乙方过期或不能交付(过期达60天即视为不能交付)本合同所订产品的,乙方须向甲方偿付违约金。违约金的计算为,过期:每过一天乙方偿付甲方该项合同价款的0.5%,但累计偿付金额按惯例不超过本合同总金额的5%;经双方协商不能交付的,供货方除偿付过期违约金外,还要按合同法相关条例解决。6、乙方应保证所供产品的质量和正常使用。乙方应对所供产品的安装、使用所需的条件和环境要求等事项须事前向甲方说明。因未说明而造成本合同的产品不能安装调试、正常使用,乙方应承担责任并给予解决,所产生的费用由乙方承担。乙方须保证该设备配套的完整,货到既能正常安装调试使用,如发生因缺少附备件

8、或因配套不完整而造成甲方不能正常使用,乙方须负全部责任,应完全给予解决,由此产生的一切费用供方承担。十、争议的解决1、出现问题发生争议时,甲乙双方友好协商解决。2、甲乙双方不能协商解决时,由某某市仲裁机构协调解决,协调解决未果,依法解决。十一、未尽事宜1、本合同未尽事宜,以乙方投标文件为准,其它事项双方协商补充。2、本合同未作明确约定,而又有相关法律、法规规定的,从其规定。十二、其他1、本合同(包括附件)双方签字盖章后生效。本合同一式肆份,甲方叁份,乙方壹份。2、本合同以下所列附件为本合同不可分割的一部分,具有与本合同同等的法律效力,正式签署时须加盖骑缝章方为有效。附件1:产品配置清单及技术参

9、数附件2:售后服务及培训承诺附件3:甲方:(公章)乙方:(公章)法定或委托代理人签字:法定或委托代理人签字:签署时间:年月日签署时间:年月日签合同的注意事项如下:一、在签订合同以前,经营者必须认真审查对方的真实身份和履约能力。二、审查合同公章与签字人的身份,确保合同是有效的。如果对方公章为法人的分支机构公章或内设机构,应要求其提供所属法人机构的授权书。对方在合同上签公章,并不能保证合同是有效的,还必须保证合同的签字人是对方的法定代表人或经法人授权的经办人。三、签订合同时应当严格审查合同的各项条款,有条件的不妨向专业人员咨询。根据合同诈骗的特点,为了防止对方利用合同条款来弄虚作假,应该严格审查合同各项条款以便使合同权利义务关系规范、明确,便于履行。四、约定违约条款。五、约定争议管辖权条款。六、明确合同签订地。七、约定担保条款(视具体情况而定)。

展开阅读全文
相关资源
猜你喜欢
相关搜索

当前位置:首页 > 管理/人力资源 > 劳动合同

copyright@ 2008-2023 1wenmi网站版权所有

经营许可证编号:宁ICP备2022001189号-1

本站为文档C2C交易模式,即用户上传的文档直接被用户下载,本站只是中间服务平台,本站所有文档下载所得的收益归上传人(含作者)所有。第壹文秘仅提供信息存储空间,仅对用户上传内容的表现方式做保护处理,对上载内容本身不做任何修改或编辑。若文档所含内容侵犯了您的版权或隐私,请立即通知第壹文秘网,我们立即给予删除!