LW6A-110型高压开关检修规程.docx

上传人:p** 文档编号:206221 上传时间:2023-04-16 格式:DOCX 页数:3 大小:23.19KB
下载 相关 举报
LW6A-110型高压开关检修规程.docx_第1页
第1页 / 共3页
LW6A-110型高压开关检修规程.docx_第2页
第2页 / 共3页
LW6A-110型高压开关检修规程.docx_第3页
第3页 / 共3页
亲,该文档总共3页,全部预览完了,如果喜欢就下载吧!
资源描述

《LW6A-110型高压开关检修规程.docx》由会员分享,可在线阅读,更多相关《LW6A-110型高压开关检修规程.docx(3页珍藏版)》请在第壹文秘上搜索。

1、LW6A-110型高压开关检修规程1.1设备规范和主要技术数据1.1.1开关的基本技术数据型号LW6A-110IW额定电压(千伏)IlO最大工作电压(千伏)126额定电流(安)3150额定短路开断电流(KA)40/50额定短路关合电流(KA)100/125额定失步开断电流(KA)10/12.5额定短路持续时间3sIinin工频耐受电压(有效值KV)250SF6气体零表压时工频耐压(5min)KV146额定操作顺序0-0.3S-C0-180S-C0开断时间(ms)60断路器操作方式三极联动断路器机械寿命(次)3000液压机构额定油压(MPA)32.6SF6气体台用量(kg)12/15*为SF6气

2、体额定压力O.4MPA0.6MPA时的值。机构各部重量(Kg)断路器总重量2485每极重量465操作机构重量450合闸时操作负荷Fe(N)*24000分闸时操作负荷Fd(N)*48000*每个支腿特性项目技术要求特性项目技术要求工作缸行程150ImmSF6补气压力(报警压力)0.520.015MPA动触头超行程434mmSF6闭锁压力0.500.015MPA贮压器预充氮气压力(15C)18.0LOMPA合闸闭锁压力27.80.8MPA油泵起动压力31.6LOMPA合闸闭锁解除压力229.8MPA油泵停止压力32.6+1.OMPA分闸闭锁压力25.80.7MPA安全阀开启压力34.5+2.OMP

3、A分闸闭锁解除压力227.8MPA安全阀关闭232.OMPA失压闭锁压力(15)20.OMPA液压系统分别处于分、合闸状态,在机构的额定油压下,历时12h的油下降1.0油压31.6时进行一次分-合分操作,油泵起动至油压升至32.6时的时间3min油压31.6MPA时分闸一次W2.5MPA液压系统在零表压下24h无渗漏油压27.8MPA时合闸一次1.8MPA分闸时间30ms油压31.6MP时分一合分一分6MP合闸时间90ms分闸同期性3ms分闸速度6+16-0.5ms合闸同期性5ms合闸速度40.6ms主回路电阻值35uSF6气体含水量150ppm1.1.2SF6开关的检查维护LW6系列SF6断

4、路器,在正常使用期间,维护量很少,由于现场条件限制,断路器本体和液压机构中的液压元件一般不能解体。断路器在现场按规定程序定期维护。1) 1.2.1每年的检查和维护2) 维护前的准备工作断路器退出运行并使之处理分闸位置,切除交直流电源,将液压机构油压释放到零;3) 断路器本体检查维护项目(1) 外观检查、清洗;(2) 检查并清洗各瓷套;(3) 检查各油管接头及动力单元有元漏油,必要时予以修理;(4)检查SF6气体压力并补充到额定值;SF6气体压力报警及闭锁值:额定气压(MPA.20C)报警闭锁0.40.320.Ol0.300.Ol0.60.520.0150.500.015(5)检查密度继电器的动

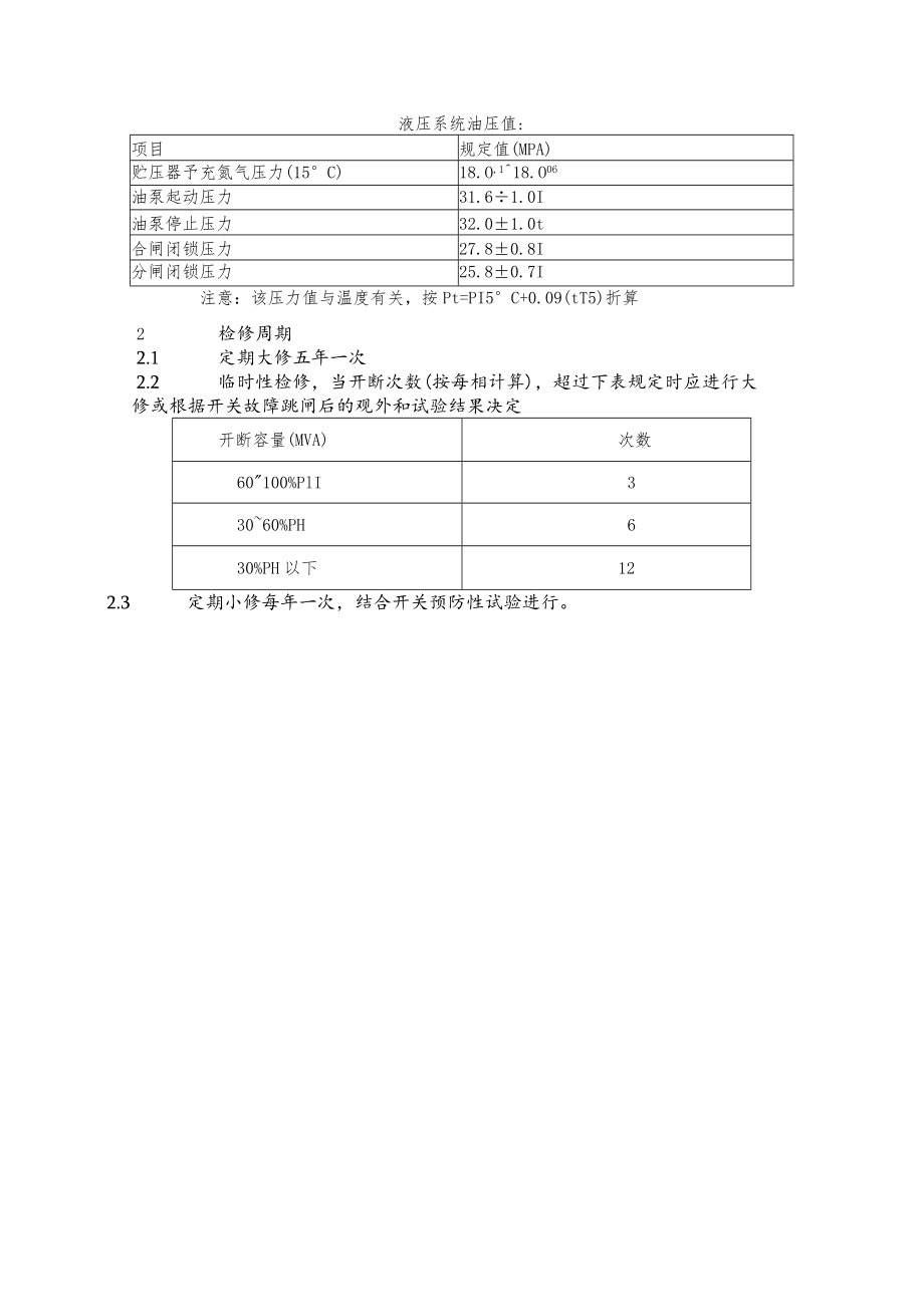
5、作压力值,可将密度继电器从支柱上拆下(支柱上的接头用端盖封好)对密度继电器充、放气,检查第一、第二报警压力时否正确,如发现问题,更换新密度继电器,换下的密度继电器送回制造厂修理。4) 操作机构检查项目(1) 检查机构的管路及元器件有无渗漏油;(2) 主油箱油位应符合规定,必要时补充足量液压油;(3) 检查、清理辅助开关接点;(4) 检查贮压器予压力;可用手力泵打压,开始油压上升迅速,当压力到某一值时,油压上升突然缓慢,此时的压力值即为予压力。液压系统油压值:项目规定值(MPA)贮压器予充氮气压力(15C)18.O,118.O06油泵起动压力31.61.0I油泵停止压力32.01.0t合闸闭锁压力27.80.8I分闸闭锁压力25.80.7I注意:该压力值与温度有关,按Pt=PI5C+0.09(tT5)折算2检修周期2.1 定期大修五年一次2.2 临时性检修,当开断次数(按每相计算),超过下表规定时应进行大修或根据开关故障跳闸后的观外和试验结果决定开断容量(MVA)次数60100%PlI33060%PH630%PH以下122.3定期小修每年一次,结合开关预防性试验进行。

展开阅读全文
相关资源
猜你喜欢
相关搜索

当前位置:首页 > 行业资料 > 社会学

copyright@ 2008-2023 1wenmi网站版权所有

经营许可证编号:宁ICP备2022001189号-1

本站为文档C2C交易模式,即用户上传的文档直接被用户下载,本站只是中间服务平台,本站所有文档下载所得的收益归上传人(含作者)所有。第壹文秘仅提供信息存储空间,仅对用户上传内容的表现方式做保护处理,对上载内容本身不做任何修改或编辑。若文档所含内容侵犯了您的版权或隐私,请立即通知第壹文秘网,我们立即给予删除!