临时道路照明施工图设计说明.docx

上传人:p** 文档编号:210014 上传时间:2023-04-16 格式:DOCX 页数:12 大小:23.40KB
下载 相关 举报
临时道路照明施工图设计说明.docx_第1页
第1页 / 共12页
临时道路照明施工图设计说明.docx_第2页
第2页 / 共12页
临时道路照明施工图设计说明.docx_第3页
第3页 / 共12页
临时道路照明施工图设计说明.docx_第4页
第4页 / 共12页
临时道路照明施工图设计说明.docx_第5页
第5页 / 共12页
临时道路照明施工图设计说明.docx_第6页
第6页 / 共12页
临时道路照明施工图设计说明.docx_第7页
第7页 / 共12页
临时道路照明施工图设计说明.docx_第8页
第8页 / 共12页
临时道路照明施工图设计说明.docx_第9页
第9页 / 共12页
临时道路照明施工图设计说明.docx_第10页
第10页 / 共12页
亲,该文档总共12页,到这儿已超出免费预览范围,如果喜欢就下载吧!
资源描述

《临时道路照明施工图设计说明.docx》由会员分享,可在线阅读,更多相关《临时道路照明施工图设计说明.docx(12页珍藏版)》请在第壹文秘上搜索。

1、临时道路照明施工图设计说明1 .工程概况1.1 变更原因宜宾新机场至中心城区快速通道东连接线工程作为宜宾新机场配套项 目已于2017年12月出具正式施工图。目前,宗场至观音岩特大桥段道路因 部分进入基本农田范围暂不具备实施条件,为保证新机场的正常运营,根据 宜宾市城市建设工作例会2018年第九次会议纪要(宜宾市城市建设统筹协 调领导小组办公室2018年12月12日)精神及甲方要求,对原施工图中机 场东连接线宗场至新桥水库桥段(原施工图桩号KI+860-K4+066.553)线 位进行调整以避让基本农田;新桥水库桥至观音岩特大桥 (K5+253.672K6+385段)段道路采用分期实施,近期采用

2、临时道路进行 过渡,远期待土地规划调整后再按原施工图实施机场东连接线永久性工程。剩余电流动作保护装置安装和运行道路照明用LED灯性能要求道路与街路照明灯具性能要求LED城市道路照明应用技术要求城市夜景照明设计规范电力工程电缆设计标准20KV及以下变电所设计规范交流电气装置的接地设计规范建筑机电工程抗震设计规范2.2施工及验收规范城市道路照明工程施工及验收规程GB13955-2017GBT24907-2010GBT24827-2015GB T31832-2015JGJ-T163-2008GB50217-2018GB5(X)53-2013GB50065-2011GB50981-2014CJJ89-

3、20I2电气装置安装工程接地装置施工及验收规范GB50I69-20161.2工程概况工程等级及规模名称等级设计速度 (km/h)长度 (m)路幅宽度 (m)车道数 (双向)桥梁(m)临时道路城市次干路40113219.5402.设计依据2.1设计规范电气装置安装工程低压电器施工及验收规范GB50254-2014电气装置安装工程电缆线路施工及验收标准GB50168-2018城市道路照明设计标准CJJ45-2015供配电系统设计规范GB50052-2009低压配电设计规范GB5(X)54-2011建筑物防雷设计规范GB50057-2010OkV以下配线工程施工与验收规范建筑物防雷工程施工与质量验收

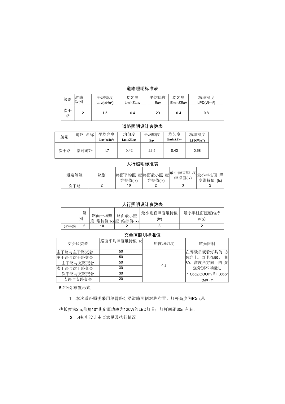
4、规范 施工现场临时用电安全技术规范2.3其它依据业主与我院签定的设计合同;业主提供的相关资料;道路及其它相关专业提供的设计资料:GB50575-2010GB506()l-2010JGJ46-2005道路照明标准表级别路别 道级平均亮度 Lav(cdm2)均匀度 LminZLav平均照度 Eav均匀度 EminZEav功率密度 LPD(Wm2)次干 路21.50.4200.40.8道路照明设计参数表级别道路 名称平均亮度 Lav(cdm2)均匀度 LminZLav平均照度Eav均匀度 EminZEav功率密度LPD(W?)次干路临时道路1.70.4222.50.430.68人行照明标准表道路等级

5、级别路面平均照 度 维持值(Ix)路面最小照 度 维持值(Ix)最小垂直照 度维持值(Ix)最小半柱面 照度维持值 (Ix)次干路210232人行照明设计参数表级 别路面平均照 度 维持值(Ix)路面最小照 度 维持值(Ix)最小垂直照度维持值 (Ix)最小半柱面照度维持 (t(l)次干路210232交会区照明标准值交会区类型路面平均照度维持值 Ix照度均匀度眩光限制主干路与主干路交会500.4在驾驶员观看灯具的 方位角上,灯具在90。 和80。高度角方向上的 光强分别不得超过1 OcdZlOOOlm 和 30cd I(MX)Im主干路与次干路交会50主干路与支路交会50次干路与次干路交会30

6、次干路与支路交会30支路与支路交会205.2路灯布置形式1 .本次道路照明采用单臂路灯沿道路两侧对称布置。灯杆高度为IOm,悬挑长度为2m,仰角10其光源功率为120W的LED灯具;灯杆间距30m左右,2 .4初步设计审查意见及执行情况本项目暂未进行初步设计,本施工图仅作为清单编制及施工图初审使用。3 .设计范围照明设计范围包括:供配电系统、照明系统及防雷接地系统。4 .供配电系统4.1 负荷等级及供电电压照明设备均为三级用电负荷,各照明回路采用AC380/220V供电,LED 单灯在开关电源后采用DC24V供电。4.2 供电电源及变压器选择本工程照明设备采用专用室外照明配电箱供电。考虑供电线

7、电压损失及供 电系统经济性,本工程在临时道路K0+160处设置两台室外照明配电箱,在 K0+230、K0+250处各设置一台室外照明配电箱。1号、2号配电箱进线电源分 别引自机场路主线6#箱变预留低压回路6D7、6D8, 3号、4号配电箱进线电源 引自机场路主线7#箱变预留低压回路7D7、7D8;本工程供电采用三相供电。 配电箱供电半径在500米左右,配电箱防护等级要求不低于IP65,并应通风 良好。配电箱安装位置详见照明平面图,具体参数详其配电系统图。本工程道路照明负荷等级为城市三级用电负荷。容量约为12kW.4.3 供电半径及电压降计算路灯专用变压器的供电半径在500米左右。要求正常运行情

8、况下,照明灯 具端电压应为额定电压的90%-105%o5 .照明设计标准5.1 主要设计标准和参数线电骚扰特性的限制和测量方法GB17743的要求,谐波电流限值应符合现 行国家标准电磁兼容限值谐波电流发射限值(设备每相输入电流W6A) GB 17625.1的要求,电磁兼容抗扰度应符合现行国家标准一般照明用电设备 电磁兼容抗扰度要求GB/T18595的要求。5)灯具电源应通过国家强制性产品认证。5.4 照明线缆及敷设1 .照明供电干线采用YJV-0.6lkV五芯铜芯交联聚乙烯绝缘聚氯乙烯护套 电缆,引至灯具的分支线采用BVV-0.450.75kV3X2.5绝缘铜芯电缆。为保证 平衡三相负荷,灯具

9、的接线顺序为:LI, L2, L3, LI, L2, L3的三相跳跃接 线顺序。灯具分支线与供电干线的接线方式采用穿刺线夹分线方式。本工程各 相线、零线按国家相关规范分别加以区分。2 .电缆芯线的连接采用压接,所有的连接接头必须在检查井内,电缆的接 头和终端头采用热缩护套,保护管内不得有电缆接头。3 .在每一接线井内的电缆应留有0.5米长的余量。4 .照明供电电缆与其它介质管线、道路、构筑物之间的水平交叉安全间 距,应符合GB50217相关规定。5 .机械敷设电缆时,铜芯电缆最大允许牵引强度不宜大于70Nmm2o5.5 排管规格及敷设深度1 .本工程范围内的路灯线全部埋地敷设,每回路各穿一根管

10、。具体作法详 国标图集12D101-5中P38P59。照明管线在人行道下埋深不小于0. 5m,在 车行道下埋深不小于0. 7m;路灯管线管孔数量为2孔,路灯使用1孔,预留1 孔;采用PE76聚氯乙烯双壁波纹管埋地敷设。过街处采用DN 100x5玻璃钢 灯具采用半截光型,路灯设置在距离路缘石边缘0.5m的路肩侧。曲线路段通 过缩短灯杆或增加灯具以实现增强照度;详见照明平面图。2 .道路照明灯具防护等级要求不低于1P65, LED路灯灯具效率要求不低 于 90%。3 .道路照明灯杆采用喷塑热浸锌圆锥型钢管,壁厚不小于4mm。灯杆下 部设接线孔。每个灯具功率为120W的灯杆分支出线加装一个4A熔丝。

11、5.3灯杆、灯具、光源、电器主要参数要求1 .光源:光源采用LED,要求显示指数大于等于65,色温33OOK;色品容差不大于7SDCM,在寿命周期内光源的色品坐标与初始值的偏 差不应超过0.012。在标称工作状态下,灯具连续燃点3000小时的光源光通量维持率不应 小于96%,灯具连续燃点6000小时的光源光通量维持率不应小于92%o2 .灯具:1)灯具效能951mW,配套相应高导热系数的散热主题等附件,灯具采用 分体式。2)灯具防护等级不应低于IP65,光源腔的防护等级不应低于IP54,道路 照明灯具维护系数0.7,灯具电气腔的防护等级不应低于IP43t.3)灯具的电源模组应符合现行国家标准灯

12、的控制装置第14部分:LED 模块用直流或交流电子控制装置的特殊要求GB19510.14的要求,且可现场 替换,替换后防护等级不应降低。4)灯具的无线电骚扰特性应符合现行国家标准电气照明和类似设备的无2.对安装高度在15m以上或其他安装在高耸构筑物上的照明装置,应按现行国家标准建筑物防雷设计规范GB5OO57的规定配置避雷装置。7.2 接地型式的选择与要求1 .路灯的配电采用TN-S接地系统。2 .本工程设置专用PE线,为满足熔断渊灵敏度校验,PE线采用与相、零 线同截面的铜芯线,且同管敷设。另外,为防止故障电压沿专用PE线串接, 设重复接地;在人行道下沿灯杆全线通长敷设一根40x4热镀锌接地

13、扁钢为灯 具、灯杆作保护接地,防雷接地水平接地体。采用力12热镀锌圆钢将灯杆埋 地螺栓与热镀锌扁钢可靠焊接。接地扁钢在线路首端、末端、分支点处设重复 接地极,接地极采用L50X5热镀锌角钢,2.5m长,埋深不小于0.8m。接地 电阻要求不大于4欧。具体做法详见国标图集D501-1-4的P323。道路照明供 电干线采用穿管直埋方式,具体作法详见国标图集12DIOl-5的P42、P43。4. 电气装置的下列金属部分,均应与PE线可靠电气连接。(1)变压器、配电柜(箱、盘)等的金属底座或外壳和金属门。(2)室内外配电装置的金属构架及靠近带电部位的金属遮栏:(3)电力电缆的金属铠装、接线盒和保护管;(

14、4)钢灯杆、金属灯座、I类照明灯具的金属外壳;(5)其它因绝缘破坏可能使其带电的外露导体。7.3 接触电压的控制与保护1 .在每个照明出线回路设置断路器对回路故障予以隔离:在每个单灯回路 相线设置单相熔断器对单灯故障予以隔离。2 .为提高末端单相接地故障电流,满足熔断器灵敏度校验,相线与零线等保护管保护。2.电缆保护管中预留8蹴丝,便于穿线。照明管线在人行道下覆土不小于 0.5m在车行道下覆土不小于0.7m。5.6手孔井规格本工程在每处灯具旁均设置一个400400型(4孔及以下)或600600型 检查井,普通灯杆下采用4004()0型检查井,过街采用6(X)6(X)型检查井, 灯具的分支线与照明干线的接线方式采用线夹的分线方式。在电缆管过街处均 设置检查井,排水用UPVC50塑料管接入附近排水系统。6 .照明节能措施L道路照明光源采用光效高、寿命长、功耗低、超宽环境适应温度的LED 路灯:初始光效不低于951mW2 .本工程采用分体式道路照明用LED灯具,该灯具有可替换的LED部件 和模块光源。3 .路灯开闭控制采用时钟和光控相结合的方式,可自动也可手动进行控 制。应根据所在地区的地理位置和季节变化合理确定道路照明的开关灯时间, 可采用根据天空亮度变化进行修正的光控与时控相结合的控制方式。预

展开阅读全文
相关资源
猜你喜欢
相关搜索

当前位置:首页 > 建筑/环境 > 建筑图纸/图片/标牌

copyright@ 2008-2023 1wenmi网站版权所有

经营许可证编号:宁ICP备2022001189号-1

本站为文档C2C交易模式,即用户上传的文档直接被用户下载,本站只是中间服务平台,本站所有文档下载所得的收益归上传人(含作者)所有。第壹文秘仅提供信息存储空间,仅对用户上传内容的表现方式做保护处理,对上载内容本身不做任何修改或编辑。若文档所含内容侵犯了您的版权或隐私,请立即通知第壹文秘网,我们立即给予删除!