产区地面保洁作业风险控制指导书.docx

上传人:p** 文档编号:210397 上传时间:2023-04-16 格式:DOCX 页数:1 大小:6.76KB
下载 相关 举报
产区地面保洁作业风险控制指导书.docx_第1页
第1页 / 共1页
亲,该文档总共1页,全部预览完了,如果喜欢就下载吧!
资源描述

《产区地面保洁作业风险控制指导书.docx》由会员分享,可在线阅读,更多相关《产区地面保洁作业风险控制指导书.docx(1页珍藏版)》请在第壹文秘上搜索。

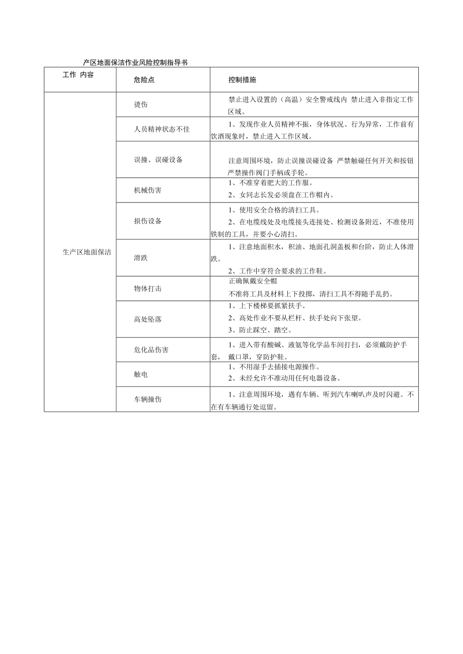
产区地面保洁作业风险控制指导书工作 内容危险点控制措施生产区地面保洁烫伤禁止进入设置的(高温)安全警戒线内 禁止进入非指定工作区域。人员精神状态不佳1、发现作业人员精神不振,身体状况、行为异常,工作前有 饮酒现象时,禁止进入工作区域。误撞、误碰设备注意周围环境,防止误撞误碰设备 严禁触碰任何开关和按钮 严禁操作阀门手柄或手轮。机械伤害1、不准穿着肥大的工作服。2、女同志长发必须盘在工作帽内。损伤设备1、使用安全合格的清扫工具。2、在电缆线处及电缆接头连接处、检测设备附近,不准使用 铁制的工具,并要小心清扫。滑跌1、注意地面积水,积油、地面孔洞盖板和台阶,防止人体滑 跌。2、工作中穿符合要求的工作鞋。物体打击正确佩戴安全帽不准将工具及材料上下投掷,清扫工具不得随手乱扔。高处坠落1、上下楼梯要抓紧扶手。2、高处作业不要从栏杆、扶手处向下张望。3、防止踩空、踏空。危化品伤害1、进入带有酸碱、液氨等化学品车间打扫,必须戴防护手套, 戴口罩,穿防护鞋。触电1、不用湿手去插接电源操作。2、未经允许不准动用任何电器设备。车辆撞伤1、注意周围环境,遇有车辆、听到汽车喇叭声及时闪避。不 在有车辆通行处逗留。

展开阅读全文
相关资源
猜你喜欢
相关搜索

当前位置:首页 > 行业资料 > 食品饮料

copyright@ 2008-2023 1wenmi网站版权所有

经营许可证编号:宁ICP备2022001189号-1

本站为文档C2C交易模式,即用户上传的文档直接被用户下载,本站只是中间服务平台,本站所有文档下载所得的收益归上传人(含作者)所有。第壹文秘仅提供信息存储空间,仅对用户上传内容的表现方式做保护处理,对上载内容本身不做任何修改或编辑。若文档所含内容侵犯了您的版权或隐私,请立即通知第壹文秘网,我们立即给予删除!