企业生产类工作分析示例11工作分析表(品质经理).docx

上传人:p** 文档编号:211389 上传时间:2023-04-16 格式:DOCX 页数:2 大小:8.08KB
下载 相关 举报
企业生产类工作分析示例11工作分析表(品质经理).docx_第1页
第1页 / 共2页
企业生产类工作分析示例11工作分析表(品质经理).docx_第2页
第2页 / 共2页
亲,该文档总共2页,全部预览完了,如果喜欢就下载吧!
资源描述

《企业生产类工作分析示例11工作分析表(品质经理).docx》由会员分享,可在线阅读,更多相关《企业生产类工作分析示例11工作分析表(品质经理).docx(2页珍藏版)》请在第壹文秘上搜索。

1、工作分析表(品质经理)表一:从事岗位名字品质经理有无兼职无我的上级岗位名字品质总监我的部门名字品质部下级的岗位品质主管岗位任职资格要求 年龄:28-45岁 性别:男性 学历:食品工程或生物工程专业本科以上学历毕业 经验要求:5年以上品控综合管理经验,其中3年以上 行业开发、管理经验; 知识要求:熟悉本行业生产流程工艺及产品开发流程; 熟悉产品标准、技术文档整理及管理;熟悉行业相关技 术标准;具备食品质量检测技术及生物、化学制剂知识 能力要求:具备优秀的领导能力、判断与决策能力、计 划与执行能力、沟通能力、行业调研能力,食品研发能 力;技术人才培养及建设能力 其它要求:能承受较大工作压力,良好的

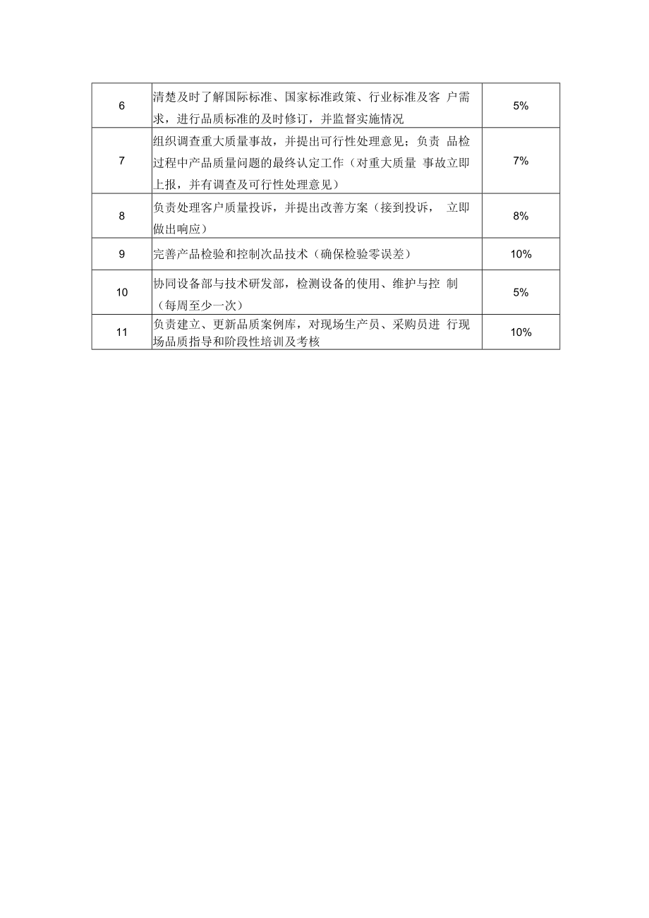
2、团队合作精神表二:重要性工作内容占用时间1根据品质中心战略,负责制定品质部年度规划,并分解 到月,指导与监督相关部门执行情况(品质目标实现率 98%以上)5%2负责制定与完善品质体系建设(包含标准、流程与管理 制度),并组织培训(每月不少于3小时)20%3预算与成本管控(制定月度预算计划表和月度费用分析 报告),成本控制在预算范围内5%5负责本部门团队建设,选拔、配备、评价下属人员,组 织部门培训(人员离职率5%以内,部门内部培训每月5 小时)10%4制定质量控制方案,监控产品全程质量,组织各环节检 验工作(入库检验、过程检验、成品检验、出库检验), 要求检验员做好检验记录(每月提交品检总结分析报告)15%6清楚及时了解国际标准、国家标准政策、行业标准及客 户需求,进行品质标准的及时修订,并监督实施情况5%7组织调查重大质量事故,并提出可行性处理意见;负责 品检过程中产品质量问题的最终认定工作(对重大质量 事故立即上报,并有调查及可行性处理意见)7%8负责处理客户质量投诉,并提出改善方案(接到投诉, 立即做出响应)8%9完善产品检验和控制次品技术(确保检验零误差)10%10协同设备部与技术研发部,检测设备的使用、维护与控 制(每周至少一次)5%11负责建立、更新品质案例库,对现场生产员、采购员进 行现场品质指导和阶段性培训及考核10%

展开阅读全文
相关资源
猜你喜欢
相关搜索

当前位置:首页 > 管理/人力资源 > 质量管理

copyright@ 2008-2023 1wenmi网站版权所有

经营许可证编号:宁ICP备2022001189号-1

本站为文档C2C交易模式,即用户上传的文档直接被用户下载,本站只是中间服务平台,本站所有文档下载所得的收益归上传人(含作者)所有。第壹文秘仅提供信息存储空间,仅对用户上传内容的表现方式做保护处理,对上载内容本身不做任何修改或编辑。若文档所含内容侵犯了您的版权或隐私,请立即通知第壹文秘网,我们立即给予删除!