制氧站安全隐患检查表.docx

上传人:p** 文档编号:216275 上传时间:2023-04-17 格式:DOCX 页数:1 大小:14.65KB
下载 相关 举报
制氧站安全隐患检查表.docx_第1页
第1页 / 共1页
亲,该文档总共1页,全部预览完了,如果喜欢就下载吧!
资源描述

《制氧站安全隐患检查表.docx》由会员分享,可在线阅读,更多相关《制氧站安全隐患检查表.docx(1页珍藏版)》请在第壹文秘上搜索。

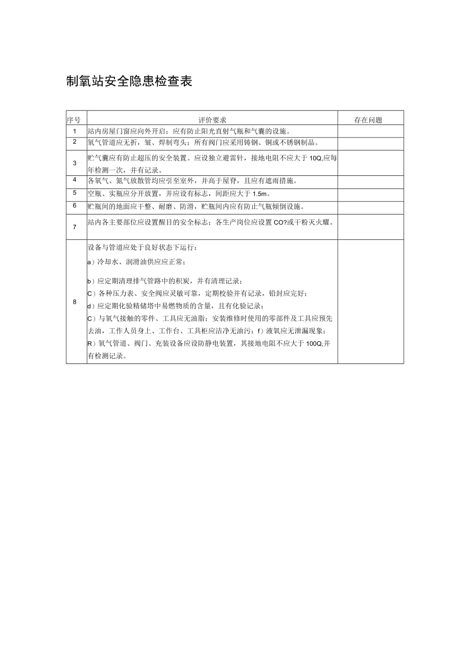
制氧站安全隐患检查表序号评价要求存在问题1站内房屋门窗应向外开启;应有防止阳光直射气瓶和气囊的设施。2氧气管道应无折,皱、焊制弯头;所有阀门应采用铸钢、铜或不锈钢制品。3贮气囊应有防止超压的安全装置。应设独立避雷针,接地电阻不应大于10Q,应每年检测一次,并有记录。4各氧气、氮气放散管均应引至室外,并高于屋脊,且应有遮雨措施。5空瓶、实瓶应分开放置,并应设有标志,间距应大于1.5m。6贮瓶间的地面应干整、耐磨、防滑,贮瓶间内应有防止气瓶倾倒设施。7站内各主要部位应设置醒目的安全标志;各生产岗位应设置CO?或干粉灭火耀。8设备与管道应处于良好状态下运行:a)冷却水、润滑油供应应正常;b)应定期清理排气管路中的积炭,井有清理记录;C)各种压力表、安全阀应灵敏可靠,定期校验并有记录,铅封应完好;d)应定期化验精储塔中易燃物质的含量,且有化验记录;C)与氧气接触的零件、工具应无油脂;安装维修时使用的零部件及工具应预先去油,工作人员身上、工作台、工具柜应洁净无油污;f)液氧应无泄漏现象;R)氧气管道、阀门、充装设备应设防静电装置,其接地电阻不应大于100Q,并有检测记录。

展开阅读全文
相关资源
猜你喜欢
相关搜索

当前位置:首页 > 建筑/环境 > 安全文明施工

copyright@ 2008-2023 1wenmi网站版权所有

经营许可证编号:宁ICP备2022001189号-1

本站为文档C2C交易模式,即用户上传的文档直接被用户下载,本站只是中间服务平台,本站所有文档下载所得的收益归上传人(含作者)所有。第壹文秘仅提供信息存储空间,仅对用户上传内容的表现方式做保护处理,对上载内容本身不做任何修改或编辑。若文档所含内容侵犯了您的版权或隐私,请立即通知第壹文秘网,我们立即给予删除!