化工企业导热油事故现场处置方案.docx

上传人:p** 文档编号:217061 上传时间:2023-04-17 格式:DOCX 页数:6 大小:21.51KB
下载 相关 举报
化工企业导热油事故现场处置方案.docx_第1页
第1页 / 共6页
化工企业导热油事故现场处置方案.docx_第2页
第2页 / 共6页
化工企业导热油事故现场处置方案.docx_第3页
第3页 / 共6页
化工企业导热油事故现场处置方案.docx_第4页
第4页 / 共6页
化工企业导热油事故现场处置方案.docx_第5页
第5页 / 共6页
化工企业导热油事故现场处置方案.docx_第6页
第6页 / 共6页
亲,该文档总共6页,全部预览完了,如果喜欢就下载吧!
资源描述

《化工企业导热油事故现场处置方案.docx》由会员分享,可在线阅读,更多相关《化工企业导热油事故现场处置方案.docx(6页珍藏版)》请在第壹文秘上搜索。

1、化工企业导热油事故现场处置方案1、事故风险分析Ll事故类型导热油泄漏会引发火灾和人体烧(烫)伤等事故。1.2事故发生的区域、地点或装置事故的危险区域主要是:导热油电加热器、导热油储槽、导热油膨胀槽及相关管道、阀门。L3导热油泄漏的危害程度导热油本身不易燃烧,但运行温度较高,如果发生泄漏会引燃周围易燃物,引发火灾事故;导热油渗漏到保温层,会发生氧化反应,不断积累热量,保温棉易发生自燃;导热油运行温度在260度左右,一旦发生泄漏,会对人员造成烫伤。L4事故前可能出现的征兆1)人员误操作,导致事故的发生率增加;2)管道保温层有烟冒出;3)导热油储槽液位逐渐减少;4)储槽、加热器、管道、阀门等发生泄漏

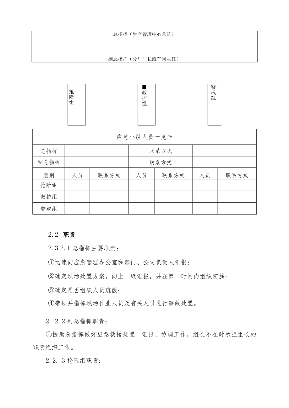
2、;5)空气中弥漫着导热油的特殊气味。L5事故可能引发的次生、衍生事故泄漏可造成火灾爆炸、人员中毒、环境污染等事故。2应急工作职责2.1 应急组织机构总指挥(生产管理中心总监)副总指挥(分厂厂长或车间主任)抢险组救护组警戒组应急小组人员一览表总指挥联系方式副总指挥联系方式组别人员联系方式人员联系方式人员联系方式抢险组救护组警戒组2.2 职责2.3 2.1总指挥主要职责:迅速向应急管理办公室和部门、公司负责人汇报;确定现场处置方案,向上一级汇报,并在第一时间内组织实施;确定是否组织人员疏散;带领并指挥现场作业人员及有关人员进行事故处置。2. 2.2副总指挥职责:协助总指挥做好应急救援处置、汇报、协

3、调工作,组长不在时承担组长的职责组织工作。2.2. 3抢险组职责:接警后迅速奔赴现场,开展抢险救援工作;迅速抢修设备、管道,防止事故扩大,控制和消除危险源。2.3. 4救护组职责:负责事故现场受伤、中毒人员的救护工作,根据受伤症状,及时采取相应措施进行急救,重伤员及时转院抢救;当厂区急救力量无法满足需要时,向其他医疗单位申请救援并迅速转移伤者。2.4. 5警戒组职责:设立禁区,加强警戒,封闭厂区路口,维持道路交通秩序,严禁外来人员入厂围观;负责公众疏散(包括厂内人员和厂外周边人员、车辆),引导消防人员或医护人员进入事故现场。3应急处置3.1现场应急处置程序1)任何人发现事故险情,首先大声呼救报

4、警,并尽量控制,尤其在第一时间内尽力排除险情。2)应急领导小组接警后,根据现场情况立即启动相应事故现场处置方案,采取有效措施,组织抢救,防止事故扩大,减少人员伤害和财产损失。3)同时上报公司应急指挥中心,应急救援指挥中心根据事态发展趋势,预测并启动相应级别的应急救援预案。4)应急救援指挥中心视情况联系上级主管部门和有关单位(火警119、救护120)进行救援、抢险和处理。5)各应急救援小组成员接到通知后,应立即赶赴事故现场,按照各自的职责开展应急救援工作。3.2现场应急处置措施3.2.1泄漏应急处置措施1)立即停止导热油循环泵,关闭导热油进出阀门;2)抢险人员在防护条件下,查找泄漏点并封堵;3)

5、导热油引发周围易燃物火灾,立即使用现场灭火器材进行灭火。4)收集泄漏的导热油,恢复现场秩序。3. 2.2烫伤处理措施1)使用大量冷水冲洗或对烫伤部位进行局部冰镇冷却,立即送医。3.3应急报警联络方式3. 3.1报警电话公司值班电话:医疗急救电话:120火警电话:1194. 3.2事故报告包括以下内容:1)事故发生单位、时间、地点;2)事故性质、简要经过以及事故现场处置情况;3)事故已造成的伤害人数和初步估计的直接经济损失;4)已经采取的措施;5)其他应当报告的情况。4注意事项4.1佩戴防护器具的注意事项根据现场实际情况佩戴相应的个人防护器具:1)进入导热油泄漏现场应佩戴防火隔热服等个人防护器具

6、。5. 2使用救援器材的注意事项1)各类救援器材必须严格按规定存放,实行专人管理,定期检测,作好记录;2)所有救援人员必须正确使用救援器材。6. 3采取救援对策或措施的注意事项1)生产岗位出现紧急情况时,严格按照操作规程的规定进行处理。2)救援时人员应从事故现场上风、侧风向进入现场;3)事故发展趋势不明确时严禁人员进入现场;4.4现场自救互救的注意事项1)处理导热油泄漏事故进行堵漏和救护时,必须安排两人进行作业,相互照应2)当不具备抢险条件时,以最快的速度,选择最近的安全路线撤离危险区;4. 5现场应急处置能力确认和人员安全防护的注意事项1)应急处理时,首先选用专业人员或经过专门培训的人员。2)救援人员防护措施不到位的,严禁参与救援。4. 6应急救援结束后的注意事项D清点人数,统计伤亡及财产损失情况;2)确认现场安全情况下方可进入事故现场进行恢复。4.7其他需要特别警示的事项见预案附则导热油泄漏时应及时清理现场易燃物,防止炽热的导热油引发火灾。

展开阅读全文
相关资源
猜你喜欢
相关搜索

当前位置:首页 > 行业资料 > 公共安全/安全评价

copyright@ 2008-2023 1wenmi网站版权所有

经营许可证编号:宁ICP备2022001189号-1

本站为文档C2C交易模式,即用户上传的文档直接被用户下载,本站只是中间服务平台,本站所有文档下载所得的收益归上传人(含作者)所有。第壹文秘仅提供信息存储空间,仅对用户上传内容的表现方式做保护处理,对上载内容本身不做任何修改或编辑。若文档所含内容侵犯了您的版权或隐私,请立即通知第壹文秘网,我们立即给予删除!