南村镇金瓯大道工程排水设计说明.docx

上传人:p** 文档编号:218532 上传时间:2023-04-17 格式:DOCX 页数:7 大小:34.58KB
下载 相关 举报
南村镇金瓯大道工程排水设计说明.docx_第1页
第1页 / 共7页
南村镇金瓯大道工程排水设计说明.docx_第2页
第2页 / 共7页
南村镇金瓯大道工程排水设计说明.docx_第3页
第3页 / 共7页
南村镇金瓯大道工程排水设计说明.docx_第4页
第4页 / 共7页
南村镇金瓯大道工程排水设计说明.docx_第5页
第5页 / 共7页
南村镇金瓯大道工程排水设计说明.docx_第6页
第6页 / 共7页
南村镇金瓯大道工程排水设计说明.docx_第7页
第7页 / 共7页
亲,该文档总共7页,全部预览完了,如果喜欢就下载吧!
资源描述

《南村镇金瓯大道工程排水设计说明.docx》由会员分享,可在线阅读,更多相关《南村镇金瓯大道工程排水设计说明.docx(7页珍藏版)》请在第壹文秘上搜索。

1、排水设计说明1设计依据1 .我公司与业主单位签订的设计合同。2 .各管线单位提供的相关复函。1.1 相关规范、标准1 .室外排水设计规范(GB500I4-2006,2016年版);2 .给水排水管道工程施工及验收规范(GB50268-2008):3 .给水排水制图标准(GB50106-2010);4 .混凝上结构工程质量验收规范(GB50204-2015)5 .城市排水工程规划规范(GB5O318-2000);6 .城市工程管线综合规划规范(GB5O289-2OI6);7 .给水排水工程管道结构设计规范(GB50332-2002):8 .给水排水工程构筑物结构设计规范(GB50069-2002

2、);9 .混凝上结构设计规范(GB500I0-2010):10 .砌体结构设计规范(GB50003-20I1);11 .城镇给水排水技术规范(GB50788-2012)12 .给水排水构筑物工程施工及验收规范(GB50141-2008):13 .混凝土和钢筋混凝土排水管(GB/Tl1836-2009);14 .现行国家有关规范、标准图集及行业规程。2工程概况金瓯大道为现状道路改造工程,为一条南北向道路,连通金瓯大道与金瓯东路,道路为规划支路,设计车速30kmh,段全长约496u近期道路标准横断面宽为16m,采用双向两车道,远期道路标准横断面宽为20m,采用双向四车道。3排水工程3.1 片区排水

3、现状本次设计范围内现状道路段,存在现状排水管线,但排水系统不完善:雨污合流现象较严重,且部分路段排水构筑物严重缺失。3.2 排水系统设计概要雨水管道:现状道路段利用现状排水管线,部分路段新建雨水管及排水构筑物。污水管道:本次设计全段新建污水管道,实现道路的雨污分流。3.3 设计原则3.3.1 城市排水管道方案设计以批准的相关规划为依据。3.3.2 排水管网设计应满足地区经济和社会长远发展的需要,同时注意远期发展与分期实施相结合的原则。排水管道均按远期设计,并能适应片区建设需要,考虑分期实施的可能性。3.3.3 新建排水管网充分考虑区域排水现状及地块建设的情况,结合地块建设规划,在排水管道断面、

4、平面布置、高程布置上适应功能的需要和接入的可能性、便利性。3.3.4 排水管网设计注意技术性与经济性相结合。尊重事实,在满足设计标准的前提下,尽量考虑利用现有管网体系和排水设施,并将其整合以发挥功能。3.3.5 排水管道的平面、高程布置充分考虑各种城市管线的敷设走廊,在考虑经济性的同时预留足够的空间,为管线综合提供条件。3.4 排水工程设计3.4.1 设计标准及基本参数1)设计年限本工程为新建区域永久性市政排水工程,排水系统规模均按远期规划进行设计。2)排水体制本工程排水体制采用雨、污水分流制,雨、污水管网分别自成体系。3)设计规模雨水量计算按广州市番禺区暴雨强度公式和流域汇水面积计算,根据地

5、块和道路设计的情况选用适当I的暴雨重现期P和径流系数.污水按城市综合污水量(城市综合用水量标准的85%)和人口密度值进行计算人口数。4)基本设计参数,最大控制设计流速:Vnm=5ms.最小流速:污水管道在设计充满度下为Vmin=O.6ms;雨水管道Vmin=O.75ms3)雨水管道横断面布置雨水管线布置于西、南侧车行道下,距道路中心线2.Om,具体详见管线综合标准横断面讥4)雨水管道平面布置桩号KO+065K0+280段,雨水管线由南向北敷设,于桩号K0+280处设计雨水管线排入陈边涌内,陈边涌整治改造后设计洪水位为7.48m。桩号K0+340-K0+497段,雨水管利用现状排水管。具体详见排

6、水平面设计图h3.4.3 污水系统1)污水量计算本设计污水量按城市综合污水量计算,城市综合污水量计算以城市综合供水量标准为基础,排污系数按85%考虑,计算人口以最新的控制性详细规划为准。分流制污水管道设计流量计算公式:Qnux=KsKzQavc(L/S)式中Qmai:设计污水流量(L/S)最高日最高时污水秒流量。Qave:平均日平均时污水流量(L/S),根据综合污水量标准q=300Ld人计算QaVe=qx流域计算人口数(人)/(2436)(L/S)远期P为人口密度,取12000人k计:q=城市综合供水量标准x85%(L/Capd)Ks:雨水或地下水渗入量系数,本次设计取1.1匕:总变化系数,按

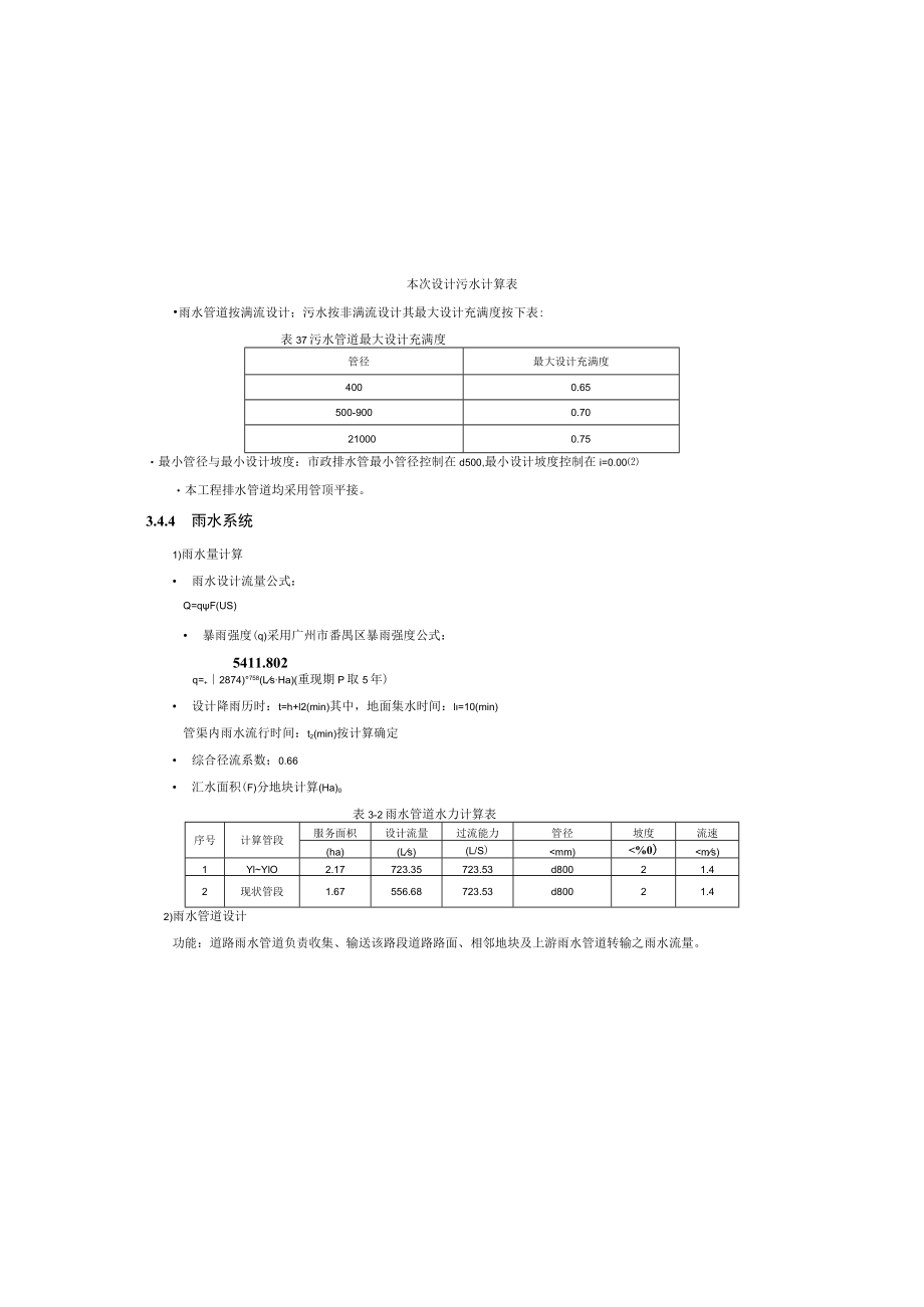
7、下表取值表3-3污水总变化系数表污水平均日流量(L/S)51540701002005001000总变化系数K,2.32.01.81.71.61.51.41.3本次设计污水计算表雨水管道按满流设计;污水按非满流设计其最大设计充满度按下表:表37污水管道最大设计充满度管径最大设计充满度4000.65500-9000.70210000.75最小管径与最小设计坡度:市政排水管最小管径控制在d500,最小设计坡度控制在i=0.00本工程排水管道均采用管顶平接。3.4.4 雨水系统1)雨水量计算 雨水设计流量公式:Q=qF(US) 暴雨强度(q)采用广州市番禺区暴雨强度公式:5411.802q=+2874

8、)758(LsHa)(重现期P取5年) 设计降雨历时:t=h+l2(min)其中,地面集水时间:l=10(min)管渠内雨水流行时间:t2(min)按计算确定 综合径流系数;0.66 汇水面积(F)分地块计算(Ha)0表3-2雨水管道水力计算表序号计算管段服务面枳设计流量过流能力管径坡度流速(ha)(Ls)(L/S)mm)%0)ms)1YlYlO2.17723.35723.53d80021.42现状管段1.67556.68723.53d80021.42)雨水管道设计功能:道路雨水管道负责收集、输送该路段道路路面、相邻地块及上游雨水管道转输之雨水流量。定线原则:雨水管线沿道路布置,雨水管道的布置

9、考虑道路(包括人行道路面及地块雨水收集的便利性。12345678910111213管段编号设计人口N(人)生活污水定额n(L(cap*i)平均日生活污水果(Ls)变化系数(K)设计污水;Ql(LZs)管道长度(m)管径D(nun)充满度h/d设计坡度1()流速V(/s)计算污水址Q(ls)起点编号终点编号AK0+050AK0+4975203001.012.31.194505000.5531.0533.862)污水管道水力计算公式(非满流)Q=V-A(LZs)水力计算按曼宁公式:v=5RW(ms)过水断面:A=(G-sincos)r2(nr)hD/2Q2(i)(m)n:管材粗糙系数,钢筋混凝土管

10、取0.014。3)污水管道设计功能:污水管道负责收集、输送该路段道路路面、相邻地块及上游雨水管道转输之污水流量。定线原则:污水管道沿道路布置,污水管道的布置考虑地块污水收集的便利性。4)污水管道横断面布置污水管道布置于道路东、北侧车行道下,距道路中心线7.5m;具体详见管线综合标准横断面讥5)污水管道平面布置污水管线分段布设:桩号K(M)50-K0+497段,污水自南向北敷设,于桩号K0+497处接入金瓯大道污水系统。为保证道路周边构筑物的安全,桩号KO+34O设计终点段,设计污水管线采用拉森钢板桩支护开挖。3.5 管材、基础及接口3.5.1 管材排水管道采用国标II级钢筋险承插管。钢筋混凝土

11、排水管成品必须符合混凝土和钢筋混凝土排水管(GB/T11836-2009)要求。所选材料应为符合国家及省、市有关部门相关标准、规范的合格产品,优先采用具有国家通用标准的管材。3.5.2 接口国标II级钢筋砂承插管采用“。”型橡胶圈接口;3.5.3 基础级钢筋险承插管覆土小于5m时,采用120混凝土基础。雨水口连接管采用满包混凝土基础。3.6 检查井及其它构筑物3.6.1 检查井1)管道交汇处、转弯处、管径或坡度改变处、跌水处以及直线管段上每隔定距离设置检查井。2)车行道上的检查井井盖及井座均采用700重型防盗铸铁井盖及盖座,按承载力要求,最低选用D400类型;人行道及绿化带内选用700轻型防盗

12、铸铁井盖及盖座,按承载力要求,最低选用C250型。所选井盖应符合国家标准检查井盖(GB/T23858-2009)的要求,雨水井盖应有“雨”标志,污水井盖应有“污”标志。爬梯均采用新型更合材料成品。3)雨水井采用砖砌检查井;污水井采用钢筋混凝土检查井。4)排水管道每个一定距离设置一个沉沙井,设置50Cm沉砂位。5)所有检查井均安装防坠网。3.6.2 雨水口1)本工程采用的砌偏沟式单算雨水口,雨水算为球墨铸铁雨水算子,按承载力要求,最低选用D400类型。本次设计按单算雨水口泄流能力20Ls原则进行计算、布设雨水口。2)雨水口连接管管径为d300r,以1.0%的坡度接入临近雨水检查井。3)道路竖曲线

13、最低点及道路交叉口附近的雨水口,在实施时应调整至实际路面的最低点,局部地方可增设雨水口,以保证有效收水。3.7 管道施工内补水,保持试验水头恒定。渗水量的观测时间不得小于30Tnin;4)实测渗水量应按下式计算:q=W(TXL)式中q实测渗水量./(minn);W补水量(L):T一一实测渗水观测时间(min);L一一试验管段的长度(m):3.7.7沟槽回填管道沟槽回填必须在混凝土及砂浆达到80%以上(有特殊要求的,按相关设计图)设计强度后方可进行。回填要求分层压实、对称均匀回填。当检查并在车行道下时,应在检查井周围采用石屑回填,回填宽度不宜小于40cm。回填材料及压实度应严格执行本设计相关设计

14、图说要求,同时必须符合给水排水管道工程施工及验收规范(GB502682008)相关规定。管区(沟槽底至管顶以上Lom范围内)禁止采用推土机等大型机械进行回填。管顶严禁使用重锤夯实。3.8 验收工程中间验收和竣工验收必须严格按照国家及广州市工程管理相关法规、规定程序进行。需要设计单位参加验收的分部工程,应在该分部工程按设计要求完成后,下道工序未进行之前及时通知设计单位。验收前施工单位应事先准备好必须的相关图表等技术资料,并有业主代表、监理、质监及相关部门共同参与进行。3.7.1 管道放线本工程排水管道放线按检查并坐标表严格放线,检查井坐标点为主线管道轴线投影与检查井横轴线交点。3.7.2 现场复核本工程排水上下游管线必须接顺。设计要求在施工放线时首先复核上下游现状管渠、接纳水体等的位置、标高、断面尺寸等,若与设计有不符之处,必须立即通知设计单位研究处理。3.7.3 沟槽开挖本次设计道路,管道沟槽开挖边坡应有一定的坡度以保证施工安全。沟槽开挖边坡埴陡值根据不同土质按1:0.1L5控制(详见管

展开阅读全文
相关资源
猜你喜欢
相关搜索

当前位置:首页 > 建筑/环境 > 给排水/暖通与智能化

copyright@ 2008-2023 1wenmi网站版权所有

经营许可证编号:宁ICP备2022001189号-1

本站为文档C2C交易模式,即用户上传的文档直接被用户下载,本站只是中间服务平台,本站所有文档下载所得的收益归上传人(含作者)所有。第壹文秘仅提供信息存储空间,仅对用户上传内容的表现方式做保护处理,对上载内容本身不做任何修改或编辑。若文档所含内容侵犯了您的版权或隐私,请立即通知第壹文秘网,我们立即给予删除!