卫生间瓷砖.docx

上传人:p** 文档编号:218637 上传时间:2023-04-17 格式:DOCX 页数:3 大小:22.66KB
下载 相关 举报
卫生间瓷砖.docx_第1页
第1页 / 共3页
卫生间瓷砖.docx_第2页
第2页 / 共3页
卫生间瓷砖.docx_第3页
第3页 / 共3页
亲,该文档总共3页,全部预览完了,如果喜欢就下载吧!
资源描述

《卫生间瓷砖.docx》由会员分享,可在线阅读,更多相关《卫生间瓷砖.docx(3页珍藏版)》请在第壹文秘上搜索。

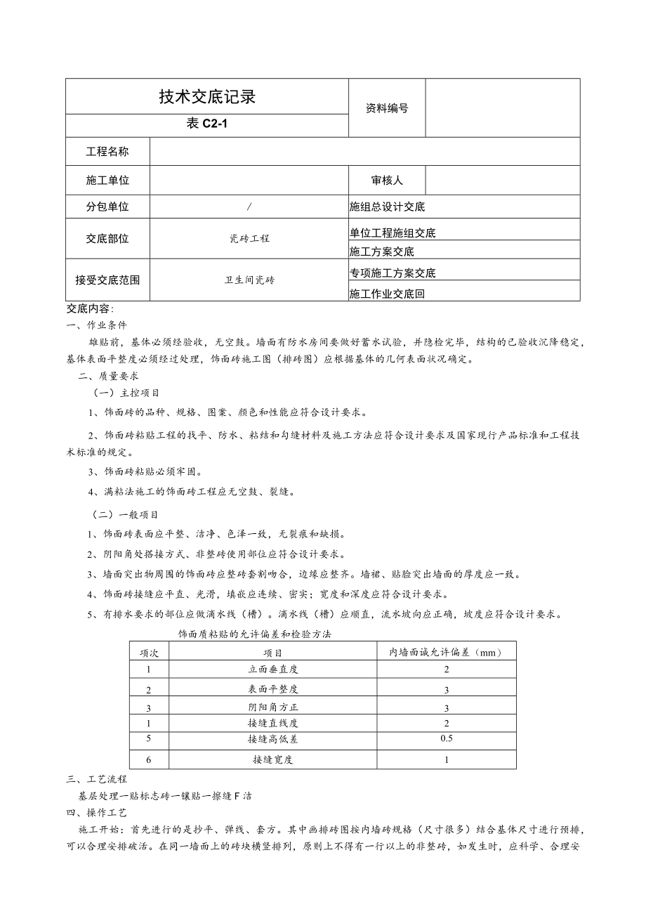
1、技术交底记录资料编号表C2-1工程名称施工单位审核人分包单位/施组总设计交底交底部位瓷砖工程单位工程施组交底施工方案交底接受交底范围卫生间瓷砖专项施工方案交底施工作业交底回交底内容:一、作业条件雄贴前,基体必须经验收,无空鼓。墙面有防水房间要做好蓄水试验,并隐检完毕,结构的已验收沉降稳定,基体表面平整度必须经过处理,饰面砖施工图(排砖图)应根据基体的几何表面状况确定。二、质量要求(一)主控项目1、饰面砖的品种、规格、图案、颜色和性能应符合设计要求。2、饰面砖粘贴工程的找平、防水、粘结和勾缝材料及施工方法应符合设计要求及国家现行产品标准和工程技术标准的规定。3、饰面砖粘贴必须牢固。4、满粘法施工

2、的饰面砖工程应无空鼓、裂缝。(二)一般项目1、饰面砖表面应平整、洁净、色泽一致,无裂痕和缺损。2、阴阳角处搭接方式、非整砖使用部位应符合设计要求。3、墙面突出物周围的饰面砖应整砖套割吻合,边缘应整齐。墙裙、贴脸突出墙面的厚度应一致。4、饰面砖接缝应平直、光滑,填嵌应连续、密实;宽度和深度应符合设计要求。5、有排水要求的部位应做滴水线(槽)。滴水线(槽)应顺直,流水坡向应正确,坡度应符合设计要求。饰面质粘贴的允许偏差和检验方法项次项目内墙面诚允许偏差(mm)1立面垂直度22表面平整度33阴阳角方正31接缝直线度25接缝高低差0.56接缝宽度1三、工艺流程基层处理一贴标志砖一镶贴一擦缝F洁四、操作

3、工艺施工开始:首先进行的是抄平、弹线、套方。其中画排砖图按内墙砖规格(尺寸很多)结合基体尺寸进行预排,可以合理安排破活。在同一墙面上的砖块横竖排列,原则上不得有一行以上的非整砖,如发生时,应科学、合理安排,使之协调、美观。遇到突出的管线、灯具、洁具、暖气设备时,应用整砖套割吻合,不得用破砖拼凑镶贴。门窗两侧排整砖,向两侧排,大面积施工前应先做样板,样板完成后必须经质检部门鉴定合格后,方能大面积施工。如墙面设计有防水,注意厕浴间墙面不要使用柔性卷材,四周墙体防水高度不得低于1.8m,楼地面防水上卷30Ommo应注意:1、面砖排砖不正确。解决办法为:(1)从顶板(吊顶面)往下排,防止顶部出现203

4、0mm的破砖,如顶部是整砖,下部出现20-5Omnl的破砖应把顶部面砖裁小一些,使上下两部位均为两个大半砖。(2)门窗口及阳角处须以整砖镶贴,破砖位置应放在阴角或门窗洞口中间部位,如果阴角处及门窗洞口中间部位的破砖大于1/3面砖宽度时,可以镶贴,如果小于1/3瓷砖宽度,应镶贴两块相等的大半砖。2、面砖套割尺寸过大、不吻合及出现破砖。解决办法为:(1)镶贴时,应确定管道及支、托架大概位置,在镇贴到管道支托架位置时,预留上下或左右两块面砖。(2)根据投影到两块面砖的竖缝或水平缝的位置确定管道支、托架位置,在安装管道支、托架后,按照支、托架的厚度,从上、下或左、右方向量出距面砖边缘的距离,最后按此尺

5、寸套割面砖补贴。(一)基层处理基层结构,砖和舲的做法不同:砖基层:将砖面浇水润湿后,用1:3水泥砂浆(体积比),按套方、弹线的样筋高度或标志,用木抹子压实搓毛厚度为1020mm。舲底面:将底面浇水润湿后,用水灰比为0.40.5的素水泥浆,掺有水泥重的35%的108胶满刷一遍,再抹1:3水泥砂浆(体积比)按套方、弹线的标筋高度或标志,用木槎板压实搓毛,搓毛厚度为1020mm.如果结构施工中使用脱模剂,碎面需用10%火碱液清洗,以防基层空鼓,对于沉降较大或新砌梁下墙急于贴砖需固定钢板网打底灰,以防由于沉降等原因拉裂。有防水房间特殊处理,需经隐检合格后施工。(二)贴标志砖标志点是用废面砖用水泥砂浆粘

6、贴在找平层上,按此拉通线或用靠尺板作为铺贴面砖的控制点。标志点间距为15X1.5m或2X3In为宜,面砖铺贴到此处时再敲掉。注意标志点贴完,有强度后进行一次预检。(三)镶贴镶贴面砖以前,砖墙面要提前一天湿润好,柱墙可以提前34h湿润,瓷砖要在施工前浸水,浸水时间不小于两小时,然后取出晾至手按砖背无水迹方可贴砖。镶贴用1:1水泥砂浆(体积比),使用水泥不低于32.5级普通硅酸盐水泥加20%的108胶,砂子为中细砂(过筛),施工环境温度最低在51以上,在瓷砖背面满抹灰浆,四边刮成斜面,厚度5mm左右注意边角满浆,瓷砖就位后用木柄轻轻敲击砖面,使之与邻面相平。粘贴8-10块,用靠尺板检查表面平整,并

7、用卡子将缝拨直。阳角拼缝可用匀石机或磨砂机将面砖边沿切磨成450斜角,保证接缝平直、密实。扫去表面灰浆用卡子划缝,并用棉丝拭净,镶完一面墙后要将横竖缝内灰浆清理干净。阴角应大面砖压小面砖,并注意考虑主视线面向。确保在阴阳角处的缝通顺。厕浴间的缝隙一般采用塑料十字卡控制。镶贴面砖工程,室内一般由下向上镶贴,面砖镶贴前,墙面要先清理干净并洒水润湿,每面墙从下向上镶贴,从最下两排砖的位置稳好靠尺,竖缝用水平尺吊垂直,上口拉水平通线。镶贴高度一般为每天1.21.5m。必须检查鎏砖上口灰缝是否饱满,不饱满一定要先喂灰饱满,采用塑料卡子,以确保灰缝通顺,随贴随将缝口的灰浆划出。(四)擦缝待面砖贴好24h后

8、,用白水泥浆涂满缝隙,再用棉砂蘸浆将缝隙擦平实,待稍有强度,用镭子勾缝,镭子可采用3mm不掉色塑料圆线。保证平滑凹缝12mm,但必须一致(彩色面砖可加适量颜料调成色浆擦缝)。筑溜完后要浇水养护。(五)清洁待嵌健材料硬化后再清洗表面,必要时用布或棉纱头蘸稀盐酸擦洗一遍,再用清水冲洗一遍。(六)成品保护1、每次贴砖完毕后,用棉丝将面砖仔细清理干净。镶贴好的面砖应有切实可靠的防止污染的措施,同时要及时清擦干净残留在门窗框、扇上的砂浆。特别是铝合金门窗框、扇,事先应粘贴好保护膜,防止污染。2、抹灰层在凝结前应防止风干、水冲、撞击和振动。3、注意其它专业施工时,不要破坏现有成品。(七)注意事项1、镶贴没

9、砖应事先挑选,凡外形歪斜、缺角、脱边、翘曲和裂缝的不得使用。颜色和规格不一的应分别存放。2、注意事先预排,使得砖缝分配均匀,遇到突出的管线、支架等部位应用整砖套割吻合,不能用破砖凑合。3、为了防止空鼓和脱落,墙面基层必须清理干净,泼水湿润。瓷砖使用前,必须清洗干净,用水浸泡时间不小于2h,然后取出,待表面晾干后方可镶贴。必要时在水泥砂浆中掺入水重量3%5%的108胶或众霸胶,使粘结的砂浆和易性和保水性较好,并有一点缓凝作用,不但增加粘结力,而且可以减少粘结层的厚度,易于保证镶贴质量。4、卫生间(浴厕间)要求设置防水层时,注意严格控制施工质量。材料必须要有出厂合格证和试验证明,在楼地面有防水要求的房间内的四周墙面上的防水层要高出楼地面以上300mm。墙面防水不低于1.8m。5、大模板结构,注意电开关盒和在开洞时一定要注意和砖缝的配合,在规范允许范围内调整在对称位置上。6、卫生器具在墙面固定一定要按图集选用,以免在使用过程中造成和排砖不相称。7、注意吊顶标高和排砖要配合起来。交底人接受交底人数交底时间年月日接受交底人员注:1本表由施工单位填写。2内容较多时本表作为首页,交底内容可续页。

展开阅读全文
相关资源
猜你喜欢
相关搜索

当前位置:首页 > 建筑/环境 > 防水建筑

copyright@ 2008-2023 1wenmi网站版权所有

经营许可证编号:宁ICP备2022001189号-1

本站为文档C2C交易模式,即用户上传的文档直接被用户下载,本站只是中间服务平台,本站所有文档下载所得的收益归上传人(含作者)所有。第壹文秘仅提供信息存储空间,仅对用户上传内容的表现方式做保护处理,对上载内容本身不做任何修改或编辑。若文档所含内容侵犯了您的版权或隐私,请立即通知第壹文秘网,我们立即给予删除!