双曲线钢筋混凝土冷却塔淋水构架工程吊装工程质量标准及检验方法.docx

上传人:p** 文档编号:219389 上传时间:2023-04-17 格式:DOCX 页数:2 大小:17KB
下载 相关 举报
双曲线钢筋混凝土冷却塔淋水构架工程吊装工程质量标准及检验方法.docx_第1页
第1页 / 共2页
双曲线钢筋混凝土冷却塔淋水构架工程吊装工程质量标准及检验方法.docx_第2页
第2页 / 共2页
亲,该文档总共2页,全部预览完了,如果喜欢就下载吧!
资源描述

《双曲线钢筋混凝土冷却塔淋水构架工程吊装工程质量标准及检验方法.docx》由会员分享,可在线阅读,更多相关《双曲线钢筋混凝土冷却塔淋水构架工程吊装工程质量标准及检验方法.docx(2页珍藏版)》请在第壹文秘上搜索。

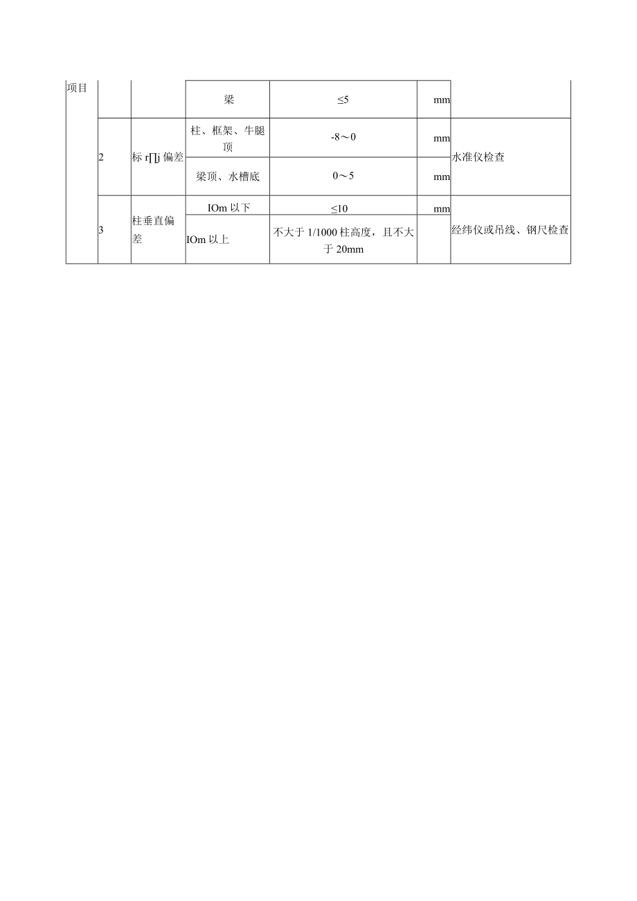
双曲线钢筋混凝土冷却塔淋水构架工程吊装工程质量标准及检验方法1检查数量:主控项目1)构件混凝土强度、接头灌浆混凝土或砂浆强度、连接材料:全数检查。2)焊接质量:全数检查。3)表10.7.4第5项、第6项:按总数抽查10%o一般项目4)按构件类型的件数各抽查10%,但均不少于3件。2质量标准和检验方法:吊装工程质量标准和检验方法类别序号检查项目质量标准单位检验方法及器具主控项目1吊装时构件混凝土强度吊装时构件混凝土强度必须符合设计要求,且不低于设计的混凝土强度标准值的75%检查构件出厂证书或试验报告2接头灌浆混凝土或砂浆强度接头灌浆混凝土或砂浆强度必须符合设计要求和现行有关标准规定检查配合比及试验报告3焊接质量焊接质量必须符合本部分附录观察、检查验收记录4连接材料连接材料的型号、规格、质量必须符合设计要求和现行有关标准规定检查出厂证件和试验报告5构件外观构件外观质量不应有掉角、扭曲、损坏观察检查6外露铁件及金属支架防腐外露铁件及金属支架防腐应符合设计要求观察检查一般1轴线偏差柱、框架、水槽5mm钢尺检查项目梁5mm2标rj偏差柱、框架、牛腿顶-80mm水准仪检查梁顶、水槽底05mm3柱垂直偏差IOm以下10mm经纬仪或吊线、钢尺检查IOm以上不大于1/1000柱高度,且不大于20mm

展开阅读全文
相关资源
猜你喜欢
相关搜索

当前位置:首页 > 行业资料 > 国内外标准规范

copyright@ 2008-2023 1wenmi网站版权所有

经营许可证编号:宁ICP备2022001189号-1

本站为文档C2C交易模式,即用户上传的文档直接被用户下载,本站只是中间服务平台,本站所有文档下载所得的收益归上传人(含作者)所有。第壹文秘仅提供信息存储空间,仅对用户上传内容的表现方式做保护处理,对上载内容本身不做任何修改或编辑。若文档所含内容侵犯了您的版权或隐私,请立即通知第壹文秘网,我们立即给予删除!