吸水井池壁计算书.docx

上传人:p** 文档编号:220219 上传时间:2023-04-17 格式:DOCX 页数:6 大小:51.78KB
下载 相关 举报
吸水井池壁计算书.docx_第1页
第1页 / 共6页
吸水井池壁计算书.docx_第2页
第2页 / 共6页
吸水井池壁计算书.docx_第3页
第3页 / 共6页
吸水井池壁计算书.docx_第4页
第4页 / 共6页
吸水井池壁计算书.docx_第5页
第5页 / 共6页
吸水井池壁计算书.docx_第6页
第6页 / 共6页
亲,该文档总共6页,全部预览完了,如果喜欢就下载吧!
资源描述

《吸水井池壁计算书.docx》由会员分享,可在线阅读,更多相关《吸水井池壁计算书.docx(6页珍藏版)》请在第壹文秘上搜索。

1、地下室外墙计算(吸水井池壁)项目名称构件编号B期设计校对审核执行规范:混凝土结构设计规范(GB50010-2010),本文简称混凝土规范建筑结构荷载规范(GB50009-2012),本文简称荷载规范钢筋:d-HPB300;D-HRB335;E-HRB400;F-RRB400;G-HRB500;P-HRBF335;Q-HRBF400;R-HRBF500I基本资料1.1几何信息墙长L(m)20.000墙底标高(In)-4.450墙高H(m)4.450地下水标高(In)-20.000墙厚t(mm)300注:地面标高为0.000。板边顶边底边左边右边支承方式简支固定固定固定1.2荷载信息土压力计算方法

2、静止土压力土的内摩擦角()静止土压力系数1.000地下水的容重(kN3)10.00土的天然容重(kNm3)10.00土的饱和容重(kN3)10.00竖向永久荷载标准值(kNm)20.00竖向可变荷载标准值(kNm)20.00地面可变荷载标准值(kNm2)10.00永久荷载分项系数135可变荷载分项系数1.50PT变荷载准永久值系数5013钢筋混凝土信息混凝土强度等级C30钢筋级别HRB400外纵筋保护层(mm)30配筋调整系数1.0内纵筋保护层(mm)20竖向配筋方式非对称泊松比0.20裂缝最大限值(mm)0.20考虑P-效应X按裂缝控制配筋2计算内容(1)荷载计算(2)内力计算(3)配筋计算

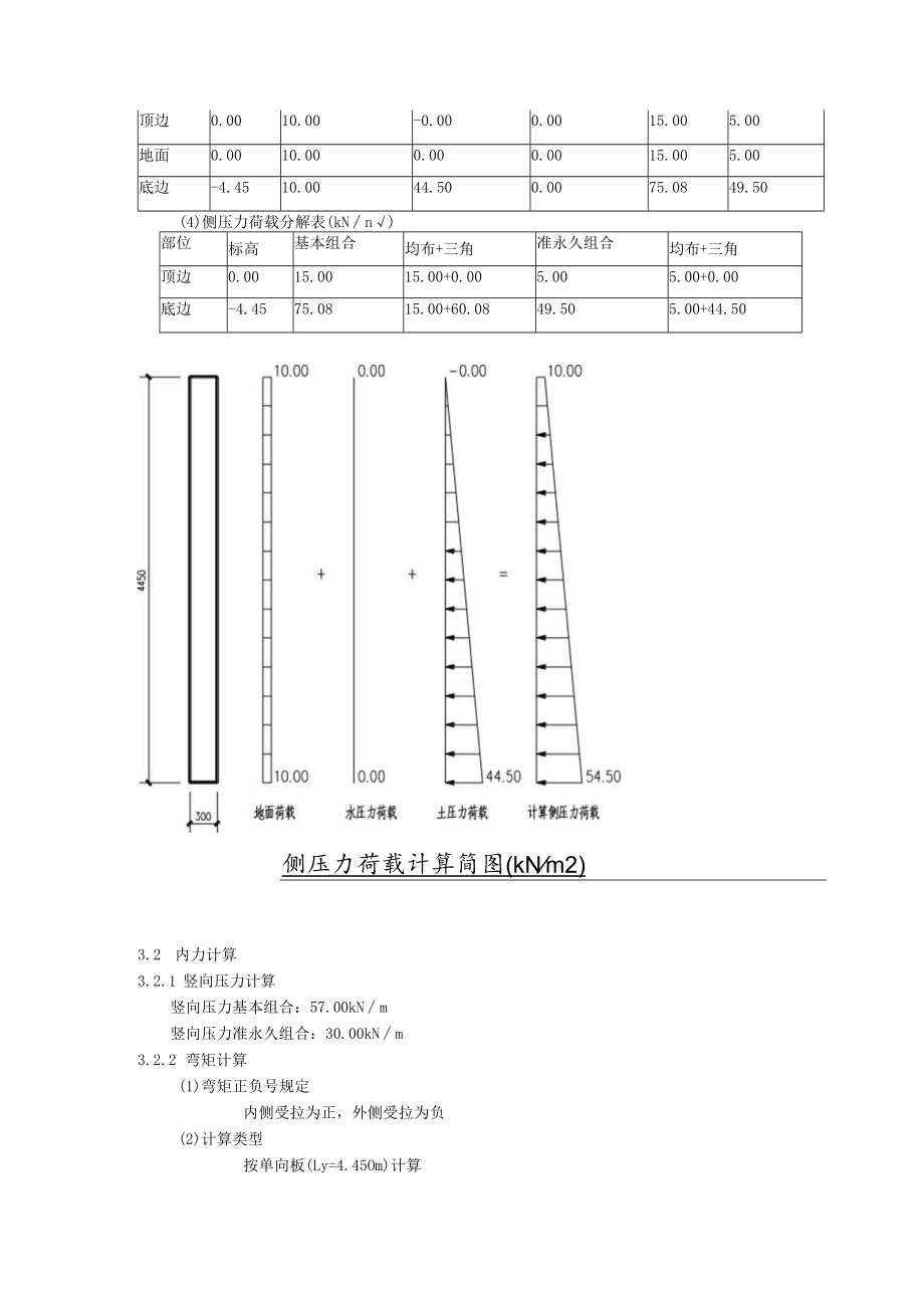
3、(4)裂缝验算3计算过程及结果单位说明:弯矩:kN.mm,竖向力:kNm,钢筋面积:mm2m,裂缝宽度:mm荷载说明:永久荷载:土压力荷载,竖向荷载可变荷载:地下水压力,地面荷载,竖向荷载3.1 荷载计算3.1.1 竖向荷载竖向荷载基本组合:N=1.5020.00+1.35X20.00=57.00kNm竖向荷载准永久组合:Nq=0.5020.00+20.00=30.00kNm3.1.2 侧压力荷载(1) 土压力:按静止土压力计算,静止土压力系数Kb=1.000P=Kbyh式中:P静止土压力(kN/n?);-土的容重(kN/n?),地下水位以上取天然容重,地下水位以下取有效容重;h-计算位置处土

4、的深度(m);Kb-静止土压力系数。(2)地面荷载导算侧压力:Pk=1.00010.00=IO-OOkNZm2(3)侧压力荷载计算表(kNn)部位标高地面荷载标准值土压力标准值水压力标准值基本组合准永久组合顶边0.0010.00-0.000.0015.005.00地面0.0010.000.000.0015.005.00底边-4.4510.0044.500.0075.0849.50(4)侧压力荷载分解表(kNn)部位标高基本组合均布+三角准永久组合均布+三角顶边0.0015.0015.00+0.005.005.00+0.00底边-4.4575.0815.00+60.0849.505.00+44.

5、50侧压力荷载计算简图(kNm2)3.2 内力计算3.2.1 竖向压力计算竖向压力基本组合:57.00kNm竖向压力准永久组合:30.00kNm3.2.2 弯矩计算(1)弯矩正负号规定内侧受拉为正,外侧受拉为负(2)计算类型按单向板(Ly=4.45Om)计算(3)荷载组合作用弯矩表(kN.mm)部位基本组合准永久组合水平-左边0.000.00跨中0.000.00右边0.000.00竖直-顶边0.000.00跨中56.3433.22底边-116.44-71.123.3配筋计算3.3.1计算配筋面积竖向按压弯构件计算,水平向按纯弯构件计算3.3.2裂缝控制配筋不进行裂缝控制配筋计算3.3.3配筋及

6、裂细i计算表部位Mq(kN.mm)Nq(kNm)As(mm2)选筋方案实配As(mm2)裂缝(mm)水平左边-外侧0.00600E1415010260.00跨中-内侧0.00600E1415010260.00右边-外侧0.00600E14I5O10260.00竖直顶边-外侧0.0030.00600E1415010260.00-内侧600E1415010260.00跨中-外侧33.2230.00600E14(3)15010260.00-内侧647E1415010260.04底边-外侧-71.1230.001405E1410015390.14-内侧600E1415010260.00说明:(1)弯矩及配筋计算以每米板宽为计算单元;(2)计算AS=-I时表示计算超筋。3.4裂缝计算(参见配筋及裂缝计算表)裂缝计算根据混凝土规范第7.1.2条计算最大裂缝宽度0.14mmW0.20mm,符合要求【理正结构设计工具箱软件6.5计算日期:2021-11-3016:53:35

展开阅读全文
相关资源
猜你喜欢
相关搜索

当前位置:首页 > 建筑/环境 > 防腐

copyright@ 2008-2023 1wenmi网站版权所有

经营许可证编号:宁ICP备2022001189号-1

本站为文档C2C交易模式,即用户上传的文档直接被用户下载,本站只是中间服务平台,本站所有文档下载所得的收益归上传人(含作者)所有。第壹文秘仅提供信息存储空间,仅对用户上传内容的表现方式做保护处理,对上载内容本身不做任何修改或编辑。若文档所含内容侵犯了您的版权或隐私,请立即通知第壹文秘网,我们立即给予删除!