垃圾填埋场环境监测质量保证及质量控制.docx

上传人:p** 文档编号:221816 上传时间:2023-04-17 格式:DOCX 页数:4 大小:23.94KB
下载 相关 举报
垃圾填埋场环境监测质量保证及质量控制.docx_第1页
第1页 / 共4页
垃圾填埋场环境监测质量保证及质量控制.docx_第2页
第2页 / 共4页
垃圾填埋场环境监测质量保证及质量控制.docx_第3页
第3页 / 共4页
垃圾填埋场环境监测质量保证及质量控制.docx_第4页
第4页 / 共4页
亲,该文档总共4页,全部预览完了,如果喜欢就下载吧!
资源描述

《垃圾填埋场环境监测质量保证及质量控制.docx》由会员分享,可在线阅读,更多相关《垃圾填埋场环境监测质量保证及质量控制.docx(4页珍藏版)》请在第壹文秘上搜索。

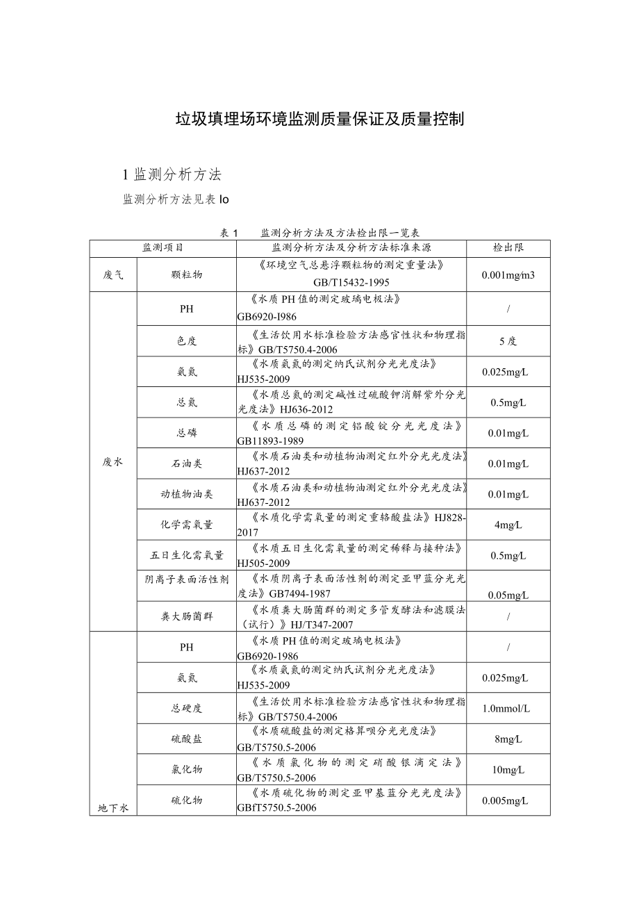
1、垃圾填埋场环境监测质量保证及质量控制1监测分析方法监测分析方法见表Io表1监测分析方法及方法检出限一览表监测项目监测分析方法及分析方法标准来源检出限废气颗粒物环境空气总悬浮颗粒物的测定重量法GB/T15432-19950.001mgm3废水PH水质PH值的测定玻璃电极法GB6920-I986/色度生活饮用水标准检验方法感官性状和物理指标GB/T5750.4-20065度氨氮水质氨氮的测定纳氏试剂分光光度法HJ535-20090.025mgL总氮水质总氮的测定碱性过硫酸钾消解紫外分光光度法HJ636-20120.5mgL总磷水质总磷的测定铝酸锭分光光度法GB11893-19890.01mgL石油

2、类水质石油类和动植物油测定红外分光光度法HJ637-20120.01mgL动植物油类水质石油类和动植物油测定红外分光光度法HJ637-20120.01mgL化学需氧量水质化学需氧量的测定重辂酸盐法HJ828-20174mgL五日生化需氧量水质五日生化需氧量的测定稀释与接种法HJ505-20090.5mgL阴离子表面活性剂水质阴离子表面活性剂的测定亚甲蓝分光光度法GB7494-19870.05mgL粪大肠菌群水质粪大肠菌群的测定多管发酵法和滤膜法(试行)HJ/T347-2007/地下水PH水质PH值的测定玻璃电极法GB6920-1986/氨氮水质氨氮的测定纳氏试剂分光光度法HJ535-20090

3、.025mgL总硬度生活饮用水标准检验方法感官性状和物理指标GB/T5750.4-20061.0mmol/L硫酸盐水质硫酸盐的测定格算呗分光光度法GB/T5750.5-20068mgL氯化物水质氯化物的测定硝酸银滴定法GB/T5750.5-200610mgL硫化物水质硫化物的测定亚甲基蓝分光光度法GBfT5750.5-20060.005mgL制化物水质氟化物的测定容量法和分光光度法HJ484-20090.004mgL氟化物水质氟化物的测定离子选择性电极法GB7484-19870.05mgL耗氧量生活饮用水标准检验方法有机物综合指标GB/T5750.7-20060.05mg/L硝酸盐氮水质硝酸盐

4、氮的测定紫外分光光度法HJ/T346-20070.08mgL亚硝酸盐氮水质亚硝酸盐氮的测定分光光度法GB/T7493-19870.003mgL挥发性酚类水质挥发酚的测定4-氨基安替比林分光光度法HJ503-20090.0003mgL溶解性总固体生活饮用水标准检验方法感官性状和物理指标GB/T5750.4-2006/阴离子表面活性剂水质阴离子表面活性剂的测定亚甲蓝分光光度法GB7494-19870.05mgL铁水质铁、镒的测定火焰原子吸收光度法GB11911-19890.03mgL镒水质铁、镒的测定火焰原子吸收光度法GB11911-19890.01mg/L铜水质铜、锌、铅、镉的测定原子吸收分光光

5、度法GB7475-19870.02mgL锌水质铜、锌、铅、镉的测定原子吸收分光光度法GB7475-19870.05mgL钠水质钾和钠的测定火焰原子吸收光度法GB7475-19870.01mg/L汞水质汞、碑、硒、锐和睇的测定原子荧光法HJ694-20140.00004mgL种水质汞、碑、硒、锐和镭的测定原子荧光法HJ694-20140.0003mgL镉水质铜、锌、铅、镉的测定原子吸收分光光度法GB7475-19870.0005mgL铝水质辂的测定火焰原子吸分光光度法HJ757-20150.03mg/L铅水质铜、锌、铅、镉的测定原子吸收分光光度法GB7475-19870.0025mgL总大肠菌群

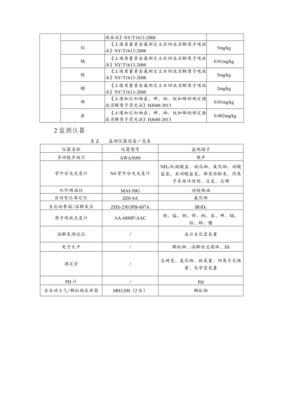
6、生活饮用水标准检验方法微生物指标GB/T5750.12-20062细菌总数生活饮用水标准检验方法微生物指标GB/T5750.12-2006/噪声厂界噪声工业企业厂界环境噪声排放标准(GB12348-2008)2类标准/土堞PH土壤PH的测定NY/T1377-2007/阳离子交换量土壤检测第五部分:石灰性土壤阳离子交换量的测定NY/T1121.5-2006/铜土壤质量重金属测定王水回流消解原子吸收法NY/T1613-20082mgkg锌土康质量重金属测定王水回流消解原子0.4mgkg吸收法NY/T1613-2008铅土壤质量重金属测定王水回流消解原子吸收法NY/T1613-20085mgkg镉土

7、壤质量重金属测定王水回流消解原子吸收法NY/T1613-20080.01mgkg络土壤质量重金属测定王水回流消解原子吸收法NY/T1613-20085mgkg锲土爆质量重金属测定王水回流消解原子吸收法NY/T1613-20082mgkg碑土壤和沉积物汞、碑、硒、锐和睇的测定微波消解原子荧光法HJ680-20130.01mgkg汞土堞和沉积物汞、碑、硒、锐和睇的测定微波消解原子荧光法HJ680-20130.002mgkg2监测仪器表2监测仪器设备一览表仪器名称仪器型号监测因子多功能声级计AWA5688噪声紫外分光光度计N4紫外分光光度计NH3-N,硫酸盐、硫化物、氟化物、硝酸盐氮、亚硝酸盐氮、挥

8、发性酚类、阴离子表面活性剂、总氮、总磷红外测油仪MAI-50G动植物油自动电位滴定仪ZDJ-4A氟化物生化培养箱/溶解氧仪ZHS-250/JPB-607ABOD5原子吸收光度计AA-6880F/AAC铁、镒、铜、锌、钠、汞、碑、镉、铅、辂、镶溶解氧测试仪/五日生化需氧量电子天平/颗粒物、溶解性总固体、SS滴定管/总硬度、氯化物、耗氧量、阳离子交换量、化学需氧量PH计/PH全自动大气/颗粒物采样器MH1200(2台)颗粒物3人员资质监测人员经过考核合格并持人员合格考核证书。4监测分析过程中的质量保证和质量控制为了确保此次验收监测所得数据的代表性、完整性和准确性。本次监测的质量保证严格按照质量体系要求,对监测全过程(包括布点、采样、样品贮运、实验室分析、数据处理等)进行了质量控制。1、现场采样和测试严格按验收监测方案进行,采样人员严格遵照采样技术规范进行,认真填写采样记录,按规定保存、运输样品。2、采用国家的标准分析方法分析;所有监测仪器、量具均经过计量部门检定合格并在有效期内使用。3、监测数据和报告实行三级审核。

展开阅读全文
相关资源
猜你喜欢
相关搜索

当前位置:首页 > 建筑/环境 > 环保行业

copyright@ 2008-2023 1wenmi网站版权所有

经营许可证编号:宁ICP备2022001189号-1

本站为文档C2C交易模式,即用户上传的文档直接被用户下载,本站只是中间服务平台,本站所有文档下载所得的收益归上传人(含作者)所有。第壹文秘仅提供信息存储空间,仅对用户上传内容的表现方式做保护处理,对上载内容本身不做任何修改或编辑。若文档所含内容侵犯了您的版权或隐私,请立即通知第壹文秘网,我们立即给予删除!