大六角高强度螺栓连接分项工程质量管理技术交底模板.docx

上传人:p** 文档编号:229270 上传时间:2023-04-18 格式:DOCX 页数:9 大小:49.77KB
下载 相关 举报
大六角高强度螺栓连接分项工程质量管理技术交底模板.docx_第1页
第1页 / 共9页
大六角高强度螺栓连接分项工程质量管理技术交底模板.docx_第2页
第2页 / 共9页
大六角高强度螺栓连接分项工程质量管理技术交底模板.docx_第3页
第3页 / 共9页
大六角高强度螺栓连接分项工程质量管理技术交底模板.docx_第4页
第4页 / 共9页
大六角高强度螺栓连接分项工程质量管理技术交底模板.docx_第5页
第5页 / 共9页
大六角高强度螺栓连接分项工程质量管理技术交底模板.docx_第6页
第6页 / 共9页
大六角高强度螺栓连接分项工程质量管理技术交底模板.docx_第7页
第7页 / 共9页
大六角高强度螺栓连接分项工程质量管理技术交底模板.docx_第8页
第8页 / 共9页
大六角高强度螺栓连接分项工程质量管理技术交底模板.docx_第9页
第9页 / 共9页
亲,该文档总共9页,全部预览完了,如果喜欢就下载吧!
资源描述

《大六角高强度螺栓连接分项工程质量管理技术交底模板.docx》由会员分享,可在线阅读,更多相关《大六角高强度螺栓连接分项工程质量管理技术交底模板.docx(9页珍藏版)》请在第壹文秘上搜索。

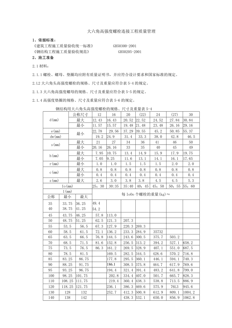
1、大六角高强度螺栓连接工程质量管理1、依据标准:建筑工程施工质量验收统一标准GB50300-2001钢结构工程施工质量验收规范GB50205-20012、施工准备2.1材料:2.1.1螺栓、螺母、垫圈均应附有质量证明书,并应符合设计要求和国家标准的规定。2.L2大六角头高强度螺栓的规格、尺寸及重量应符合表5-4的规定。2.1.3大六角高强度螺母的规格、尺寸及重量应符合表5-5的规定。2.1.4高强度垫圈的规格、尺寸及重量应符合表5-6的规定。钢结构用大六角头高强度螺栓的规格、尺寸及重量表5-4d(mm)公称尺寸121620(22)24(27)30最大12.4316.4320.5222.5224.

2、5227.8430.84最小11.5715.5719.4821.4823.4826.1629.16e(mm)最小22.7829.5637.2939.5545.250.8555.37dw(mm)19.224.931.433.338.042.846.5s(mm)最大21273436414650最小20.1626.163335404549h(mm)最大7.9510.7513.414.915.917.919.75最小7.059.2511.613.114.116.117.65r(mm)最小1.01.01.51.51.52.02.0c(mm)最大0.80.80.80.80.80.80.8最小0.40.40

3、.40.40.40.40.4z(mm)最大2.63.03.83.84.54.55.3Io(mm)25;3030:3535:4040;4545;5050;5555;601(mm)每IoOo个螺栓的重量(kg)公称最小最大354033.7538.7536.2541.2549.454.24543.7546.2557.8113.05048.7551.2562.5121.3207.35553.556.567.3127.9220.3269.36058.561.572.1136.2233.3284.9357326563.566.576.8144.5243.6300.5375.7503.27068.571.5

4、81.6152.8256.5313.2394.2527.1658.27573.576.586.3161.2269.5328.9407.1551.0687.58078.581.5169.5282.5344.5428.6570.2716.88583.2586.75177.8295.5360.1446.1594.1740.39088.2591.75186.1308.5375.8464.7617.9769.69593.2596.75194.4321.4391.4483.2641.8799.010098.25101.75202.8334.4407.0501.7665.7828.3110108.25111

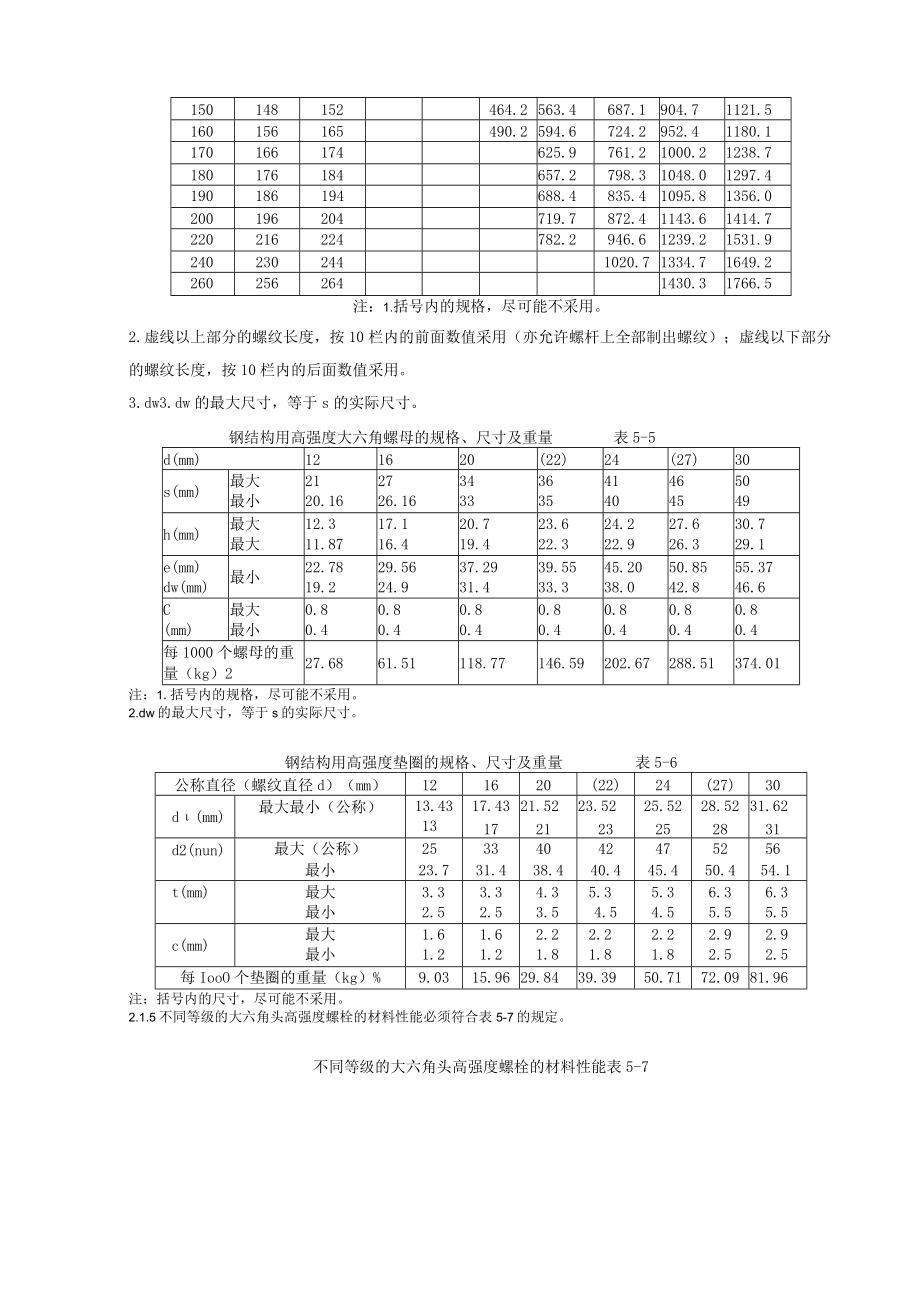
5、.75219.4360.4438.3538.8713.5886.9120118.25121.75236.1386.3469.6575.976L3945.6130128132252.7412.3500.8612.9809.11004.2140138142438.3532.1650.0856.91062.8150148152464.2563.4687.1904.71121.5160156165490.2594.6724.2952.41180.1170166174625.9761.21000.21238.7180176184657.2798.31048.01297.4190186194688.483

6、5.41095.81356.0200196204719.7872.41143.61414.7220216224782.2946.61239.21531.92402302441020.71334.71649.22602562641430.31766.5注:1.括号内的规格,尽可能不采用。2.虚线以上部分的螺纹长度,按10栏内的前面数值采用(亦允许螺杆上全部制出螺纹);虚线以下部分的螺纹长度,按10栏内的后面数值采用。3.dw3.dw的最大尺寸,等于s的实际尺寸。钢结构用高强度大六角螺母的规格、尺寸及重量表5-5d(mm)121620(22)24(27)30s(mm)最大2127343641465

7、0最小20.1626.163335404549h(mm)最大12.317.120.723.624.227.630.7最大11.8716.419.422.322.926.329.1e(mm)最小22.7829.5637.2939.5545.2050.8555.37dw(mm)19.224.931.433.338.042.846.6C最大0.80.80.80.80.80.80.8(mm)最小0.40.40.40.40.40.40.4每1000个螺母的重量(kg)227.6861.51118.77146.59202.67288.51374.01注:1.括号内的规格,尽可能不采用。2.dw的最大尺寸,

8、等于s的实际尺寸。钢结构用高强度垫圈的规格、尺寸及重量表5-6公称直径(螺纹直径d)(mm)121620(22)24(27)30d(mm)最大最小(公称)13.431317.431721.522123.522325.522528.522831.6231d2(nun)最大(公称)25334042475256最小23.731.438.440.445.450.454.1t(mm)最大3.33.34.35.35.36.36.3最小2.52.53.54.54.55.55.5c(mm)最大1.61.62.22.22.22.92.9最小1.21.21.81.81.82.52.5每IooO个垫圈的重量(kg)

9、%9.0315.9629.8439.3950.7172.0981.96注:括号内的尺寸,尽可能不采用。2.1.5不同等级的大六角头高强度螺栓的材料性能必须符合表5-7的规定。不同等级的大六角头高强度螺栓的材料性能表5-7性能等级抗拉强度ObNmm2(kgfmm2)屈服强度.2Nmm2(kgfmm2)伸长率65(%)收缩率(%)冲击韧性kJcm2(kgf.m/cm2)不小于10.9S10401240(106-126)940(95)104259(6)8.8S8301030(85-105)660(68)124578(8)2.1.6不同规格的高强度螺栓的机械性能、拉力应符合表5-8的规定。不同规格大六

10、角头高强度螺栓的机械性能、拉力表5-8公称直径d(r)121620(22)24(27)30公称应力截面积As(mm2)84.3157245303353459561性能等级10.9S拉力截荷N(kgf)87700(8940-10700)-195000(16600-19800)304000(2600031000)376000(32100-38300)438000(48600-58000)569000(4860058000)696000(59400-70900)8.8S70000-86800(7140-8850)162000(13300-16500)252000(2070025700)312000(

11、25600-31800)364000(29900-37000)47.000(3880048200)578000(47500-58900)2.1.7大六角头高强度螺栓的硬度应符合表5-9的规定。螺栓硬度表5-9性能等级维氏硬度HV30洛氏硬度HRC10.9S31236733-398.8S249-29624-312.1.8大六角头高强度螺栓的连接副是由一个螺栓、二个垫圈、一个螺母组成,螺栓、螺母的垫圈应按表5-10规定配套使用。螺栓、螺母和垫圈的配套表5-10螺栓螺母垫圈10.9SIOHHRC34458.8S8HHRC35452.1.9大六角头高强度螺栓验收入库后应按规格分类存放。应防雨、防潮,遇

12、有螺纹损伤或螺栓、螺母不配套时不得使用。2.L10大六角头高强度螺栓存放时间过长,或有锈蚀时,应抽样检查紧固轴力,待满足要求后方可使用。螺栓不得粘染泥土、油污,必须清理干净。2.2主要机具:电动扭矩扳手及控制箱、手动扭矩扳手、扭矩测量扳手、手工扳手、钢丝刷、冲子、锤子等等。2.3作业条件:2.3.1高强度螺栓连接摩擦面必须符合设计要求,摩擦系数必须达到设计要求。摩擦面不允许有残留氧化铁皮。2.3.2摩擦面的处理与保存时间、保存条件应与摩擦系数试件的保存时间、条件相同。2.3.3施工部位摩擦面应防止被油污和油漆等污染,如有污染必须彻底清理干净。2.3.4调整扭矩扳手。根据施工技术要求,认真调整扭矩扳

展开阅读全文
相关资源
猜你喜欢
相关搜索

当前位置:首页 > 建筑/环境 > 桩基础

copyright@ 2008-2023 1wenmi网站版权所有

经营许可证编号:宁ICP备2022001189号-1

本站为文档C2C交易模式,即用户上传的文档直接被用户下载,本站只是中间服务平台,本站所有文档下载所得的收益归上传人(含作者)所有。第壹文秘仅提供信息存储空间,仅对用户上传内容的表现方式做保护处理,对上载内容本身不做任何修改或编辑。若文档所含内容侵犯了您的版权或隐私,请立即通知第壹文秘网,我们立即给予删除!