安全隐患的整改内容解读.docx

上传人:p** 文档编号:231631 上传时间:2023-04-18 格式:DOCX 页数:3 大小:20.32KB
下载 相关 举报
安全隐患的整改内容解读.docx_第1页
第1页 / 共3页
安全隐患的整改内容解读.docx_第2页
第2页 / 共3页
安全隐患的整改内容解读.docx_第3页
第3页 / 共3页
亲,该文档总共3页,全部预览完了,如果喜欢就下载吧!
资源描述

《安全隐患的整改内容解读.docx》由会员分享,可在线阅读,更多相关《安全隐患的整改内容解读.docx(3页珍藏版)》请在第壹文秘上搜索。

1、安全隐患的整改内容解读1 .编写安全隐患排查报告书,见表5-9。表5-9安全隐患排查报告书重大安全事故隐患名称:重大安全事故隐患所在车间:重大安全事故隐患所在地点:重大安全事故隐患所属部门负责人:电话:发现时间:重大安全事故隐患评估确认单位:重大安全事故隐患类别和等级:影响范围:影响程度:整改措施:整改资金来源及保障措施:整改目标:预计整改完成时间:是否有监控措施:是否有应急预案:确认时间:重大安全事故隐患整改负责人:重大安全事故隐患整治监督人:说明:电话:填报车间负责人:填报人:联系电话:填报日期:年月日2 .安全隐患的整改发现安全事故隐患后,必须对安全隐患进行整改。隐患整改必须注意以下事项

2、。(1)整改命令需要及时发出。(2)整改通知需要用文字形式发出,并保持记录。具体内容见表5-10。表5T0整改通知单工程名称:编号:致:(车间)经检查发现,车间现场存在下列安全隐患:限于年月日前完成整改,并向我单位提出整改复查申请。人事部安全委员会(签章):年月日签收人:签收日期:年月日注:安委会在排查过程中,根据工作的职责和安全检查规程,若发现存在安全事故隐患时,应当发出“安全隐患整改通知单”,要求车间限时整改,防止安全事故的发生;“安全隐患整改通知”签收人为车间主任或者副主任;“安全隐患整改通知单”一式两份,安委会和车间各一份。(3)整改责任人必须落实到位。(4)整改完成时间必须清楚。(5

3、)整改计划必须明确。(6)整改过程需要有监督单位实施监督。某企业的安全整改计划的具体内容,见表571。表5T1安全整改计划表隐患部位隐患描述整改意见整改时限负责部门实验室楼顶因漏雨易脱落检查、维修冶炼车间电炉直接置于木桌上,易引发火灾加设水泥台,合理放置办公室楼道内照明灯损坏检查、维修仪器室仪器室木制门不防次安装防盗门员工宿舍楼(I)一楼门厅棚顶吊灯晃动,易脱落(2)四、五楼走廊开关损坏(1)拆除或加固一楼门厅吊灯(2)检修走廊开关消防水泵房电机井渗水,易导致电机不能正常工作先解决排水问题,然后查找渗水原因,彻底解决渗水问题厂区后院无行车标识线和标示牌设置交通标示线和标示牌装配车间个别“安全出

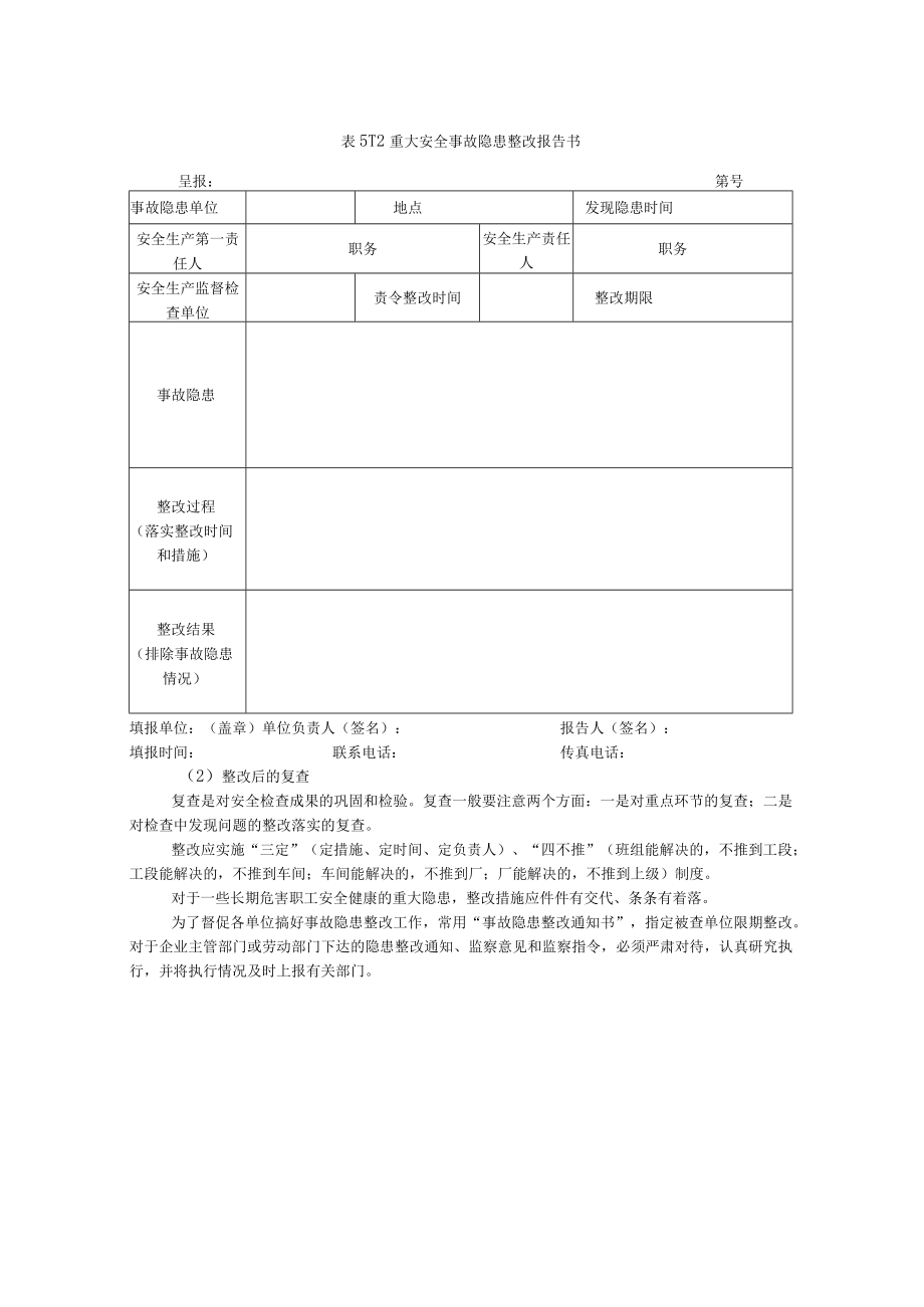
4、口指示灯损坏检查维修油料储存间油漆、汽油等易燃物品存放未达到规定的通风、防晒要求按易燃易爆物品存放要求存放相关物品,满足通风、防晒要求,单独存放3.整改后的跟踪与复查(1)整改后的跟踪整改计划必须实施必要的跟踪,跟踪的主要项目如下。整改计划的实施进度。整改计划的实施效果。整改完毕后,必须编制整改报告。见表5T2。表5T2重大安全事故隐患整改报告书呈报:第号事故隐患单位地点发现隐患时间安全生产第一责任人职务安全生产责任人职务安全生产监督检查单位责令整改时间整改期限事故隐患整改过程(落实整改时间和措施)整改结果(排除事故隐患情况)填报单位:(盖章)单位负责人(签名):报告人(签名):填报时间:联系

5、电话:传真电话:(2)整改后的复查复查是对安全检查成果的巩固和检验。复查一般要注意两个方面:一是对重点环节的复查;二是对检查中发现问题的整改落实的复查。整改应实施“三定”(定措施、定时间、定负责人)、“四不推”(班组能解决的,不推到工段;工段能解决的,不推到车间;车间能解决的,不推到厂;厂能解决的,不推到上级)制度。对于一些长期危害职工安全健康的重大隐患,整改措施应件件有交代、条条有着落。为了督促各单位搞好事故隐患整改工作,常用“事故隐患整改通知书”,指定被查单位限期整改。对于企业主管部门或劳动部门下达的隐患整改通知、监察意见和监察指令,必须严肃对待,认真研究执行,并将执行情况及时上报有关部门。

展开阅读全文
相关资源
猜你喜欢
相关搜索

当前位置:首页 > 法律/法学 > 劳动法

copyright@ 2008-2023 1wenmi网站版权所有

经营许可证编号:宁ICP备2022001189号-1

本站为文档C2C交易模式,即用户上传的文档直接被用户下载,本站只是中间服务平台,本站所有文档下载所得的收益归上传人(含作者)所有。第壹文秘仅提供信息存储空间,仅对用户上传内容的表现方式做保护处理,对上载内容本身不做任何修改或编辑。若文档所含内容侵犯了您的版权或隐私,请立即通知第壹文秘网,我们立即给予删除!