室内热水供应辅助设备安装质量标准及检验方法.docx

上传人:p** 文档编号:232193 上传时间:2023-04-18 格式:DOCX 页数:3 大小:19.96KB
下载 相关 举报
室内热水供应辅助设备安装质量标准及检验方法.docx_第1页
第1页 / 共3页
室内热水供应辅助设备安装质量标准及检验方法.docx_第2页
第2页 / 共3页
室内热水供应辅助设备安装质量标准及检验方法.docx_第3页
第3页 / 共3页
亲,该文档总共3页,全部预览完了,如果喜欢就下载吧!
资源描述

《室内热水供应辅助设备安装质量标准及检验方法.docx》由会员分享,可在线阅读,更多相关《室内热水供应辅助设备安装质量标准及检验方法.docx(3页珍藏版)》请在第壹文秘上搜索。

1、室内热水供应辅助设备安装质量标准及检验方法1检查数量:主控项目1)在安装太阳能集热器玻璃前,集热排管和上、下集管做水压试验:全系统检查。2)热交换器水压试验:全系统检查。3)水泵就位前的基础混凝土强度、坐标、标高、尺寸和螺栓孔位置:逐台检查。4)水泵试运转的轴承温升:逐台检查。5)水箱(罐)满水试验或水压试验:逐个检查。6)固定式太阳能热水器安装,其朝向、偏移和集热器的倾角:逐台检查。7)热水箱底与上集管之间距离:逐台检查。8)吸热钢板凹槽制作和安装集热排管:抽查5处。9)太阳能热水器的最低处安装:抽查5处。10)热水箱及上、下集管等循环管道:抽查5处。11)凡以水作介质的太阳能热水器,在0以

2、下地区使用:逐台检查。12)辅助设备安装:全数检查。13)板式直管太阳能热水器安装:逐台检查。2质量标准和检验方法:室内热水供应辅助设备安装质量标准和检验方法类别序号检查项目质量标准单位检验方法及器具主控项目1集热排管和上、下集管做水压试验在安装太阳能集热器玻璃前,应对集热排管和上、下集管做水压试验,试验压力为工作压力的1.5倍。试验压力下IOnlin内压力不降、不渗漏观察检查2热交换器水压试验应以工作压力的1.5倍做水压试验。蒸汽部分应不低于蒸汽供汽压力加O.3MPa;热水部分应不低于0.4MPa,试验压力下IOmin内压力不降、不渗漏观察检查3水泵基础水泵就位前的基础混凝土强度、坐标、标高

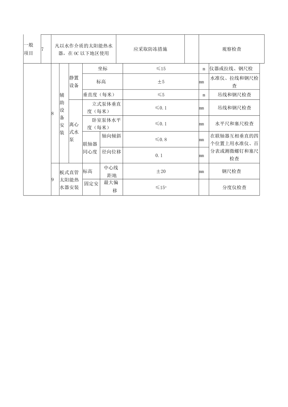
3、、尺寸和螺栓孔位置必须符合设计要求对照图纸用仪器和钢尺检查4水泵试运转的轴承温升必须符合设备说明书的规定温度计实测检查5水箱(罐)满水试验或水压试验必须符合设计与现行有关标准的规定,满水试验静置24h,不渗漏水压试验在试验压力下IOmin内压力不降、不渗漏观察检查一般项目1固定式太阳能热水器安装,其朝向、偏移和集热器的倾角朝向应正南。如果受条件限制,其偏移角不得大于15。集热器的倾角,对于春、夏、秋三个季节使用的,应采用当地纬度为倾角;若以夏季为主,可比当地纬度减少10观察和分度仪检查2集热器的循环管道坡度25%0钢尺检查3热水箱底与上集管之间的距离1.0-0.3m钢尺检查4吸热钢板凹槽制作和

4、集热排管安装制作吸热钢板凹槽时,其圆度应准确,间距应一致。安装集热排管时,应用卡箍和钢丝将集热排管紧固在钢板凹槽内手扳和钢尺检查5太阳能热水器的最低处安装太阳能热水器的最低处应安装泄水装置观察检查6热水箱及上、下集管等循环应保温观察检查一般项目7凡以水作介质的太阳能热水器,在OC以下地区使用应采取防冻措施观察检查8辅助设备安装静置设备坐标15m仪器或拉线、钢尺检标高5mm水准仪、拉线和钢尺检查垂直度(每米)5m吊线和钢尺检查离心式水泵立式泵体垂直度(每米)0.1mm吊线和钢尺检查卧室泵体水平度(每米)0.1mm水平尺和塞尺检查联轴器同心度轴向倾斜0.8mm在联轴器互相垂直的四个位置上用水准仪、百分表或测微螺钉和塞尺检查径向位移0.1mm9板式直管太阳能热水器安装标高中心线距地20mm钢尺检查固定安最大偏移15o分度仪检查

展开阅读全文
相关资源
猜你喜欢
相关搜索

当前位置:首页 > 建筑/环境 > 给排水/暖通与智能化

copyright@ 2008-2023 1wenmi网站版权所有

经营许可证编号:宁ICP备2022001189号-1

本站为文档C2C交易模式,即用户上传的文档直接被用户下载,本站只是中间服务平台,本站所有文档下载所得的收益归上传人(含作者)所有。第壹文秘仅提供信息存储空间,仅对用户上传内容的表现方式做保护处理,对上载内容本身不做任何修改或编辑。若文档所含内容侵犯了您的版权或隐私,请立即通知第壹文秘网,我们立即给予删除!