室内给水设备安装质量标准及检验方法.docx

上传人:p** 文档编号:232219 上传时间:2023-04-18 格式:DOCX 页数:2 大小:17.83KB
下载 相关 举报
室内给水设备安装质量标准及检验方法.docx_第1页
第1页 / 共2页
室内给水设备安装质量标准及检验方法.docx_第2页
第2页 / 共2页
亲,该文档总共2页,全部预览完了,如果喜欢就下载吧!
资源描述

《室内给水设备安装质量标准及检验方法.docx》由会员分享,可在线阅读,更多相关《室内给水设备安装质量标准及检验方法.docx(2页珍藏版)》请在第壹文秘上搜索。

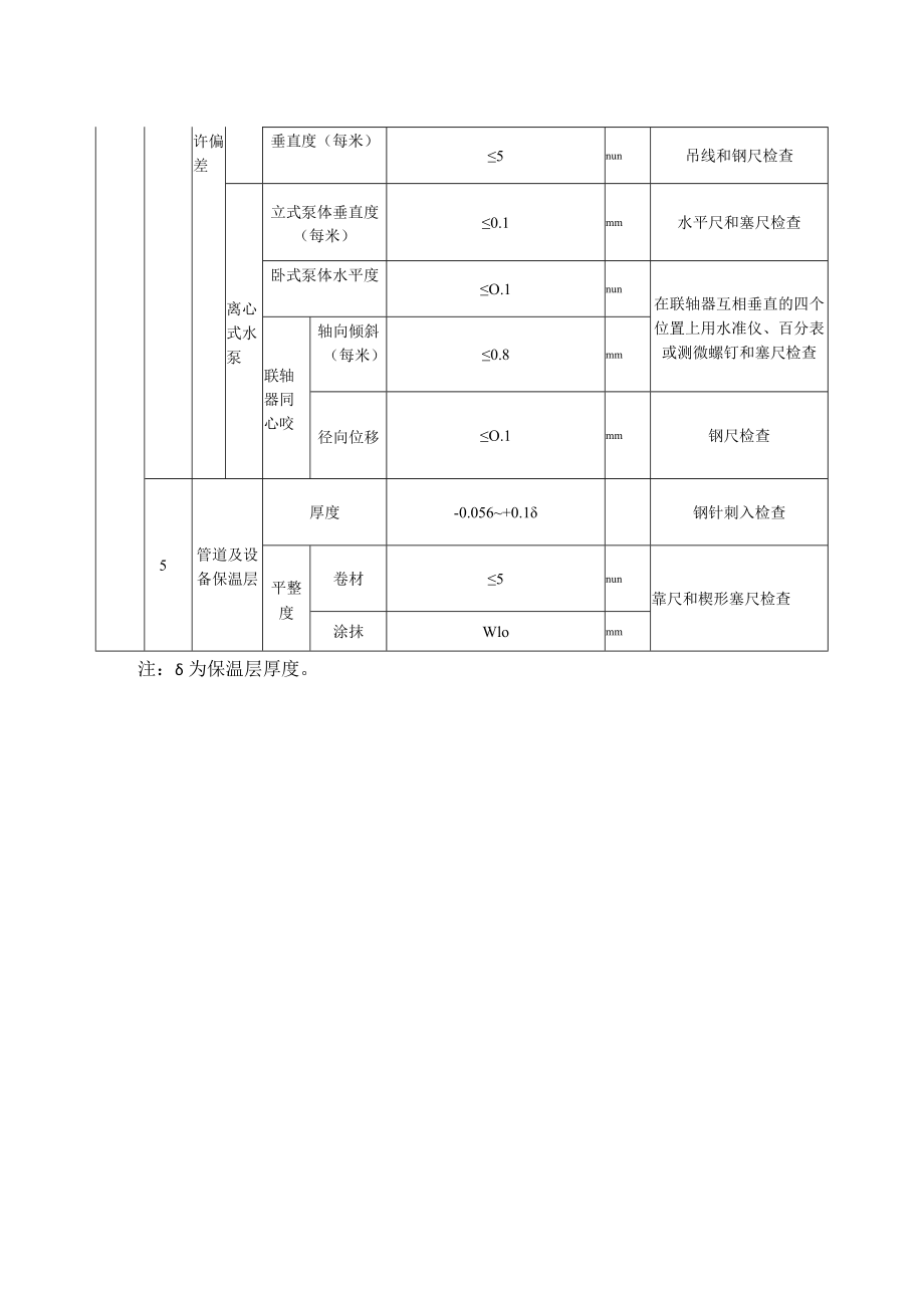
室内给水设备安装质量标准及检验方法1检查数量:主控项目1)全数检查。一般项目2)表5.25.3第1项第4项:全数检查。3)表5.25.3第5项:室内每20m抽查1处。2质量标准和检验方法:室内给水设备安装质量标准和检验方法类别序号检查项目质量标准单位检验方法及器具主控项目1水泵基础混凝土强度、坐标、标高、尺寸和螺栓孔位置必须符合设计规定对照图纸用仪器和钢尺检查2水泵试运转的轴承温升必须符合设备说明书的规定温度计实测检查3敞口水箱的满水试验和密闭水箱(罐)的水压试验必须符合设计与现行标准的规定观察检查1水箱支架或底座安装尺寸及位置应符合设计规定,埋设平整、牢固钢尺检查2水箱溢流管和泄放管安装应设置在排水地点附近,但不得与排水管直接连接观察检查3立式水泵的减振装置不应采用弹簧减振器观察检查4设备安装允静置设备坐标15mm经纬仪、拉线和钢尺检查标高5mm水准仪、拉线和钢尺检查许偏差垂直度(每米)5nun吊线和钢尺检查离心式水泵立式泵体垂直度(每米)0.1mm水平尺和塞尺检查卧式泵体水平度O.1nun在联轴器互相垂直的四个位置上用水准仪、百分表或测微螺钉和塞尺检查联轴器同心咬轴向倾斜(每米)0.8mm径向位移O.1mm钢尺检查5管道及设备保温层厚度-0.056+0.1钢针刺入检查平整度卷材5nun靠尺和楔形塞尺检查涂抹Wlomm注:为保温层厚度。

展开阅读全文
相关资源
猜你喜欢
相关搜索

当前位置:首页 > 建筑/环境 > 给排水/暖通与智能化

copyright@ 2008-2023 1wenmi网站版权所有

经营许可证编号:宁ICP备2022001189号-1

本站为文档C2C交易模式,即用户上传的文档直接被用户下载,本站只是中间服务平台,本站所有文档下载所得的收益归上传人(含作者)所有。第壹文秘仅提供信息存储空间,仅对用户上传内容的表现方式做保护处理,对上载内容本身不做任何修改或编辑。若文档所含内容侵犯了您的版权或隐私,请立即通知第壹文秘网,我们立即给予删除!