室内采暖管道及配件安装质量标准及检验方法.docx

上传人:p** 文档编号:232237 上传时间:2023-04-18 格式:DOCX 页数:4 大小:23.72KB
下载 相关 举报
室内采暖管道及配件安装质量标准及检验方法.docx_第1页
第1页 / 共4页
室内采暖管道及配件安装质量标准及检验方法.docx_第2页
第2页 / 共4页
室内采暖管道及配件安装质量标准及检验方法.docx_第3页
第3页 / 共4页
室内采暖管道及配件安装质量标准及检验方法.docx_第4页
第4页 / 共4页
亲,该文档总共4页,全部预览完了,如果喜欢就下载吧!
资源描述

《室内采暖管道及配件安装质量标准及检验方法.docx》由会员分享,可在线阅读,更多相关《室内采暖管道及配件安装质量标准及检验方法.docx(4页珍藏版)》请在第壹文秘上搜索。

1、室内采暖管道及配件安装质量标准及检验方法1检查数量:主控项目1)管道安装坡度:每IOOm直线管段抽查3段,不足IOOm抽查2段;室内有隔墙时,以隔墙为分段数抽查5%,且不应少于5个。2)平衡阀及调节阀型号、规格、公称压力及安装位置:抽查10%,且不应少于2处,有特殊要求的阀门应全部检查。一般项目3)管道、金属支架和设备的防腐和涂漆:支架按个数抽查10%,防腐和涂漆每20m检查1处。4)管道及设备保温:室内每20m抽查1处。5)采暖管道安装允许偏差:按系统内直线管段长度每50m抽查2段,不足50m时应不少于2段。有分隔墙的建筑,以隔墙分为段数,抽查5%,且不应少于10段。立管垂直度:1根立管为1

2、段,2层及以上按楼层分段,抽查5%,且不应少于10段。2质量标准和检验方法:室内采暖管道及配件安装质量标准和检验方法类别序号检查项目质量标准单位检验方法及器具主控项目I管道安装坡度当设计未注明时,应符合下列规定:(1)气、水同向流动的热水采暖管道和汽、水同向流动的蒸汽管道及凝结水管道,坡度应为3%。,且不得小于2%o。(2)气、水逆向流动的热水采暖管道和汽、水逆向流动的蒸汽管道,坡度不应小于5%o。观察,水平尺、接线、钢尺检查2补偿器的型号、安装位置及预拉伸和固定支架的构造及安装位置应符合设计要求对照图纸,现场观察,并查验预拉伸记录3平衡阀及调节阀型号、规格、公称压力及安装位置应符合设计要求;

3、安装完后应根据系统平衡要求进行调试,并做出标志对照图纸查验产品合格证,并现场查看4蒸汽减压和管道及设备上安全阀的型号、规格、公称压力及安装位置应符合设计要求;安装完毕后应根据系统工作压力进行调试,并做出标志对照图纸查验产品合格证及调试结果证明书5方形补偿器制作应用整根无缝钢管煨制,如需要接口,其接口应设在垂直臂的中间位置,且接口必须焊接观察检查6方形补偿器安装应水平安装,并与管道的坡度一致;如其臂长方向垂直安装,则必须设排气及泄水装置观察检查1热量表、疏水器、除污器、过滤器及阀门的型号、规格、公称压力及安装位置应符合设计要求对照图纸查验产品合格证,必要时进行解体检查2采暖系统入口装置及分户热计

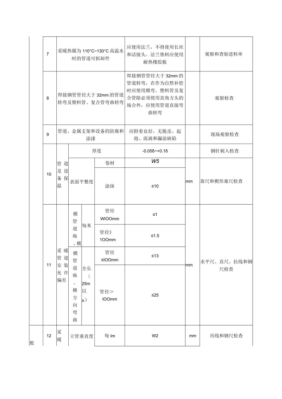
4、量系统入户装置应符合设计要求;安装位置应便于检修、维护和观察现场观察检查3散热器支管散热器支管长度超过1.5m时,应在支管上安装管卡钢尺和观察检查4上供下回式系统的热水干管变径及蒸汽干管变径的连接上供下回式系统的热水干管变径应顶平偏心连接;蒸汽干管变径应底平偏心连接观察检查5在管道干管上焊接垂直或水平分支管道及开孔所产生的钢渣及管壁等废弃物不得残留在管内,且分支管道在焊接时不得插入干管内观察检查6膨胀水箱的膨胀管及循环管管上不得安装阀门观察检查7采暖热媒为110C130C高温水时的管道可拆卸件应使用法兰,不得使用长丝和活接头。法兰垫料应使用耐热橡胶板观察和查验进料单8焊接钢管管径大于32mm的

5、管道转弯及塑料管、复合管弯曲转弯焊接钢管管径大于32mm的管道转弯,在作为自然补偿时应使用煨弯。塑料管及复合管除必须使用直角方头的场合外,应使用管道直接弯曲转弯观察检查9管道、金属支架和设备的防腐和涂漆应附着良好,无脱皮、起泡、流淌和漏涂缺陷现场观察检查10管道及设备保温厚度-0.05+0.1钢针刺入检查表面平整度卷材W5mm靠尺和楔形塞尺检查涂抹1011采暖管道安装允许偏差横管道纵、横每米管径WIOOmm1mm水平尺、直尺、拉线和钢尺检查管径1OOmm1.5横管道纵、横方向弯曲全长(25m以)管径IOOmm13管径IOOmm25般12采暖立管垂直度每ImW2mm吊线和钢尺检查项目管道安装允全长(5m以上)10mm管径10%许偏差椭圆率管径IOOmm8%方管褶皱不管径IOOmm4mm外卡钳和钢尺检查T-整度管径IOOmmW5mm钢焊口平直度管壁厚IOmm以内管壁厚的1/4mm焊接检验尺和游标卡管高度1尺检查13管道焊接宽度+1深度0.5咬边长连续长度25mm直尺检查咬总长度小于焊缝长度的10%注:为保温层厚度。

展开阅读全文
相关资源
猜你喜欢
相关搜索

当前位置:首页 > 建筑/环境 > 给排水/暖通与智能化

copyright@ 2008-2023 1wenmi网站版权所有

经营许可证编号:宁ICP备2022001189号-1

本站为文档C2C交易模式,即用户上传的文档直接被用户下载,本站只是中间服务平台,本站所有文档下载所得的收益归上传人(含作者)所有。第壹文秘仅提供信息存储空间,仅对用户上传内容的表现方式做保护处理,对上载内容本身不做任何修改或编辑。若文档所含内容侵犯了您的版权或隐私,请立即通知第壹文秘网,我们立即给予删除!