应急预案评估报告.docx

上传人:p** 文档编号:235917 上传时间:2023-04-18 格式:DOCX 页数:2 大小:16.51KB
下载 相关 举报
应急预案评估报告.docx_第1页
第1页 / 共2页
应急预案评估报告.docx_第2页
第2页 / 共2页
亲,该文档总共2页,全部预览完了,如果喜欢就下载吧!
资源描述

《应急预案评估报告.docx》由会员分享,可在线阅读,更多相关《应急预案评估报告.docx(2页珍藏版)》请在第壹文秘上搜索。

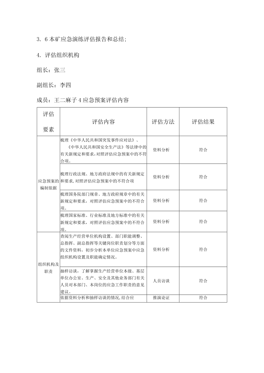
1、生产安全事故应急预案评估报告根据生产安全事故应急预案管理办法(国家安全监管总局令第88号)、生产经营单位安全生产事故应急预案编制导则(GBT29639-2013)等文件规定,2018年3月26日对xxxxx公司生产安全事故应急预案相关内容进行评估。1.总则1. 1评估对象:XXXXX公司生产安全事故应急预案1.2 评估目的:为提高我公司矿山的应急管理能力和应急处置水平,检验生产安全事故应急预案是否符合要求,重新修订、评审、备案我公司矿山生产安全事故应急预案。1.3 评估原则实事求是、依法依规、科学评估、持续改进。1.4 评估目的发现应急预案内容存在的问题和不足,对是否需要修订做出结论,并提出修

2、订建议。2评估依据:2. 1中华人民共和国安全生产行业标准AQ/Txxxx-2016:生产经营单位生产安全事故应急预案评估指南(征求意见稿);2.2 生产安全事故应急预案管理办法(国家安全监管总局令第88号);2.3 生产经营单位安全生产事故应急预案编制导则(GBT29639-2013)。2.4本矿风险评估报告;2. 5本公司生产经营单位应急组织机构设置情况;3. 6本矿应急演练评估报告和总结;4. 评估组织机构组长:张三副组长:李四成员:王二麻子4应急预案评估内容评估要素评估内容评估方法评估结果应急预案的编制依据梳理中华人民共和国突发事件应对法、中华人民共和国安全生产法等法律中的有关新规定和

3、要求,对照评估应急预案中的不符合项。资料分析符合梳理行政法规、地方政府法规中的有关新规定和要求,对照评估应急预案中的不符合项资料分析符合梳理国务院部门规章、地方政府规章中的有关新规定和要求,对照评估应急预案中的不符合项。资料分析符合梳理国家标准、行业标准及地方标准中的有关新规定和要求,对照评估应急预案中的不符合项。资料分析符合组织机构及职责查阅生产经营单位机构设置、部门职能调整、总指挥、副总指挥等关键岗位职责划分等方面的文件资料,初步分析本单位应急预案中应急组织机构设置及职能确定情况。资料分析符合抽样访谈,了解掌握生产经营单位本级、基层单位办公室、生产、安全及其他业务部门有关人员对本部门、本岗位的应急工作职责的意见建议。人员访谈符合依据资料分析和抽样访谈的情况,结合应推演论证符合

展开阅读全文
相关资源
猜你喜欢
相关搜索

当前位置:首页 > 行业资料 > 公共安全/安全评价

copyright@ 2008-2023 1wenmi网站版权所有

经营许可证编号:宁ICP备2022001189号-1

本站为文档C2C交易模式,即用户上传的文档直接被用户下载,本站只是中间服务平台,本站所有文档下载所得的收益归上传人(含作者)所有。第壹文秘仅提供信息存储空间,仅对用户上传内容的表现方式做保护处理,对上载内容本身不做任何修改或编辑。若文档所含内容侵犯了您的版权或隐私,请立即通知第壹文秘网,我们立即给予删除!