建设项目风险预测与防范与事故应急预案.docx

上传人:p** 文档编号:237498 上传时间:2023-04-18 格式:DOCX 页数:13 大小:48.97KB
下载 相关 举报
建设项目风险预测与防范与事故应急预案.docx_第1页
第1页 / 共13页
建设项目风险预测与防范与事故应急预案.docx_第2页
第2页 / 共13页
建设项目风险预测与防范与事故应急预案.docx_第3页
第3页 / 共13页
建设项目风险预测与防范与事故应急预案.docx_第4页
第4页 / 共13页
建设项目风险预测与防范与事故应急预案.docx_第5页
第5页 / 共13页
建设项目风险预测与防范与事故应急预案.docx_第6页
第6页 / 共13页
建设项目风险预测与防范与事故应急预案.docx_第7页
第7页 / 共13页
建设项目风险预测与防范与事故应急预案.docx_第8页
第8页 / 共13页
建设项目风险预测与防范与事故应急预案.docx_第9页
第9页 / 共13页
建设项目风险预测与防范与事故应急预案.docx_第10页
第10页 / 共13页
亲,该文档总共13页,到这儿已超出免费预览范围,如果喜欢就下载吧!
资源描述

《建设项目风险预测与防范与事故应急预案.docx》由会员分享,可在线阅读,更多相关《建设项目风险预测与防范与事故应急预案.docx(13页珍藏版)》请在第壹文秘上搜索。

1、建设项目风险预测与防范与事故应急预案编制:审核:审批:XXX建设集团有限公司202x年XX月XX日目录一、项目风险预测与防范3项目风险预测与防范工作程序图3二、雨季施工保障措施及应急预案42.1 建立现场雨施管理组织42.2 生产部署52.3 材料部署52.4 技术部署52.5 雨季施工前的准备:52.6 雨季施工中保隙措施:62.7 雨季施工应急保障措施6安全撤离6三、紧急事故保障措施及应急预案73.1 总则73.2 灾情预警和报告83.3 应急反应机构83.4 抢险队伍83.5 灾害处理83.6 抢险步骤93.7 防灾设备93.8 灾情、事故搜集和报告93.9 日常检查和演习9四、高温季节

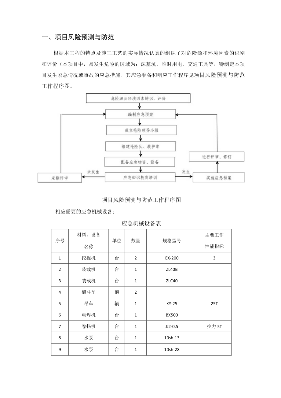
2、施工保障措施及应急预案1041夏季高温施工保证措施104.2 夏季高温应急措施10一、项目风险预测与防范根据本工程的特点及施工工艺的实际情况认真的组织了对危险源和环境因素的识别和评价(本项目中,易发生危险的区域为:深基坑、临时用电、交通工具等,特制定本项目发生紧急情况或事故的应急措施。其应急准备和响应工作程序见项目风险预测与防范工作程序图。项目风险预测与防范工作程序图相应需要的应急机械设备:应急机械设备表序号材料、设备名称单位数量规格型号主要工作性能指标1挖掘机台2EX-20032装载机台1ZL40B3装载机台1ZLC404翻斗车辆25吊车辆1KY-2525T6电焊机台1BX5007卷扬机台1

3、JJ2-0.5拉力5T8水泵台110sh-139水泵台110sh-28序号材料、设备名称单位数量规格型号主要工作性能指标10水泵台1250JQC140X211发电机台1200KW12发电机台130KW13编织袋个100014推土机台115长城皮卡台217五十铃台1二、雨季施工保障措施及应急预案在准备项目经理部的建造过程中,需要特别注意场地内的雨水、污水的排泄畅通,在项目部进出口处设置沉淀池和冲洗池,并且在机械停靠场地加强场地的硬化,设置坡度,并做好挡雨的防护工作。在施工期间,注意气象台发布特大暴雨、风暴等紧急警报,应急预案领导小组全体人员进入紧急应急状态。小组成员应指挥各施工班组做好“防汛”准

4、备,如准备好沙袋、加固临时建筑的窗门及各类机械设备的入库措施。同时小组领导应向公司领导报告“防汛”情况,听从统一调度指挥。2.1 建立现场雨施管理组织为了确保本工程在雨季期间的施工安全及工程的顺利进行,保证工程质量,组建现场“防汛”指挥部。事故现场副总指挥由项目经理部经理担任;伤员营救组由项目副经理担任组长,各施工队分别抽调作业人员组成;物资抢救组由各施工队分别抽调施工人员组成;现场临时医疗组由现场医护人员和各施工队分别抽调人员组成。保卫疏导组由公安人员、后勤人员和各施工队分别抽调施工人员组成;抢险物资供应组由各施工队物资管理人员组成;后勤供给组由项目部办公室人员组成;2.2 生产部署根据该地

5、区往年雨季施工来临时间及本年天气变化情况提前布置好周密的基础结构施工进度安排,在保证施工质量、施工安全的前提下,尽快在正常雨期到来前,做好施工生产部署。2.3 3材料部署根据雨期施工特点及生产计划安排,提前进行防雨、防汛材料设备的采购进场准备工作,做到“早预防、早准备”,避免造成施工混乱。按照工程进度,整个施工路线设立多个材料堆积点,做好防水准备,并事先做好防汛计划。在本项目中,需要重点照顾的防汛为堆载土、空心板梁、混凝土,汛期来临的时候,堆积材料地方垫高,并且在附近挖好排水沟,满足汛期的排水需求,排水直接派到附近的河道中。2.4 技术部署根据雨季施工特点,建立施工现场每日天气预报宣传,配合生

6、产部门合理的安排结构混凝土浇筑时间。并与混凝土搅拌站技术部门进行施工交底工作,保证浇筑的混凝土工程质量。2.5 5雨季施工前的准备:、施工现场道路按排水坑位置找好0.3%的排水坡度。(2)、现场木工棚、钢筋棚、焊工棚、水电棚、配电室及现场配电箱等处的放置的配电箱均已按要求做有高出地面的基础台且配电箱都已作好防雨、防潮概、现场水泥库、水泵房、库房等均采取了封闭防雨措施,且库房内地面用木方已垫高,设有排水孔。、施工现场内的堆料场(如大模板场、钢筋料场、木料场、钢管场等)地面高出现场地面,并做排水处理。、回填土回填完毕后,将工程外脚手架地基夯平、垫高,找排水坡度,并做防雷接地处理。(6现场材料部门配

7、合生产部门采购进场防雨材料及器具(如塑料布、苫布、潜水泵等),做好防雨、防汛材料准备。、基坑内增加设置集水坑,并按集水坑位置做基坑内排水流向找坡,集水坑内设置抽水潜水泵。、由于本工程沿途经过很多路口,排水可以引到其他道路的排水系统上,避免使路基浸泡。2.6雨季施工中保障措施:加强雨施期间的安全值班制度,雨施前对现场职工进行雨施安全教育,克服麻痹思想。发现险情及时报告,组织好抢险工作。加强雨施期间的现场安全施工检查力度,组织电工经常对施工期间的各种配电箱、施工机械、电焊机等进行检查、维修。将施工隐患提前控制住。有现场安全员负责检查落实现场安全防护设施和机械防雨措施即防雷接地设施的认真贯彻实施情况

8、,并做好检查记录。发现问题及时上报解决。(4)风雨后组织有关人员对工程脚手架等进行检查和维护,及时将发现的安全隐患排除掉。各种动力、照明线路附近禁止对方易燃物品,室内照明及现场移动式照明有可靠防潮措施,配电箱、电闸箱有防雨措施,非电工不得使用电气设备及私改线路。(6)施工用脚手架上及行人马道上采取防滑处理,检查铺设的脚手板牢固可靠性,增加防滑条。继续要求施工班组加强执行对施工人员的班前讲话制度,明确强调雨期施工的安全施工注意事项,提高施工人员的自我安全防范意识。(8)根据现场情况,材料可以沿途摆放,雨季施工期间,加强检查现场堆料场的防雨、防雷击、排水措施的执行落实情况。将现场制定的预防措施及交

9、底要求,向下认真进行传达、落实,做到管理跟踪到位。2. 7雨季施工应急保障措施具体应急措施:安全撤离当确认出现暴雨时,由项目部领导下令,立即电话通知值班室,组织所有现场施工人员将施工机械加以安置保护,施工人员由班组长带队全部撤离。被困施工人员来不及撤离的,应选择安全平台进行自我保护,等待项目部组织救援。组织抢险A各班组及时清点人员,确认有无被困人员,并集结待命,不得私自外出;B组织抢险突击队由各工班抽调精壮工人组成负责物资转移及人员救护C卫生员做好准备,并视情提前与定点医院联系。供电和照明a在汛期到来之前,应果断断电,防止个别线路发生意外;特别是生活用电和加工场用电等。险情排除后,经检查确认安

10、全后可恢复供电;b启动专用照明线路,保障必要的照明需要。(4)警戒与治安在发生汛情险情时,保安应加强巡视,隔离安全地带,禁止闲杂人员逗留,禁止一切人员进入危险区域,禁止地方老百姓进入施工现场;人群疏散与安置疏散人员工作要有秩序的服从指挥人员的疏导要求进行疏散,做到不惊慌失措,勿混乱、拥挤,减少人员伤亡。将所有人员转移到安全地带。(6)施工应急措施A物资保障措施:做好物资供应计划,安排好防汛渡汛物资的准备工作,在汛期来临前,准备好足够的编制袋、黄砂、橡皮艇、救生衣等防洪物资。B设备保障措施:投入现场的装载机、反铲、吊车、运输车、等设备,同时加强设备保养与维修,确保汛期来临时设备能正常运转,特殊时

11、期能充分发挥设备的应急作用。C密切与水文站取得联系,及时获得水情预报,保障信息畅通,及时采取防范措施,作好防洪防汛准备工作。D根据场地及周期,经历两次夏天,沿线街道比较多,可以顺利疏散人群,利用各地下水管道,及时排除积水,尽早开工。三、紧急事故保障措施及应急预案31总则工作原则:统一领导,分级负责。项目经理接受业主或有关部门的指挥,项目部内部各抢险小组统一接受项目经理指挥。适用范围:本标段范围发生的基坑坍塌、火灾、支架失稳、重大机毁事故等突发性灾害事件发生后的应急反应。3.2灾情预警和报告A灾害预警项目部综合管理部收集各灾情信息,并与业主或有关部门紧密联系及时发出预警,预测灾情的发生趋势及可能

12、对特定区域内的群众生命财产造成的威胁。B建议对策项目部根据灾情预测预警及时向监理、业主或有关部门提出应急对策建议和措施,或者制定针对性应急方案。C报告灾情灾情发生后,项目部立即向监理、业主或有关部门报告初步灾情并迅速组织有关部门调查核实灾情。发生特大灾害,可以越级向上级人民政府或主管部门报告。灾情内容主要包括:灾情种类,发生时间、地点、范围、程度、损失及趋势,采取的措施,生产、生活方面需要解决的问题等。3. 3应急反应机构小范围灾情由项目部成立抢险救灾临时领导小组,项目经理为组长,副经理、总工为副组长,成员由项目部各部负责人、作业队队长组成。大范围的灾情在业主或有关部门的领导下,由项目部成立抢

13、险领导小组,各作业队成立抢险小分队,负责本单位的防灾工作,并随时听从抢险救灾总部的指示。3.4抢险队伍作业队分别精选一支不少于40人的抢险基本队伍,作为抢险救灾的骨干力量,现场的所有职工加入抢险基本队伍,参加抢险救灾,抢险队伍通过应急反应机构接受上级领导,并制订联络方案,按设防范围和标准上岗值班或接通知参加抢险。3.5灾害处理各队伍均有两名工作小组成员值班,随时和上级部门、业主保持联络。发生险情后,立即报告现场总值班。值班负责人立即组织现场人员进行抢险,派人到防灾器材专用仓库提取器材,布置就位。值班负责人有权调动当班上岗人员和抢险机动人员。同时及时通知本队伍领导赶赴现场,并将情况汇报给上级部门

14、值班室。负责人赶到现场,组织指挥抢险。3.6抢险步骤将通讯工具分发到现场主要抢险负责人。各级抢险负责人进行分工、协调工作。提取或调集防灾器材。实施抢险,组织转移安置公私财物和人员。3.7防灾设备项目部和作业队应根据本段工程和工地的实际情况,配齐配足木材、钢材、砂袋、片石、蓬布、止水材料、发电机、大功率抽水机、消防设备等应急抢险器材、设备。配备一定数量的汽车式起重机、挖掘机、自卸运输车,随时接受项目部的调遣。成立救护队及医疗抢救站,配备急救和抢救设备,并指定专人保管,经常保持其良好状态,抢救设备不得挪作他用。3.8灾情、事故搜集和报告灾情、事故发生后,项目部在监理的指导下及时组织有关部门和人员核查统计汇总灾害损失情况,并逐级上报。发生建设工程重大安全险情或重大事故后应立即将事故情况如实向事故所在地建设行政主管部门或其他有关部门报告。在公安、消防、卫生等专业抢险力量达到现场前,应立即启动本单位的应急抢险预案,全力协助开展事故抢险救援工作。同时协助有关部门保护现场,维护现场秩序,妥善保管有关物证,配合有关部门收集证据。应急状态终止后,各有关单位、部门及时做出书面报告。3.9日常检查和演习为了确保应急救助的快速反应能力和效果还必须研究和制定安全排险救助的技术措施,做到统一指挥、分工明确、各尽其责、

展开阅读全文
相关资源
猜你喜欢
相关搜索

当前位置:首页 > 行业资料 > 公共安全/安全评价

copyright@ 2008-2023 1wenmi网站版权所有

经营许可证编号:宁ICP备2022001189号-1

本站为文档C2C交易模式,即用户上传的文档直接被用户下载,本站只是中间服务平台,本站所有文档下载所得的收益归上传人(含作者)所有。第壹文秘仅提供信息存储空间,仅对用户上传内容的表现方式做保护处理,对上载内容本身不做任何修改或编辑。若文档所含内容侵犯了您的版权或隐私,请立即通知第壹文秘网,我们立即给予删除!