成品钢桩质量标准及检验方法.docx

上传人:p** 文档编号:238317 上传时间:2023-04-18 格式:DOCX 页数:2 大小:16.70KB
下载 相关 举报
成品钢桩质量标准及检验方法.docx_第1页
第1页 / 共2页
成品钢桩质量标准及检验方法.docx_第2页
第2页 / 共2页
亲,该文档总共2页,全部预览完了,如果喜欢就下载吧!
资源描述

《成品钢桩质量标准及检验方法.docx》由会员分享,可在线阅读,更多相关《成品钢桩质量标准及检验方法.docx(2页珍藏版)》请在第壹文秘上搜索。

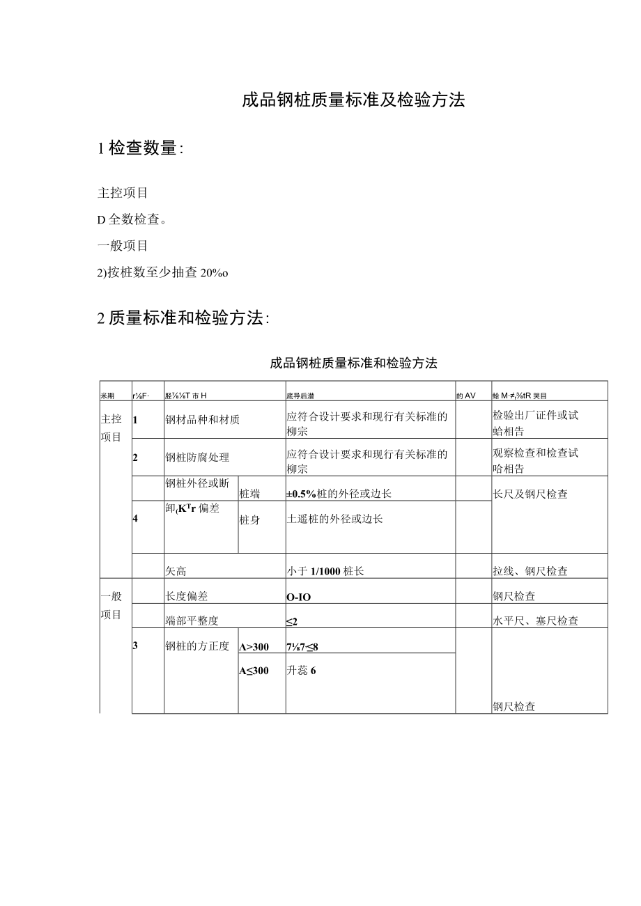
成品钢桩质量标准及检验方法1检查数量:主控项目D全数检查。一般项目2)按桩数至少抽查20%o2质量标准和检验方法:成品钢桩质量标准和检验方法米期rF胫T市H底导后潜的AV蛤MrtR哭目主控项目1钢材品种和材质应符合设计要求和现行有关标准的柳宗检验出厂证件或试蛤相告2钢桩防腐处理应符合设计要求和现行有关标准的柳宗观察检查和检查试哈相告钢桩外径或断桩端0.5%桩的外径或边长长尺及钢尺检查4卸(KTr偏差桩身土遥桩的外径或边长矢高小于1/1000桩长拉线、钢尺检查一般项目长度偏差O-IO钢尺检查端部平整度2水平尺、塞尺检查3钢桩的方正度30077,8钢尺检查A300升蕊6T=C/H端部平面与桩中心线的倾斜值2mm水平尺测量注:h为彳会面高度:T、T为翼板单侧余度。

展开阅读全文
相关资源
猜你喜欢
相关搜索

当前位置:首页 > 行业资料 > 国内外标准规范

copyright@ 2008-2023 1wenmi网站版权所有

经营许可证编号:宁ICP备2022001189号-1

本站为文档C2C交易模式,即用户上传的文档直接被用户下载,本站只是中间服务平台,本站所有文档下载所得的收益归上传人(含作者)所有。第壹文秘仅提供信息存储空间,仅对用户上传内容的表现方式做保护处理,对上载内容本身不做任何修改或编辑。若文档所含内容侵犯了您的版权或隐私,请立即通知第壹文秘网,我们立即给予删除!