找平层质量标准及检验方法.docx

上传人:p** 文档编号:238988 上传时间:2023-04-18 格式:DOCX 页数:2 大小:17.23KB
下载 相关 举报
找平层质量标准及检验方法.docx_第1页
第1页 / 共2页
找平层质量标准及检验方法.docx_第2页
第2页 / 共2页
亲,该文档总共2页,全部预览完了,如果喜欢就下载吧!
资源描述

《找平层质量标准及检验方法.docx》由会员分享,可在线阅读,更多相关《找平层质量标准及检验方法.docx(2页珍藏版)》请在第壹文秘上搜索。

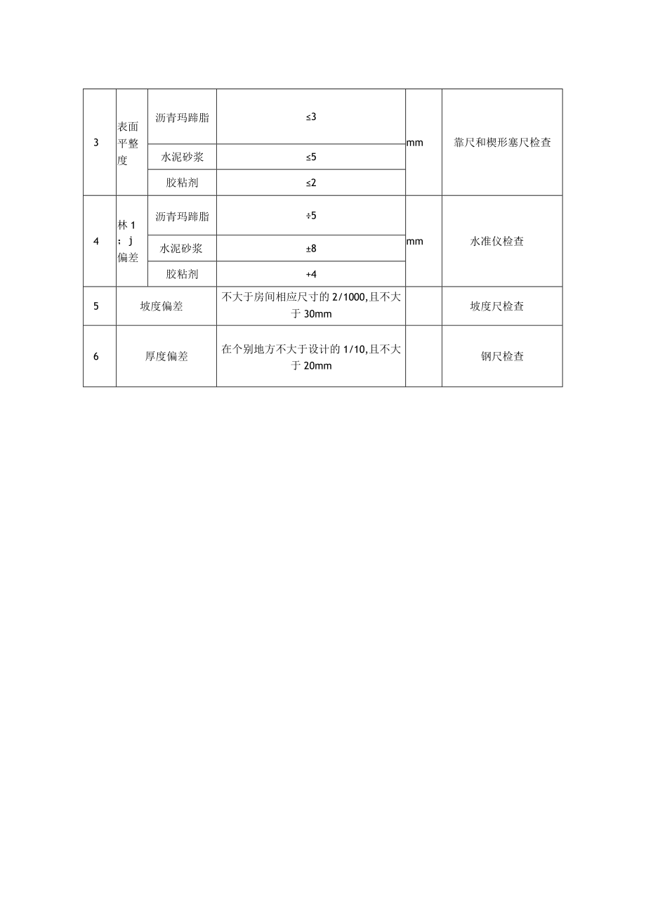
1、找平层质量标准及检验方法1检查数量:主控项目1)水泥:按同一生产厂家、同一等级、同一品种、同一批号且连续进场的水泥,袋装不超过20Ot为一批,散装不超过500t为一批,每批抽样至少一次。2)砂子、石子、外加剂:按进场的批次和产品的抽样检验方案确定。3)水泥混凝土和水泥砂浆强度试块的组数:每一层(或检验批)建筑地面工程不应少于1组。当每一层(或检验批)建筑地面工程面积大于1000m2时,每增加1000m2应增做1组试块;小于1000m2按1000m2计算。当改变配合比时,也应相应地制作试块。一般项目4)按每一层次或每层施工段(或变形缝)作为一个检验批,高层建筑的标准层可按每3层(不足3层按3层计

2、)作为一个检验批。5)按有代表性的自然间抽查10%(过道按10延米,仓库、厂房按两轴线为1间),但不少于3间;其他建(构)筑物按垫层面积每30m250m2抽查1处,且不少于3处。6)有防水要求的,应按其房间总数随机检验不少于4间,不足4间的应全数检查。找平层质量标准及检验方法类别序号检查项目质量标准单位检验方法及器具主控项目1防水要求有防水要求的建筑地面工程,铺设前必须对立管、套管和地漏与楼板节点之间进行密封处理;排水坡度应符合设计要求观察检查和蓄水、泼水检验及坡度尺检查2材料质量应符合设计要求和现行有关标准的规定观察检查和检查材质合格证明文件及检测报告3配合比或强度等级应符合设计要求和现行有关标准的规定观察检查和检查配合比通知单及检测报告般项目1找平层与其下一层结合结合牢固,不得有空鼓小锤轻击检查2找平层表面质量应密实,不得有起砂、蜂窝和裂缝等缺陷观察检查3表面平整度沥青玛蹄脂3mm靠尺和楔形塞尺检查水泥砂浆5胶粘剂24林1;j偏差沥青玛蹄脂5mm水准仪检查水泥砂浆8胶粘剂+45坡度偏差不大于房间相应尺寸的2/1000,且不大于30mm坡度尺检查6厚度偏差在个别地方不大于设计的1/10,且不大于20mm钢尺检查

展开阅读全文
相关资源
猜你喜欢
相关搜索

当前位置:首页 > 建筑/环境 > 建筑QC

copyright@ 2008-2023 1wenmi网站版权所有

经营许可证编号:宁ICP备2022001189号-1

本站为文档C2C交易模式,即用户上传的文档直接被用户下载,本站只是中间服务平台,本站所有文档下载所得的收益归上传人(含作者)所有。第壹文秘仅提供信息存储空间,仅对用户上传内容的表现方式做保护处理,对上载内容本身不做任何修改或编辑。若文档所含内容侵犯了您的版权或隐私,请立即通知第壹文秘网,我们立即给予删除!