排灰、排渣作业风险控制指导书.docx

上传人:p** 文档编号:240161 上传时间:2023-04-18 格式:DOCX 页数:2 大小:16.51KB
下载 相关 举报
排灰、排渣作业风险控制指导书.docx_第1页
第1页 / 共2页
排灰、排渣作业风险控制指导书.docx_第2页
第2页 / 共2页
亲,该文档总共2页,全部预览完了,如果喜欢就下载吧!
资源描述

《排灰、排渣作业风险控制指导书.docx》由会员分享,可在线阅读,更多相关《排灰、排渣作业风险控制指导书.docx(2页珍藏版)》请在第壹文秘上搜索。

1、排灰、排渣作业风险控制指导书工作内容危险点控制措施排灰人员精神状态不良1、发现作业人员精神不振,身体状况、行为异常,工作前有饮酒现象时,禁止进入工作区域。误撞、误碰设备1、正确佩戴安全帽。2、注意周围环境,防止误撞误碰设备。3、严禁扩大工作范围。滑跌1、注意地面积水,积油、地面孔洞前板和台阶,防止人体滑跌。2、工作中穿符合要求的工作鞋。粉灰伤害1、检查时保持安全距离,防止管道破裂伤人。2、戴好防护口器,防止吸入粉尘。误操作1、确认设备良好,防止发生误动设备。2、训练掌握工作流程,进行技术技能的培养、教育。3、保持良好的工作状态。触电1、禁止湿手进行操作。2、未经允许不准动用与自己无关的任何电器

2、设备。3、确认控制室操作电箱接地良好。高处坠落1、就地巡检、操作人员观察平台楼梯、栏杆是否完好,上下楼梯时必须扶好栏杆,看清路线,保证夜间照明良好。2、禁止倚靠平台栏杆,保持安全距离。漏灰1、启动前到就地认真检查设备,确保设备完好,发现异常及时停运,立即下缺陷单并通知检修人员进行处理。排渣人员精神状态不良1、发现作业人员精神不振,身体状况、行为异常,工作前有饮酒现象时,禁止进入工作区域。误撞、误碰设备1、正确佩戴安全帽。2、注意周围环境,防止误撞误碰设备。3、严禁扩大工作范围。4、保持良好的工作状态。5、拉渣车严格按照规定的路线和速度行驶,进入渣仓区时一定一看、二慢,驾驶人员精神集中。滑跌1、

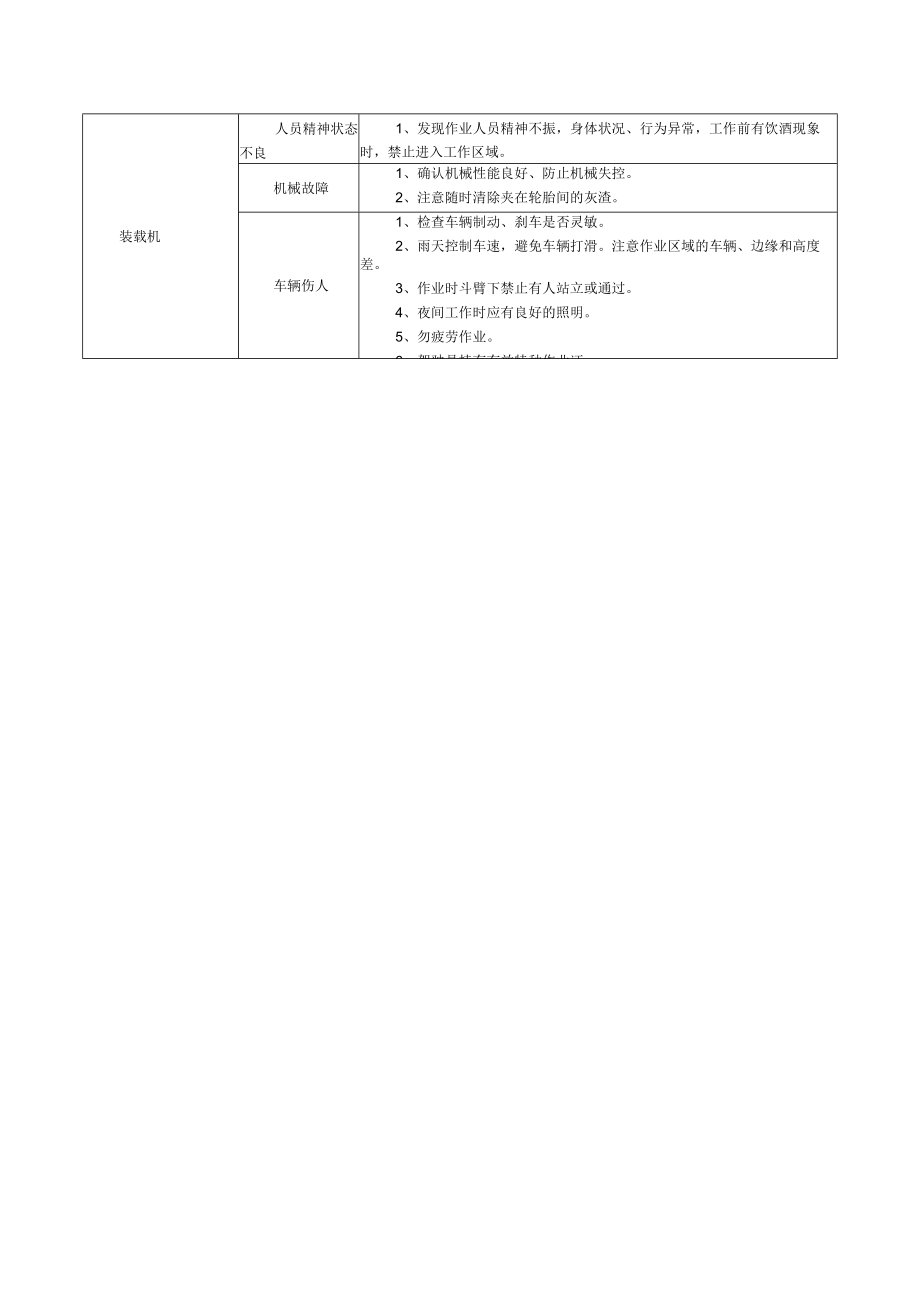
3、注意地面积水,积油、地面孔洞盖板和台阶,防止人体滑跌。2、工作中穿符合要求的工作鞋。误操作1、确认设备良好,防止发生误动设备。2、训练掌握工作流程,进行技术技能的培养、教育。3、保持良好的工作状态。触电1、不用湿手进行操作。2、未经允许不准动用与自己无关的任何电器设备。3、确认控制室电箱接地良好。高处坠落1、就地巡检、操作人员观察平台楼梯、栏杆是否完好,上下楼梯时必须扶好栏杆,看清路线,保证夜间照明良好。2、禁止倚靠平台栏杆,保持安全距离。设备故障1、按照规定对渣仓进料口进行检查并及时排渣,发现落料II堵料或有粘连及时清理,避免堵渣倒刮渣的异常发生。装载机人员精神状态不良1、发现作业人员精神不振,身体状况、行为异常,工作前有饮酒现象时,禁止进入工作区域。机械故障1、确认机械性能良好、防止机械失控。2、注意随时清除夹在轮胎间的灰渣。车辆伤人1、检查车辆制动、刹车是否灵敏。2、雨天控制车速,避免车辆打滑。注意作业区域的车辆、边缘和高度差。3、作业时斗臂下禁止有人站立或通过。4、夜间工作时应有良好的照明。5、勿疲劳作业。6、驾驶员持有有效特种作业证。

展开阅读全文
相关资源
猜你喜欢
相关搜索

当前位置:首页 > 金融/证券 > 期货

copyright@ 2008-2023 1wenmi网站版权所有

经营许可证编号:宁ICP备2022001189号-1

本站为文档C2C交易模式,即用户上传的文档直接被用户下载,本站只是中间服务平台,本站所有文档下载所得的收益归上传人(含作者)所有。第壹文秘仅提供信息存储空间,仅对用户上传内容的表现方式做保护处理,对上载内容本身不做任何修改或编辑。若文档所含内容侵犯了您的版权或隐私,请立即通知第壹文秘网,我们立即给予删除!