施工工期保证措施.docx

上传人:p** 文档编号:241885 上传时间:2023-04-18 格式:DOCX 页数:8 大小:49.88KB
下载 相关 举报
施工工期保证措施.docx_第1页
第1页 / 共8页
施工工期保证措施.docx_第2页
第2页 / 共8页
施工工期保证措施.docx_第3页
第3页 / 共8页
施工工期保证措施.docx_第4页
第4页 / 共8页
施工工期保证措施.docx_第5页
第5页 / 共8页
施工工期保证措施.docx_第6页
第6页 / 共8页
施工工期保证措施.docx_第7页
第7页 / 共8页
施工工期保证措施.docx_第8页
第8页 / 共8页
亲,该文档总共8页,全部预览完了,如果喜欢就下载吧!
资源描述

《施工工期保证措施.docx》由会员分享,可在线阅读,更多相关《施工工期保证措施.docx(8页珍藏版)》请在第壹文秘上搜索。

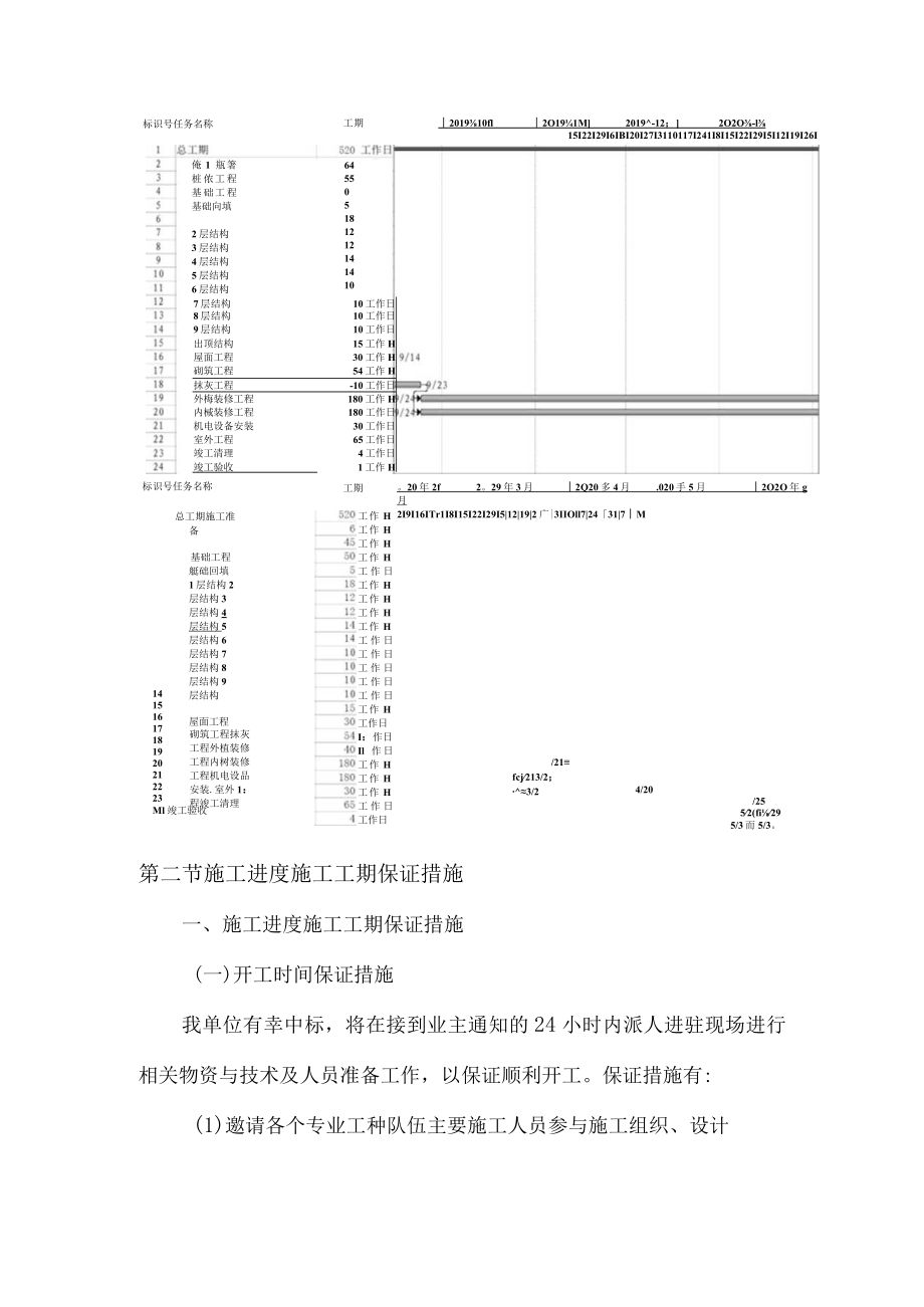
1、第一章施工工期保证措施第一节工程进度计划标识号任务名称-i-总工期工期年12月2019年I月2(H9年2月2019年叫2019年4月9I16I23I30I6I13I20I27I3I1017I24I3I1017I24I31I7I14I21I520工作H备程程填I-I施桩施瑞外悔装修工程内植装修工程机电设;6工作HIJ作日50工作日.:,1:作H18工作H12工作日12【作H14工作HNL作EIO工作日10J作EIO工作日10工作日.作H30I.作日51I.作HIO.作H180工作日ISO【.作H30I:作H65工作日I工作H12/28=/162/15/标识号任务名称工期1总工期520工作H2施工

2、准备6工作H3班基工程45工作日4蔚础工程50工作FI5柒础回填5工作H61层结构18工作日72层结构12工作Fl83层结构12工作口94层结构14工作H105层结构H工作日116层结构IO工作日127层结构10工作日138层结构IO工作日149层结构10工作日15出顶结构15工作H16屋面工程30工作日17物筑工程54工作日18抹灰工程40工作H19外檐装修工程180工作日20内饰装修工程180工作日21机电设备安装30工作H22室外工程65工作日23竣工清理4工作日24竣工验收1工作H2019年5月2。19年6月2019年7月28I5I12I19I26I25l6|233D|7ITrr21I

3、28|42OI9年8月2llt9T/217/11标识号任务名称工期标识号任务名称工期201910fl2O191M2019-12;2O2O-l15I22I29I6IBI20I27I3110117I241I8I15I22I29I5I12I19I26I俺1瓶箸桩侬工程基础工程基础向填2层结构3层结构4层结构5层结构6层结构6455051812121414107层结构10工作日8层结构10工作日9层结构10工作日出顶结构15工作H屋面工程30工作H砌筑工程54工作H抹灰工程-10工作日外梅装修工程180工作H内械装修工程180工作日机电设备安装30工作日室外工程65工作日竣工清理4工作日竣工验收1工作

4、H。20年2f2。29年3月2Q20多4月.020手5月2O2O年g月2I9I16ITr1I8I15I22I29I5|12|19|2广|3IIOll7|2431|7M总工期施工准备基础工程艇础回填1层结构2层结构3层结构4层结构5层结构6层结构7层结构8层结构9层结构屋面工程14151617181920212223Ml竣工验收砌筑工程抹灰工程外植装修工程内树装修工程机电设品安装.室外1:程竣工清理工作H工作H工作H工作H工作日工作H工作H工作H工作H工作日工作日工作日工作日工作日工作H工作日I:作日Il作日工作H工作H工作H工作日工作日/21fcj213/2;3/24/20/2552(fi29

5、5/3而5/3。第二节施工进度施工工期保证措施一、施工进度施工工期保证措施(一)开工时间保证措施我单位有幸中标,将在接到业主通知的24小时内派人进驻现场进行相关物资与技术及人员准备工作,以保证顺利开工。保证措施有:(1)邀请各个专业工种队伍主要施工人员参与施工组织、设计方案的深化与优化工作,做好开工前的技术准备工作。(2)接到中标通知书后立即与业主和设计、监理单位进行联系,尽快取得场地坐标控制点的布置图和位置,为测量定位做好准备。充分了解设计意图,尽快组织图纸会审,为开工做好准备。(3)组建强有力的项目机构,加大管理力度,确保管理的成功实施。(二)技术优化工作在公司选派最精干的管理人员组成总工

6、办、商务部、工程部、物资采购部、施工总包管理办公室等,并充分运用现代化管理技术,结合本工程实际情况,并利用微机运算出进度计划网络图,画出关键线路,针对每天施工中所存在的问题,对变化作出迅速的、实际的反应,进行网络计划调整,环环相扣,当意想不到的情况发生时,及时迅速调整网络计划。同公司相关辅助部门保持联系,以便所有人能及时修整作业计划,同时建立例会制度,找出原因及时弥补,这样使整个工程在时间上和空间上形成紧密的结合,工种之间、工序之间组成良好的搭接,合理的流水。(三)合理的施工方案(1)充分熟悉本工程的设计图纸,对拟定的施工组织设计、施工方案及方法进行认真的分析比较,作出统筹组织、全面安排,确保

7、总体目标计划,在施工过程中保证按照施工进度计划中设定的阶段性工期目标实现。针对工程特点,采用分段流水施工方法,减少技术问歇,对主要项目如地下室底板集中力量、突出重点,制定严密的、紧凑的、合理的施工穿插,尽可能压缩工期,加快施工进度。重视施工组织设计的动态管理和不断优化,确定钢筋混凝土框架结构为重点,进行组织施工。(2)主体结构工程施工期间,其模板工程中墙体采用定型分体式大模,采用泵送混凝土,从而提高主体结构施工进度。(3)合理地适时地加大投入,提高机械化作业程度,充分满足工程所需的人、财、物要示。如:配备汽车吊进行各种材料的垂直运输和水平运输,配备塔吊、输送泵、周转材料,提高劳动效率等。(四)

8、农忙、节假日等施工工期保证措施(1)预先制定好节假日值班表,并每天安排土建、安装等相应人员值班,确保工程照常运作。(2)严格按照国家劳动法对在春节中加班的项目部人员及工人提供相应报酬,并发放相应补助,提高大家的工作积极性。(3)在春节前一个月,由项目总工制定“材料计划”并由项目材料员负责采购齐全在春节时及春节后一段时间所需用的施工材料、机械。(4)对职工的娱乐生活等提供各项便利,确保在春节中值班及加班人员过好节,提高工作积极性。(5)协调好与商品碎公司等即用型单位的关系,确保做到工程随需随到,绝不允许因商品税不到位而影响工程工期。(6)为了避免春节后工人因民工潮而返回困难情况,我方在春节前即预

9、先订购一部分回车票发放给工人;另外在春节放假结束后,我方派专人提前租赁好客车前往工人原藉接回,免除了春运高峰造成的返程困难。(7)农忙一年两度插种与收获的季节。在此季节中我方将积极做好工人的思想工作,让他们认识到工程的重要性,提高他们的主人翁意识。另外对他们实行奖惩条例,补偿因加班而造成农忙未回家的损失。(8)对各班组进行教育,责任到人。各区分段划分负责人,推行施工质量、进度、安全等评比,奖优罚劣。(9)引进先进竞争机制,在整个工程过程中,每月评比质量、进度、安全最差班组及最优班组。当月最差班组下月的工程量相应减少一半,多出一半部分由最优班组承担。(10)项目部实行轮换值班制度,排定值班表,遇

10、到雨天调休。(五)各种资源的供应(1)根据施工组织设计的要求和施工进度计划内中各个阶段控制点的要求,编制劳动力进场计划、材料进场计划、机械设备进场计划、资金使用计划,以保证各种资源能满足施工需要。(2)物资材料计划应有明确的材料数量、规格和进场时间,现场材料储备应有一定的库存量,以保证工程进度提前或节假日运输困难时工程对物资的需要,确保现场施工正常进行。(3)劳动力进场要保证质量,工人进场必须进行严格的培训和考核。(4)按照计划进场施工机械,进场前对机械进行必要的维护、保养和试运转工作,保证所有机械进场后能够投入正常使用。使用期间加强维护与保养,确保机械能正常运行。(5)保证足够的资金用于施工

11、,专款专用,在资金出现不足时,运用单位资金投入本工程中确保正常施工。二、各工序的协调措施建筑安装工程是一项多工种协同作业的工作,要在计划工期内保质保量的完成施工任务,避免不了各工种间的交叉作业,各工种间的密切配合,是保证工程顺利进行,实现优质工程目标的关键。1、土建与安装的配合(1)土建与安装的配合是否恰当,既关系到顺利施工保证进度,又关系到相互之间半成品的保护与最终工程质量的优劣,土建和安装配合要顾全大局,互相支持,密切配合。(2)施工各阶段当土建与安装工种间需在同一作业面穿插施工时,由项目总工程师组织有关工种负责人协调制定作业程序,规定合理的时间差、空间差(即流水段步距),防止发生冲突,影

12、响工程进度和质量。(3)土建单位和安装单位密切配合搞好预埋件,预留孔洞的埋设和预留,重要预埋件要保证万无一失,一般预埋件要保证位置到位准确,力争做到不遗漏,土建在浇筑彼时,不能碰坏、损伤预埋件。(4)设备基础及留洞由土建施工,安装配合检查、验收,设备基础未达到强度的70%时,不得安装设备,基础尺寸的留洞,由土建施工,安装复查,土建应与安装办理基础、预留洞交接记录。(5)安装工程开始后与土建施工交叉进行时,必须保护已安好的机电设备和卫生器具、采暖、消防设备,不得随意损坏和污染。(6)安装施工人员不得随意在建筑物楼板、墙板上打洞,因特殊原因需剔凿破坏建筑物时,应与土建协商,确定位置及孔洞尺寸,经土

13、建单位同意后方可打洞,涉及结构的重要部位必须打洞时,必须征求土建部门和技术部门以及设计院的同意,不可擅自行事。(7)安装施工过程中不得污染、损坏墙面、门窗、地面等,土建施工时协调搞好安装成品、半成品的保护,不得随意搬动已安好的管道、线路、开关、阀门。未交工的厕所、卫生间禁止使用。(8)役养护作业时不得利用已安好的下水管排泥浆,不得随意取走预留管管口的管堵,互相保护尊重对方的劳动成果。2、安装专业与各工种之间的配合(1)管道、电气安装的配合。各工种本着“小管道让大管道、有压让无压”的原则,了解管路的布置,确定和调整本工程管道、电气线路走向及支架位置,以便给其他工种创造施工条件。(2)隔热保温施工

14、。按施工作业分段、分系统,管道安装后及时试压,试压合格后,再进行保温施工。(3)油漆施工配合,施工中各种管道、支架均先刷底漆,待交工前按统一色泽规定刷面漆,个别情况需全部漆完的由施工员确定。(4)设备安装与管道、电气的配合,设备到货后尽快就位,为管道配管与电气接线创造条件。(5)设备试运转的配合,设备试运转应由电工先将电机单试合格;设备试运转时以设备钳工为主、电气、弱点配合,组成有各工种参加的调试小组,统一安排试车工作。(6)预留、预埋协调配合:预留人员按预留预埋图进行,预留中不得随意伤损结构钢筋,当安装与土建结构有矛盾时,由双方工长协商处理。施工中认真进行技术复核和成品保护,尽量避免预埋件、预留孔、预埋管的错、漏、堵,万一发生或设计增加的埋管,必须在装修前补埋。(7)灯具、开关插座、面板安装配合:灯具、开关插座盒安装应做到位置正确,施工时不得损伤墙面,若孔洞较大应先作处理,在粉刷后再安装箱盖、面板。(8)卫生间施工配合:在土建施工时配合进行安装留孔,安装时由土建负责给定地坪标高基准。装好卫生洁具及地漏后,土建再作地坪。(

展开阅读全文
相关资源
猜你喜欢
相关搜索

当前位置:首页 > 建筑/环境 > 施工组织

copyright@ 2008-2023 1wenmi网站版权所有

经营许可证编号:宁ICP备2022001189号-1

本站为文档C2C交易模式,即用户上传的文档直接被用户下载,本站只是中间服务平台,本站所有文档下载所得的收益归上传人(含作者)所有。第壹文秘仅提供信息存储空间,仅对用户上传内容的表现方式做保护处理,对上载内容本身不做任何修改或编辑。若文档所含内容侵犯了您的版权或隐私,请立即通知第壹文秘网,我们立即给予删除!