施工现场平面布置图.docx

上传人:p** 文档编号:242165 上传时间:2023-04-18 格式:DOCX 页数:3 大小:42.28KB
下载 相关 举报
施工现场平面布置图.docx_第1页
第1页 / 共3页
施工现场平面布置图.docx_第2页
第2页 / 共3页
施工现场平面布置图.docx_第3页
第3页 / 共3页
亲,该文档总共3页,全部预览完了,如果喜欢就下载吧!
资源描述

《施工现场平面布置图.docx》由会员分享,可在线阅读,更多相关《施工现场平面布置图.docx(3页珍藏版)》请在第壹文秘上搜索。

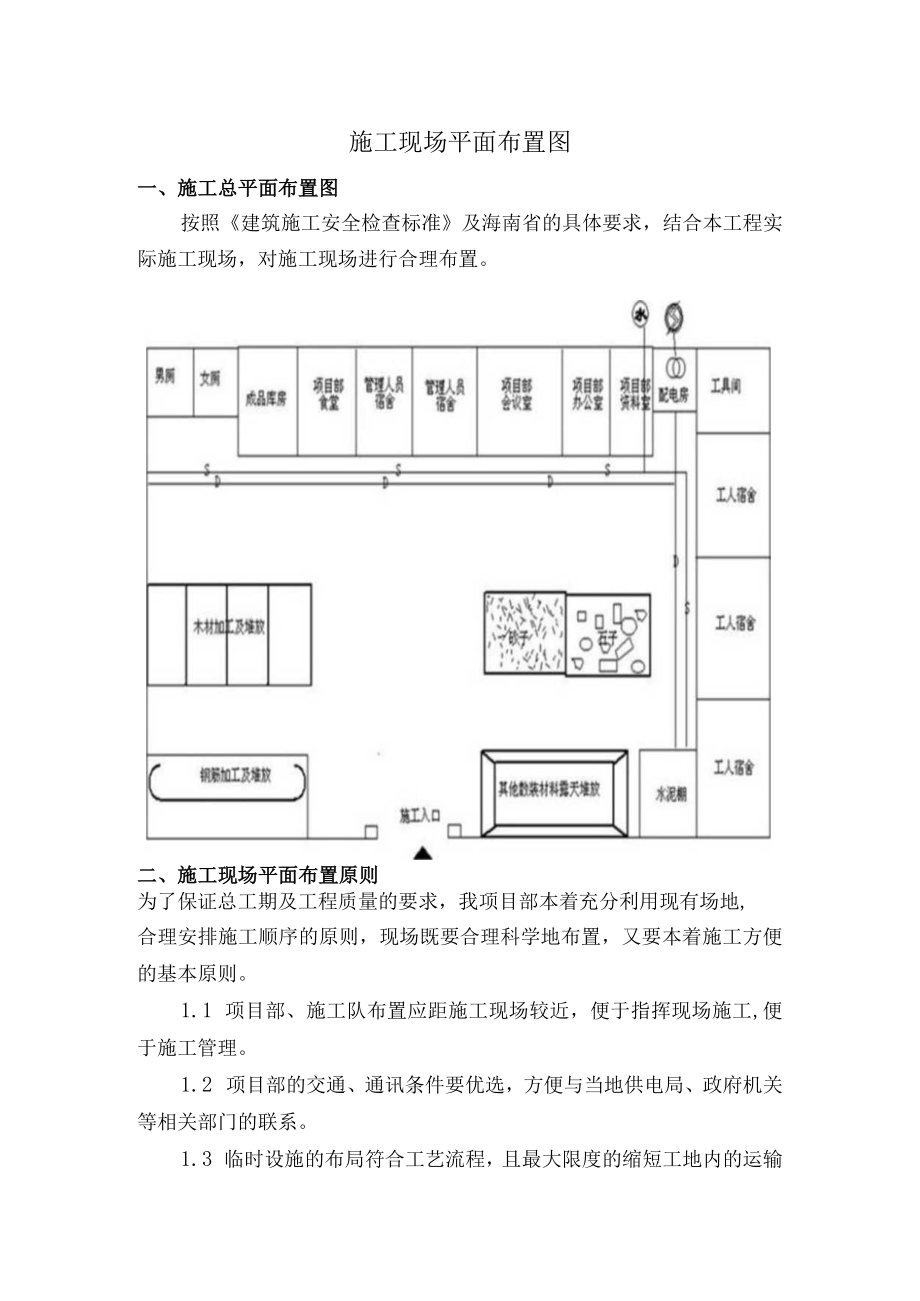
1、施工现场平面布置图一、施工总平面布置图按照建筑施工安全检查标准及海南省的具体要求,结合本工程实际施工现场,对施工现场进行合理布置。二、施工现场平面布置原则为了保证总工期及工程质量的要求,我项目部本着充分利用现有场地,合理安排施工顺序的原则,现场既要合理科学地布置,又要本着施工方便的基本原则。1.1 项目部、施工队布置应距施工现场较近,便于指挥现场施工,便于施工管理。1.2 项目部的交通、通讯条件要优选,方便与当地供电局、政府机关等相关部门的联系。1.3 临时设施的布局符合工艺流程,且最大限度的缩短工地内的运输距离,减少二次倒运,并避免现场临时设施频繁搬迁而影响工程进展。三、施工现场消防总体布置

2、3. 1消防布置(1)施工现场修砌消防水池,消防水接入消防水池,消防主干管直径为75mio现场设四个消火栓,分别设于北侧两个和南侧两个。(2)现场项目经理部办公区、宿舍区、库房区、卫生间边及大门口各须设一消防器材架。3.2消防措施(1)严格执行上级有关消防的规章制度。现场用的消防水管、消火栓、消防器材要配备齐全,消火栓3m范围内不得堆放任何材料和杂物,并设醒目标志,保证消防通道畅通。(2)贯彻“预防为主、防消结合”的消防方针,结合施工中的实际情况,加强领导,组织落实,建立逐级放火责任制。编制好消防方案,确保施工安全。(3)场区内地面设置消火栓四个,管径中75。(4)建立健全消防组织,要配备足够

3、的消防器材。要有明显的防火标志,做到布局合理,经常维护、保养,保证消防器材灵敏有效。(5)楼内临时消防,要配备配套消防器材;重点放火部位不少于四瓶。(6)施工现场建立用火制度,严格执行用火申请制度。电气焊工需有动火时,应领取用火证后才能生火。动火前要清除附近易燃物,配备看火人员和灭火用具。用火证当日有效。动火地点变换,要重新办理用火证手续。(7)施工员在安排生产时,要坚持放火安全交底制度,特别是电气焊、防火等易燃作业时,要有具体防火要求。(8)加强电气焊、油漆、易燃易爆材料作业的安全防火交底。(9)禁止在建筑物上采用可燃保温材料。四、施工现场临时用电、用水总体布置4. 1施工现场临时用电(1)

4、现场临时用电按工业与民用供电系统设计规范和施工现场临时安全技术规范设计并组织施工,供配电采用TN-S接零保护系统,按三级配电两级保护设计施工,PE线和N线严格分开使用。接地电阻不大于4Q,施工现场所有防雷装置冲击接地电阻不大于30。开关箱内漏电保护器额定动作电流不大于30mA,额定漏电动作时间不大于0.Is0(2)配电箱的设置:现场设总闸,电缆统一入闸箱,现场四周埋设环场电缆,现场设配电室、总配电箱,在按分闸箱供各专业施工使用,以保证安全施工。(3)配电箱采用公司统一制作的标准铁质电箱,各用电设备安装一闸一保,在钢筋棚、塔吊等用电设备处设一个400A的分配电箱;进入的电缆采用95mm2铜芯电缆

5、,电缆钢管保护接入总配电箱中,分别各区域设置总分配电箱,由总分配电箱中引出接入楼层分配电箱中,楼内分别在各层设置两个分配电箱,以控制楼层用电,电线采用BL25mm2铜线。所有用电设备必须接零或接地,并装漏电保护装置,每班必有电工值班。4.2施工现场临时用水(1)现场施工用水主要包括施工生产用水、生活用水以及消防用水系统。根据施工现场布置的实际情况,生产和消防水源共用两根市政供水管,按照施工生产用料场、库房和生活用房及办公用房的布置,采取就近布管供水,水源从指定的市政给水管网上接入。(2)临时施工用水在施工现场接入口处单独装设水表进行单独计量,水表后部安装止回阀,防止临时施工用水倒流污染市政水源。(3)水管在场地内埋地敷设,管径为DN150,埋深不小于800mm,防止损坏,出地面敷设的水管及地下消火栓采取防冻保温措施。(4)埋地主管道采用给水墨铸铁管。(5)临建房等临时设施管道材料采用内衬塑镀锌钢管。

展开阅读全文
相关资源
猜你喜欢
相关搜索

当前位置:首页 > 建筑/环境 > 建筑图纸/图片/标牌

copyright@ 2008-2023 1wenmi网站版权所有

经营许可证编号:宁ICP备2022001189号-1

本站为文档C2C交易模式,即用户上传的文档直接被用户下载,本站只是中间服务平台,本站所有文档下载所得的收益归上传人(含作者)所有。第壹文秘仅提供信息存储空间,仅对用户上传内容的表现方式做保护处理,对上载内容本身不做任何修改或编辑。若文档所含内容侵犯了您的版权或隐私,请立即通知第壹文秘网,我们立即给予删除!