普通模板安装工程质量标准及检验方法.docx

上传人:p** 文档编号:242849 上传时间:2023-04-18 格式:DOCX 页数:3 大小:20.37KB
下载 相关 举报
普通模板安装工程质量标准及检验方法.docx_第1页
第1页 / 共3页
普通模板安装工程质量标准及检验方法.docx_第2页
第2页 / 共3页
普通模板安装工程质量标准及检验方法.docx_第3页
第3页 / 共3页
亲,该文档总共3页,全部预览完了,如果喜欢就下载吧!
资源描述

《普通模板安装工程质量标准及检验方法.docx》由会员分享,可在线阅读,更多相关《普通模板安装工程质量标准及检验方法.docx(3页珍藏版)》请在第壹文秘上搜索。

1、普通模板安装工程质量标准及检验方法1检查数量:分层按不同规格梁、柱、板各抽查20%,且均不少于3根(块)。2质量标准和检验方法普通模板安装工程质量标准和检验方法类别序号检验项目质量标准单位检验方法及器具主控项目1模板及其支架应根据工程结构形式、荷载大小、地基土类别、施工设备和材料供应等条件进行设计;应具有足够的承载能力、刚度和稳定性,能可靠地承受浇筑混凝土的重力、侧压力以及施工荷载核对施工技术措施观察和手摇动检查2模板支撑、立柱位置和垫板安装现浇结构的上层模板及其支架时,下层楼板应具有承受上层荷我的承载能力,或加设支架;上、下层支架的立柱应对准,并铺设垫板对照模板设计文件和施工技术方案观察检查

2、3隔离剂在涂刷模板隔离剂时,不得沾污钢筋和混凝土接槎处观察检查4预埋件、预留孔(洞)必须齐全、正确、牢固观察和手摇动检查5预埋件制作、安装应符合本部分B.0.lB.0.2的有关规定(清水混凝土预埋件、管、螺栓中心线位移:普通清水3mm:饰面清水W2m)观察和量测6施工缝设置必须符合设计要求和现行有关标准的规定观察检查1模板安装(1)模板的接缝不应漏浆;在浇筑混凝土前,木模板应浇水湿润,但模板内不应有积水。(2)模板与混凝土的接触面应清理干净,并涂刷隔离剂,但不得采用影响结构性能或妨碍装饰工程施工的隔离剂。(3)浇筑混凝土前,模板内的杂物应清理干净。(4)对清水混凝土工程,应使用能达到清水效果要

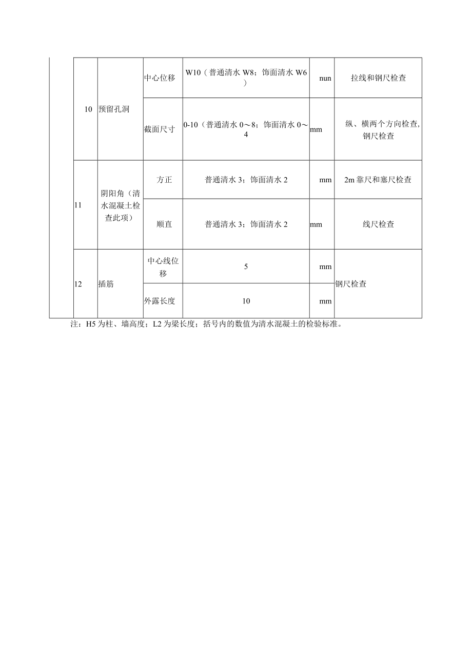
3、求的模板,模板接缝处有防漏浆措施对照模板设计文件和施工技术方案观察检查2梁、板起拱对跨度不小于4m的,应按设计要求起拱;当设计无具体要求时,起拱高度宜为跨度的1/1000-3/1000水准仪或拉线、钢尺检3轴线位移W5(普通清水土4;饰面清水3)mm经纬仪和钢尺检查4标高偏差各层上表面+5(普通清水5;饰面清水3)mm水准仪、钢尺检查有装配件支承面-50mm5截面模内尺寸偏差-5+2(普通清水土4;饰面清水士3)mm钢尺检查6柱、墙垂直偏差W5mW5(普通清水W4;饰面清水W3)nun经纬仪或吊线钢尺检查5m不大于庆/1000,且不大于15mm(普通清水6;饰面清水7相邻板面高低差2mm钢尺检查8表面平整度3(普通清水W3;饰面清水W2)mm2m靠尺和塞尺检查9侧向弯曲柱不大于/1000,且不大于15mm拉线和钢尺检查梁不大于2/1000,且不大于15mm10预留孔洞中心位移W10(普通清水W8;饰面清水W6)nun拉线和钢尺检查截面尺寸0-10(普通清水08;饰面清水04mm纵、横两个方向检查,钢尺检查11阴阳角(清水混凝土检查此项)方正普通清水3;饰面清水2mm2m靠尺和塞尺检查顺直普通清水3;饰面清水2mm线尺检查12插筋中心线位移5mm钢尺检查外露长度10mm注:H5为柱、墙高度;L2为梁长度;括号内的数值为清水混凝土的检验标准。

展开阅读全文
相关资源
猜你喜欢
相关搜索

当前位置:首页 > 建筑/环境 > 建筑QC

copyright@ 2008-2023 1wenmi网站版权所有

经营许可证编号:宁ICP备2022001189号-1

本站为文档C2C交易模式,即用户上传的文档直接被用户下载,本站只是中间服务平台,本站所有文档下载所得的收益归上传人(含作者)所有。第壹文秘仅提供信息存储空间,仅对用户上传内容的表现方式做保护处理,对上载内容本身不做任何修改或编辑。若文档所含内容侵犯了您的版权或隐私,请立即通知第壹文秘网,我们立即给予删除!