月报监理工程师汇总部分 .docx

上传人:p** 文档编号:243213 上传时间:2023-04-18 格式:DOCX 页数:4 大小:25.95KB
下载 相关 举报
月报监理工程师汇总部分 .docx_第1页
第1页 / 共4页
月报监理工程师汇总部分 .docx_第2页
第2页 / 共4页
月报监理工程师汇总部分 .docx_第3页
第3页 / 共4页
月报监理工程师汇总部分 .docx_第4页
第4页 / 共4页
亲,该文档总共4页,全部预览完了,如果喜欢就下载吧!
资源描述

《月报监理工程师汇总部分 .docx》由会员分享,可在线阅读,更多相关《月报监理工程师汇总部分 .docx(4页珍藏版)》请在第壹文秘上搜索。

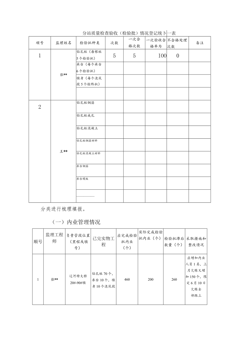
1、红字部分不填写2015年*月份监理工作统计表序号项目分类单位本月完成累计完成备注1监理会议次填报2验收开工条件项分站不填3审批施工方案份分站不填4审批施工组织设计(开工报告、评估报告)份分站不填5隐蔽检查次填报6复检次填报7巡检次填报8见证次填报9旁站小时填报10查出并解决的质量问题项填报11暂停令件分站不填12监理通知单件填报13监理工作联系单件填报14下发检查通报件填报15检查试睑室次填报16检验原材料次填报17清退原材料次兑明林料名缄量原因18批准验工计量项分站不填19批准变更件分站不填20提合理建议件填报21正式书面通知的返工数次填报1)巡检情况按照每位监理工程师的巡检完成量,列表登记

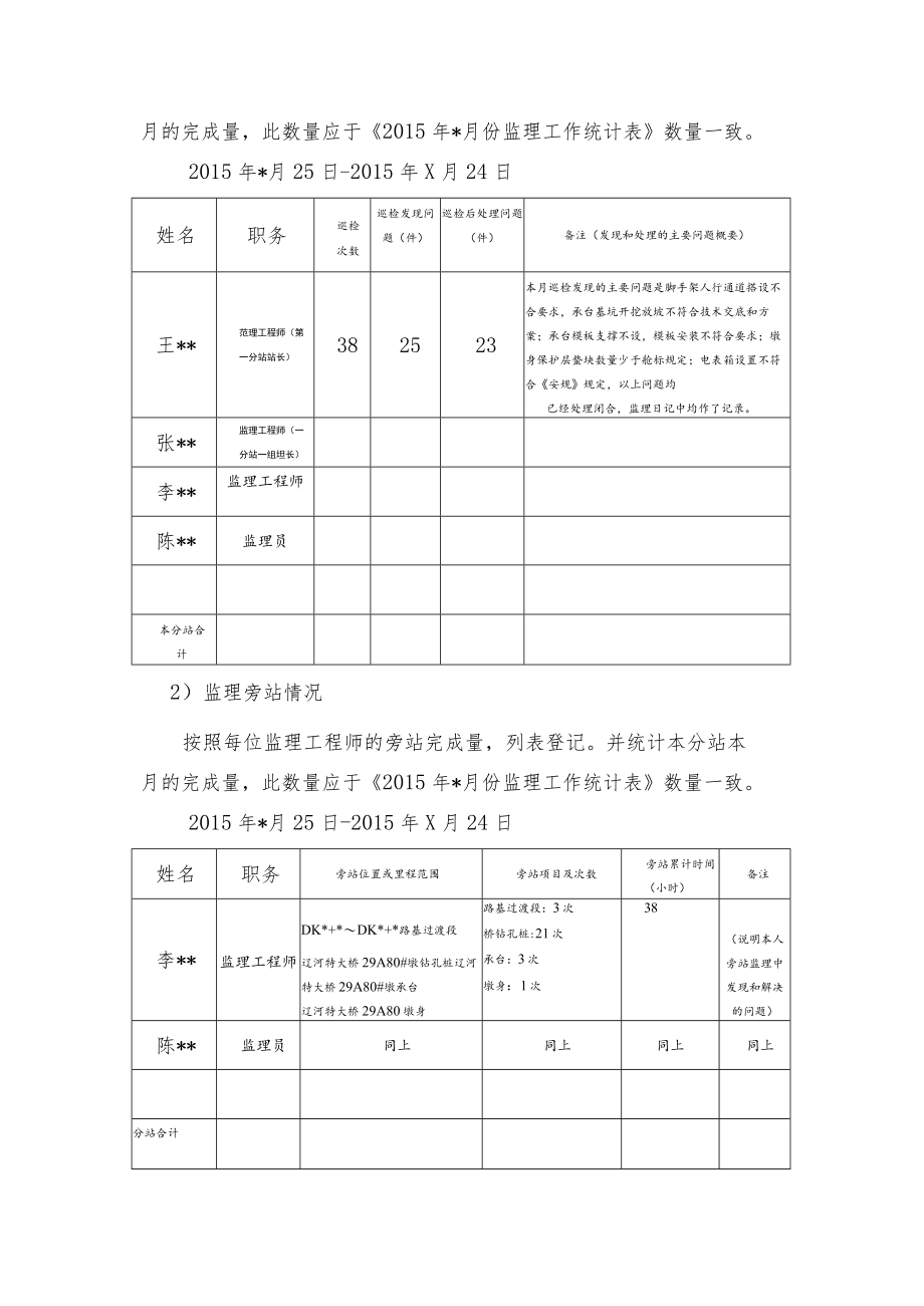
2、。并统计本分站本月的完成量,此数量应于2015年*月份监理工作统计表数量一致。2015年*月25日-2015年X月24日姓名职务巡检次数巡检发现问题(件)巡检后处理问题(件)备注(发现和处理的主要问题概要)王*范理工程师(第一分站站长)382523本月巡检发现的主要问题是脚手架人行通道搭设不合要求,承台基坑开挖放坡不符合技术交底和方案;承台模板支撑不设,模板安装不符合要求;墩身保护层蛰块数量少于舱标规定;电表箱设置不符合安规规定,以上问题均已经处理闭合,监理日记中均作了记录。张*监理工程师(一分站一组坦长)李*监理工程师陈*监理员本分站合计2)监理旁站情况按照每位监理工程师的旁站完成量,列表登

3、记。并统计本分站本月的完成量,此数量应于2015年*月份监理工作统计表数量一致。2015年*月25日-2015年X月24日姓名职务旁站位置或里程范围旁站项目及次数旁站累计时间(小时)备注李*监理工程师DK*+*DK*+*路基过渡段辽河特大桥29A80#墩钻孔桩辽河特大桥29A80#墩承台辽河特大桥29A80墩身路基过渡段:3次桥钻孔桩:21次承台:3次墩身:1次38(说明本人旁站监理中发现和解决的问题)陈*监理员同上同上同上同上分站合计分站质量检查验收(检验批)情况登记统卜一表顺号监理姓名检验批种类次数一次合格次数一次验收合格率为不合格处理次数备注1张*钻孔桩(每根桩5个检验批)55IOO0承台(每个承台6个检验批)墩身(每个浇筑段5个检黔批)2王*钻孔桩钢筋钻孔桩成孔钻孔桩混凝土钻孔桩钢筋材料钻孔桩混凝土材料承台钢筋承台模板分类进行梳理填报。(一)内业管理情况顺号监理工程师负责管段位置(里程或墩号)已完实物工程应完成检验批内业(个)实际完成检验批内业(个)检验批滞后数量(个)采取措施和整改情况1张*辽河特大桥20#-90#墩钻孔桩70个,承台10个,墩身10个浇筑段460200260应增加内业人员1名,上月欠账又增加150个,限定6月10日欠账全部跟上2李*

展开阅读全文
相关资源
猜你喜欢
相关搜索

当前位置:首页 > 资格/认证考试 > 安全工程师考试

copyright@ 2008-2023 1wenmi网站版权所有

经营许可证编号:宁ICP备2022001189号-1

本站为文档C2C交易模式,即用户上传的文档直接被用户下载,本站只是中间服务平台,本站所有文档下载所得的收益归上传人(含作者)所有。第壹文秘仅提供信息存储空间,仅对用户上传内容的表现方式做保护处理,对上载内容本身不做任何修改或编辑。若文档所含内容侵犯了您的版权或隐私,请立即通知第壹文秘网,我们立即给予删除!