木料表面施涂清漆涂料施工分项工程质量管理技术交底模板.docx

上传人:p** 文档编号:243894 上传时间:2023-04-19 格式:DOCX 页数:5 大小:32.55KB
下载 相关 举报
木料表面施涂清漆涂料施工分项工程质量管理技术交底模板.docx_第1页
第1页 / 共5页
木料表面施涂清漆涂料施工分项工程质量管理技术交底模板.docx_第2页
第2页 / 共5页
木料表面施涂清漆涂料施工分项工程质量管理技术交底模板.docx_第3页
第3页 / 共5页
木料表面施涂清漆涂料施工分项工程质量管理技术交底模板.docx_第4页
第4页 / 共5页
木料表面施涂清漆涂料施工分项工程质量管理技术交底模板.docx_第5页
第5页 / 共5页
亲,该文档总共5页,全部预览完了,如果喜欢就下载吧!
资源描述

《木料表面施涂清漆涂料施工分项工程质量管理技术交底模板.docx》由会员分享,可在线阅读,更多相关《木料表面施涂清漆涂料施工分项工程质量管理技术交底模板.docx(5页珍藏版)》请在第壹文秘上搜索。

1、木料表面施涂清漆涂料施工工程质量管理1、依据标准:建筑工程施工质量验收统一标准GB50300-2001建筑装饰装修工程施工质量验收规范GB50210-20012、施工准备2.1 材料要求:1. 1.1涂料:光油、清油、脂胶清漆、酚醛清漆、铅油、调合漆、漆片等。2. 1.2填充料:石膏、地板黄、红土子、黑烟子、大白粉等。3. L3稀释剂:汽油、煤油、醇酸稀料、松香水、酒精等。2.L4催干剂:“液体钻干剂”等。2.2主要机具:2.2.1油刷、开刀、牛角板、油画笔、掏子、毛笔、砂纸、砂布、擦布、腻子板、钢皮刮板、橡皮刮板、小油桶、半截大桶、水桶、油勺、棉丝、麻丝、竹签、小色碟、铜丝梦、高凳、脚手板、

2、安全带、钢丝钳子、小锤子和小笞帚等。2.3作业条件:2.3.1施工温度宜保持均衡,不得突然有较大的变化,且通风良好。湿作业己完并具备一定的强度,环境比较干燥。一般油漆工程施工时的环境温度不宜低于+10C,相对湿度不宜大于602.3.2在室外或室内高于3.6m处作业时,应事先搭设好脚手架,并以不妨碍操作准。2.3.3大面积施工前应事先做样板间,经有关质量部门检查鉴定合格后,方可组织班组进行大面积施工。2.3.4操作前应认真进行交接检查工作,并对遗留问题进行妥善处理。2. 3.5木基层表面含水率一般不大于12%.3、操作工艺3.1工艺流程:基层处理一润色油粉一满刮油腻子一刷油色一刷第一遍清漆(刷清

3、漆一修补腻子一修色一磨砂纸)一安装玻璃一刷第二遍清漆f刷第三遍清漆。3.2基层处理:首先将木门窗和木料表面基层面上的灰尘、油污、斑点、胶迹等用刮刀或碎玻璃片刮除干净。注意不要刮出毛刺,也不要刮破抹灰墙面。然后用1号以上砂纸顺木纹打磨,先磨线角,后磨四口平面,直到光滑为止。木门窗基层有小块活翘皮时,可用小刀撕掉。重皮的地方应用小钉子钉牢固,如重皮较大或有烤糊印疤,应由木工修补。3.3润色油粉:用大白粉24,松香水16,熟桐油2(重量比)等混合搅拌成色油粉(颜色同样板颜色),盛在小油桶内。用棉丝蘸油粉板复涂于木料表面,擦进木料鬃眼内,而后用麻布或木丝擦净,线角应用竹片除去余粉。注意墙面及五金上不得

4、沾染油粉。待油粉干后,用1号砂纸轻轻顺木纹打磨,先磨线角、裁口,后磨四口平面,直到光滑为止。注意保护棱角,不要将鬃眼内油粉磨掉。磨完后用潮布将磨下的粉末、灰尘擦净。3. 4满刮油腻子:抹腻子的重量配合比为石膏粉20,熟桐油7,水50(重量比),并加颜料调成油色腻子(颜色浅于样板12色),要注意腻子油性不可过大或过小,如油性大,刷时不易浸入木质内,如油性小,则易钻入木质内,这样刷的油色不易均匀,颜色不能一致。用开刀或牛角板将腻子刮入钉孔、裂纹、鬃眼内。刮抹时要横抹竖起,如遇接缝或节疤较大时,应用开刀、牛角板将腻子挤入缝内,然后抹平。腻子一定要刮光,不留野腻子。待腻子干透后,用1号砂红轻轻顺木纹打

5、磨,先磨线角、裁口,后磨四口平面,注意保护棱角,来回打磨至光滑为止。磨完后用潮布将磨下的粉末擦净。3. 5刷油色:先将铅油(或调合漆)、汽油、光油、清油等混合在一起过梦(颜色同样板颜色),然后倒在小油桶内,使用时经常搅拌,以免沉淀造成颜色不一致。刷油色时,应从外至内,从左至右,从上至下进行,顺着木纹涂刷。刷门窗框时不得污染墙面,刷到接头处要轻飘,达到颜色一致;因油色干燥较快,所以刷油色时动作应敏捷,要求无缕无节,横平竖直,刷油过刷子要轻飘,避免出刷缗。刷木窗时,刷好框子上部后再刷亮子:亮子全部刷完后,将梃钩勾住,再刷窗扇;如为双扇窗,应先刷左扇后刷右扇;三扇窗最后刷中间扇;纱窗扇先刷外面后刷里

6、面。刷木门时,先刷亮子后刷门框、门扇背面,刷完后用木楔将门扇固定,最后刷门扇正面;全部刷好后,检查是否有漏刷,小五金上沾染的油色要及时擦净。油色涂刷后,要求木材色泽一致,而又不盖住木纹,所以每一个刷面一定要一次刷好,不留接头,两个刷面交接棱口不要互相沾油,沾油后要及时擦掉,达到颜色一致。3. 6刷第一遍清漆:3. 6.1刷清漆:刷法与刷油色相同,但刷第一遍用的清漆应略加一些稀料便于快干。因清漆粘性较大,最好使用已用出刷的旧刷子,刷时要注意不流、不坠,涂刷均匀。待清漆完全干透后,用1号或旧砂红彻底打磨一遍,将头遍清漆面上的光亮基本打磨掉,再用潮布将粉尘擦净。3. 6.2修补腻子:一般要求刷油色后

7、不抹腻子,特殊情况下,可以使用油性略大的带色石膏腻子,修补残缺不全之处,操作时必须使用牛角板刮抹,不得损伤漆膜,腻子要收刮干净,光滑无腻子疤(有腻子疤必须点漆片处理)。3. 6.3修色:木料表面上的黑斑、节疤、腻子疤和材色不一致处,应用漆片、酒精加色调配(颜色同样板颜色),或用由浅到深清漆调合漆和稀释剂调配,进行修色;材色深的应修浅,浅的提深,将深浅色的木料拼成一色,并绘出木纹。3. 6.4磨砂纸:使用细砂纸轻轻往返打磨,然后用潮布擦净粉末。3. 7安装玻璃:详见玻璃安装工艺标准。3.8刷第二遍清漆:应使用原桶清漆不加稀释剂(冬季可略加催干剂),刷油操作同前,但刷油动作要敏捷,多刷多理,清漆涂

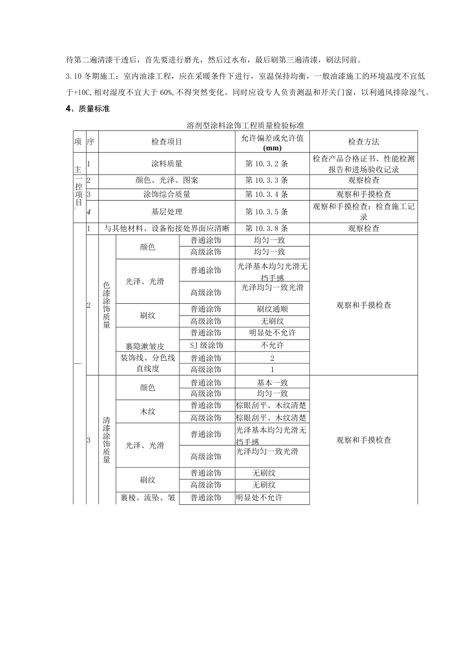
8、刷得饱满一致,不流不坠,光亮均匀,刷完后再仔细检查一遍,有毛病要及时纠正。刷此遍清漆时,周围环境要整洁,宜暂时禁止通行,最后将木门窗用梃钩勾住或用木楔固定牢固。3. 9刷第三遍清漆待第二遍清漆干透后,首先要进行磨光,然后过水布,最后刷第三遍清漆,刷法同前。3.10冬期施工:室内油漆工程,应在采暖条件下进行,室温保持均衡,一般油漆施工的环境温度不宜低于+10C,相对湿度不宜大于60%,不得突然变化。同时应设专人负责测温和开关门窗,以利通风排除湿气。4、质量标准溶剂型涂料涂饰工程质量检验标准项序检查项目允许偏差或允许值(mm)检查方法主1涂料质量第10.3.2条检查产品合格证书、性能检测报告和进场

9、验收记录一控项目_2颜色、光泽、图案第10.3.3条观察检查3涂饰综合质量第10.3.4条观察和手摸检查4基层处理第10.3.5条观察和手摸检查:检查施工记录1与其他材料、设备衔接处界面应清晰第10.3.8条观察检查2色漆涂饰质量颜色普通涂饰均匀一致观察和手摸检查高级涂饰均匀一致光泽、光滑普通涂饰光泽基本均匀光滑无挡手感高级涂饰光泽均匀一致光滑刷纹普通涂饰刷纹通顺高级涂饰无刷纹裹隐漱皱皮普通涂饰明显处不允许SJ级涂饰不允许装饰线、分色线直线度普通涂饰2高级涂饰13清漆涂饰质量颜色普通涂饰基本一致观察和手摸检查高级涂饰均匀一致木纹普通涂饰棕眼刮平、木纹清楚高级涂饰棕眼刮平、木纹清楚光泽、光滑普通

10、涂饰光泽基本均匀光滑无挡手感高级涂饰光泽均匀一致光滑刷纹普通涂饰无刷纹高级涂饰无刷纹裹棱、流坠、皱普通涂饰明显处不允许高级涂饰不允许5、成品保护5.1每遍油漆前,都应将地面、窗台清扫干净,防止尘土飞扬,影响油漆质量。5.2每遍油漆后,都应将门窗扇用梃钩勾住,防止门窗扇、框油漆粘结,破坏漆膜,造成修补及损伤扇活。5.3刷油后应将滴在地面或窗台上及污染在墙上的油点清刷干净。5.4油漆完成后,应派专人负责看管。6、应注意的质量问题6.1漏刷:漏刷一般多发生在门窗的上、下冒头和靠合页小面以及门窗框、压缝条的上、下端部和衣柜六框的内侧等,其主要原因是内门扇安装时油工与木工不配合,故往往下冒头未刷油漆就把

11、门扇安装了,事后油工根本刷不了(除非把门扇合页卸下来重刷);加上习惯后装及把关不严、管理不到位等,往往有少刷一遍油漆的现象。其他漏刷问题主要是操作者不认真所致。6.2缺腻子、缺砂纸:缺腻子、缺砂纸一般多发生在合页槽、上中下冒头、椎头和钉孔、裂缝、节疤以及边棱残缺处等。主要原因是操作未认真按照工艺规程去操作所致。6.3流坠、裹楞:油漆流坠、裹楞主要原因有二:一是由于漆料太稀、漆膜太厚或环境温度高,油漆干性慢等原因,都易造成流坠、裹楞;二是由于操作顺序和手法不当,尤其是门窗边棱分色处,如一旦油量大和操作不注意,就往往容易造成流坠、裹楞。6.4刷纹明显:主要是油刷子小或油刷未泡开刷毛发硬所致。应用相

12、应合适的刷子,并把油刷用稀料泡软后使用。6.5粗糙:主要原因是基层不干净,油漆内有杂质或在尘土飞扬时施工,造成油漆表面常发生粗糙现象。应注意用湿布擦净,油漆要过梦,严禁刷油时清扫或刮大风时刷油。6.6皱纹:主要是漆质不好,兑配不均匀,溶剂挥发快或催干剂过多等原因造成。6. 7五金污染:除了操作要细,宜将门锁、拉手、插销等五金后装(但可以事先把位置和门锁孔眼钻好),确保五金洁净美观。7、质量记录6.1 油漆等材料出厂合格证。7. 2本分项工程质量验评表。1施工现场安全施工注意事项:1、施工人员进入施工现场前,必须要进行施工安全、消防知识的教育和考核工作,对考核不合格的职工,禁止进入施工现场参加施

13、工。2、进入施工现场必须戴好安全帽,系好帽带,并正确使用个人劳动防护用品.3、严格执行操作规程,不得违章指挥和违章作业,对违章作业的指令有权拒绝并有责任制止他人违章作业。4、施工作业时必须正确穿戴个人防护用品,进入施工现场必须戴安全帽。不许私自用火,严禁酒后操作。5、穿拖鞋、高跟鞋、赤脚或赤膊不准进入施工现场。6、穿硬底鞋不得进行登高作业。7、在高空、钢筋、结构上作业时,一定要穿防滑鞋.8、现场用电,一定要有专人管理,同时设专用配电箱,严禁乱接乱拉,采取用电挂牌制度,尤其杜绝违章作业,防止人身、线路,设备事故的发生。9、电钻、电锤、电焊机等电动机具用电、配电箱必须要有漏电保护装置和良好的接地保

14、护地线,所有电动机具和线缆必须定期检查,保证绝缘良好,使用电动机具时应穿绝缘鞋,戴绝缘手套。10、工地施工照明用电,必须使用36伏以下安全电压,所有电器机具在不使用时,必须随时切断电源,防止烧坏设备.11在用喷灯、电焊机以及必要生火的地方,要填写用火申请登记和设专人看管,随带消防器材等,保证消防措施的落实。施焊时,特别注意检查下方有无易燃物,并做好相应的防护,用完后要检查,确认无火后再离开.12、未经安全教育培训合格不得上岗,非操作者严禁进入危险区域;特种作业必须持特种作业资格证上岗。13、凡2m以上的高处作业无安全设施,必须系好安全带;安全带必须先挂牢后再作业。14、高处作业材料和工具等物件不得上抛下掷.15、从事高空作业人员要定期体验。凡患有高血压、心脏病、贫血症、癫痫病以及不适于高空作业的人员,不得从事高空作业。

展开阅读全文
相关资源
猜你喜欢
相关搜索

当前位置:首页 > 生活休闲 > 手工制作

copyright@ 2008-2023 1wenmi网站版权所有

经营许可证编号:宁ICP备2022001189号-1

本站为文档C2C交易模式,即用户上传的文档直接被用户下载,本站只是中间服务平台,本站所有文档下载所得的收益归上传人(含作者)所有。第壹文秘仅提供信息存储空间,仅对用户上传内容的表现方式做保护处理,对上载内容本身不做任何修改或编辑。若文档所含内容侵犯了您的版权或隐私,请立即通知第壹文秘网,我们立即给予删除!