水泥砂浆地面工程技术交底模板.docx

上传人:p** 文档编号:246664 上传时间:2023-04-19 格式:DOCX 页数:4 大小:22.32KB
下载 相关 举报
水泥砂浆地面工程技术交底模板.docx_第1页
第1页 / 共4页
水泥砂浆地面工程技术交底模板.docx_第2页
第2页 / 共4页
水泥砂浆地面工程技术交底模板.docx_第3页
第3页 / 共4页
水泥砂浆地面工程技术交底模板.docx_第4页
第4页 / 共4页
亲,该文档总共4页,全部预览完了,如果喜欢就下载吧!
资源描述

《水泥砂浆地面工程技术交底模板.docx》由会员分享,可在线阅读,更多相关《水泥砂浆地面工程技术交底模板.docx(4页珍藏版)》请在第壹文秘上搜索。

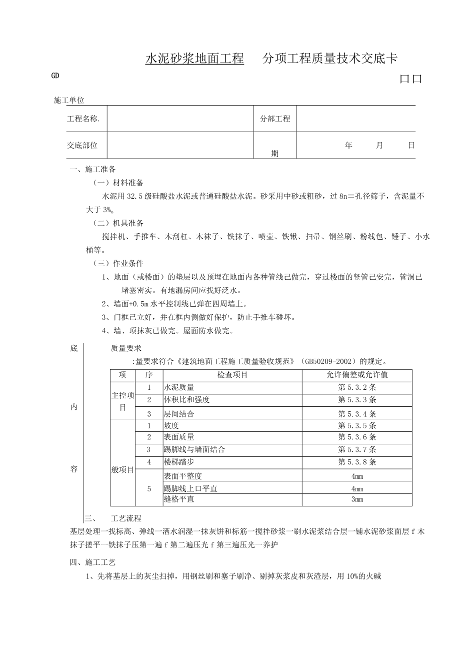
1、GD水泥砂浆地面工程分项工程质量技术交底卡口口施工单位工程名称.分部工程交底部位期年月日一、施工准备(一)材料准备水泥用32.5级硅酸盐水泥或普通硅酸盐水泥。砂采用中砂或粗砂,过8n孔径筛子,含泥量不大于3%o(二)机具准备搅拌机、手推车、木刮杠、木袜子、铁抹子、喷壶、铁锹、扫帚、钢丝刷、粉线包、锤子、小水桶等。(三)作业条件1、地面(或楼面)的垫层以及预埋在地面内各种管线己做完,穿过楼面的竖管己安完,管洞已堵塞密实。有地漏房间应找好泛水。2、墙面+0.5m水平控制线已弹在四周墙上。3、门框已立好,并在框内侧做好保护,防止手推车碰坏。4、墙、顶抹灰已做完。屋面防水做完。底质量要求:量要求符合建

2、筑地面工程施工质量验收规范(GB50209-2002)的规定。项序检查项目允许偏差或允许值主控项目1水泥质量第5.3.2条内2体积比和强度第5.3.3条3层间结合第5.3.4条1坡度第5.3.5条2表面质量第5.3.6条般项目3踢脚线与墙面结合第5.3.7条容4楼梯踏步第5.3.8条表面平整度4mm5踢脚线上口平直4mm缝格平直3mm三、工艺流程基层处理一找标高、弹线一洒水润湿一抹灰饼和标筋一搅拌砂浆一刷水泥浆结合层一铺水泥砂浆面层f木抹子搓平一铁抹子压第一遍f第二遍压光f第三遍压光一养护四、施工工艺1、先将基层上的灰尘扫掉,用钢丝刷和塞子刷净、剔掉灰浆皮和灰渣层,用10%的火碱交底内容水溶液

3、刷撑基层上的油污,并用清水及时将碱液冲净。2、 根据墙上的+0.5m水平控制线,往下量测出面层标高,并弹在墙上。3、 用喷壶将地面基层均匀洒水一遍。4、 根据房间内四周墙上弹的面层标高水平线,确定面层抹灰厚度(不应小于20mm),然后拉水平线开始抹灰饼(5x5Cln)横竖间距为1.52.0m,灰饼上平面即为地面面层标高。如果房间比较大,还须抹标筋。铺抹灰饼和标筋的砂浆材料配合比均与抹地面的砂浆相同。5、 搅拌砂浆。应用搅拌机进行搅拌,颜色一致。6、 在铺设水泥砂浆之前,应涂刷水泥浆一层,不要涂刷面积过大,随刷随铺面层砂浆。7、 涂刷水泥浆之后紧跟着铺水泥砂浆,在灰饼之间将砂浆铺均匀。8、 木刮

4、杠刮平后,立即用木抹子搓平,并随时用2米靠尺检查其平整度。9、 木抹子刮平后,立即用铁抹子压第一遍,直到出浆为止。面层砂浆初凝后,用铁抹子压第二遍,表面压平压光。在水泥砂浆终凝前进行第三遍压光,必须在终凝前完成。10、地面压光完工后24h,铺锯末或其他材料覆盖洒水养护,保持湿润,养护时间不少于7d,抗压强度达5MPa时才能上人。五、成品保护1、 操作过程中注意对其他专业设备的保护。2、 面层做完以后养护期内严禁进入。3、 严禁在面层上拌合砂浆和储存砂浆。4、 冬期施工的水泥砂浆地面操作环境不能低于+5。六、环保措施1、 水泥砂浆随用随搅拌,不得随地乱甩。2、 废砂浆要及时清理出现场,能进行废物

5、利用的要进行利用。3、 水泥要进库保存,搅拌砂浆时不能让粉尘飞扬。专业技术负责人:交底人:接受人:施工现场安全施工注意事项:1、施工人员进入施工现场前,必须要进行施工安全、消防知识的教育和考核工作,对考核不合格的职工,禁止进入施工现场参加施工。2、进入施工现场必须戴好安全帽,系好帽带,并正确使用个人劳动防护用品.3、严格执行操作规程,不得违章指挥和违章作业,对违章作业的指令有权拒绝并有责任制止他人违章作业。4、施工作业时必须正确穿戴个人防护用品,进入施工现场必须戴安全帽。不许私自用火,严禁酒后操作。5、穿拖鞋、高跟鞋、赤脚或赤脚不准进入施工现场。6、穿硬底鞋不得进行登高作业。7、在高空、钢筋、

6、结构上作业时,一定要穿防滑鞋.8、现场用电,一定要有专人管理,同时设专用配电箱,严禁乱接乱拉,采取用电挂牌制度,尤其杜绝违章作业,防止人身、线路,设备事故的发生。9、电钻、电锤、电焊机等电动机具用电、配电箱必须要有漏电保护装置和良好的接地保护地线,所有电动机具和线缆必须定期检查,保证绝缘良好,使用电动机具时应穿绝缘鞋,戴绝缘手套。10、工地施工照明用电,必须使用36伏以下安全电压,所有电器机具在不使用时,必须随时切断电源,防止烧坏设备.11、在用喷灯、电焊机以及必要生火的地方,要填写用火申请登记和设专人看管,随带消防器材等,保证消防措施的落实。施焊时,特别注意检查下方有无易燃物,并做好相应的防护,用完后要检查,确认无火后再离开.12、未经安全教育培训合格不得上岗,非操作者严禁进入危险区域;特种作业必须持特种作业资格证上岗。13、凡2m以上的高处作业无安全设施,必须系好安全带;安全带必须先挂牢后再作业。14、高处作业材料和工具等物件不得上抛下掷.15、从事高空作业人员要定期体验。凡患有高血压、心脏病、贫血症、癫痫病以及不适于高空作业的人员,不得从事高空作业。

展开阅读全文
相关资源
猜你喜欢
相关搜索

当前位置:首页 > 建筑/环境 > 保温建筑

copyright@ 2008-2023 1wenmi网站版权所有

经营许可证编号:宁ICP备2022001189号-1

本站为文档C2C交易模式,即用户上传的文档直接被用户下载,本站只是中间服务平台,本站所有文档下载所得的收益归上传人(含作者)所有。第壹文秘仅提供信息存储空间,仅对用户上传内容的表现方式做保护处理,对上载内容本身不做任何修改或编辑。若文档所含内容侵犯了您的版权或隐私,请立即通知第壹文秘网,我们立即给予删除!