油库安全隐患检查表.docx

上传人:p** 文档编号:247585 上传时间:2023-04-19 格式:DOCX 页数:1 大小:15.53KB
下载 相关 举报
油库安全隐患检查表.docx_第1页
第1页 / 共1页
亲,该文档总共1页,全部预览完了,如果喜欢就下载吧!
资源描述

《油库安全隐患检查表.docx》由会员分享,可在线阅读,更多相关《油库安全隐患检查表.docx(1页珍藏版)》请在第壹文秘上搜索。

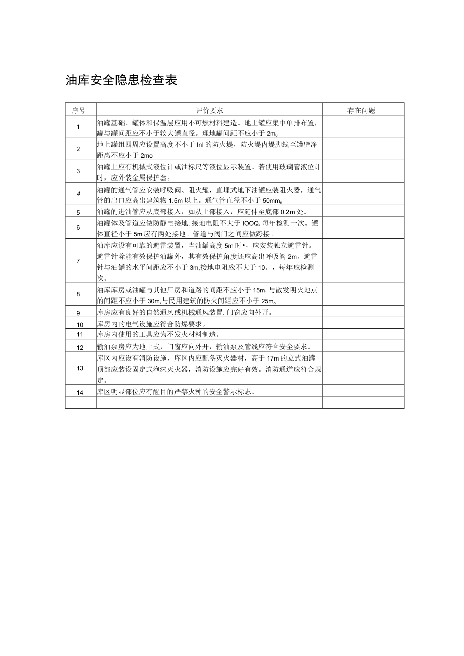
1、油库安全隐患检查表序号评价要求存在问题1油罐基础、罐体和保温层应用不可燃材料建造。地上罐应集中单排布置,罐与罐间距应不小于较大罐直径。理地罐间距不应小于2m02地上罐组四周应设置高度不小于InI的防火堤,防火堤内堤脚线至罐壁净距离不应小于2mo3油罐上应有机械式液位计或油标尺等液位显示装置。若使用玻璃管液位计时,应外装金属保护套。4油罐的通气管应安装呼吸阀、阻火耀,直埋式地下油罐应装阻火器,通气管的出口应高出建筑物1.5m以上。通气管直径不小于50mmn5油罐的进油管应从底部接入,如从上部接入,应延伸至底部0.2m处。6油罐体及管道应做防静电接地,接地电阻不大于IOOQ,每年检测一次。罐体直径

2、小于5m应有两处接地。管道与阀门之间应做跨接。7油库应设有可靠的避雷装置,当油罐高度5m时,应安装独立避雷针。避雷针除能有效保护油罐外,其有效保护角度还应高出呼吸阀2m。避雷针与油罐的水平间距应不小于3m,接地电阻应不大于10。,每年应检测一次。8油库库房或油罐与其他厂房和道路的间距不应小于15m,与散发明火地点的间距不应小于30m,与民用建筑的防火间距应不小于25mo9库房应有良好的自然通风或机械通风装置.门窗应向外开。10库房内的电气设施应符合防爆要求。11库房内使用的工具应为不发火材料制造。12输油泵房应为地上式,门窗应向外开,输油泵及管线应符合安全要求。13库区内应设有消防设施,库区内应配备灭火器材,高于17m的立式油罐顶部应装设固定式泡沫灭火器,消防设施应完好有效。消防通道应符合规定。14库区明显部位应有醒目的严禁火种的安全警示标志。

展开阅读全文
相关资源
猜你喜欢
相关搜索

当前位置:首页 > 行业资料 > 公共安全/安全评价

copyright@ 2008-2023 1wenmi网站版权所有

经营许可证编号:宁ICP备2022001189号-1

本站为文档C2C交易模式,即用户上传的文档直接被用户下载,本站只是中间服务平台,本站所有文档下载所得的收益归上传人(含作者)所有。第壹文秘仅提供信息存储空间,仅对用户上传内容的表现方式做保护处理,对上载内容本身不做任何修改或编辑。若文档所含内容侵犯了您的版权或隐私,请立即通知第壹文秘网,我们立即给予删除!